bol MB225 Massage Bathtub
Attention
- This system must be installed by competent people, under an adaptable environment.
- It must be connected to the ground hard when it is installed,our factory does not answer for loss when you did not connect it .
- The steam engine must be installed vertically.
- When the whole set is usually under sleep status.If it is not used for a long time, please turn off the power.
- When you install the system,you must consider the load of electric wire,or it will prevent the system from working normally and cause an accident.
- When you install all the spare parts,you must consider preventing dampness.
Massage bathtub
Install the diagram
Tap takes over the sketch
Controller panel sketch map of model V209F
Operating instruction
This instruction contrapose the model which has these functions, the client can choose the model according to his need .
Power on/off
- the system and indicator light will start after press this button press again to turn off the system and the indicator light will off .
Waterfall/water pump
- This function will start only after detecting the water,and the indicator light will flicker when there is short of water. The pump will turn off automatically after 60 minutes .
Electric control
- When turning on the function of whirlpool massage and waterfall massage, the
press can turn on the electrical water volume adjustment function. Let both massage’s power keep changing from maximum to minimum than maximum. When the waterfall volume is at is maximum, then the jets are in the weakest power, vice versa. Press
again can stop changing.
Air pump
- The pump will turn off automatically after 60 minutes, do not control by the water level.(Optional accessory) 6、Ozone: press this button to turn it on or off.It will turn off automatically after working for 15minutes.(Optional accessory)
underwater lamp: press this button to turn on or off.
Technology parameter
- Power : AC190V–240V 50-60Hz
- Water pump: AC220V 1500W
- Air pump: AC220V 750W
- Heater:≤2000W
- Power resistance: 1.5KV 1mA (for one minute ) 6、The leakage of electricity:<0.25mA
- A load of water lamp : AC12V 10W
- Ozone generator : AC12V 8W
- Waterproof grade: IPX4
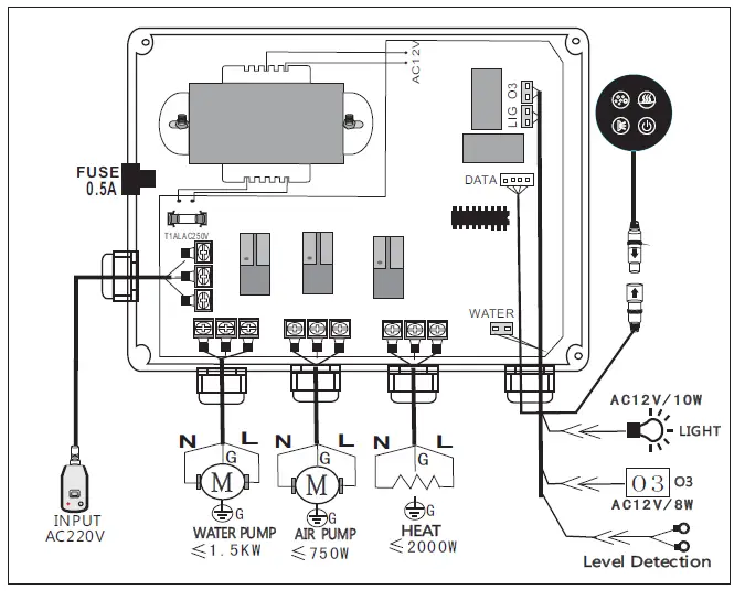
CIRCUIT DIAGRAM
Electricity parameter
| Rated voltage | Rated power | Rated electric current | Reference circuit voltage |
| 220VAC | 3500W | <4A | 12V |
Electric installation
- power supply’s establishment should be completed with nation security standard, voltage and frequency also shoule be accord with product’s nameplate. Especially install creepage protection switch and also check whether can connect with the ground.
- The wire collected to the massage bathtub should be fitting permanent., and the wire should be a three-core wire, the sectional acreage of each core cannot less than 12A. when wire pass the wall,it should be use bushing for protection until the AC outlet.
- Ground wire of bathtub should be test whether works with house appliance ground wire. The wire end of electricity control box should connect to the control panel, water bottom light, loudspeaker, electrical engineering and the detector protection respectively.
Water supply device
- This device’s hydraulic pressure is 0.2-0.4Mpa.
- The water supply characteristics on the wall: The cold or hot water supplies inside the bathroom also establish in the shelter of the massage tub, use the hose to connect with the cold or hot joint of the tub. the pipe towards is decide by the customer, the machine do not go with the hose.
Installation introduction
- Before install, must consider the place of install a massage bathtub and whether can support this device’s pressure.
- Place the massage bathtub on the install position, adjust level to make the drain system smooth.
- Adjust the leg’s screw to make sure all of the screw touches ground completely.
- Install the drain hose, and make some measure to against on the connecter.
- Fix cold and hot water-pipe well, then install the showerhead. And then put drain into downcomer, finally connect with power and make sure whether device connected with ground can work.
Using Method
- Turn on faucet, adjust water’s temperature, add water to the massage bathtub.when the highest water level exceeds the highest nozzle about 20-30mm and reach the detector, press the switch button to let the electric machine.
- Revolve the adjust switch ,and choose the proper surf pressure.
- After finishing if should turn off pump at first, then open drain button,when water is all out , please make a clean of the bathtub to keep in good.
Clean and keep in good condition
- usually use soft cloths and general liquid cleanser can wash away dirt , but forbid to use the cleanser with acetone or the ammon ia comp osition;when disinfect, forbid to use the disinfector
contained the formal dehyde. - the dirty spot of surface can use the toothpaste to wipe with the soft cloth .
- to the low-grade chafe of the surface or burned by cigarette, can soak in water to whet with 2000# levigation sand paper, then polishing.
- If the electroplate piece contain stain, use the soft cloth to wipe lightly, avoid to wiping with coarse cloth 6.5 often clean up the backwater net cover, prevent it from stop..
- Check whether have break on pipe and waterway aperiodically.
- Please check whether there is fall off or breakage on wire, switch,connector plugs so that repair in time.
- In order to keep to use in a long term ,please reme mbe r, don’t use mor e than 3 hours continuely.
Fault eliminate
| Fault | Cause | Way |
|
Machine or equipment doesn’t work | Voltage unstable | Check circuitry |
| Power connector didn’t connect well or open circuit | Insert again or change power line | |
| The windpipe connect air switch fall off or break | Connect again or change | |
| The air switch failure | Change | |
| Big nose of machine | Power’s parameter is not same as nameplate | Connect with supplier |
| Fixed screw did’n fix or fall off | Fix tightly again | |
| Support’s leg screw did not touch ground | Adjust | |
| water pipe leak out | Aging | Change |
| The joint did not fix well | Fix again | |
| Water pipe or accessory leak | Change |
Remark: except this fault, please according to situation to resolve, or find experienced people to repair.
special remind
- please find qualified people to install bathtub according to introduction.
- when you are using it, first of all you have to inject the cold water and then inject the hot water. Don’t inject the hot water first.
- bathtub’s machine must connect on ground, support must use 1.5mm2 yellow/green double wire connect with the ground and check whether effective.
- please do not turn on machine without water, before draining should turn off machine. 8.5 children should be looked after in bathtub.
- bathtub’s temperature cann’t higher than people average temperature, and the best is 32-37centigrade.
- after shower ,please cut off power.
- if have these situation ,please do not enter into a massage bathtub.
- younger than 4 years old’s child.
- blood circulation unstabled people.
- sot;
- suffer from flu;
- heart disease;
- already have sauna.
- after a meal in half an hour.
Remark: our company has the right to modify the above mention without further notice.
WARNINGS
- Please follow the instruction contained in the attached installation manual to ensure that the product is installed properly.the manufacturer will not be held liable for damages or injuries caused by im- proper installation.
- Follow the instructions contained in this manual when using the product.
- Before using the bathtub, check the local voltage that if reaches to the rated voltage(pre-installation card).





















