ASSA V-10 Twin 600 Classic Mortise Cylinder

Technical Service Manual

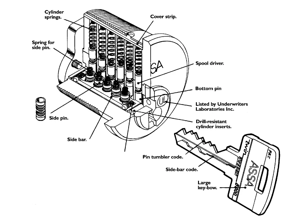
CUT AWAY DIAGRAM

CYLINDER OPERATION

THE UNPARALLELED SECURITY CYLINDER
The ASSA Twin 6000 cylinder is a high-security option for any ASSA lock and retrofits most other manufacturers’ locks. A specially shaped key simultaneously operates two independent locking mechanisms. Both the key and sidebar incorporate precision coding.
- MATERIALS. The cylinder housing and inner plug are high-quality brass. Pins are stainless steel, hardened stainless steel or nickel silver.
- MANUFACTURER TOLERANCES. Precision machining ensures smooth, positive operation and extended cylinder life.
- DRILL RESISTANCE. In addition to side and tumbler pins, case-hardened drill-resistant inserts are embedded in the cylinder plug and housing.
- PICK RESISTANCE. ASSA Twin 6000 cylinders have two independent shear lines that help assure optimum pick resistance. “False” grooves in the side pins catch the sidebar when improperly positioned. When the rotational force is applied, counter milling in the cylinder plug catches the spool driver pins.
- KEYS. ASSA Twin keys are manufactured from quality nickel silver material. The key’s rounded back facilitates smoother operation and minimizes wear. The large key bow simplifies key identification, and use by manually impaired people.
- OTHER DESIGNS. ASSA Twin 6000 cylinders are available in different shapes for use in many types of locks.
- PATENTS. Existing U.S patents and those existing and pending in over two dozen manufacture or use of unauthorized keys or cylinders. Any infringement of the ASSA patents rights will be forcefully prosecuted in court.
HIGH-SECURITY CYLINDERS FOR DEMANDING APPLICATIONS
Mortise and Rim Type Cylinders
ASSA 6000 mortise and rim cylinders are designed to replace original cylinders in many types of common locks. Made to standard dimensions and available in a variety of finishes, these reliable cylinders stand up to the heaviest use imaginable. ASSA 6000 mortise cylinders will improve the security of locks installed in aluminum storefront doors, as well as standard mortise locks by Schlage, Yale, Sargent, and other manufacturers. They also can be applied to a wide variety of special locking devices. Rim-type 6000 cylinders are designed for commercial exit and panic devices, as well as vertical deadbolt locks commonly used on apartment and condominium doors.
Key-In-Knob Cylinders
Knob locks by Schlage, Yale, Russwin, Sargent, and other manufacturers can be retrofitted with ASSA 6000 high-security cylinders. Specifically engineered shapes replace only the original cylinder – greatly improving key control without the cost of replacing the entire lock!
High-Security Deadbolts
ASSA 6000 deadbolt locks can be used to replace existing deadbolts or improve security on other doors. Two types of bolts and strike plates simplify installation in either wood or metal doors and frames, steel, saw-resistant deadbolt has full one-inch throw. Two models are available: double-cylinder and single cylinder with inside thumb turn.
Padlocks
Three grades of ASS 6000 padlocks expand the application of master key systems: they also provide independent security on gates, machines, vehicles, etc. Case-hardened shackles and ball-locking mechanisms are housed in brass or steel barrels. Rekeyable and virtually maintenance-free, each ASSA 6000 padlock offers the same high standards of key control, pick resistance, and rill resistance common to all ASSA 6000 products.
- One or more of the following U.S. Patents covers ASSA 6000 cylinders, key blanks, and other components: 4,356.713 – 4.393673 – 4.577.479 – 274.302 – 278.880 – 264.680
DEPTHS

General Rules
- No. 1 cut is the deepest cut, and No. 9 is the shallowest.
- The maximum adjacent cut of 5. Example: 1-6 cut acceptable, not 1-7.
- Depths: Measure from the bottom of key blade to bottom of the cut.
- No 1 = 4.03 (.1587”)
- No 2 = 4.63 (.1823”)
- No 3 = 5.23 (.2059”)
- Cut depths tolerance
- No 4 = 5.83 (.2295”)
- No 5 = 6.43 (.2531”)
- No 6 = 7.03 (.2768”) +0.00 — -0.04 mm+.000” — -.0016”.
- No7 = 7.63 (.3004â€)
- No 8 = 8.23 (.3240â€)
- No 9 = 8.83 (.3476â€)

General rules
- 0.8 mm (.032”) wide base.
- 90º cutting angle.
- System and KD code calculated from tip to bow.
ASSA TWIN 6000
ASSA TWIN 6000 KEYS, KEYBLANKS
Key blanks
- Sidebar Code is cut at ASSA Factory. Key blanks are provided as shown.

- Sidebar code/profile can be identified on key bow.
- Example 545-50

- Example 545-50
Key cutting
Sidebar code is pre-cut at the ASSA Factory. Pin Tumbler Codes can be cut on most code machines and duplicating machines. Manual duplicating machines, historically, produce better duplicating keys than automatic machines. The Twin 6000 key is a hefty quality key. ASSA recommends quality cutters. ASSA has cutter and code cards available for the HPC 1200 CN code machine.
Key stamping
All new keys should be stamped as original. Stamping procedures are as follows.
Decoder for KD/KA combinations. Count from tip to bow. Example: EAEGJC = 126958
KD Blind Codes can be found on factory code tags.
Side bar assembly method is for all ASSA Twin 6000 cylinders
- Turn cylinder plug upside down. Insert the side pin springs into the holes.
NOTE: These pin holes are drilled from the bottom side of the cylinder plug. - Insert the side pins with the hollowed end towards the spring. Be sure that the springs and pins are properly seated in the recesses. If a spring or pin is jammed, the cylinder will not function,
NOTE: All side pins are the same.
- Keep the cylinder plug upside down and insert the key, for that cylinder, to keep the side pins in place.
NOTE: Depress side pins in order to insert the key.
- Insert the short springs (side bar springs) in the small holes at each end of the groove along the cylinder plug for the side bar. Be sure that the springs seat correctly.

- Place the side bar so that the shelves (lug) correspond to the deep waist of the side pins. Press the side bar into groove so that it can be fully depressed into the cylinder plug.
NOTE: The key should be kept in the cylinder plug at all times during assembly.If side bar does not fully depress into the cylinder plug, side bar may be inverted.
- Slide the cylinder plug into cylinder housing. If the position of the side bar is correct, the cylinder plug will turn. Hold the cylinder plug in place when drawing out the key.
- Fasten the tail piece and the tail washer. After assembly, test the cylinder for proper operation.

TUMBLER ASSEMBLY
- When ordering complete or sub-assembled cylinders please state the sidebar code and the keyway
- Always turn key to right of clockwise when removing the cylinder plug with the following tool.
- It Is recommended that some type of holding fixture be used to prevent the
- Calendar from tipping when plugging the pin chambers.+
- Closing plugs
- Cylinder springs
- Spool drivers
- Master pins
- Bottom pins
- Cylinder housing9
- Cylinder plug
- Tailpiece
- Tailpiece washer
- Screws
- Drill resistant pin

PIN TUMBLER CODE
Cylinder bitting
- 27838 = Bottom pins
- 314 = Master pins
- ABDBAB = Spool drivers
Key bitting
- 248424 = Chance Key combination
- 248738 = Master key combination
NOTE: Always start from the tip of the key
PIN TUMBLER ASSEMBLY
- Insert the bottom pins as per the bitting sheet.

- In the case of Master-keyed cylinders, master pins are placed over the bottom pins as stated, according to bitting requirements.

- Spool drivers must correspond to the length of the bottom pins and are then inserted onto the cylinder housing as follows:

Spool top pin A for bottom pin 1-2
Note: In pin chambers with bottom pin and master pins the total length of the bottom and master pins determines the length of the spool drives. (see example)
- Cylinders springs are placed over each spool driver in the cylinder housing

- Insert the closing plugs. Press the plugs down until they are flush with the top of the cylinder housing.
Note: Care should be taken not to damage the finish of the cylinder if hammering. Other methods of plugging apply to other types of ASSA cylinders.
- After assembling, test the cylinder function for proper operation. For lubrication, use only ASSA spray.

- Insert the sidebar mechanism, bottom pins, master pins, and springs with the same method described earlier. See the line drawing for the location of the components.
- Fasten the tailpiece and the tailpiece washer with the tail screws.
- After the cylinder assembly test for proper operation.

MORTISE AND RIM CYLINDER ASSEMBLY
- Insert the sidebar mechanism, bottom pins, master pins, and springs with the method as described earlier.
- Insert pin chamber closing strip into pin bible and then “stake” with a small chisel or similar tool so the strip will remain in position.
- After the cylinder assembly test for proper operation.
- The ASSA Mortise cylinder can be assembled utilizing one of seven different cams. See schedule.
- The 1 1/8” (6551) cylinder housing is universal in that it is manufactured to work both as mortise or rim cylinder. The housing is both threaded mortise and tapped for rim screws. Mortise cams and rim tails have universal fittings.
- The 1 ¼” (6552) cylinder housing is not tapped for rim installation.
- Rim cylinder screws and mounting plates are available as an option.

KEI-IN-KNOB ASSEMBLY
- Insert the side bar mechanism, bottom pins, master pins and springs with the same method as described earlier.
- Insert pin chamber closing strip into pin bible and then “stake” with a small chisel or similar tool so the strip will remain in position.
- After cylinder assembly is completed, test for proper operation before installing in lockset.
65611 Schlage
- Break off tailpiece provided to accommodate different functions. Cut to proper length at score.
- The tailpiece can be located in either vertical or horizontal positions.
- When installing the tailpiece – depress cylinder cap pin and tighten cap clockwise until is tight, then back off one or two notches.
Note: The cap must be properly adjusted. If the cap is too loose the key cannot be withdrawn because the cylinder plug and cylinder housing pin chamber will not line up properly. If the cylinder cap is too tight the cylinder will be difficult to operate.
65631 Yale
- Install cylinder plug in housing as shown in diagram.
- Install cylinder pug retainer “C” clip from above and ensure it is well seated.

EQUIPMENT AND SUPPLIES
Pin kit, tools, and samples 
Order No. PK-2
Pin Kit includes 100 pieces of size each bottom, master and drive pins, 500 tumbler springs, 50 sidebars, 100 each side pins and sidebar springs, 100 Phillips cam screws, and 25 mortise/rim cover strips.
Order No. 86 90 18
ASSA Twin cutter wheel for HPC 1200 CM 90º/.032”
Order No. 96 90 20
ASSA Twin code card for HPC 100 CM
Order No. 90 70 09
Clear Deadbolt Mounting Ring.
Order No. 90 03 05
Deadbolt Sample Mount (base only).
Order No. 87 26 30
ASSA Twin Mortise Cutaway.





































