Tempo2 One Shot or Test Timer

Overview
Altronix Tempo2 Digital Test / Trigger Mode Timer is suitable for many applications that require a timed operation. e.g. delayed egress with a programmable 1-60 second door release after delay expires, door prop alarm, door annunciator, alarm swinger eliminator, etc. Digital display facilitates ease of programming and indicates time remaining before relay activation. Daily/Weekly test mode can be used to trigger digital communicators or radio transmitters and provide Central Stations with an alarm test signal.
Specifications
- Input 12 or 24 Volts AC or DC operation.
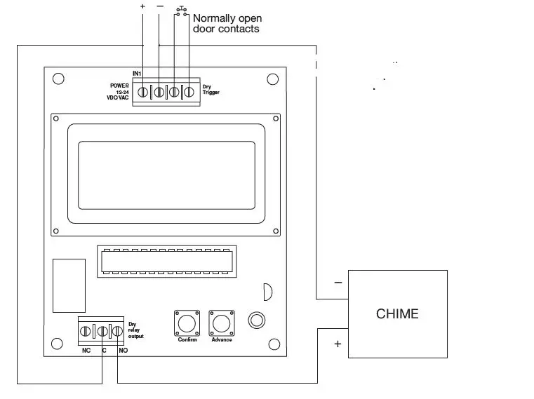
- Triggers via dry contact closure.
- Output dry Form C contacts are 2A 120VAC/28VDC.
- LCD display facilitates programming and indicates countdown status.
- Current draw: stand-by 15mA, relay energized 30mA.
- Dual function: test timer/one shot.
- EE Prom memory protects against loss of programming due to power failure.
- Board dimensions (L x W x H approximate): 3 x 2.5 x 0.75 (76.2mm x 63.5mm x 19.1mm).
One Shot Features trigger activated
Programmable relay activation at the start or end of the timing cycle.
Delayed Pulse Mode
1 to 60 sec. programmable pulse at the end of timing cycle.
Delay Mode
Relay can be programmed to energize or de-energize during timing cycle Digitally adjust from 1 sec 24 hours.

Test Timer Options
Programmable weekly or daily test. Test can be programmed for a specific day and time.
- Depress and Hold Confirm SU 00:00 will appear in displayNfor 2 seconds until TestMode
- Depress Advance SU 00:00 will appear in display SetClock
- Depress and Hold Confirm SU 00:00 will appear in display for two 2 seconds Set day Enter the current day of the week by depressing Advance to make the selection.
- Depress Confirm SU 00:00 will appear in display.
- Set hour Enter the current hour of day by depressing Advance to make the selection.
- Depress Confirm SU 00:00 will appear in display Set min.
- Enter the current minute of day by depressing Advance to make the selection.
- Depress Confirm SU 00:00 will appear in display TestMode
- Depress Advance twice SU 00:00 will appear in display TestTime.
- Depress and Hold Confirm SU 00:00 will appear in display for two (2) seconds Test day.
- Enter the desired day of the week by depressing Advance to make the selection MO-SU or for every day test.
- Depress Confirm SU 00:00 will appear in display Test Hour.
- Enter the desired hour of day by depressing Advance to make the selection.
- Depress Confirm SU 00:00 will appear in display Test min
- Enter the desired min of day by depressing Advance to make the selection.
- Depress Confirm pulse= 1 will appear in display Duration.
- Depress Advance to select duration of relay operation (1-60 seconds), then depress Confirm to accept.
Trigger Mode Programming
- Depress Advance 00:00:00Change will appear in display.
- Depress and Hold Confirm 00:00:00SetDelay will appear in display. for 2 seconds until.
- Enter the desired amount of hours by depressing Advance to make the selection.
- Depress Confirm 00:00:00 SetDelay will appear in display.
- Enter the desired amount of minutes by depressing Advance to make the selection.
- Depress Confirm 00:00:00SetDelay will appear in display.
- Enter the desired amount of seconds by depressing Advance to make the selection.
- Depress Confirm pulse = 1Set PLS will appear in display.
- Depress Advance to select pulse duration 1-60 seconds.
- If pulse is not needed skip to step 6.
- Depress Confirm TRIG OFF TRG EDGE will appear in display.
- Enter the desired trigger option (OFF, ON, CNG) by depressing Advance to make the selection.
- Removal of trigger will start time cycle.
- OFF option starts timing cycle when trigger is removed.
- ON option starts timing cycle when trigger is applied.
- CNG option starts timing cycle when trigger is removed or applied.
- Depress Confirm RLY = ON Event will appear in display.
- Enter the desired relay option OFF, ON, PLS by depressing Advance to make the selection.
- OFF option – relay turns off at the end of timing cycle.
- ON option – relay energizes at the end of timing cycle.
- Pulse option – relay energizes momentarily 1 to 60 sec.
- Depress Confirm to accept.
Tempo2 Typical Applications
Timed Door Annunciator
For this application select Trigger CHG and Relay PULSE.

Guard Tour Supervisory Timer
For this application select . Trigger CHG and Relay OFFF or this application select Trigger CHG and Relay OFF.
Swinger Eliminator
For this application select Trigger OFF, Relay ON.
Delay Timer
Use for Door Ajar Alarm, Delayed Activation of Digital Dialer, Defrost Cycle Timer, etc

- For Normally Closed Trigger Contact select Trigger OFF, Relay ON.
- For Normally Open Trigger Contact select Trigger ON, Relay ON.
Timed Door Lock

For this application select Trigger CHG, Relay OFF.
Timed Shunt for a Door
Use to bypass alarm contacts
For this application select Trigger CHG, Relay OFF
Delayed Egress

For this application select Trigger CHG, Relay PULSE.
Test Timer

Altronix is not responsible for any typographical errors 140 58th Street, Brooklyn, New York 11220 USA phone: 718-567-8181 fax: 718-567-9056 website: www.altronix.com e-mail: [email protected]



















