BEL-5-30SC BEL BEM Series Endless Low-Temperature Merchandiser

Master-Bilt BEL/BEM Bottom Coil Endless Case
Product Information
The Master-Bilt BEL/BEM Bottom Coil Endless Case is a refrigeration unit designed for commercial use. It is used to keep products cool and fresh, and is intended for installation in commercial settings such as grocery stores, convenience stores, and restaurants. The unit must be installed and serviced by a qualified refrigeration mechanic and/or licensed electrician. It is important to read the entire user manual carefully before installing or servicing the unit.
Product Usage Instructions
Before installing the Master-Bilt BEL/BEM Bottom Coil Endless Case, inspect it for any shipping damage. If there is any damage, contact the manufacturer immediately. All electrical wiring hook-ups must be done in accordance with all applicable local, regional, or national standards. Never use an extension cord to power the unit. The portions of the user manual that cover refrigeration and electrical components contain technical instructions intended only for persons qualified to perform refrigeration and electrical work. If additional information is needed, contact the manufacturer’s Customer Service Department.
It is important to thoroughly familiarize oneself with all safety information and procedures before installing, using, or servicing the unit. The user manual contains important safety messages and recommended precautions that must be followed at all times. Ignoring these messages could result in severe injury or death.
INTRODUCTION
Thank you for purchasing a Master-Bilt cabinet. This manual contains important instructions for installing, using and servicing a Master-Bilt BEL/BEM Bottom Coil Endless Case. A parts list is included with this manual. Read all these documents carefully before installing or servicing your equipment.
NOTICE
Read this manual before installing your cabinet. Keep the manual and refer to it before doing any service on the equipment. Failure to do so could result in personal injury or damage to the cabinet.
DANGER
Improper or faulty hook-up of electrical components of the refrigeration units can result in severe injury or death.
NEVER use an extension cord to power these units. All electrical wiring hook-ups must be done in accordance with all applicable local, regional or national standards.
NOTICE
Installation and service of the refrigeration and electrical components of the cabinet must be performed by a refrigeration mechanic and/or a licensed electrician.
The portions of this manual covering refrigeration and electrical components contain technical instructions intended only for persons qualified to perform refrigeration and electrical work.
This manual cannot cover every installation, use or service situation. If you need additional information, call or write us:
Customer Service Department:
Master-Bilt Products
908 Highway 15 North
New Albany, MS 38652
Phone (800) 684-8988
Fax (866) 882-7629
WARNING LABELS AND SAFETY INSTRUCTIONS
This symbol is the safety-alert symbol. When you see this symbol on your cabinet or in this manual, be alert to the potential for personal injury or damage to your equipment.
Be sure you understand all safety messages and always follow recommended precautions and safe operating practices.
NOTICE TO EMPLOYERS
You must make sure that everyone who installs, uses or services your cabinet is thoroughly familiar with all safety information and procedures.
Important safety information is presented in this section and throughout this section and throughout the manual. The following signal words are used in the warnings and safety messages:
DANGER: Severe injury or death will occur if you ignore the message.
WARNING: Severe injury or death can occur if you ignore the message.
CAUTION: Minor injury or damage to your cabinet can occur if you ignore the message.
NOTICE: This is important installation, operation or service information. If you ignore the message, you may damage your cabinet.
The warning and safety labels shown throughout this manual are placed on your Master-Bilt Products cabinet at the factory. Follow all warning label instructions. If any warning or safety labels become lost or damaged, call your customer service department at (800) 684-8988 for replacements.
This label is located on top of the electrical control panel and on the wiring channel.
PRE-INSTALLATION INSTRUCTIONS
INSPECTION FOR SHIPPING DAMAGE
You are responsible for filing all freight claims with the delivering truck line. Inspect all cartons and crates for damage as soon as they arrive. If damage is noted to shipping crates or cartons or if a shortage is found, note this on the bill of lading (all copies) prior to signing.
If damage is discovered when the cabinet is uncrated, immediately call the delivering truck line and follow up the call with a written report indicating concealed damage to your shipment. Ask for an immediate inspection of your concealed damage item. Crating material must be retained to show the inspector from the truck line.
INSTALLATION INSTRUCTIONS
GENERAL INSTRUCTIONS
- Be sure the equipment is properly installed by competent service people.
- Keep the equipment clean and sanitary so it will meet your local sanitation codes. Wipe up all spills, clean with water and a mild detergent, then rinse with clean water.
- Rotate your stock so that older stock does not accumulate. This is especially important for ice
cream. A “First-In, First-Out” rotation practice will keep the products in good sellable condition. - Do not place product in a BEL when it is soft or partially thawed. Also, product should not be put in the case for at least 6 hours after it is started.
- Stock cases as quickly as possible, exposing only small quantities to store temperatures for short periods of time.
- When replacing burned flourescent bulb/LED light bar, be sure that the electrical power to the lighting circuit is turned off.
To comply with N.S.F. requirements, this cabinet must be sealed to the floor with NSF listed silicone sealant. Before moving cabinet into place, route cabinet plumbing with P-trap to store drain line or install optional condensate pan.
STORE CONDITIONS
The Master-Bilt BEL/BEM cases are designed to operate in the controlled environment of an air conditioned store. The
store temperature should be at or below 75°F and a relative humidity of 55% or less. At higher temperature or humidity conditions, the performance of these cases may be affected and the capacity diminished. It is not uncommon in a newly constructed store for the temperature and humidity to be above design conditions. These excessive conditions may produce sweating in the case until the store is operational and the ambient environment is more desirable.
LOCATION
The Master-Bilt BEL/BEM should not be positioned where it is directly exposed to rays of the sun or near a direct source of radiant heat or air flow.
Cabinet should not be built into an enclosed area. If this case is to be located against a wall there should be at least a 4” space between the wall and the back of the case, with 4” open space at top and 1” on both ends. This space will allow for the circulation of air behind the case which will prevent condensation on the exterior surfaces.
Make sure that the floor that will support this equipment is of adequate strength to prohibit sagging. After confirming the dimensions of case with the blueprint measure off and mark on the floor the exact location of the cases for the entire lineup. Snap chalk lines where the base skids of the case are to be located as shown in Figure 1. 
LEVELING
It is very important that this equipment be perfectly level. This will allow for proper and complete drainage of the evaporator coil and for proper case alignment. A perfectly level area is generally not available where the equipment is to be installed. Mark the location of all case joining points front and back. Use a transit to locate the highest point on the chalk lines. This point will be a reference point for determining shim-pack heights. Using the reference point, mark the difference directly on the floor to each joining point front and back. Shim each joining point to equal the reference point as required. Tape all shims in place. If the installation is an entire lineup install the case that will be positioned at the highest point first. Check that the equipment in the lineup is level as the installation proceeds.
JOINING MULTIPLE SECTIONS
Remove the case from its shipping skid. Set the first case into its desired position with required shims in preparation for joining it with its adjacent case.

Bolt the included sex bolts through the door frame to secure the door frames together as shown in Figure 3. Make sure that the gasket strips on each frame are intact and free of damage to ensure a proper seal between the two frame sections. Repeat the above process for all other cases in the lineup.
Cases joined together require an application of butyl caulking to provide an air-tight seal. Apply a generous bead to all exposed foam edges at the end of the case. Inspect the bead to make sure there are no gaps and that there is sufficient material to provide a complete seal. The cases are now ready to be joined together. Remove the second case from its shipping skid and move it into position against the end of the first case. Properly level the second case with the appropriate shims.
Bolt the cases together through the five holes that are provided in the end frame as shown in Figure 2. Tighten the bolts until all seams are fully closed. Do not over tighten.

INSTALLING THE KICKPLATE
Install the kickplate behind the bumper and in front of the kickplate bracket. Secure the kickplate first by attaching it to the top pre-drilled holes of the kickplate brackets using the supplied #10×3/4” sheet metal screws. Then install the bumper by placing the top in the retaining rail and placing sheet metal screws through the bottom pre-drilled holes of the bracket. Refer to Figure 4 for the placement of the kickplate.
INSTALLING JOINING TRIM
To install the kickplate joiner, first make sure that the bumper is removed. Attach the kickplate retainer with the (2) #10×3/4” self-drilling sheet metal screws provided with the kit as shown in Figure 5. Rettach the bumper onto the bumper retaining rail and attach with screws as shown in Figure 4.
Figure 4 – Kickplate installation 
REMOVING AND REPLACING THE ENDS
The ends of a BEL/BEM are bolted to the ends of the cabinet itself. There are five attachment points on each end as shown in Figure 6. Each attachment point uses a 5/16” hex head bolt and washer. The bolts are fed through the holes in the end frames and into threaded retainers in the end panel. Care should be taken not overtighten the bolts as this could lead to stripping of the threaded retainer. Consult the factory if it is necessary to remove or replace the end of a BEL/BEM. 
PLUMBING
The BEL/BEM is equipped with a condensate drain kit to be installed. The drain kit connects to the bottom middle of the cabinet. This drain kit includes a (2) 90 Elbows, a Threaded Fitting, a Barbed Fitting, and a Trap. Connect supplied flexible hose to the barbed fitting and to the drain or condensate pump, whichever is applicable. It is very important that this trap be installed as it will result in diminished performance of the case without it. The kickplate will need to be removed to see the piping. 
- Always install drains in accordance with local codes.
- Use largest possible size pipe for drains, one inch minimum is recommended.
- Provide as much downhill slope as possible.
- Prevent drains from freezing. Do not install drains in contact with uninsulated suction lines.
NOTICE TO STORE OWNERS / MANAGERS
Moisture or liquid around or under the cabinet is a potential slip/fall hazard for persons walking by or working in the general area of the cabinet. Any cabinet malfunction or housekeeping problem that creates a slip/fall hazard around or under the cabinet should be corrected immediately.
If moisture or liquid is observed around or under a Master-Bilt cabinet, an immediate investigation should be made by qualified personnel to determine the source of the moisture or liquid. The investigation should determine if the cabinet is malfunctioning or if there is a drain pipe leaking.
ELECTRICAL
WARNING
Before servicing electrical components in the case or the doors or door frames make sure all power to case is off. Always use a qualified technician.
It is very important that full voltage and overcurrent protection requirements for condensing units, defrost heaters, fans, door and frame heaters, etc. be provided at installation. Wire sizing must be adequate to maintain full voltage under amperage loads specified in the charts are in this manual.
REFRIGERANT PIPING
The piping connections for a BEL/BEM are piped out of the cabinet to the customer’s specifications. These lines have been capped and should be cut with a tubing cutter so as not to introduce copper shavings into the system. Only clean, dry, sealed refrigeration grade AC hard copper tubing should be used. Be sure to install a suction line oil trap or ‘P-trap for both the BEL/BEM’s. It is recommended that all brazed joints be made with silver alloy-type solders. For roof top condensing units, an inverted P-trap must be installed in the suction line where the refrigeration lines exit onto the roof. For vertical line runs of more than 20 ft., a riser trap must be installed at the approximate center of the riser. The condensing unit should be located as closely as possible to the cabinet. Keep the refrigeration lines as short as possible and use as few fittings as practicable, being especially careful not to “kink” the lines. Keep the layouts as simple as possible and properly support the piping to absorb vibration and the normal expansion and contraction caused by temperature changes. All suction lines should be well-insulated to minimize heat absorption and control condensate which could form on the suction line. If tubular insulation is used, the ends, joints, and any other open areas (including slits necessary to fit the tubing over installed piping) should be sealed with insulation glue. A minimum amount of flux should be used as needed and a small amount of dry nitrogen should be fed into the tubing during brazing to minimize formation of scale and oxidation inside the tubing. Leak check all joints with an electronic leak detector or halide torch. If leaks are found relieve the pressure and make repairs as necessary and recheck. Thoroughly caulk or foam all refrigeration line entry holes. All openings for wiring should be sealed with NSF listed sealant to prevent air leaks and unwanted condensation.
REFRIGERATION SYSTEM EVACUATING AND CHARGING
- Blow out all refrigerant lines with dry nitrogen or carbon dioxide to eliminate the possibility of dirt, scale, etc. remaining inside.
- Connect all lines and leak test all connections.
- Connect a good high vacuum pump to both the low and high side evacuation valves.
- Operate the pump until a vacuum of 1500 microns (0.06 inches of mercury) absolute pressure is obtained. At this point, the vacuum should be broken by the introduction of refrigerant into the system, through a drier, until the pressure is brought up to zero pounds gauge. Repeat this procedure two more times. During the final evacuation, a vacuum of 500 microns (0.02 inches of mercury) absolute pressure should be obtained. After this vacuum is reached, the system can be fully charged with refrigerant.
MASTER-BILT ELECTRONIC REFRIGERATION
CONTROL OPERATION

OPERATION
DISPLAY
During normal operation, the display shows the measured temperature. In addition, any of the following symbols may be displayed:

ADDITIONAL INFO
Setting the set point (desired temperature)
- press SET for 1 second the set value will start flashing after a few moments.
- increase or decrease the value using UP or DOWN.
- press SET to confirm the new value.
Switching the device ON/OFF
- Press UP for more than 3 s. The control and defrost algorithms are now disabled and the instrument displays the message “OFF” alternating with the temperature read by the set probe.
Manual Defrost
- Press for DOWN more than 3 seconds (the defrost starts only the temperature conditions are valid).
Continuous Cycle
- Press UP and DOWN together for more than 3 seconds.
Access and setting type (configuration) parameters.
- Press SET for 3 seconds (the display will show “PS”).
- To access the type F and C parameter menu, enter the password “22” using UP/DOWN.
To access the F parameter menu only, press SET (without entering the password). - Scroll inside the parameter menu using UP/DOWN.
- To display/set the values of the parameter displayed, press SET, then UP/DOWN and finally SET to confirm the changes (returning to the parameter menu).
To save all the new values and exit the parameter menu, press SET for 3 seconds.
To exit the menu without saving the changed values (exit by timeout) do not press any button for at least 60 s.
LIST OF PARAMETERS
Here is a list of the parameters the value of which can be changed in the programming mode, as well as their ranges.
| Display Symbol | Parameters | Range | Factory Setting | Factory Setting |
| BEM | BEL | |||
| St | Temperature Set Point | -20°F – 0°F | 35°F | -13°F |
| rd | Temperature Differential | 0°F – 19°F | 5° | 7° |
| r1 | Minimum Set Point Value | -50°F – 46°F | 31 | -20 |
| r2 | Maximum Set Point Value | 31°F – 200°F | 46 | 0 |
| dI | Duration between defrost | 0hrs – 199hrs | 6 | 8 |
| dt | End Defrost Set Point | -50°F – 130°F | 5 | 42°F |
| AL | Low Temperature Alarm | -50°F – 250°F | 0°F | -35°F |
| AH | High Temperature alarm | -50°F – 250°F | 55°F | 10°F |
| Ad | Temperature Alarm Delay | 0 – 199 mins | 5 | 4 |
| dp | Maximum Defrost Duration | 1 – 199 mins | 20min | 25min |
* This is a standard setting; climates with extreme humidity may require more defrost times or longer fail-safe settings.
* for any other parameters and setting please consult factory for more details and instructions
INSTALLATION
- Insert the controller through a hole measuring 71×29 mm.
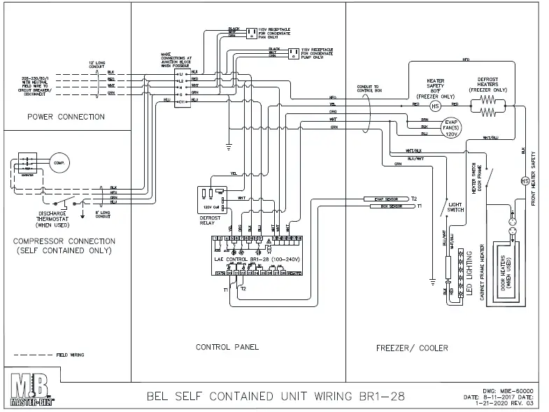
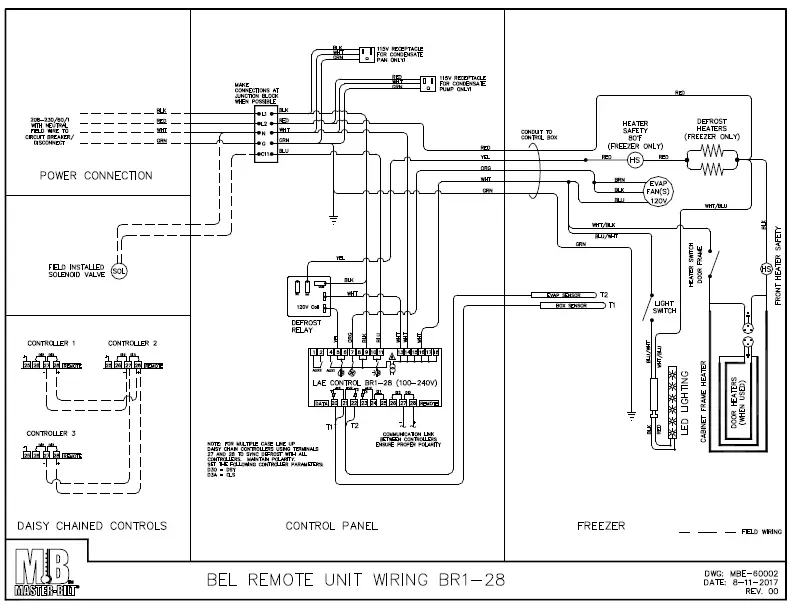
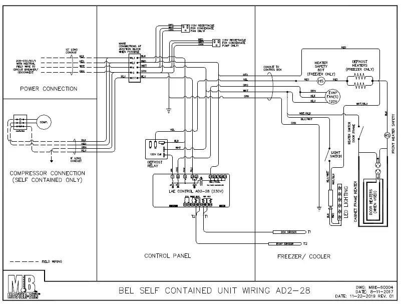
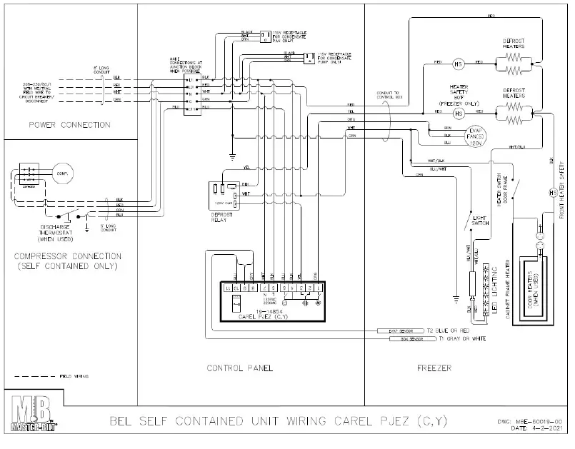
- Make sure that electrical connections comply with the paragraph “wiring diagrams”.
- To reduce the effects of electromagnetic disturbance, keep the sensor and signal cables well separate from the power wires.
- Fix the controller to the panel by means of the suitable clips, by pressingly gently; if fitted, check that the rubber gasket adheres to the panel perfectly, in order to prevent debris and moisture infiltration to the back of the instrument.
- Place the probe T1 inside the room in a point that truly represents the temperature of the stored product.
- Place the probe T2 on the evaporator where there is the maximum formation of frost.
NOTE: Most controllers are already installed, this is only if your unit does not have a controller or it has to be replaced.
SENSOR PROBE TEMPERATURE AND RESISTANCE
NTC10K Temperature – Resistance
STARTING PROCEDURE
- Check the temperature holding range against the control setting.
- Check the defrost control system to see that all ice is removed from the coil during each defrost cycle.
- Check pressures.
- Check EPR Valve for proper pressure when applicable.
- Condensing Unit Low Pressure Control (if applicable)
- BEL Cut in 20 lbs: diff. 18 lbs.
- BEM cut in 35 lbs: diff 25lbs.
- Condensing Unit High Pressure Control (if applicable)
- BEL 400 lbs.
- BEM 380 lbs.
FINAL CHECK LIST
- A. Check high-low pressure control settings.
- B. Check operating pressure.
- C. Check electrical requirements of unit to supply voltage.
- D. Check setting of thermostatic expansion valve for proper operation. Approx. 10 F superheat.
- E. Check sight glass for proper refrigerant charge.
- F. Check condensing unit for vibrating or rubbing tubing. Dampen and clamp as required.
- G. All valves should be completeley open counter-clockwise.
- H. Check packing nuts on all service valves.
- I. Replace all service valve caps and latch unit covers.
- J. Check refrigeration line for proper P-traps and proper locations.
- K. Check drain for proper P-traps and proper locations.
DOOR PLASTIC (GASKET RETAINER) REPLACEMENT
Starting in corner, gently pull the rubber gasket away from the door plastic. With gasket removed, insert a flat-head screwdriver under the outside edge of the plastic, and gently pry up. At either end of the plastic run the screwdriver the complete length and width of the door rail. With the outside edge of the plastic released, push the plastic towards the glass to remove. To replace, insert the edge of the plastic into the inside door rail groove. Snap the outside edge of the plastic cover over the outside edge of the door rail.
DOOR GASKET REPLACEMENT
Remove the old gasket by starting in the corner, gently pulling gasket away from the plastic. To replace the gasket, remove the top and bottom door plastic, and slide the gasket up the two verticals. Slide the top and bottom plastic onto the gasket, and replace the top and bottom plastic on the door rail. Tuck in the corners of the gasket with a flat-head screwdriver.
LED DRIVER REPLACEMENT, BEL/BEM
For a BEL/BEM, the LED Drivers are located inside the door mullions and can be accessed from the front of the door frame. Remove the door that hinges on the mullion where the ballast will be replaced. From the front of frame, remove contact plate & retainer by inserting a flat-head screwdriver under back edge of black contact plate retainer, and gently pull to unsnap retainer from the mullion. Repeat for the other side, and remove the contact plate. With the ballast now exposed, remove the screw on the top end of the ballast. Loosen the screw on the bottom of the driver.
Disconnect all lead wires by separating the connectors. If cut, leave enough lead wire to re-connect the new driver with a wire nut. Insert the bottom of the new ballast in the punched tabs and re-install the top screw in the top end of the driver. Tighten both screws. Re-connect new driver’s lead wires following the wiring diagrams provided.
DOOR HEATER REPLACEMENT
Remove door gasket and plastic. Remove the center side access plate located on the side of the door. The wiring for the door is done in the center side of the hinge rail. To remove the heater, unplug the solid lead wires: Black or Red, White, and Green/Yellow (ground). If the glass is heated, unplug the Black and White solid wires from the glass. Heater wire lies in track on the back outside edge of door. Pull the heater out. Reverse instructions to replace the door heater. Plug in Black or Red lead wire from hinge pin to Black or Red lead wire from heater, White lead wire from hinge pin to White heater lead, and Green/Yellow lead from hinge pin to ground.
Note: If glass is heated, plug in Black and White lead wires coming off heater loom to Black and White lead wires from glass. Replace side access plate. Replace the door plastic and gasket.
NOTICE
The doors on these cabinets are Anti-Fog Glass so it is important to follow the information below when cleaning these doors. Failure to observe the details below in cleaning doors will void door supplier warranty.
- Do not use sealants, gaskets, or other materials containing silicone that can contaminate the coating.
- Do not use tape, glue, stickers, attachments, or magic markers on the anti-fog coating.
- Do not use razor blades or any other mechanical device to remove foreign residue or objects directly from the coated glass.
- Do not use abrasive cleaners or materials on the coated glass. Examples of these cleaners or materials include Ajax, Brillo, Comet, Scotch Brite, Steel Wool, and Soft Scrub.
- Do not use cleaners or materials on the coated glass that hinder the anti-fog performance by leaving residue or damaging the surface. Examples of these cleaners include: Armor All, Tilex, Bleach, Windex no-drip, Windex Wipes, Pledge, or any product containing silicone oils or waxes.
- Recommended cleaners include: Isopropyl Alcohol, Greased Lighting, Formula 409 Grease & Grime, Formula 409 Grease & Surface, Fantastic, Windex Vinegar, Windex Original, Now, Mean Green, or Mr. Clean (degreasing cleaners).
- Recommended cleaning is with a soft dry or slightly damp towel, or with one of the degreasing cleaners listed above.
SERVICE INSTRUCTIONS (Trouble Shooting Guide)
- High head pressure and high back pressure:
A. Condenser coil clogged or restricted.
B. Condenser fan motor defective. - Low back pressure and low head pressure:
A. Restriction in system.
B. Refrigerant undercharged.
C. Leak in system. - Pressures normal – cabinet warm:
A. Coil blocked with frost or ice (see #4).
B. Refrigerant undercharged.
C. Control set too warm.
D. Air screen disturbance. - Coil blocked with frost or ice:
A. Defective temperature control.
B. Time clock not operating properly.
C. Improper time clock setting.
D. Ambient conditions above 75F/55% RH.
E. Defrost heater not operating. - Compressor starts and runs – but cycles on overload:
A. Low voltage.
B. Dropped phase (3 phase).
C. Overload protector defective.
D. High head pressure (see#1). - Compressor will not start – hums, but cycles on overload:
A. Low voltage.
B. Relay defective.
C. Overload defective.
D. High head pressure (see #1).
E. P-trap in drain not installed.
F. Doors aren’t sealing when closed.
G. Air screen disturbance.
H. Evaporator fan motor defective.
I. Low voltage. - Special service situations:
If moisture or liquid is observed around or under a Master-Bilt cabinet, an immediate investigation should be made by qualified personnel to determine the source of moisture or liquid. The investigation made should determine if the cabinet is malfunctioning or if there is a simple housekeeping problem.
Moisture or liquid around or under a cabinet is a potential slip/fall hazard for persons walking by or working in the general area of the cabinet.Any cabinet malfunction or housekeeping problem that creates a slip/fall hazard around or under a cabinet should be corrected immediately.
MASTER-BILT PART NUMBERS
The table below gives Master-Bilt part numbers for use when ordering replacement parts for your BEL/BEM cases.
| Description BEL (Low Temp) BEM (Med Temp) | ||
| Evaporator Coil | Consult Factory | |
| Expansion Valve | 09-10551 Sporlan BBISE-1-ZP | 09-09478 Sporlan EBFSE-A-C |
| Defrost Heater | 17-09631 | N/A |
| Electronic Control | 19-14279 | 19-14279 |
| Control Display | 19-14688 | 19-14688 |
| Box Sensor | 19-14244 | 19-14244 |
| Evaporator Sensor | 19-14245 | N/A |
| Evaporator Fan Motor | 13-13279 | 13-13279 |
| Evaporator Fan Blade | 15-13094 | 15-13094 |
| Standard Shelf Wire Cantilever Solid Shelf | 33-01872 (Black) 33-01871 (White) 33-01882-* (Replace * with B for Black or W for White) | 33-01872 (Black) 33-01871 (White) 33-01882-* (Replace * with B for Black or W for White) |
| Door Frame | Consult Factory | |
| Standard Door (Black) | 31-03401 | 31-03406 |
| LED Driver | 23-01823 | 23-01823 |
| LED Mullion light bar | 23-01816 | 23-01816 |
| Lamp Left Side light bar | 23-01825 | 23-01825 |
| Lamp Right Side light bar | 23-01824 | 23-01824 |
| Door Gasket | 37-01385 (30”) 37-01386 (24”) | 37-01385 (30”) 37-01386 (24”) |
| Torque-Master (Black) | 35-01839 | 35-01839 |
| Torque Rod | 35-01840 | 35-01840 |
| Top Hinge Pin | 35-01842 | 35-01842 |
| Door Frame Heaters | Consult Factory | |
SALE AND DISPOSAL
OWNER RESPONSIBILITY
If you sell or give away your Master-Bilt cabinet you must make sure that all safety labels and the Installation – Service Manual are included with it. If you need replacement labels or manuals, Master-Bilt will provide them free. Contact the customer service department at Master-Bilt at (800) 684-8988.
The customer service department at Master-Bilt should be contacted at the time of sale or disposal of your cabinet so records may be kept of its new location.
If you sell or give away your Master-Bilt cabinet and you evacuate the refrigerant charge before shipment, Master-Bilt recommends that the refrigerant charge be properly recovered in compliance with section 608 of the Clean Air Act effective November 1995 and in accordance with all applicable local, regional, or national standards.




























