Autonics BMS2M-MDT Optical Sensor

Product Information
Transparent Guide Side Sensing Photoelectric Sensors
The Transparent Guide Side Sensing Photoelectric Sensors are a type of through-beam, retroreflective, or diffuse reflective sensing device that detects objects using a light beam. These sensors come with a fail-safe device that must be installed when used with machinery that may cause serious injury or substantial economic loss. The product components include the main sensor unit, instruction manual, reflector, MS-2, adjustment screwdriver, bracket, M4 bolt/nut, and control output (NPN/PNP open collector output).
Safety Considerations
Failure to follow the safety instructions may result in serious injury or death. These safety considerations include:
- Installing a fail-safe device when using the sensor with machinery that may cause serious injury or substantial economic loss.
- Avoiding use in places where flammable/explosive/corrosive gas, high humidity, direct sunlight, radiant heat, vibration, impact, or salinity may be present.
- Avoiding disassembly or modification of the unit.
- Avoiding connection, repair, or inspection of the unit while connected to a power source.
- Checking connections before wiring.
Cautions During Use
Failure to follow the cautions during use may result in injury or product damage. These cautions include:
- Using the unit within the rated specifications.
- Using a dry cloth to clean the unit and avoiding water or organic solvent.
Cautions During Installation
The cautions during installation include:
- Ensuring proper tilt angle for through-beam, retroreflective, and reflective sensors.
- Ensuring proper installation distance for sensor-reflector and sensor-sensing target.
Ordering Information
The product supports different combinations of sensing distance, control output, and sensing type. For selecting the specified model, follow the Autonics website.
Operation Timing Chart
The operation timing chart shows the operation mode, received light, operation indicator (red), and transistor output for the sensor.
Connections and Operation Mode Selection
The connections for the emitter, receiver, retroreflective, and diffuse reflective types are shown. The operation mode selection requires connecting the control wire to +V (brown) for dark ON and to 0 V (blue) for light ON.
Product Usage Instructions
Follow the below product usage instructions for proper installation and operation of the Transparent Guide Side Sensing Photoelectric Sensors.
Installation
- Ensure proper tilt angle for through-beam, retroreflective, and reflective sensors.
- Ensure proper installation distance for sensor-reflector and sensor-sensing target.
- Install the main sensor unit, reflector, MS-2, adjustment screwdriver, and bracket using an M4 bolt/nut.
- Connect the emitter and receiver wires (brown and blue) to a power source (12-24 VDC).
- Connect the load wire (black) and control wire (white) to the NPN/PNP open collector output based on the operation mode (dark ON or light ON).
Operation
- Turn on the power source (12-24 VDC).
- Ensure the product is used within the rated specifications.
- Use a dry cloth to clean the product and avoid water or organic solvent.
- Connect the control wire to +V (brown) for dark ON or 0 V (blue) for light ON.
- Check the operation timing chart for the operation mode, received light, operation indicator (red), and transistor output.
- Thank you for choosing our Autonics product.
- Read and understand the instruction manual and manual thoroughly before using the product.
- For your safety, read and follow the below safety considerations before using. For your safety, read and follow the considerations written in the instruction manual, other manuals and Autonics website.
- Keep this instruction manual in a place where you can find easily.
- The specifications, dimensions, etc. are subject to change without notice for product improvement. Some models may be discontinued without notice.
- Follow Autonics website for the latest information.
Safety Considerations
- Observe all ‘Safety Considerations’ for safe and proper operation to avoid hazards.
- symbol indicates caution due to special circumstances in which hazards may occur.
- Warning Failure to follow instructions may result in serious injury or death.
- Fail-safe device must be installed when using the unit with machinery that may cause serious injury or substantial economic loss. (e.g., nuclear power control, medical equipment, ships, vehicles, railways, aircraft, combustion apparatus, safety equipment, crime/disaster prevention devices, etc.)
Failure to follow this instruction may result in personal injury, economic loss or fire. - Do not use the unit in the place where flammable/explosive/corrosive gas, high humidity, direct sunlight, radiant heat, vibration, impact or salinity may be present.
Failure to follow this instruction may result in explosion or fire. - Do not disassemble or modify the unit.
Failure to follow this instruction may result in fire. - Do not connect, repair, or inspect the unit while connected to a power source.
Failure to follow this instruction may result in fire. - Check ‘Connections’ before wiring.
Failure to follow this instruction may result in fire.
Caution Failure to follow instructions may result in injury or product damage.
- Use the unit within the rated specifications.
- Failure to follow this instruction may result in fire or product damage.
- Use a dry cloth to clean the unit, and do not use water or organic solvent.
- Failure to follow this instruction may result in fire.
Cautions during Use
- Follow instructions in ‘Cautions during Use’. Otherwise, It may cause unexpected accidents.
- When connecting an inductive load such as DC relay or solenoid valve to the output, remove surge by using diodes or varistors.
- Use the product after 0.5 sec of the power input.
- When using a separate power supply for the sensor and load, supply power to the sensor first.
- 12-24 VDC Model power supply should be insulated and limited voltage/current or Class 2, SELV power supply device.
- Wire as short as possible and keep it away from high voltage lines or power lines to prevent surge and inductive noise.
- When using switching mode power supply (SMPS), ground F.G. terminal and connect a condenser between 0V and F.G. terminal to remove noise.
- When using a sensor with a noise-generating equipment (e.g., switching regulator, inverter, and servo motor), ground F.G. terminal of the equipment.
- This unit may be used in the following environments.
- Indoors (in the environment condition rated in ‘Specifications’)
- Altitude max. 2,000 m
- Pollution degree 3
- Installation category II
Product Components
| Sensing type | Through-beam | Retroreflective | Diffuse reflective |
| Product components | Product, instruction manual | ||
| Reflector | – | MS-2 | – |
| Adjustment screwdriver | – | × 1 | × 1 |
| Bracket | × 2 | × 1 | × 1 |
| M4 bolt / nut | × 4 | × 2 | × 2 |
Ordering Information
- This is only for reference, the actual product does not support all combinations.
- For selecting the specified model, follow the Autonics website.

- Sensing distance
- Number: Sensing distance (unit: mm)
- Number+M: Sensing distance (unit: m)
- Sensing type
- T: Through-beam
- M: Retroreflective
- D: Diffuse reflective
- Control output
- No mark: NPN open collector output
- P: PNP open collector output
Sold Separately
- Reflector: MS Series
- Retroreflective tape: MST Series
Cautions during Installation
- Be sure to install this product by following the usage environment, location, and specified ratings. Consider the listed conditions below.
- Installation environment and background (reflected light)
- Sensing distance and sensing target
- Direction of target’s movement
- Feature data
- When installing multiple sensors closely, it may result in malfunction due to mutual interference.
- Retroreflective type: If the sensing target has a glossy surface or high reflection, tilt the sensing target with an angle from 30 to 45 degrees and install the sensor.

- For installation, tighten the screw with a torque of 0.8 N m. Mount the brackets correctly to prevent the twisting of the sensor’s optical axis.
- Do not impact with a hard object or bend the cable excessively. That could decrease the product’s water resistance.
- Use this product after the test. Check whether the indicator works appropriately for the positions of the detectable object.

Operation Timing Chart
To prevent malfunction, the transistor output maintains OFF state for 0.5 sec after supplying the power.
Connections
Emitter
Operation mode selection
- Be sure to connect the control wire when selecting the operation mode.
- Failure to this instruction may result in product damage.
Operation mode Connection
Dark ON Connect the control wire (white) to +V (brown)
Light ON Connect the control wire (white) to 0 V (blue)
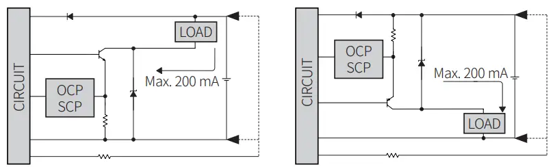
Circuit
- OCP (over current protection), SCP (short circuit protection)
- If short-circuit the control output terminal or supply current over the rated specification, normal control signal is not output due to the protection circuit.
Sensitivity Adjustment
- Set the adjuster for stable Light ON area, minimizing the effect of the installation environment.
- Use the offered adjustment screwdriver. Do NOT turn with excessive force to prevent product damage.
- The steps below are based on Light ON mode.

Dimensions
- Unit: mm, For the detailed drawings, follow the Autonics website.


Specifications
| Model | BMS5M-TDT-□ | BMS2M-MDT-□ | BMS300-DDT-□ |
| Sensing type | Through-beam | Retroreflective | Diffuse reflective |
| Sensing distance | 5 m | 0.1 to 2 m 01) | 300 mm 02) |
| Sensing target | Opaque materials | Opaque materials | Opaque materials, translucent materials |
| Min. sensing target | ≥ Ø 10 mm | ≥ Ø 60 mm | – |
| Hysteresis | – | – | ≤ 20 % of sensing distance |
| Response time | ≤ 1 ms | ||
| Light source | Infrared | ||
| Peak emission wavelength | 940 nm | ||
| Sensitivity adjustment | – | YES (Adjuster) | YES (Adjuster) |
| Operation mode | Light ON mode – Dark ON mode selectable (control wire) | ||
| Indicator | Operation indicator (red), power indicator(red) 03) | ||
| Approval | ![]() | ![]() | ![]() |
| Unit weight | ≈ 180 g | ≈ 110 g | ≈ 100 g |
| 01) Reflector (MS-2) 02) Non-glossy white paper 100 × 100 mm 03) Only for the emitter | |||
| Power supply | 12-24 VDC ±10 % (ripple P-P: ≤ 10%) |
| Current consumption | It depends on the sensing type |
| Through-beam | Emitter: ≤ 50 mA, receiver: ≤ 50 mA |
| Reflective | ≤ 45 mA |
| Control output | NPN open collector output / PNP open collector output model |
| Load voltage | ≤ 30 VDC |
| Load current | ≤ 200 mA |
| Residual voltage | NPN: ≤ 1 VDC, PNP: ≤ 2.5 VDC |
| Protection circuit | Reverse power protection circuit, output short overcurrent protection circuit |
| Insulation resistance | ≥ 20 MΩ (500 VDC megger) |
| Noise immunity | ±240 VDC the square wave noise (pulse width: 1 ㎲) by the noise simulator |
| Dielectric strength | 1,000 VAC 50/60 Hz for 1 min |
| Vibration | 1.5 mm double amplitude at frequency of 10 to 55 Hz (for 1 min) in each X, Y, Z direction for 2 hours |
| Shock | 500 m/s² (≈ 50 G) in each X, Y, Z direction for 3 times |
| Ambient illuminance (receiver) | Sunlight: ≤ 11,000 lx, incandescent lamp: ≤ 3,000 lx |
| Ambient temperature | -10 to 60 ℃, storage: -25 to 70 ℃ (no freezing or condensation) |
| Ambient humidity | 35 to 85 %RH, storage: 35 to 85 %RH (no freezing or condensation) |
| Protection rating | – |
| Connection | Cable type |
| Cable spec. | Ø 5 mm, 4-wire (Emitter: 2-wire), 2 m |
| Wire spec. | AWG22 (0.08 mm, 60-core), insulator outer diameter: Ø 1.25 mm |
| Material | Case: ABS, sensing part: PC (through-beam type ) or Acrylic (retroreflective, diffuse reflective type), bracket: SPCC, bolt: SCM, nut: SCM |
- 18, Bansong-ro 513Beon-gil, Haeundae-gu, Busan, Republic of Korea, 48002
- www.autonics.com
- +82-2-2048-1577
- [email protected]





























