Maxxima MEW-DM310DW 3-Way/Single Pole WiFi Smart Light Switch

Single Pole/3 Way

WARNINGS AND CAUTIONS
- Risk of fire and electrical shock, products should be installed in accordance with appropriate electrical codes and regulations.
- Turn power off at circuit breaker or fuse and test that power is off before installing.
- If you are unsure about any part of these instructions, consult a licensed electrician.
- To reduce the risk of overheating and possible damage to other equipment, do not install to control a receptacle, a motor-operated appliance or a transformer-supplied appliance.
- Use with compatible dimmable LED, Incandescent or halogen bulbs only.
- When multiple bulbs are used with one dimmer, DO NOT mix bulb types. All bulbs shall be either LED, halogen or incandescent. Using the same model of each bulb will enhance dimmer performance.
Product Outline

Status Indicator

Using the On/Off Switch on Dimmer
- To turn on the light: Press the On/Off switch once when the lights are off
- To turn off the light: Press the On/Off switch once when the lights are on
- Factory Reset: Hold the switch for 5s until the indicator light is flashing to reset the switch and go into quick configure mode

- Brightness control: When lights are on, tap the LED dimming indicator to your desired brightness level. You can also slide your finger along the dimmer to the desired brightness.
- When you press the On/Off switch, your last brightness setting is saved and the next time you turn on the lights, it will automatically go to that brightness level. The Dimming Levels indicator will also glow at the saved brightness level when the lights are off.
Parts Supplied

Tools needed to install your Dimmer

Installation and testing
- WARNING: To avoid fire and electrical shock,TURN OFF POWER at circuit breaker or fuse and test that power is off before wiring

- Removing existing switch: Remove existing wall plate and switch mounting screws. Carefully pull switch from wall box, identify and take out the wires attached to the switch, then remove the switch. DO NOT remove the wires which are taken out from the switch at this time.

- Identify the Dimmer’s Wiring application
Single Pole
Only one switch controls one light or bundle of lights

3 WAY
Two switches control the same light or the same bundle of light

Identify Line, Load, and Neutral Wires
Note: The color of your wire may be different from the color shown on the manual. LINE/LOAD wire (usually BLACK, attached with a black screw, and may be Remarked “common”
Single Pole

3-Way

Neutral wire is required to install the smart dimmer .Most likely a bundle of one or more white wires in the wall. GROUND wires are usually BARE COPPER or GREEN.

Note: If there is no neutral, please try another location or call an electrician for help.
Take Pictures of the Wiring

Loosen the screw terminals and remove the old dimmer.

Wire the Smart Dimmer Single Pole

Cap oft the remaining Li Wire (RED) from the Switch with a Wire nut. Wire the Smart Dimmer 3-Way
Replace ONE of your REGULAR 3-WAY SWITCHES with SMART SWITCH
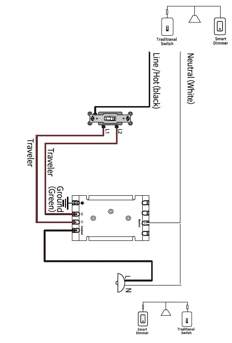
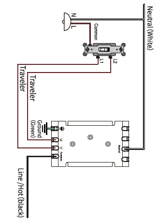
Connection diagram -3 Way Wiring Diagram (Smart Dimmer & Non-Smart Switch) For 3Way model Only

Connection diagram
3 Way Wiring Diagram (Smart Dimmer & Traditional Switch) For 3Way model Only

Mount The Dimmer
Use the screws provided.

Attach The Wallplate
Snap the wallplate onto the dimmer after it is screwed in.

Turn on the power

The light(s) may flash once during smart dimmer first time power up
Download the ‘Smart Life’ or Tuya App
- Scan the QR code below to download the ‘Smart Life’ App.
- You can also download this app in the app store/Android app store by searching “Smart Life” or “Tuya”

Register an account and Login
Enter the Register/Login interface; tap “Register” to create an account by entering your phone number to get a verification code and setting your password. Choose “Log In” if you already have a Smart Life Account

Connect with the dimmer
- Click ‘Add Device’ or the’+ ‘in the top right-hand corner.
- Click ‘Electrical’ then Dimmer Switch (Wi-Fi) to enter the device connection interface.

Quick Configuration Mode
- Press and hold the Switch button for 8s to reset the Dimmer & go into quick config. mode
- Select you home Wi-Fi and enter the password. Then click confirm to go to the next screen

- Wait for the system to search for the device, connect, and configure the dimmer. It may take up to 3 min. to connect
- Once the device configures successfully, please input your preferred name and select a location for the dimmer

The dimmer can be viewed in the Main Menu

Control the Dimmer through the App

- The app allows you to turn on and off the switch as well as control the brightness of the light.
- You can also choose the brightness range of the dimmer
- The app allows you to select the light type that the dimmer is connected to, to ensure maximum performance.
Smart Life Skills (Alexa)
- STEP 1 Log in your Alexa account on a smart phone or a computer, then tap Home>Skills & Games
- STEP 2 Search “Smart Life”and select the right one according the blue logo (same with App)

- STEP 3 Enable the skill
- STEP 4 Login the account you registered on the App in Part 2, then click “Link Now”
The Account is linked successfully, and then tap Authorize to Complete.
Smart Life Skills (Google)
- Find “Home Control” in the hamburger menu on the Google Home app’s home page > Home Control >tap “+”.

- STEP 2 Find “Smart Life” in the list
- STEP 3 Input your Smart Life account and password you registered in Part 2, then tap “Link Now”.

- STEP 4 After you assign rooms for the Switch,your Switch will be listed in the Home Control page

- STEP 5 Control your smart switch through Google Home Now you can control your smart switch through Gooaia Homa
If you set the name as “bedroom light”, the supported voice commands are as below: Ok Google, turn on bedroom light. Ok Google, set bedroom light to 50%.





The Account is linked successfully, and then tap Authorize to Complete.






















