BRINK 616190 Indoor Mixfan

Store near the appliance
This appliance may be used by children as of 8 years of age, persons with reduced physical or mental capacities, and persons with limited knowledge and experience if they are supervised or have received instructions on how to use the appliance safely and are aware of the possible dangers. Children younger than 3 years of age must be kept away from the appliance, unless they are under constant supervision. Children between the ages of 3 and 8 may only switch the appliance on or off, but only if supervised or if they have received clear instructions on the safe use of the appliance and understand the possible dangers, on the condition that the appliance has been placed and installed in the normal position for use. Children between the ages of 3 and 8 may not insert the plug into the socket, nor clean or make changes to the settings of the appliance, nor carry out any maintenance on the appliance that would normally be carried out by the user. Children may not play with the appliance. If you need a new power cable, always order the replacement from Brink Climate Systems B.V. To prevent dangerous situations, a damaged mains connection must only be replaced by a qualified expert!
Introduction
Precautions
This product is artistically made in conformity to applicable CEE rules and is manufactured to allow rooms and similar air change, wherever the product is installed. Please follow all these indication to ensure performance, mechanical and electrical reliability and keep always this instruction leaflet. Do not use this product for different application unless indicated by us.
- Remove packing and make sure that the appliance is undamaged.
- Check that your electrical voltage and frequency correspond to those marked on the fan rating label; Install the product so that the blades are at a height of at least 2,3 m above the floor.
- This appliance must only be used for the purpose it was built for, i.e. air replacement for domestic and similar purposes.
- Do not operate the appliance in the presence of inflammable vapours (alcohol, petrol, etc.).
- Before carrying out any cleaning or maintenance disconnect the mains electrical supply to the fan by means of a double pole switch or remove the plug. Any maintenance and cleaning operation that requires dismounting the unit must only be done by someone who is a property qualified person.
- Make sure you have completely assembled the product before running.
- Periodically, at least once a year or more frequently in case of heavy use, remove dirt and incrustation from the impeller and motor casing. It is also very important to make sure the impeller is not deformed or cracked, is able to rotate freely and without oscillation, and is properly fixed to the shaft.
- Installation must be carried out by qualified personnel according to manufacturer’s instructions. Incorrect installation can cause damage to people, animals or properties for which the manufacturer cannot be considered liable.
- The fan is a fixed appliance and the main supply must be done by flexible cable with plug or by a onnipolar switch with a minimum opening of the contacts of 3 mm.
- When installing the fan in a room containing a combustion heater ensure that there is sufficient air to supply both appliances. This is to ensure the efficient operation of the heater and to allow a proper operation of the fan.
Product Overview
The product is mainly composed of a ventilation unit with a CO2 sensor that will be placed outside the room in which you want to change air, a grill that will be placed inside the room and a tube of sound-absorbing material.
- Ventilation unit
It is composed of a low power absorption DC motor, impeller, PCB board with integrated CO2 sensor, plastic parts. - Aesthetic cover
- Cover cap
This component is used to prevent that air flow to the ceiling when the product is mounted close to it. The cover cap can be removed in case it is not necessary. - Grill
- Sound absorbing material
This is used to improve the acoustic performance of the product.
Installation
Mounting of the product
The installation of this product is reserved exclusively to qualified personnel. Make sure that the power system in the installation room is disconnected before the electrical assembling operations.
The product must not be installed close to curtains or cloths, because these could affect its functioning. Before the mounting operations of the product, read carefully and strictly follow the instruction manual and make sure to have all the necessary equipment for the installation.
For the proper functioning of the system, it is important that the ISSO guidelines regarding to air overflow must be considered. These are as follows:
- The net cross-section of the fresh air supply must be at least 0.0012 m² per dm³/s of the required air volume flow, based on an average air speed of 0.83 m / s in the opening.
- The air overflow is often done by a gap under a door. Also special airflow control devices are used, for example in the door or wall. These facilities should never be blocked.
Pre-disposition

Corridor/ Central Hall

Installing the cover cap (if required)

Room

Electrical connection
Connecting as single unit

Size of the power supply cable: min. 0.5 mm², max. 1.0 mm²
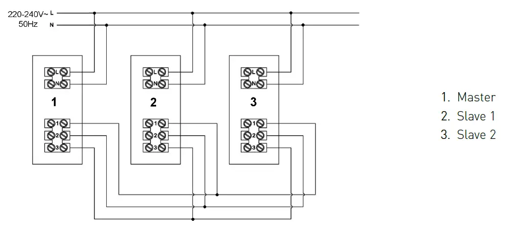
Connecting as Master-Slave mode
The use of the system as MASTER-SLAVE is recommended only in case the products are installed in a single room.
Size of the control cable: min. 0.35 mm², max. 1.0 mm² A maximum of two SLAVES can be connected.
- Warning:
In case of installation with MASTER-SLAVE system, the MASTER unit is the only to detect the environmental conditions through its CO2 sensor and is therefore able to control every part of the system. - Warning:
During the master-slave configuration process is mandatory that, for all the products, the dip switch SERVICE/STAND-BY is set to “OFF”
Set up
During the process of setting up (configuration) the desired flow rate value and the CO2 levels can be selected. Please follow the underneath diagram to set up the products:

The functioning ratio of the product according to the selected configuration follows the underneath diagram:

Reset configuration
To change the setting up of the flow rate, CO2 levels or to change the functioning mode MASTER/SLAVE is necessary to:
- Switch off the machine,
- select the new desired configuration,
- switch on the machine again .
Warning:
If you change the configuration of the dip-switch while the machine is running, this won’t detect any change and will go on running according to the former settings.
Fault
When the appliance control system detects a fault, that is indicated by one blinking red LED or by a sound emitted from the buzzer. The appliance remains in the fault mode until the problem in question has been solved Then the product will reset itself and start again depending on the set-up of dip-switches.
| Fault nr. | Cause | Action appliance | Action installer |
| 1 | CO2 value lower than 0 PPM or higher than 5000 PPM | Red LED blinking
Intermittent Sound from buzzer | Check environmental CO2 level
Replace ventilation unit |
| 2 | CO2 signal lost or CO2 sensor damaged | Red LED blinking | Check CO2 sensor
Replace ventilation unit |
| 3 | SLAVE doesn’t receive signal from MASTER | Red LED blinking | Check wiring connection between MASTER-SLAVE
Check dip-switching configuration |
Operation
User instruction
Once the product has been set up it will work fully automatically. The speed of the fan will increase/decrease gradually and automatically according to the CO2 level present in the environment. If the detected CO2 level of the environment is higher than the warning one (2000ppm) the product will produce a tone to warn the user about the emergency situation.
Maintenance
Maintenance – period indication
It is recommended to clean the product at least once every year . During the first months of running, it is also recommended to periodically control the conditions of the machine so that to establish a proper slot time according to the environmental conditions in which the product is installed.
Maintenance – instructions
Warning!
Make sure that the electrical connection in the installation room is disconnected before the maintenance operations.
Service articles
Exploded view
| Example | |
| Appliance type | : Indoor Mixfan 70 m³/h |
| Serial Number | : 520375194706051605 |
| Year of production | : 2020 |
| Part | : Fan unit |
| Artikel code | : 520375 |
| Quantity | : 1 |
N. B.:
Appliance type, serial number and year of production are stated on the identification plate behind the plastic front panel (central hall side) on the appliance. When ordering parts, indicate the relevant article code number (see exploded view):
| No. | Article description | Artikel code |
| 1 | S. Indoor Mixfan –Fanunit | 535100 |
| 2 | S. Indoor Mixfan – Front Brink | 535101 |
Conformity declaration
- Manufacturer: Brink Climate Systems B.V.
- Address: Postbus 11 NL-7950 AA, Staphorst, The Netherlands
- Product: Heat recovery appliance type: Indoor Mixfan
The product described above complies with the following directives:
- 2014/35/EU (low voltage directive)
- 2014/30/EU (EMC directive)
- RoHS 2011/65/EU (substances directive)
The product bears the CE and UKCA label: Staphorst, 24-11-2017 M. Schouten Technical Director
Recycling
Sustainable materials are used in the manufacture of this appliance. The packaging should be disposed of in a responsible manner and in accordance with governmental regulations.
Brink Climate Systems B.V.
- P.O. Box 11, NL-7950AA Staphorst
- T: +31 (0) 522 46 99 44
- E: [email protected]
- www.brinkclimatesystems.nl





















