TROY-BILT 460 Series Self Propelled Mower

To The Owner
Thank You
Thank you for purchasing a Lawn Mower manufactured by Troy-Bilt LLC. It was carefully engineered to provide excellent performance when properly operated and maintained.
Please read this entire manual prior to operating the equipment. It instructs you how to safely and easily set up, operate and maintain your machine. Please be sure that you, and any other persons who will operate the machine, carefully follow the recommended safety practices at all times. Failure to do so could result in personal injury or property damage.
All information in this manual is relative to the most recent product information available at the time of printing. Review this manual frequently to familiarize yourself with the machine, its features and operation. Please be aware that this Operator’s Manual may cover a range of product specifications for various models. Characteristics and features discussed and/or illustrated in this manual may not be applicable to all models. Troy-Bilt LLC reserves the right to change product specifications, designs and equipment without notice and without incurring obligation. This product has met the rigid safety standards of the Outdoor Power Equipment Institute and an independent testing laboratory. If you have any problems or questions concerning the machine, phone a authorized Troy-Bilt service dealer or contact us directly. Troy-Bilt’s Customer Support telephone numbers, website address and mailing address can be found on this page. We want to ensure your complete satisfaction at all times.
Throughout this manual, all references to right and left side of the machine are observed from the operating position
The engine manufacturer is responsible for all engine-related issues with regards to performance, power-rating, specifications, warranty and service. Please refer to the engine manufacturer’s Owner’s/Operator’s Manual, packed separately with your machine, for more information.
Record Product Information
Before setting up and operating your new equipment, please locate the model plate on the equipment and record the information in the provided area to the right. You can locate the model plate by standing at the operator’s position and looking down at the rear of the deck. This information will be necessary, should you seek technical support via our web site, Customer Support Department, or with a local authorized service dealer.
Customer Support
Please do NOT return the machine to the retailer or dealer without first contacting our Customer Support Department. If you have difficulty assembling this product or have any questions regarding the controls, operation, or maintenance of this machine, you can seek help from the experts. Choose from the options below:
- Visit us on the web at www.troybilt.com
- Call a Customer Support Representative at (800) 828-5500 or (330) 558-7220
- Write us at Troy-Bilt LLC • P.O. Box 361131 • Cleveland, OH • 44136-0019
Important Safe Operation Practices
WARNING: This symbol points out important safety instructions which, if not followed, could endanger the personal safety and/or property of yourself and others. Read and follow all instructions in this manual before attempting to operate this machine. Failure to comply with these instructions may result in personal injury.
When you see this symbol. HEED ITS WARNING!
WARNING: Engine Exhaust, some of its constituents, and certain vehicle components contain or emit chemicals known to State of California to cause cancer and birth defects or other reproductive harm.
WARNING: Battery posts, terminals, and related accessories contain lead and lead compounds, chemicals known to the State of California to cause cancer and reproductive harm. Wash hands after handling.
DANGER: This machine was built to be operated according to the safe operation practices in this manual. As with any type of power equipment, carelessness or error on the part of the operator can result in serious injury. This machine is capable of amputating fingers, hands, toes and feet and throwing objects. Failure to observe the following safety instructions could result in serious injury or death.
General Operation
- Read this operator’s manual carefully in its entirety before attempting to assemble this machine. Read, understand, and follow all instructions on the machine and in the manuals) before operation. Keep this manual in a safe place for future and regular reference and for ordering replacement parts
- Be completely familiar with the controls and the proper use of this machine before operating it.
- This machine is a precision piece of power equipment, not a plaything. Therefore, exercise extreme caution at all times. This machine has been designed to perform one job: to mow grass. Do not use it for any other purpose.
- Never allow children under 14 years of age to operate this machine. Children 14 and over should read and understand the instructions and safe operation practices in this manual and on the machine and should be trained and supervised by an adult.
- Only responsible individuals who are familiar with these rules of safe operation should be allowed to use this machine.
- Thoroughly inspect the area where the equipment is to be used. Remove all stones, sticks, wire, bones, toys and other foreign objects, which could be tripped over or picked up and thrown by the blade. Thrown objects can cause serious personal injury.
- Plan your mowing pattern to avoid discharge of material toward roads, sidewalks, bystanders and the like. Also, avoid discharging material against a wall or obstruction, which may cause discharged material to ricochet back toward the operator.
- To help avoid blade contact or a thrown object injury, stay in operator zone behind handles and keep children, bystanders, helpers and pets at least 75 feet from mower while it is in operation. Stop machine if anyone enters area.
- Always wear safety glasses or safety goggles during operation and while performing an adjustment or repair to protect your eyes. Thrown objects which ricochet can cause serious injury to the eyes.
- Wear sturdy, rough-soled work shoes and close-fitting slacks and shirts. Shirts and pants that cover the arms
and legs and steel-toed shoes are recommended. Never operate this machine in bare feet, sandals, slippery or light-weight (e.g. canvas) shoes. - Do not put hands or feet near rotating parts or under the cutting deck. Contact with blade can amputate fingers, hands, toes and feet.
- A missing or damaged discharge cover can cause blade contact or thrown object injuries.
- Many injuries occur as a result of the mower being pulled over the foot during a fall caused by slipping or tripping. Do not hold on to the mower if you are falling; release the handle immediately.
- Never pull the mower back toward you while you are walking. If you must back the mower away from a wall or obstruction first look down and behind to avoid tripping and then follow these steps:
- Step back from mower to fully extend your arms. Be sure you are well balanced with sure footing.
- Pull the mower back slowly, no more than half way toward you.
- Repeat these steps as needed.
- Do not operate the mower while under the influence of alcohol or drugs.
- Do not engage the self-propelled mechanism on machines so equipped while starting engine.
- The blade control handle is a safety device. Never attempt to bypass its operation. Doing so makes the safety device inoperative and may result in personal injury through contact with the rotating blade. The blade control handle must operate easily in both directions and automatically return to the disengaged position when released.
- Never operate the mower in wet grass. Always be sure of your footing. A slip and fall can cause serious personal injury. If you feel you are losing your footing, release the blade control handle immediately and the blade will stop rotating within three seconds.
- Mow only in daylight or good artificial light. Walk, never run.
- Stop the blade when crossing gravel drives, walks or roads.
- If the equipment should start to vibrate abnormally, stop the engine and check immediately for the cause. Vibration is generally a warning of trouble.
- Shut the engine off and wait until the blade comes to
a complete stop before removing the grass catcher or unclogging the chute. The cutting blade continues to rotate for a few seconds after the blade control is released. Never place any part of the body in the blade area until you are sure the blade has stopped rotating. - Never operate mower without proper trail shield, discharge cover, grass catcher, blade control handle or other safety protective devices in place and working. Never operate mower with damaged safety devices. Failure to do so can result in personal injury.
- Muffler and engine become hot and can cause a burn. Do not touch.
- Never attempt to make a wheel or cutting height adjustment while the engine is running.
- Only use parts and accessories made for this machine by the manufacturer. Failure to do so can result in personal injury.
- When starting engine, pull cord slowly until resistance is felt, then pull rapidly. Rapid retraction of starter cord (kickback) will pull hand and arm toward engine faster than you can let go. Broken bones, fractures, bruises or sprains could result.
- If situations occur which are not covered in this manual, use care and good judgement. Contact Customer Support for assistance or the name of the nearest service dealer.
Slope Operation
Slopes are a major factor related to slip and fall accidents, which can result in severe injury. Operation on slopes requires extra caution. If you feel uneasy on a slope, do not mow it. For your safety, use the slope gauge included as part of this manual to measure slopes before operating this machine on a sloped or hilly area. If the slope is greater than 15 degrees, do not mow it.
Do:
- Mow across the face of slopes; never up and down. Exercise extreme caution when changing direction on slopes.
- Watch for holes, ruts, rocks, hidden objects, or bumps which can cause you to slip or trip. Tall grass can hide obstacles.
- Always be sure of your footing. A slip and fall can cause serious personal injury. If you feel you are losing your balance, release the blade control handle immediately and the blade will stop rotating within three (3) seconds.
Do Not:
- Do not mow near drop-offs, ditches or embankments, you could lose your footing or balance.
- Do not mow slopes greater than 15 degrees as shown on the slope gauge.
- Do not mow on wet grass. Unstable footing could cause slipping.
Children
Tragic accidents can occur if the operator is not alert to the presence of children. Children are often attracted to the mower and the mowing activity. They do not understand the dangers. Never assume that children will remain where you last saw them.
- Keep children out of the mowing area and under watchful care of a responsible adult other than the operator.
- Be alert and turn mower off if a child enters the area.
- Before and while moving backwards, look behind and down for small children.
- Use extreme care when approaching blind corners, doorways, shrubs, trees, or other objects that may obscure your vision of a child who may run into the mower.
- Keep children away from hot or running engines. They can suffer burns from a hot muffler.
- Never allow children under 14 years of age to operate this machine. Children 14 and over should read and understand the instructions and safe operation practices in this manual and on the machine and be trained and supervised by an adult.
Service
Safe Handling Of Gasoline:
To avoid personal injury or property damage use extreme care in handling gasoline. Gasoline is extremely flammable and the vapors are explosive. Serious personal injury can occur when gasoline is spilled on yourself or your clothes, which can ignite. Wash your skin and change clothes immediately.
Use only an approved gasoline container.
Never fill containers inside a vehicle or on a truck or trailer bed with a plastic liner. Always place containers on the ground away from your vehicle before filling.
Remove gas-powered equipment from the truck or
trailer and refuel it on the ground. If this is not possible, then refuel such equipment on a trailer with a portable container, rather than from a gasoline dispenser nozzle.
Keep the nozzle in contact with the rim of the fuel tank or container opening at all times until fueling is complete. Do not use a nozzle lock-open device.
Extinguish all cigarettes, cigars, pipes and other sources of ignition.
Never fuel machine indoors because flammable vapors will accumulate in the area.
Never remove gas cap or add fuel while engine is hot or running. Allow engine to cool at least two minutes before refueling.
Never over fill fuel tank. Fill tank to no more than 1 inch below bottom of filler neck to provide for fuel expansion.
Replace gasoline cap and tighten securely.
If gasoline is spilled, wipe it off the engine and equipment. Move machine to another area. Wait 5 minutes before starting engine.
Never store the machine or fuel container near an open flame, spark or pilot light as on a water heater, space heater, furnace, clothes dryer or other gas appliances.
To reduce fire hazard, keep machine free of grass, leaves, or other debris build-up. Clean up oil or fuel spillage and remove any fuel soaked debris.
Allow machine to cool at least 5 minutes before storing.
General Service:
- Never run an engine indoors or in a poorly ventilated area. Engine exhaust contains carbon monoxide, an odorless and deadly gas.
- Before cleaning, repairing, or inspecting, make certain the blade and all moving parts have stopped. Disconnect the spark plug wire and ground against the engine to prevent unintended starting.
- Check the blade and engine mounting bolts at frequent intervals for proper tightness. Also, visually inspect blade for damage (e.g., bent, cracked, worn) Replace blade with the original equipment manufacture’s (O.E.M.) blade only, listed in this manual. “Use of parts which do not meet the original equipment specifications may lead to improper performance and compromise safety!”
- Mower blades are sharp and can cut. Wrap the blade or wear gloves, and use extra caution when servicing them.
- Keep all nuts, bolts, and screws tight to be sure the equipment is in safe working condition.
- Never tamper with safety devices. Check their proper operation regularly.
- After striking a foreign object, stop the engine, disconnect the spark plug wire and ground against the engine. Thoroughly inspect the mower for any damage. Repair the damage before starting and operating the mower.
- Never attempt to make a wheel or cutting height adjustment while the engine is running.
- Grass catcher components, discharge cover, and trail shield are subject to wear and damage which could expose moving parts or allow objects to be thrown. For safety protection, frequently check components and replace immediately with original equipment manufacturer’s
(O.E.M.) parts only, listed in this manual. “Use of parts which do not meet the original equipment specifications may lead to improper performance and compromise safety!” - Do not change the engine’s governor setting or over-speed the engine. The governor controls the maximum safe operating speed of the engine.
- Check fuel line, tank, cap, and fittings frequently for cracks or leaks. Replace if necessary.
- Do not crank engine with spark plug removed.
- Maintain or replace safety and instruction labels, as necessary.
- Observe proper disposal laws and regulations. Improper disposal of fluids and materials can harm the environment.
Do not modify engine
To avoid serious injury or death, do not modify engine in any way. Tampering with the governor setting can lead to a runaway engine and cause it to operate at unsafe speeds. Never tamper with factory setting of engine governor.
Notice Regarding Emissions
Engines which are certified to comply with California and federal EPA emission regulations for SORE (Small Off Road Equipment) are certified to operate on regular unleaded gasoline, and
may include the following emission control systems: Engine Modification (EM) and Three Way Catalyst (TWC) if so equipped.
Spark Arrestor
WARNING: This machine is equipped with an internal combustion engine and should not be used on or near any unimproved forest-covered, brush covered or grass-covered land unless the engine’s exhaust system is equipped with a spark arrester meeting applicable local or state laws (if any). If a spark arrester is used, it should be maintained in effective working order by the operator. In the State of California the above is required by law (Section 4442 of the California Public Resources Code). Other states may have similar laws. Federal laws apply on federal lands.
A spark arrester for the muffler is available through your nearest engine authorized service dealer or contact the service department, P.O. Box 361131 Cleveland, Ohio 44136-0019.
Average Useful Life
According to the Consumer Products Safety Commission
(CPSC) and the U.S. Environmental Protection Agency (EPA), this product has an Average Useful Life of seven (7) years, or 140 hours of operation. At the end of the Average Useful Life, buy a new machine or have the machine inspected annually by an authorized service dealer to ensure that all mechanical and safety systems are working properly and not worn excessively. Failure to do so can result in accidents, injuries or death.

Assembly & Set-Up
Contents of Carton
- One Lawn Mower
- One Grass Catcher
- One Side Discharge Chute
- One Lawn Mower Operator’s Manual
- One Engine Operator’s Manual
- One Bottle of Oil
- One Hardware Pack
Assembly
NOTE: This unit is shipped without gasoline or oil in the engine. Fill up gasoline and oil as instructed in the accompanying engine manual BEFORE operating your mower.
Handle
- Remove any packing material which may be between upper and lower handles.
- Pull up and back on upper handle as shown in Fig. 3-1. Make certain the lower handle is seated securely into the handle mounting brackets. Do not crimp cables while lifting the handle up.

- Tighten star knobs to secure upper handle to lower handle. Make sure that each carriage bolt is seated properly in the handle.
- Pull up and back on upper handle as shown in Fig. 3-1. Make certain the lower handle is seated securely into the handle mounting brackets. Do not crimp cables while lifting the handle up.
- Insert a carriage bolt from the hardware pack into the upper hole on the handle mounting bracket. Secure with one plastic wing nut, also included in the hardware pack. Repeat on other side with remaining items from hardware pack. See Fig. 3-2.

- The rope guide is attached to the right side of the upper handle. See Fig. 3-3. Loosen the wing nut which secures the rope guide.
- Figure 3-3
Hold blade control against upper handle.
Pull starter rope out of the engine. Release blade control.
Slip starter rope into rope guide.
Tighten wing nut.
- Figure 3-3
- Insert post on cable tie into hole provided on the lower handle. Pull cable tie tight and trim excess.
Grass Catcher
- Follow steps below to assemble the grass catcher. Make certain bag is turned right side out before assembling (warning label will be on the outside).
- Place bag over frame so that its black plastic side is at the bottom.
- Slip plastic channel of grass bag over hooks on the frame. See Fig. 3-4. All the plastic channels except center top of bag attach from outside of bag.
- Figure 3-4
c. Attach center top of bag from inside of bag.
- Follow the steps below to attach the grass catcher:
- a. Lift rear discharge door. See Fig. 3-5.

- Place grass catcher on the pivot rod. Let go of discharge door so that it rests on the grass catcher.
WARNING: Never operate mower unless the hooks on the grass catcher are firmly seated on the pivot rod and the rear discharge door rests firmly against top of the grass catcher.
- a. Lift rear discharge door. See Fig. 3-5.
Side Discharge Chute
Your mower is shipped as a mulcher. To convert to side discharge, make sure grass catcher is off of the unit and rear discharge door is closed.
- On the side of the mower, lift the mulching plug. See Figure 3-6.

- Slide two hooks of side discharge chute under hinge pin on mulching plug assembly. Lower the mulching plug.
NOTE: Do not remove side mulching plug at any time, even when you are not mulching.
Adjustments
Cutting Height
Each wheel has a height adjustment lever to change the cutting height of the mower. Refer to Fig. 3-7.

- Depress height adjustment lever towards wheel.
- Slide lever to desired position for a change in cutting height.
- Release lever towards deck.
IMPORTANT: All wheels must be placed in the same relative position. For rough or uneven lawns, move the height adjustment lever to a higher position. This will stop scalping of grass
.Set-Up
Gas and Oil Fill-Up
Refer to the separate engine owner’s manual for additional engine information.
- Add oil provided before starting unit for the first time out of the box.
- Service the engine with gasoline as instructed in the separate engine owner’s manual.
WARNING: Use extreme care when handling gasoline. Gasoline is extremely flammable and the vapors are explosive. Never fuel the machine indoors or while the engine is hot or running. Extinguish cigarettes, cigars, pipes and other sources of ignition.
Controls and Features

Blade Control
The blade control is attached to the upper handle of the mower. Depress and squeeze it against the upper handle to operate the unit. Release it to stop engine and blade.
WARNING: This blade control is a safety device. Never attempt to bypass its operations.
Drive Control
The drive control is located on the underside of the upper handle and is used to engage the drive. Squeeze it against the upper handle to engage the drive; release it to slow down or stop mower from propelling.
Cutting Height Adjustment Levers
One adjustment lever is located on each wheel and is used to adjust the cutting height. All four levers have to be at the same relative position to ensure a uniform cut.
Mulch Plug
The mulch plug is used for mulching purposes. Instead of collecting the grass clippings in a grass catcher or using the side discharge chute, some mower models have the option of recirculating the clippings back to the lawn. This is called mulching.
Side Discharge Chute
Your mower is shipped as a mulcher. To discharge the grass clippings to the side instead, follow the instructions in the Assembly & Set-Up section to attach the side discharge chute.
WARNING: Keep hands and feet away from the chute area on cutting deck. Refer to warning label on the unit.
Recoil Starter
The recoil starter is attached to the right upper handle. Stand behind the unit and pull the recoil starter rope to start the unit.
Operation
Starting Engine
WARNING: Be sure no one other than the operator is standing near the lawn mower while starting engine or operating mower. Never run engine indoors or in enclosed, poorly ventilated areas. Engine exhaust contains carbon monoxide, an odorless and deadly gas. Keep hands, feet, hair and loose clothing away from any moving parts on engine and lawn mower. Follow the set of instructions pertaining to your unit. Refer to engine manual for help with the engine.
Briggs & Stratton Engine:
- If equipped, push primer three times. Wait about two seconds between each push. See Fig. 5-1. In temperature around 55° F or below, prime five times. Do not prime to restart a warm engine.

- Standing behind the mower, squeeze the blade control against upper handle.
- Holding these two handles together firmly, grasp recoil starter handle and pull rope out with a rapid, continuous, full arm stroke. See Fig. 5-1.
- Keeping a firm grip on the starter handle, let the rope rewind slowly. Repeat until engine cranks. Let the rope rewind each time slowly.
Honda Engine:
- If equipped, place the fuel valve lever found on the left side of the engine into the ON (OPEN) position. See Fig. 5-2.

- Move the choke lever (if equipped) all the way backward into the choke position.
Standing behind the mower, squeeze the blade control against upper handle. The choke (if equipped) will now begin to slowly return to the off - choke position after activating the blade control. Therefore, quickly move onto step four below.
- Holding these two handles together firmly, grasp recoil starter handle and pull rope out with a rapid, continuous, full arm stroke. See Fig. 5-2.
- Keeping a firm grip on the starter handle let the rope rewind slowly. Repeat until engine cranks. Let the rope rewind each time slowly.
Stopping Engine
- Release blade control to stop the engine and blade.
WARNING: Wait for the blade to stop completely before performing any work on the mower or to remove the grass catcher.
Using Your Lawn Mower
Be sure lawn is clear of stones, sticks, wire, or other objects which could damage lawn mower or engine. Such objects could be accidently thrown by the mower in any direction and cause serious personal injury to the operator and others.
- Once the engine is running, squeeze the drive control against the upper handle to propel mower.
WARNING: The operation of any lawn mower can result in foreign objects being thrown into the eyes, which can damage your eyes severely. Always wear safety glasses while operating the mower, or while performing any adjustments or repairs on it.
Using as Mulcher
For mulching grass, remove the grass catcher and side discharge chute from the mower. For effective mulching, do not cut wet grass. If the grass has been allowed to grow in excess of four inches, mulching is not recommended. Use the grass catcher to bag clippings instead.
Using Grass Catcher
You can use the grass catcher to collect clippings while you are operating the mower.
- Attach grass catcher following instructions in the
- “Assembly & Set-Up” section. Grass clippings will automatically collect in bag as you run mower. Operate mower till grass bag is full.
- Stop engine completely by releasing the blade control. Make sure that the unit has come to a complete stop.
Lift discharge door and pull grass bag up and away from the mower to remove the bag. Dispose of the grass clippings and reinstall the bag when complete.
WARNING: If you strike a foreign object, stop the engine. Remove wire from the spark plug, thoroughly inspect mower for any damage, and repair damage before restarting and operating. Extensive vibration of mower during operation is an indication of damage. The unit should be promptly inspected and repaired.
Maintenance & Adjustments
General Recommendations
- Always observe safety rules when performing any maintenance.
- The warranty on this lawn mower does not cover items that have been subjected to operator abuse or negligence. To receive full value from warranty, operator must maintain the lawn mower as instructed here.
- Changing of engine-governed speed will void engine warranty.
- All adjustments should be checked at least once each season.
- Periodically check all fasteners and make sure these are tight.
- WARNING: Always stop engine, disconnect spark plug, and ground against engine before performing any type of maintenance on your machine.
Lubrication
- Lubricate pivot points on the blade and drive controls at least once a season with light oil. These controls must operate freely in both directions. See Fig. 6-1.
- Lubricate the wheels at least once a season with light oil (or motor oil). If wheels are removed for any reason, lubricate surface of the pivot arm and inner surface of the wheel with light oil. See Fig. 6-1.

- Lubricate the torsion spring and pivot points on the rear discharge door and side mulch plug periodically with light oil to prevent rust. See Fig. 6 1.
- The transmission is pre-lubricated and sealed at the factory and does not require lubrication.
Follow the accompanying engine manual for lubrication schedule and instruction for engine lubrication.
Deck Care
Clean underside of the mower deck after each use to prevent build-up of grass clippings or other debris. Follow steps below for this job.
- Disconnect spark plug wire. Drain gasoline from lawn mower or place a piece of plastic under the gas cap.
- Tip mower so that it rests on the housing. Keep the side with the air cleaner facing up. Hold mower firmly.
WARNING: Never tip the mower more than 90º in any direction and do not leave the mower tipped for any length of time. Oil can drain into the upper part of the engine causing a starting problem. - Scrape and clean the underside of the deck with a suitable tool. Do not spray with water.
IMPORTANT: Do not use a pressure washer or garden hose to clean your unit. These may cause damage to bearings, or the engine. The use of water will result in shortened life and reduce serviceability. - Put the mower back on its wheels on the ground. If you had put plastic under the gas cap earlier, make sure to remove it now.
Engine Care
A list of key engine maintenance jobs required for good performance by the mower is given below. Follow the accompanying engine manual for a detailed list and instructions.
- Maintain oil level as instructed in engine manual.
- Service air cleaner every 25 hours under normal conditions. Clean every few hours under extremely dusty conditions. Poor engine performance and flooding usually indicates that the air cleaner should be serviced. To service the air cleaner, refer to the engine manual.
- Clean spark plug and reset the gap once a season. Spark plug replacement is recommended at the start of each mowing season. Check engine manual for correct plug type and gap specifications.
- Clean engine regularly with a cloth or brush. Keep the
top of the engine clean to permit proper air circulation. Remove all grass, dirt, and combustible debris from muffler area.
Replacing Rear Flap
- To remove rear flap, lift rear door, and press flap in on either side to remove from hole. See Fig. 6-2.

- Remove flap from opposite hole and replace with new flap in the opposite order and manner of removal.
Service
Blade Care
WARNING: When removing the cutting blade for sharpening or replacement, protect your hands with a pair of heavy gloves or use a heavy rag to hold the blade.
Periodically inspect the blade adapter for cracks, especially if you strike a foreign object. Replace when necessary. Follow the steps below for blade service.
- Disconnect spark plug boot from spark plug. Turn mower on its side making sure that the air filter and the carburetor are facing up.
- Remove the bolt and the blade bell support which hold the blade and the blade adapter to the engine crankshaft. See Fig. 7-1.

- Figure 7-1 Remove blade and adapter from the crankshaft. See Fig. 7-1.
NOTE: When removing these items on units with a 25mm adapter, the pulleys and washers may also break free from the crankshaft. Be sure to make note of the orientation of these items for reassembly. - Remove blade from the adapter for testing balance. Balance the blade on a round shaft screwdriver to check. Remove metal from the heavy side until it balances evenly. When sharpening the blade, follow the original angle of grind. Grind each cutting edge equally to keep the blade balanced.
WARNING: An unbalanced blade will cause excessive vibration when rotating at high speeds. It may cause damage to mower and could break causing personal injury. - Lubricate the engine crankshaft and the inner surface of the blade adapter with light oil. Slide the blade adapter onto the engine crankshaft. Place the blade on the adapter such that the side of the blade marked “Bottom” (or with part number) faces the ground when the mower is in the operating position. Make sure that the blade is aligned and seated on the blade adapter flanges.
- Place blade bell support on the blade. Align notches on the blade bell support with small holes in blade.
- Replace hex bolt and tighten hex bolt to torque: 450 in. lbs. min., 600 in. lbs. max.
To ensure safe operation of your mower, periodically check the blade bolt for correct torque.
Belt Care
- Remove two shoulder screws securing front drive cover to mower deck. See Figure 7-2. Press inward on sides of front drive cover and release tabs that secure it to the height adjuster brackets. Remove drive cover from mower.

- Loosen screw holding belt tension spring to transmission. See Figure 7-2 inset. Do not remove screw completely. As you loosen it, tension on the belt will be released.
- Tip mower on its side with the air filter up to access belt from underside of mower and remove blade as described in the previous section. Refer to Fig. 7-1.
- Press inward on tab on the engine baffle to release it from the baffle bracket. See Fig. 7-3. Figure 7-3

- Slide belt off of engine pulley and thread through the opening in the deck. See Figure 7-4.
NOTE: When removing belt on units with a 25mm adapter, the pulleys and washers may also break free from the crankshaft. Be sure to make note of the orientation of these items for reassembly.
- Replace with new belt, making sure belt is firmly seated on engine pulley while pulling from the other side and sliding it around the transmission pulley.
- Reattach engine baffle and reassemble blade as described in the previous section.
- Turn mower back over and make sure belt is seated on the transmission pulley. Pivot the belt keeper wire back into its operating position and snap into the slot provided.
- Reassemble front drive cover.
Off-Season Storage
The following steps should be taken to prepare your lawn mower for storage.
- Clean and lubricate mower thoroughly as described in the lubrication instructions.
- Do not use a pressure washer or garden hose to clean your unit.
- Coat mower’s cutting blade with chassis grease to prevent rusting.
- Refer to engine manual for correct engine storage instructions.
- Store mower in a dry, clean area. Do not store next to corrosive materials, such as fertilizer.
When storing any type of power equipment in a poorly ventilated or metal storage shed, care should be taken to rust-proof the equipment. Using a light oil or silicone, coat the equipment, especially cables and all moving parts of your lawn mower before storage.
Troubleshooting
| Problem | Cause | Remedy |
| Engine Fails to start | 1. Blade control disengaged. 2. Spark plug boot disconnected. 3. Fuel tank empty or stale fuel. 4. Engine not primed (if equipped with primer).
5. Faulty spark plug. 6. Blocked fuel line. 7. Engine flooded.
8. Fuel valve (if equipped) closed. 9. Engine not choked (if equipped with choke). 10.Burnt fuse. (Electric Start only) | 1. Engage blade control. 2. Connect wire to spark boot. 3. Fill tank with clean, fresh gasoline. 4. Prime engine as instructed in the Operation section. 5. Clean, adjust gap, or replace. 6. Clean fuel line. 7. Wait a few minutes to restart, but do not prime. 8. Open fuel valve. See engine manual. 9. Choke engine. See engine manual. 10.Replace fuse (see Service Section). |
| Engine runs erratic | 1. Spark plug boot loose. 2. Blocked fuel line or stale fuel.
3. Vent in gas cap plugged. 4. Water or dirt in fuel system. 5. Dirty air cleaner. 6. Unit running with CHOKE (if equipped) applied. | 1. Connect and tighten spark plug boot. 2. Clean fuel line; fill tank with clean, fresh gasoline. 3. Clear vent. 4. Drain fuel tank. Refill with fresh fuel. 5. Refer to engine manual. 6. Push CHOKE knob in. |
| Engine overheats | 1. Engine oil level low. 2. Air flow restricted. | 1. Fill crankcase with proper oil. 2. Clean area around and on top of engine. |
| Occasional skips (hesitates) at high speed | 1. Spark plug gap too close. | 1. Adjust gap to .030”. |
| Idles poorly | 1. Spark plug fouled, faulty, or gap too wide. 2. Dirty air cleaner. | 1. Reset gap to .030” or replace spark plug. 2. Refer to engine manual. |
| Excessive Vibration | 1. Cutting blade loose or unbalanced. 2. Bent cutting blade. | 1. Tighten blade and adapter. Balance blade. 2. See an authorized service dealer. |
| Mower will not mulch grass | 1. Wet grass.
2. Excessively high grass.
3. Dull blade. | 1. Do not mow when grass is wet; wait until later to cut. 2. Mow once at a high cutting height, then mow again at desired height or make a narrower cutting path. 3. Sharpen or replace blade. |

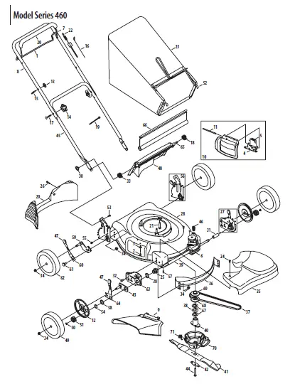
| Ref No. | Part Number | Description |
| 1 | 747-1214 | Drive Control |
| 2 | 710-0599 | TT Screw 1/4-20 x 0.5 |
| 3 | 736-0270 | Bell Washer.265 x 0.75 |
| 4 | 17032A | Deflector Chute Adapter |
| 5 | 732-1014 | Torsion Spring |
| 6 | 618-04376A | Transmission Assembly |
| 7 | 747-1161A | Blade Control |
| 8 | 749-1092A | Upper Handle |
| 9 | 731-04177 | Chute Deflector |
| 10 | 687-02055 | Mulch Plug Complete |
| 11 | 747-0710 | Hinge Pin |
| 12 | 782-7551A | Wheel Dust Cap |
| 13 | 720-0279 | Handle Knob |
| 14 | 720-04072 | Star Knob |
| 15 | 710-1205 | Eye Bolt |
| 16 | 746-1132 | Control Cable – 40.75” |
| 17 | 710-1174 | Carriage Bolt 5/16-18 x 2.0 |
| 18 | 732-04089A | Torsion Spring – LH |
| 19 | 726-0240 | Cable Tie |
| 20 | 731-04204 | Bail Cover |
| 21 | 710-0654A | Self-Tapping Sems Screw |
| 22 | 746-04203 | Drive Cable – 51” |
| 23 | 664-04011 | Grassbag |
| 24 | 710-1650 | Shoulder Screw # 12 -24 |
| 25 | 687-02347 | Front Bearing Assembly |
| 26 | 710-1241 | Screw, 1/4-15 x 1.000 |
| 27 | 687-02194A | Height Adjustment Ass’y – RH |
| 687-02193A | Height Adjustment Ass’y – LH | |
| 28 | 787-01278 | 21” Deck |
| 29 | 731-04150C | Rear Baffle |
| 30 | 712-0397 | Wing Nut |
| 31 | 750-04595 | Slev. Spacer 1.4” Lg. |
| 32 | 710-0216 | Hex Screw, 3/8-16 x.75 |
| 33 | 732-04090A | Torsion Spring – RH |
| 34 | 712-04065 | Flange Lock Nut, 3/8-16 |
| 35 | 731-05020A | Transmission Cover |
| 36 | 782-5002B | Front Baffle |
| 37 | 754-0637A | V-Belt |
| 38 | 736-0447 | Wave Washer |
| Ref No. | Part Number | Description |
| 39 | 750-04594 | Sleeve Spacer 8.985” Lg. |
| 40 | 748-04082 | Blade Adapter, 25mm |
| 41 | 742-0741 | 21” Mulching Blade |
| 42 | 736-0524B | Blade Bell Support |
| 43 | 687-02334 | Pivot Plate Assembly |
| 44 | 710-1257 | Hex Screw 3/8-24 x 2.50 |
| 45 | 749-0928A | Lower Handle |
| 46 | 732-1043 | Belt Tension Spring |
| 47 | 720-0426 | Adjustment Knob |
| 48 | 631-04225 | Rear Discharge Door |
| 49 | 734-04018A | Front Wheel |
| 50 | 710-04531 | Screw, 1/4-20 x .390 |
| 51 | 717-1762 | Gear 14T RH FWD |
| 717-1761 | Gear 14T LH FWD | |
| 52 | 747-04080A | Grass Bag Frame |
| 53 | 710-0703 | Carriage Bolt 1/4-20 |
| 54 | 716-0102 | Snap Ring |
| 55 | 710-1652 | TT Scr. w/Washer 1/4-20 x.625 |
| 56 | 687-02271A | Handle Bracket Assembly – RH |
| 687-02270A | Handle Bracket Assembly – LH | |
| 57 | 715-0221 | Dowel Pin |
| 58 | 736-0474 | Washer |
| 59 | 687-02333 | Pivot Arm Assembly – RH |
| 687-02332 | Pivot Arm Assembly – LH | |
| 60 | 732-04175 | Rear Spring Lever |
| 61 | 738-04266 | Shoulder Scr.500 Dia. x.434 |
| 62 | 734-04014B | Rear Wheel |
| 63 | 782-01298 | Height Adjuster Plate – RH |
| 782-01299 | Height Adjuster Plate – LH | |
| 64 | 732-0706 | Front Lever – RH |
| 732-0707 | Front Lever – LH | |
| 65 | 747-04587 | Pivot Rod |
| 66 | 731-05642 | Rear Trailing Shield |
| 67 | 736-0277 | Washer, Flat, 1.031 x 1.620 x .095 |
| 68 | 756-04160 | Pulley, Half |
| 69 | 756-04161 | Pulley, Half |
| 70 | 731-06029 | Engine Baffle |
| 71 | 787-01593 | Engine Baffle Bracket |
MANUFACTURER’S LIMITED WARRANTY FOR
The limited warranty set forth below is given by Troy-Bilt LLC with respect to new merchandise purchased and used in the United States and/or its territories and possessions, and by MTD Products Limited with respect to new merchandise purchased and used in Canada and/or its territories and possessions (either entity respectively,
“Troy-Bilt”).
“Troy-Bilt” warrants this product (excluding its Normal Wear Parts and Attachments as described below) against defects in material and workmanship for a period of two (2) years commencing on the date of original purchase and will, at its option, repair or replace, free of charge, any part found to be defective in materials or workmanship. This limited warranty shall only apply if this product has been operated and maintained in accordance with the Operator’s Manual furnished with the product, and has not been subject to misuse, abuse, commercial use, neglect, accident, improper maintenance, alteration, vandalism, theft, fire, water, or damage because of other peril or natural disaster. Damage resulting from the installation or use of any part, accessory or attachment not approved by Troy-Bilt for use with the product(s) covered by this manual will void your warranty as to any resulting damage.
Normal Wear Parts are warranted to be free from defects in material and workmanship for a period of thirty (30) days from the date of purchase. Normal wear parts include, but are not limited to items such as: batteries, belts, blades, blade adapters, tines, grass bags, wheels, rider deck wheels, seats, snow thrower skid shoes, friction wheels, shave plates, auger spiral rubber and tires.
Attachments — Troy-Bilt warrants attachments for this product against defects in material and workmanship for a period of one (1) year, commencing on the date of the attachment’s original purchase or lease. Attachments include, but are not limited to items such as: grass collectors and mulch kits.
HOW TO OBTAIN SERVICE: Warranty service is available, WITH PROOF OF PURCHASE, through your local authorized service dealer. To locate the dealer in your area:
In the U.S.A.
Check your Yellow Pages, or contact Troy-Bilt LLC at P.O. Box 361131, Cleveland, Ohio 44136-0019, or call 1-866-840-6483,
1-330-558-7220 or log on to our Web site at www.troybilt.com.
In Canada
Contact MTD Products Limited, Kitchener, ON N2G 4J1, or call 1-800-668-1238 or log on to our Web site at www.mtdcanada.com.
This limited warranty does not provide coverage in the following cases:
- The engine or component parts thereof. These items may carry a separate manufacturer’s warranty. Refer to applicable manufactur-er’s warranty for terms and conditions.
- Log splitter pumps, valves, and cylinders have a separate one- year warranty.
- Routine maintenance items such as lubricants, filters, blade sharpening, tune-ups, brake adjustments, clutch adjustments, deck adjustments, and normal deterioration of the exterior finish due to use or exposure.
- Service completed by someone other than an authorized service dealer.
- Troy-Bilt does not extend any warranty for products sold or exported outside of the United States and/or Canada, and their respective possessions and territories, except those sold through Troy-Bilt’s authorized channels of export distribution.
- Replacement parts that are not genuine Troy-Bilt parts.
- Transportation charges and service calls.
- Troy-Bilt does not warrant this product for commercial use.
































