ECOTRIC C-STA20LED-W-XXX Bicycle

First of all, we would like to thank you for choosing the ECOTRIC electric bike. We believe this technology, with the benefits of electric propulsion, provides you with the perfect vehicle to increase your mobility.
Our brush-less electric hub motor allows you to run errands or commute to work while saving money on gas and reducing your environmental impact on our world. It also allows you to pedal if you want to get exercise along the way.
All this and it is just plain fun to ride!
If you have any concerns, questions, or suggestions about the ECOTRIC electric bike, please contact us at the website where you bought the bike firstly,we will always do our best to serve you. You can also contact us at [email protected]. Again, thanks for choosing ECOTRIC.
PLEASE NOTE:
THIS MANUAL IS NOT INTENDED AS A DETAILED USER, SERVICE, REPAIR OR MAINTENANCE MANUAL. PLEASE SEEK ASSISTANCE FROM A QUALIFIED TECHNICIAN FOR SERVICE, REPAIRS OR MAINTENANCE.
WARNING
Electric Bikes can be dangerous to use. The user or consumer assumes all risk of personal injuries, damage, or failure of the bicycle or system and all other losses or damages to themselves and others and to any property arising as a result of using the bicycle. As with all mechanical components, the bicycle is subjected to wear and high stresses. Different materials and components may react to wear or stress fatigue in different ways. If the design life of a component has been exceeded, it may suddenly fail possibly causing injuries to the rider. Any form of crack, scratches, or change of coloring in highly stressed areas indicates that the life of the component has been reached and it should be replaced. For replacement parts, technical information and warranty assistance, please feel free to contact us.
YOUR INSURANCE POLICIES MAY NOT PROVIDE COVERAGE FOR ACCIDENTS INVOLVING THE USE OF THIS BICYCLE. TO DETERMINE IF COVERAGE IS PROVIDED YOU SHOULD CONTACT YOUR INSURANCE COMPANY OR AGENT.
Assembling Instruction
Instruction d’assemblage
Unfold The Bike
Your Electric bike equips with a front V-brake and Rear disc brake.
- Carefully take your bike out of the carton and gently rest it in place.
- Remove all of the inside cardboard protection and bubble wrap on the bike (Figure.1-1).

- Unfold the bike, Please locate and set aside the kit box containing the battery charger, pedals, and tool kit, etc. (Figure.1-2)

Handle Bar Installation
Unfold the stem, locate the cam lever on the top of the stem, open the cam lever, loosen the nut, and remove the cam lever, slide out the metal cover (Figure. 2-1). Place the handlebar into the groove on the top of the stem, slide the metal cover back into the stem (Figure. 2-2). Adjust the handlebar to a proper angle that fits you, and tighten the handlebar with the cam lever (Figure. 2-3).
Seat Post Installation
- Please pay attention to the vertical lines on the seat post; it is the minimum insert line/safety line. Please make sure install the post into the frame deeper than the minimum insertion line. It is at the bottom of the seat post (Figure. 3-1).

Warning: It could break the seat tube during riding if the seat post does not install correctly. It is not covered by the warranty.
Avertissement: cela pourrait casser le tube de selle pendant la conduite si la tige de selle ne s’installe pas correctement. Elle n’est pas couverte par la garantie. - Open the clamp on the seat tube, insert the seat post into the seat tube, adjust the seat to a comfortable height, tighten the tension adjusting nut, and then press the clamp lever inward toward the seat tube (Figure. 3-2).

Please Note:
If necessary, tighten the clamp by twisting the clamp handle clockwise while in the un-clamped position. Then, fold the handle in toward the seat post. This should require a fair amount of force to ensure the seat post is held tight. If necessary, the clamp can be further tightened with a 5 mm Allen wrench while in the clamped position.
Warning:
The cam lever may be bent if over tighten tension nut when cam lever is un-clamped, it is not covered by warranty!
Attention:
le levier de came peut être plié si vous serrez trop l’écrou de tension lorsque le levier de came est desserré, il n’est pas couvert par la garantie!
Pedals Installation
- Identify left vs. right pedal
There is an “L” or “R” stamped into the axle (the threaded part that looks like a screw) (Figure. 4-1) Please Note: They are not the same!! Apply a small amount of grease if possible - Install the left-hand pedal firstly
You will have to screw it in counter-clockwise because the threading is the reverse of a normal screw. Do this by slowly pedaling the cranks backward. If the pedal feels stiff, stop, and then re-try, it should feel like a smooth motion. Please do not use the wrench until you are ready to tighten it for the final few turns. Tighten it down until you can’t anymore (Figure. 4-3).
Please Note: Hand-tight is not sufficient. Use a tool. If the threads on the crank are stripped after riding, it means the crank needs to replace. It is NOT covered by warranty. - Install the right-hand pedal
This one threads in clockwise, like a normal screw. Follow the same principals, as discussed in step 2 for the left pedal (Figure. 4-2).
- Wipe off any excess grease from around the crank.
TORQUE SPECIFICATIONS

Battery Removing & Charging
- Remove and install the battery
The keys are tied to the handle on the battery. If the key is on the “Off” position, push the key in, and turn it to the “Unlock” position (Figure. 5-1), then pull the battery out of the frame. When mounting the battery, you should align the battery and the rail on the frame, and slide the battery into the frame (Figure. 5-2). Then turn the key to the “On” position (Figure. 5-3).
- Introduction of the battery
There are three positions on the battery lock.
“ON”: The bike is powered on, and the battery locks on the frame. The key cannot be removed at this time. “OFF”: The bike is powered off, but the battery is locked on the frame. The key can be removed at this time. “UNLOCK”: You need to push the key in to turn to this position. The bike is powered off, and the battery is not locked on the bike.
Fuse: There are two Fuses on the battery. Charging Fuse: 10A, Min. 60Vdc; Discharging Fuse: 30A, Min. 60Vdc. (UL certified Fuse) - Battery Charging
Find the charging port on the battery (Figure. 5-4), connect the charger’s plug to the battery charging port first, and then connect the other side plug to the AC outlet (120V).The charger’s LED is the red color when charging, and it will turn to green color when the battery is fully charged. It will take 6-8 hours to fully charge the battery. Remember to charge the battery before the first ride fully.
Please Note: There is a small button on the battery, turn on the battery, press and hold the small button, you can see the remaining capacity of the battery (There is one red light + two green lights when fully charged) (Figure. 5
- Battery storage outside of the eBike
If the battery is not used for an extended period, charge it fully and recharge it every two months.Store it in a cool, dry place.
Folding or Unfolding The bike
- Locate the quick-release lever on the frame, open the lever (Figure 6-1), then pull it out. Hold the handle, and lift the pin up (Figure 6-2), then the frame can be folded now.

- Open the handle on the frame. There is a small spherical handle on the side of the handle, pull it to the top, then pull the handle outward (Figure 6-3), fold the stem and pedals(Push the pedals in, and then flip them up). The bike is folded (Figure 6-4).

Operating Instructions/INSTRUCTIONS D’UTILISATION
- Lighting Up The Display
Turn the key to the “ON” position, press the “ON/OFF” button on display (Figure. 7-1), and the display will be light up. Note: The default pedal assist level is “LOW” (Figure. 7-2).
- Testing The Throttle,Pedal Assist, And Walk Assist Mode
The bike has three modes: throttle, pedal-assist, and walk-assist. Please lift the rear wheel, then test them separately.- A. Throttle: please twist the throttle. It is on the right side of the handlebar(Figure. 7-3).
- B. Pedal Assist: please lift the rear wheel and turn the pedal by hand. The motor will work one time once you turn the crank 3/4-cycle (Figure. 7-4).
- C. Walk assist: Please press and hold the “6km” button on the handlebar. The bike will go into a walk-assist mode (Figure. 7-5).

- Testing The Brake System
Please hold the 2 brake levers on both sides of the handlebar, then try to push the bike forward to make sure the bike is assembled firmly, and brakes can stop the bike properly. - Please record the bike’s serial number (Figure. 7-6) and battery serial number (Figure. 7-7) on the last page of the user manual in case of stolen or missing.
- You are ready to ride!

Display Instrument Setting
810 LED Display
- ON/OFF: Turn on the power, press the “ON/OFF” button, the power will be turned ON or OFF.
- 6KM: Walk Assist Mode, press and hold the “6km/h” button to have cruise 6km/h speed automatic riding without pedals.
- Mode: Press the “mode” button to select the pedal assistant power with pedals and throttle (Low-Med-High).
- Power: Power is indicating the battery power. It should be four red LEDs when fully charged.
Troubleshooting
We fully understand your feelings when you meet a problem with the bike. Contacting us on the website where you bought the bike and telling us your problem in detail with some pictures and videos will be the fastest and easiest way to help you solve the problem. Please don’t forget to leave your order number to us for reference.
The following are some assistance tips for electrical problems:
The display can not light up
Please fully charge the battery (6-8 hours). The LED on the charger should be green color when the battery is full charged. If it still doesn’t work, please check the wires and battery, please make sure the connections are not loose, and the battery installs in place, then please light up the display in the correct order (light up the power button on the battery,press the “6km” button, and hold). If it still doesn’t work, we need to get a voltmeter, and do some testing:
First,please light up the power button, and test the battery output voltage (Figure. 8-1). If the voltage is “0”, it means there is something wrong with the battery output plug, cell, or fuse. Please take a picture or a video to show your testing result, and then send it to us. The customer service department will give you a solution. If the battery voltage is not “0”, but less than 32V, please full charge the battery (6-8 hours), then test it again; if the battery voltage is between 32v-42v, but the display can not be light up, it means the battery is in good condition, we need to test the other two plugs.
Second, please open the controller box, and find the power wire (black and red color) that connects the battery and controller (Figure. 8-2). Please test the power wire’s voltage. If it is “0”, it means the power wire needs to replace, please take pictures, and send the pics to us. If the voltage is the same as the battery, there’s no problem with the power wire. We need to test the output voltage of the controller. It is the plug that connects the controller and display. It has five wires on the plug, please test the red and black wires (Figure. 8-3). If the voltage is “0”, it means the controller needs to be replaced, please take some pictures and send them to us; if the voltage is the same as the battery, it means the display needs to be replaced. Please picture the testing results and send them to us. It will help us for solving your problem asap. We have video on YouTube, the model is different,but the method is the same: https://www.youtube.com/watch?v=zzrkBPsYjrg&t=1s
The throttle does not work
We mean the display can be lighted up, but the throttle does not work. The brakes have two functions when you press the brake lever: 1. it will stop the bike 2. it will cut the power of the motor. First, please check the brake lever, and make sure the brake lever can hold or release fluently. If not, maybe the brake cut the power. Please video your problem and send it to us. We will give you a solution. Second, Please test the pedal-assist mode (please lift the rear wheel, then turn the crank a whole cycle), and walk-assist mode(press and hold the “down” button). If only the throttle does not work, it means the throttle needs to be replaced. Please video your testing and send the video to us. If none of the three modes works, we need to test the motor wire and brake sensor.
Third, please find the plug on the motor wire (Figure. 9-1), the connection may be loose. Please re-plug it, restart the bike, and then test all three modes, if it still doesn’t work, we need to check the brake sensor. Fourth, please open the controller box (Figure. 9-2), and find the two plugs that connect the brake levers and controller. It is the only two plugs that have two wires on each plug (Figure. 9-3). Please disconnect them , then test all three modes again. If they work, it means the brake sensor is defective. The brake wires need to be replaced. If it still doesn’t work, it means the controller needs to be replaced. Please video your problem, and send the video to us. If it still doesn’t work after replacing the brake wire or controller, please video how you do the troubleshooting, and send the video to us.
We have a video on YouTube,the model is different,but the method is the same:
https://youtu.be/i_s9v7mw_zs
Warranty Information
The warranty covers items that fail when used within their normal operating parameters. Please provide the order number when you need a warranty. This warranty applies only to the original registered owner of the ECOTEC bicycle and is not transferable.
TO ACTIVATE YOUR NEW ESOTERIC ELECTRIC BICYCLE WARRANTY, PLEASE REGISTER YOUR BIKE BY THIS LINK. https://www.ecotric.com/pages/warranty-registration-1
If any part happens to be damaged during shipping, please contact us immediately after shipment arrival. ECOTEC will send a replacement part at our expense and will work with you to fix the issue.
Situations that are not covered by warranty
- Water Damage (wading in the water, parking in the rain)
- Refit (refit the motor, electrical system, battery, frame, fork, etc. without our authorization)
- Overloading (Riding on a steep slope/load more than 200lbs)
- Artificial damage (incorrect installation/usages)
- Uncontrollable factors (Crash, falling, stolen, etc.)
- Improper use (Abusive use the bicycle in off-road terrain, mud, water, gravel or jumping from ramps, stairs or elevated ramps,or using the bike at an altitude higher than 6562 feet )
- Damages are caused by natural disasters (such as earthquakes, lightning, fire, flooding and other hazards).
- Use of other components (such as charger, battery, display, or controller, it may result in fire or death)
- Acts in violation of laws
- Never registered your ebike or cannot provide the order number
18 months Limited Warranty Components(In the period of 18 months from purchase by Official Authorized Store)
- Frame – are warranted to be free from defects in material or workmanship for 18 months from purchase by Official Authorized Store. The paint finish is considered consumable and is not part of the warranty.
- Motor, Display, Controller and Motor Assembly – are warranted to be free from defects in material or workmanship for a period of 18 months from purchase by Official Authorized Store.
- Original Battery – are warranted to be free from defects in material or workmanship for a period of 18 months from the date of purchase as follows: full replacement during the first 12 months, while replacements needed during months 13-18 are prorated by the below link https://www.ecotric.com/pages/battery-replacement-cost
Exclusions:
The warranty does not cover components subject to wear: Tires, inner tubes, brake lines, brake pads, wheel lining tape, fuses, etc. The other parts are Normal wear parts which are excluded from this warranty.
Please note that for warranty issues, the customer is responsible for the cost of labor to install warrantied components.
Return Policy
- ECOTEC Electric Bicycle Return Policy allows you to return or exchange your electric bicycle once within 30 days start from the date of receiving the bike. Please check the warranty terms for complete information for when a return is applicable. Please note that we do not accept the return of spare parts. If you insist on returning it, you need to bear a 50% restocking fee of the original price.
- Ship-back charge:
- A. If the unit purchase under a free-shipping promotion, there will not be a refund for shipping cost. However, the customer will have to bear the 20% restocking fee of the original price if the return is unrelated to quality, damages, or wrong item but merely for a personal and discretional last-minute decision from the buyer.
- B. If you need the pick-up service, please tell us, and we will arrange a return label with the pick-up fee for you, but the customer will need to pay for this pick-up fee.)
- The returned unit must be in like-new condition, include all original packaging, accessories, and documentation. Any missing components may be deducted from the refund. Any shipping damage during the ship-back may incur a deduction from the refund.
- Returned units are subject to a 20% of inspection and restocking fee from the original purchase price.
- The refund will be issued in an average time frame of 2-3 weeks after we are receiving, inspecting, and processing the returned unit.
- If the customer wants to cancel the order after the shipping label being created, the customer will have to bear the shipping cost.
Please note: Buyer is required to get the packing box, pack the bike, and take the bike to UPS/FedEx Store when the buyer wants to return the bike. (Please keep the original box in case of returning if necessary). We cannot accept your return request if you bought the bike for more than 30 days, but we will keep providing our best customer service. If the buyer picks up the bike locally, the buyer is responsible for carrying the bike back to our warehouse.
If you buy the bike in the USA, but use it in the other country or Hawaii, Alaska, or Puerto Rico, PO Boxes/APOs is out of our delivery range. The buyer is responsible for returning the bike to the original shipping address.
FAQ
- Q: How does after-sale customer service/ warranty work?
A: When you have problems with your bike, please message us on the website where you bought the bike. We will reply to you in one business day. It is best to describe your problem in details, and make a video to show your concern, it is the fastest way to solve your problem.
Example: My bike does not work. The customer should tell us that the display can be lighted up, but the throttle does not work. When you have electrical problems, the first thing we want to know is the display can be lighted up or not, (The condition of the display will help us to distinguish how to solve the electrical problems), then please provide more details about how it happens and the symptom of the problem. We will report your problem/video to our technician team, and give you a solution. If your bike is under warranty, we will arrange spare parts from our warehouse in the USA. - Q: I’m tech-inclined and think I can fix it myself, does that void the warranty if I do?
A: No, we always like to work with and support customers who are resourceful enough to fix an issue on their own, and we will provide plenty of tech support over email to guide you through the process. It saves wasted time and expense in shipping and it can be a useful and fun learning process. Please contact us before attempting a DIY repair, however, as some things have non-obvious complications. - Q: Why is the charger hot?
A: When the battery is charging, it is normal that the charger is getting hot, because part of the energy is converted into heat energy when converting AC to DC. As long as there’s no smell, you don’t need to worry about it. However, it’s better to put it in a ventilated place, because the heat will accelerate the aging of electronic components. - Q: What is the range of this bike?
A: We try to give an exact number, but the range is related to the road conditions, rider’s weight, wind resistance, ramp or not, and how you ride the bike. We test the bike on the city road, (slight wind, flat highway, rider 160lbs, throttle, and pedal-assist), the range is 20 miles. Suppose you can ride 16-23 miles. It is normal. Full charging the bike, and pumping up the tire full will Increase the range. - Q: Can I ride the bike in the rain?
A: Yes, ride the bike in moderate or light rain is no problem. Please make sure the bike is bone dry before next ride, or the bike will cut off randomly. But do not park the bike in rain and never wade in the water. The battery and controller have a self-protection program, they will cut the power if there is a short, but water damage will destroy the bike’s electrics. - Q: What is the most important thing for maintaining a battery?
A: Remember to charge the bike in time, and not leave the bike with an empty battery. Remember to charge the battery every 2 months if you do not use it for a long time, or the battery will starve to death as no power. It will result in a short-range or display can not light up. - Q: Do you have spare keys for the E-bike?
A: Sorry, we do not have spare keys, but spare lock-set. You should replace the whole lock set if you lost the keys. Remember to keep a copy of the key if necessary.
Battery And Charger Care
The charger will charge a fully depleted battery in 6—8 hours. The indicator light on the charger will be red when the battery is charging and will turn green when fully charged. Avoid subjecting the battery to high temperatures, such as directly under the sun, for prolonged periods. Recharge the battery before it becomes completely discharged. Completely discharging will reduce the number of recharging cycles during the battery’s life and limit the capacity. Never store the battery in a discharged state. After much use, your battery’s charge holding capacity will decrease. If you find that your battery does not hold a sufficient charge, you should contact us to order a replacement. If the battery is not used for an extended period, charge it fully and recharge it every two months. Store it in a cool, dry place. Your battery is engineered with precision for high capacity and a long, useful life. Please do not use it to power other electrical devices. Improper use of the battery will damage the battery and shorten its useful life and may cause fire or an explosion. If you experience unusual sounds or odors coming from the charger or the battery, unplug the charger immediately and contact customer service.
Recharge the battery after every use.
- Do not disassemble or alter the battery or battery charger.
- Do not place the battery near fire or corrosive substances.
- Do not allow any liquids on or inside the battery/charger.
- Do not expose the battery/charger to extreme weather conditions.
- Do not operate the battery/charger if damaged.
- Recharge the battery only with a charger specified by the manufacturer.
- Do not use the battery/charger for any use other than its intended purpose.
- Only use the battery/charger on approved products.
Please instruct your children to keep away from the charging place.
USER MAINTENANCE INSTRUCTIONS
INSTRUCTIONS D’ENTRETIEN À L’INTENTION DE L’UTILISATEUR
Having an electric bike that breaks down or isn’t running smoothly is a real pain. Here are few simple things you can do to avoid this and keep it running smoother for longer. Electric bikes are bicycles that have additional technology to provide pedal assistance. Because they tend to get used so much more, and at greater average speeds, maintenance is a critical factor in keeping them running smoothly. You don’t need to have a fancy workshop, do these few simple things:
Bicycle maintenance
Regularly check the significant touchpoint bolts for tightness – handlebars, seat rails, wheels etc. If any of these come off while riding,it can be dangerous! Riding with loose bolts can be an expensive and inconvenient repair.
Lube your chain regularly. Check tire pressures at least once a week. Pump up to the recommended pressures if needed. Clean your bike with a regular hose and / or bucket & brush. Avoid high-pressure water systems as you don’t want to get water in the electrics!
Wiring.
Be careful not to knock your wiring, particularly on things such as lights, motor cables near wheels, sensor cables etc.
Batteries.
See our article on battery care and safety. Also, take care of sliding your battery in and out, so you don’t bend any battery plate nodes. The next best thing you can do for your bike is to get it serviced regularly by a skilled mechanic -preferably one with experience working on electric bikes! Find or avoid problems before they happen.
MOVING AND STORAGE INSTRUCTIONS
INSTRUCTIONS VISANT LE DÉPLACEMENT ET L’ENTREPOSAGE
There is very little to do in terms of electrics maintenance however the main thing is to take care! Particularly when you are moving your bike in and out of cars, stairs or tricky storage places. Prolonged exposure to UV Rays, Rain and the Elements May Damage the Enclosure Materials, Store Indoors When Not in Use.
Safety
Helmet:
Always wear an approved helmet while riding your bike and follow the helmet manufacturer’s instructions for it, use and care of your helmet.
It is your responsibility to familiarize yourself with the laws of where you ride your Bike and comply with all applicable laws.
Mechanical Safety Check:
Check the condition of your bike before every ride. Make sure no nuts, bolts or fixing are loose, with particular attention to the axle nuts and handlebar stem. Make sure the tires are correctly inflated with the recommended air pressure that locates on the side wall of every tire. Check the brakes for proper operation. You must take your bike in to be serviced and checked by a qualified bike mechanic before 100 miles (161 kilometers) of riding. This is standard good practice for any new bike as cables will stretch, and components will “bed-in”. The service must include spokes tension for both front and rear wheels.
Your First Ride:
When you buckle on your helmet and go for your first ride, be sure to pick an area away from cars, other cyclists, obstacles, or other hazards to become familiar with the controls, features, and performance of your new Bike.
Additional Passengers:
The Bike bikes are designed for one passenger only (excluding Tandems). DO NOT carry any additional passengers on the front or rear of the bike.
Weight Capacity:
These Electric Bikes are designed with a maximum weight capacity of 200 pounds for all models. The rear rack maximum weight capacity of a Bike (if applicable) is 25 pounds. Exceeding the maximum weight capacity can result in damage of the bike, which can lead to serious injury.
Tires & Wheels
Make sure tires are correctly inflated. Check by putting one hand on the saddle, one on the intersection of the handlebars and stem, then bouncing your weight on the bike while looking at tire deflection. Compare what you see with how it looks when you know the tires are correctly inflated; and adjust if necessary. Tires in good shape? Spin each wheel slowly and look for cuts in the tread and sidewall. Replace damaged tires before riding the bike. Are wheels true? Spin each wheel and check for brake clearance and side-to-side wobble. If a wheel wobbles side to side even slightly, or rubs against or hits the brake pads, take the bike to a qualified bike shop to have the wheel trued.
General Warning
Like any sport, bicycling involves the risk of injury and damage. By choosing to ride a bicycle, you assume the responsibility for that risk, so you need to know — and practice— the rules of safe and responsible riding and proper use and maintenance. Proper usage and maintenance of your bicycle reduce the risk of injury. Your electric bicycle is designed for use by persons 16 years old or older. Riders must have the physical coordination, reaction time and mental capability to ride and manage traffic, road conditions,sudden situations and respect the laws governing bicycle use where they ride, regardless of age. If you have an impairment or disability such as a visual impairment, hearing impairment, physical impairment, cognitive/language impairment, or a seizure disorder, consult your physician before riding any bicycle.
A special note for parents
As a parent or guardian, you are responsible for the activities and safety of your child, and that includes making sure that the bicycle is properly fitted to the child; that it is in good repair and safe operating condition; that you and your child have learned and understand the safe operation of the bicycle; and that you and your child have learned, understand and obey not only the applicable local motor vehicle, bicycle and traffic laws, but also the common-sense rules of safe and responsible bicycling. As a parent, you should read this manual,and review its warnings and the bicycle’s functions and operating procedures with your child, before letting your child ride the bike.
Make sure that your child always wears an approved bicycle helmet when riding; but also make sure that your child understands that a bicycle helmet is for bicycling only, and must remove when not riding. A helmet must not be worn while playing, in play areas, on playground equipment, while climbing trees, or while not riding a bicycle. Failure to follow this warning could result in serious injury or death.
Your electric bicycle is for use by persons 16 years old and older ONLY. Do not let a child younger than 16 years old ride the bike.
Electrical Parameters
|
Model | C-STA20LED-BL-XXX C-STA20LED-W-XXX C-STA20LED-MB-XXX (XXX represents any alphanumeric character) |
| Motor | 36V 350W |
| Type of Motor | Brush-less Hub motor |
| Battery | 36V12.5AH |
| Type of Battery | Li-ion Battery |
| Charging Temperature Range | 32-104℉ |
| Discharge Temperature Range | 14-113℉ |
| Charger Output | 42V DC MAX. 2.0A |
| Range Per Charging | 18-23 miles |
| Maximum Speed | 20 MPH |
| Maximum Loading | 200 LBS |
| Dimensions | 60.9×44.88×24.4 inch |
| Folding Dimensions | 33.4x15x27.2 inch |
| Weight | 50 LBS |
| Maximum Elevation | 6562 feet |
| Storage Temperature Range | 14-113℉ |
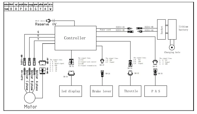
The Universal Wiring Diagram
This wiring diagram is only for reference, if any question you have, please contact customer service for any repair.
Recording Your ECOTRIC Bike Info
- BICYCLE SERIAL NUMBER:
- BATTERY SERIAL NUMBER:
- MODEL:
- COLOR:
- DATE OF PURCHASE:
- DEALER’S NAME:
- DEALER’S PHONE:
- DEALER’S EMAIL:





























