
CS 610 Q Turntable
Owner’s Manual
CS 610 Q Turntable
Service-Anleitung Service
| Technical data Measured values = typical values | |
| Drive Microprocessor-controlled Quartz PLL Direct-Drive | EDS 910 |
| Mains voltages fixed by the producer | 230 V oder, or, ou 115 V |
| Line frequency | 50/60 Hz |
| Power requirement | 11 VA |
| Platter speeds | 331/3, 45 rpm |
| Wow and flutter (DIN) | ± 0,06 % |
| Platter non-magnetic, removable | 304 mm 0 |
| Distortion-free aluminum tubular tonearm | |
| Cartridge HiFi DIN 45 500 red R + right channel green R — right channel ground blue L — left channel ground white L + left channel | Dual DMS 239 |
| Diamond stylus | Dual DN 239 016,5 um |
| Trecking force | 25 mN (20-30 mN) |
| Frequency range | 10 Hz — 20 kHz |
| Output | 3,5 mV/5 cms-1/1 kHz |
| Signal-to-noise ratio (DIN 45500) Rumble unweighted signal-to-noise ratio Rumble weighted signal-to-noise ratio | 52 dB 75 dB |
| Effective tonearm length | 211 mm |
| Offset angle | 26° |
| Overhang | 19,5 mm |
| Tangential tracking error | 0,15°/cm Rad. |
Dual GmbH
- Postfach 1144
- 7742 St. Georgen/Schwarzwald
920 853-2 7.5/0384
Copyright by Dual 




Replacement parts
| Pos. | Art.-Nr. | Stoic | Bezelchnung |
| 1 | 220212 | 1 | Zentnerstuck |
| 2 | 276011 | 1 | Plattentellertelag |
| 4 | 276012 | 1 | Plattenteller kpl. |
| 7 | 272095 | 1 | Anschluftplatte |
| 8 | 273466 | 4 | Aufnahmetopf mit Gummipuffer |
| 10 | 276013 | 1 | Tellerkonus kpl. |
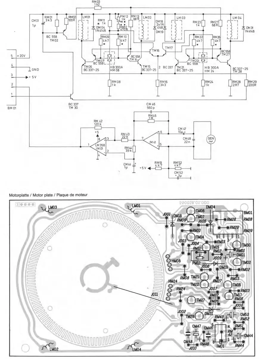
| 11 | 276014 | 4 | Motor EDS 910 kpl. |
| DM4 | 223906 | 4 | Diode 1 N 4148 |
| DM18 | 223906 | 4 | Diode 1 N 4148 |
| DM19 | 223906 | 4 | Diode 1 N 4148 |
| DM31 | 223906 | 1 | Diode 1 N 4148 |
| IM 1 | 276024 | 5 | IC LM 358 N |
| TM 2 | 240787 | 4 | Transistor BC 558 B |
| TM 6 | 226870 | 5 | Transistor BC 337/25 |
| TM 7 | 240787 | 5 | Transistor BC 558 B |
| TM 14 | 240787 | 4 | Transistor BC 558 B |
| TM 15 | 226870 | 3 | Transistor BC 337/25 |
| TM 16 | 224726 | 3 | Transistor BC 337 |
| TM 17 | 224726 | 3 | Transistor BC 337 |
| TM 18 | 224726 | 4 | Transistor BC 337 |
| TM 21 | 226870 | 5 | Transistor BC 337/25 |
| TM 22 | 240787 | 5 | Transistor BC 558 8 |
| TM 27 | 240787 | 4 | Transistor BC 558 B |
| TM 28 | 226870 | 1 | Transistor BC 337/25 |
| 12 | 273586 | 1 | Kattleiter RPOI (230 V) |
| 12 | 273739 | 1 | Kaltleiter RPO1 (115 V) |
| 12 | 276015 | 2 | Netztrafo kpl |
| 15 | 273111 | 3 | Schamier |
| 16 | 272110 | 3 | PT-Schraube |
| 17 | 272111 | 1 | Distanzstlick |
| 24 | 275349 | 1 | Zugentlastung kpl. |
| 30 | 272074 | 1 | Abstellschiene |
| 31 | 209358 | 1 | Kugel 4 |
| 32 | 276020 | 1 | Grundplatte kpl. |
| 33 | 273390 | 1 | Kurvenrad |
| 34 | 210148 | 1 | Scheibe 5 |
| 35 | 207301 | 1 | Tonabnehmerkabei Cinch |
| 35 | 207303 | 1 | Tonabnehmerkabet DIN |
| 36 | 232995 | 1 | Netzkabel USA |
| 36 | 232996 | 1 | Netzkabel Europa |
| 37 | 274133 | 1 | Elastikpuffer |
| 37 | 276016 | 1 | Konsole CK 44 kpl. SM |
| 37 | 276017 | 1 | Konsole CK 44 kpl. AM |
| 38 | 272890 | 1 | Frontblende CS 610 Q kpl |
| 38 | 273693 | 1 | Frontblende CS 610 0 kpl. |
| 39 | 276018 | 1 | Abdeckhaube CH 44 kpl. |
| 42 | 209358 | 1 | Kugel 4 |
| 43 | 273144 | 1 | Druckfeder |
| 44 | 270585 | 1 | Lagerbock |
| 45 | 210147 | 1 | Scheibe 4 |
| 46 | 273391 | 1 | Haupthebel |
| 50 | 270530 | 1 | Gewicht |
| 51 | 210145 | 1 | Scheibe 2,3 |
| 52 | 262864 | 1 | Lagerspitze |
| 53 | 229685 | 1 | Druckfeder |
| 54 | 275371 | 1 | Lagerrahmen |
| 55 | 273427 | 1 | Lagerspitze |
| 56 | 272068 | 1 | Druckfeder |
| 57 | 273465 | 1 | Skatingring |
| Pos. | Art.-Nr. | Stck | Bezeichnung |
| 58 | 272119 | 1 | Zyknderschraube M 3 x 6 |
| 59 | 273457 | 1 | TA-Sockel |
| 60 | 273392 | 1 | Heberbolzen |
| 60 | 272450 | 1 | Druckteder |
| 61 | 223777 | 1 | Steuerpimpel |
| 65 | 272077 | 1 | Zugfeder |
| 66 | 273135 | 1 | Zugfeder |
| 67 | 272818 | 1 | Skatingnebel |
| 69 | 274105 | 1 | Microschalter |
| 75 | 273500 | 1 | Flansch |
| 75 | 273623 | 1 | Flansch |
| 76 | 275024 | 1 | Druckfeder |
| 77 | 276021 | 1 | Liftmagnet kpl. |
| 82 | 272170 | 1 | Zylinderblecnschraube |
| 83 | 275370 | 1 | Lager |
| 84 | 275372 | 1 | Tonarm |
| 85 | 237660 | 1 | Steuerpimpel |
| 86 | 275118 | 1 | Hulse |
| 87 | 277082 | 1 | Segment |
| 88 | 272073 | 1 | Unsenschraube PT 3 x 20 |
| 89 | 270534 | 1 | Tonarmkopf |
| 90 | 273112 | 1 | Tonarmstdtze |
| 91 | 272888 | 1 | Abdeckung SM |
| 91 | 273692 | 1 | Abdeckung AM |
| 95 | 276280 | 1 | Stellschiene |
| 96 | 249076 | 1 | Zugfeder |
| 100 | 235150 | 1 | Druckfeder |
| 101 | 239934 | 1 | Fuhrungslager |
| 102 | 210624 | 1 | Scheibe 4,2 x 7 x 0,3 |
| 103 | 210146 | 1 | Scheibe 3,2 |
| 103 | 274354 | 1 | Sechskantmutter M3 selbsts. |
| 107 | 273545 | 1 | Tastensatz 3-fach SM |
| 107 | 273695 | 1 | Tastensatz 3-fach AM |
| 110 | 276019 | 1 | Steuerplatte III kpl. |
| 111 | 277110 | 1 | Befestigungsteile kpl. |
| DP 1 | 227344 | 4 | Diode 1 N 4001 |
| DP 2 | 227344 | 4 | Diode 1 N 4001 |
| DP 3 | 227344 | 4 | Diode 1 N 4001 |
| DP 4 | 227344 | 4 | Diode 1 N 4001 |
| DP 16 | 276027 | 1 | Diode ZPY 5,6 |
| DR 5 | 223906 | 8 | Diode 1 N 4148 |
| DR 6 | 223906 | 8 | Diode 1 N 4148 |
| DR 11 | 223906 | 8 | Diode 1 N 4148 |
| DR 12 | 223906 | 8 | Diode 1 N 4148 |
| DR 13 | 223906 | 8 | Diode 1 N 4148 |
| DR 18 | 223906 | 8 | Diode 1 N 4148 |
| DR 19 | 223906 | 8 | Diode 1 N 4148 |
| DR 21 | 244416 | 1 | Diode CQY 86 gran |
| DR 22 | 244416 | 1 | Diode COY 86 Brun |
| DR 37 | 223906 | 8 | Diode 1 N 4148 |
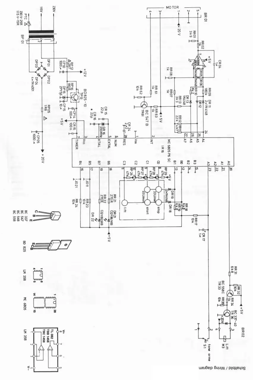
| IR 1 | 276024 | 1 | IC LM 358 N |
| IR 16 | 277049 | 1 | IC MP HD 6805 S 1-A 49 |
| OR 16 | 276026 | 1 | Quartz 3,5555 MHZ |
| TP 13 | 268408 | 1 | Transistor BD 825-10 |
| TR 33 | 276032 | 1 | Transistor BC 558 C |
| TR 36 | 276028 | 1 | Transistor BC 337-40 |
| TR 61 | 244891 | 1 | Transistor BC 547 B |
| 272903 | 1 | Verpackungskarton | |
| 273541 | 1 | Bedienungsanlertung |
Subject to change!
Tonearm and tonearm bearing
Dismantling the tonearm complete with the tonearm bearing.
We recommend the following procedure:
1. Unsolder off the tonearm connections at the connection board 7.
2. Remove the sleeve 86. Disengage the shut-off bar 30 and the spring 65 on segment 87.
3. Remove the lock screw on the tonearm support 59. Disengage the tonearm 84 on the positioning rau 95. Remove the tonearm 84. Succession the spring on the lifting bolt 60.
Reassembly involves the reverse procedure.
Changing the tonearm
- Lock the tonearm 84 in rest position, Remove the weight 50.
- Unsolder off the tonearm connections of the connection plate 7.
- Remove the locking washer 51 and the Bearing point 52. Press the bearing 83 in the direction of the spring bearing point 52, so that the tonearm 84 may be removed from the front of the bearing frame 54.
For reassembly the reverse procedure.
Cue control
Changing the litt bolt
1. Remove the main lever 46. Remove the bearing piece 101 and the positioning rat 95.
2. Remove the pin 85 and the lift bolt 60.
Reassembly involves the reverse procedure.
Adjustment points
Switch off point
The switch oft point (switch off range record 0 125-115 mm) can be adjusted by slight bending the shut-off rau l 30.
Tonearm lift
The lift can be varied by turning the screw 58. The distance between the record and the needle should be approx. 5 mm.
Drucksachen – Korrektur Correction
| Daturn.Date-Date 02.04.86 | Zeichen-Ref.-Niref, KD/3u | Gerate Nr. Senal number. No. de rappareil | No 1/CS 610 |
Service-Anleitung CS 610 Q
Service-Manual
| Pos. | Art-Nr. | Bezeichnung |
| 78 RP 5 RP 12 | 275 098 278 442 278 443 | Fixiernabe Sicherungswiderstand 1,8 Ohm Sicherungswiderstand 2,7 Ohm |
Dual GmbH
Postfach 1144
7742 St.Georgen/Schwarzwald



















