CS 429

Instruction Manual: Hi-Fi Turntable fully automatic
Technical Specifications
| Technical Specifications | |
| Motor | |
| Drive | Belt / DC Servo-controlled Motor with optical speed control |
| Speed settings | 33/45/78 |
| Wow & Flutter | < ±0,08 % (DIN WTD) |
| Tonearm | |
| Function | All functions can be fully automatic or manual |
| Bearing | Ball-bearing |
| Effective length | 221,5 mm |
| Offset Angle | 25,6° |
| Overhang | 19 mm |
| Type | statically balanced with counterweight |
| Stylus Pressure Range | 0 to 4 g |
| Cartridge Weight Range | 5 g to 9 g |
| Factory installed Pick-up | Ortofon 2M Red |
| Replacement Stylus | Ortofon Stylus 2M Red |
| Platter | |
| Material | Aluminium Die-cast |
| Mat | Rubber 2,5 mm |
| Bearing | Hardened Steel Spindle, Brass Bushing |
| Diameter | 305 mm |
| Weight incl. Mat | 850 g |
| Plinth | |
| Surface Finish | Folded MDF Construction with a Black Vinyl Veneer |
| Feet | Ø 62 mm / Elastomer Damping Element |
| Connection | RCA socket |
| Connection to Phono Input | YES |
| Connection to Line Input | YES |
| Digital Output | X |
| Dimension (closed dust cover) | 435 x 367 x 145 mm |
| Dimension (open dust cover) | D: 415 mm / H: 400 mm |
| Weight | 6,2 kg |
| Power Supply | The efficiency readings were taken with an input Voltage |
| of 230 V AC at 50 Hz | |
| Type | HK-CW-120A200-CP |
| Input Voltage | 100 (-10 %) V AC to 240 (+10 %) V AC |
| Frequency | 50 / 60 Hz |
| Output Voltage | 12 V DC |
| Output Current | 2,0 A |
| Output Watt | 24 W |
| Average Efficiency During Operation | ≥ 86.2% @average of 25/50/75/100% loads 115&230VAC input |
| Power Consumption at Idle | < 0,1 W |
Preface
This instruction manual will help you to operate the turntable in a safe way. Please read this manual and the safety notices carefully before using the unit and keep them for later use. Be sure to make them accessible to other users and observe all information given here.
Intended users of this operating manual
This operating manual is intended for everyone who:
- sets up,
- operates,
- cleans
- or disposes of the record player.
Warnings
The warning signs in this operating manual are structured as seen below:
The word „DANGER“ is pointing out an immediate life hazard!
The word „WARNING“ is pointing out a potential life-threatening situation or irreversible injuries!
The word „CAREFUL“ is pointing out the possible threat of medium or light injuries!
The word „ATTENTION“ is pointing out potential damages to the product.
Note:
„NOTE“ provides useful or important information.
Directives and standards
This product conforms to:
- the Low-voltage Directive (2014/35/EU),
- the EMC Directive (2014/30/EU),
- RoHS Directive 2011/65/EU,
- ERP 2009/125/EC and
- CE Marking Directive.
Disposal of packaging
„Danger“ through suffocation!
Keep the packaging and its parts out of the reach of children. Risk of suffocation from foil and other packaging materials. Your new unit was protected on its way to you by the packaging. All materials used are environmentally safe and can be recycled. Please help and dispose of the packaging in an environmentally responsible manner. To learn about current disposal methods, contact your dealer or your local disposal facility.
Disposal of turntable
Old units are not simply waste. Valuable raw materials can be salvaged through environmentally friendly disposal. For information about the correct and environmentally friendly disposal of your unit, please contact your local council. This unit is labelled according to 2002/96/EC, the Waste Electrical and Electronic Equipment Directive (WEEE). This product must not be disposed of with normal household waste. Instead, it must be deposited at a recycling station for electrical and electronic devices. The symbol on the product and the instructions for use or the packaging indicate this. The materials can be recycled in accordance with their marking. By re-using, recycling, or repurposing old units, you make an important contribution to protecting our environment.
Safety instructions
Please read through all of the safety instructions carefully and keep them for questions that may arise later. Always observe all warnings and instructions in this operating manual and on the rear of the unit.
![]()
Safety instructions for using the power supply
- The unit should only be connected to a mains voltage supply of 100- 240 V~, 50/60 Hz.
- Never try to operate the unit with a different voltage.
- Only use the supplied power supply or an original Dual alternative.
- The mains plug should only be connected after installation has been completed according to the instructions.
- Use a suitable, easily accessible mains connection and avoid using multiple sockets!
- This socket should be as close to the unit as possible.
- Make sure the power cable or plug is always easily accessible so that the unit can be disconnected quickly from the power supply!
- Lay the mains cable in such a way that no one can trip over it and do not place any heavy objects on the mains cable.
- Fully insert the mains plug into the socket.
- Do not touch the mains plug with wet hands—risk of electric shock!
- If the mains plug of the unit is defective or if the unit shows other damage, it must not be operated.
- When unplugging the mains cable from the socket pull on the mains plug, not on the cable.
- Disconnect the mains plug from the socket if you do not intend to use the unit for a prolonged period. Only pull on the plug itself.
- In the event of malfunctions or smoke and odour coming from the housing disconnect the mains plug from the socket immediately!
- Before a thunderstorm sets in, disconnect the mains plug from the socket.
Safety instructions for the turntable placement
- In order to avoid the risk of fire and electric shock, do not expose the unit to rain or moisture.
- Prevent the unit from coming into contact with water or moisture.
- The appliance should not be sited in rooms with high levels of humidity, e.g. kitchens, bathrooms or saunas, or in the vicinity of swimming pools indoors or outdoors, as splashing or the formation of condensation on the appliance may damage it.
- Do not place any containers which contain a liquid on the unit, such as a flower vase. These could fall over and the spilled liquid could lead to severe damage to the unit or the risk of electric shock or fire.
- No open flames, such as burning candles, are permitted to sit on the unit.
- Foreign material, e.g. needles, coins, etc., should not be allowed to enter the unit.
- If any foreign material or liquid enters the unit, disconnect the plug from the socket immediately. Get the unit checked by a specialist before starting to use it again. Failure to do this will leave you at risk of receiving an electric shock!
Safety instructions for repairs and servicing
- Never attempt to repair a defective unit yourself. Always contact one of our authorised customer service representatives.
- Always leave maintenance to a qualified technician. Failure to do this will put you and others in danger.
- Never open the unit under any circumstances – this should only be undertaken by a specialist.
- Do not open the housing. Doing so will put you at risk of receiving an electric shock!
- Making modifications to the appliance is prohibited.
- Do not continue to use the appliance and/or accessories if they are damaged.
- Use only appropriate cleaning agents (antistatic) to clean the unit and the records. These are available from your specialist retailer.
CAUTION ![]()
DO NOT OPEN
RISK OF ELECTRIC SHOCK
Safety instruction for operating the turntable
- Do not listen to music or radio broadcasts at very high volumes. Doing so can cause lasting damage to your hearing.
- This appliance should only be operated by a competent owner or persons under direct supervision of the owner or who are deemed by the owner to be competent to do so.
Intended use and application
The appliance is intended for playing vinyl records. The appliance is designed for use in a private home and is not suitable for commercial use. Use of any other kind is classed as other than intended and may result in damage to property or even personal injury. The manufacturer accepts no liability whatsoever for loss or damage arising from use of the appliance in a manner other than that intended. Before using the appliance for the first time, please read through the safety and installation instructions carefully. Only by doing so will you be able to use all functions safely and reliably. Keep the installation instructions in a safe place and pass them on to any subsequent owner.
List of contents / Packing instructions
Unpacking
- First, remove the appliance and all associated parts from the packaging.
- Remove all adhesive tapes.
- Ensure that all listed components are present:
Note:
- The small components are in the side compartments of the polystyrene packaging sections!
- Do not throw the stylus guard for the needle away!
- Retain the packaging for any possible future transportation!
List of contents
- Record player,
- 2 hinges for the dust cover,
- Dust cover,
- Headshell with phono cartridge,
- Platter including belt,
- Platter mat,
- Counterweight,
- Spindle adaptor (for 7” EPs),
- Power supply for connecting to the main supply,
- Coaxial stereo audio cable.
Note:
If any of these elements are missing, please contact the supplier.
Repacking
- Repack all component parts in the corresponding, original packaging.
- The counterweight must be dismantled and stowed in one of the polystyrene sections (fixed securely with sticky tape)
- Remove the turntable. (Never transport the record player with the platter in position)
- Secure the stylus with the protective cover for the needle and remove headshell.
- Attach the tonearm securely to the tonearm rest.
- Ensure that none of the small parts or associated packaging can move inside the cardboard box.
Note:
For further information, please go to www.dual.de
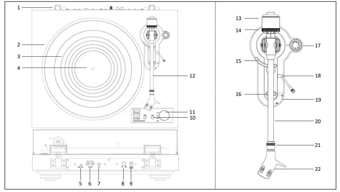
Product overview

| Nr | Description | |
| 1 | Dust cover hinges (2×) | |
| 2 | Platter | |
| 3 | Platter mat | |
| 4 | Platter bearing | |
| 5 | PHONO / LINE Switch | Phono-preamp on-/off |
| 6 | RCA-Audio-Output R / L | red – right channel, white – left channel |
| 7 | GND: Ground connection | |
| 8 | Power switch | ON / OFF |
| 9 | DC IN: 12 V-Input for Power supply | |
| 10 | Start / Stop buttons | |
| 11 | Speed selector | 33, 45, 78 |
| 12 | Tonearm | |
| 13 | Counterweight | |
| 14 | Tracking force dial | |
| 15 | Tonearm lift | |
| 16 | Tonearm rest with safety fasterner | |
| 17 | Anti-Skating-Adjustment | |
| 18 | Tonearm lift lever | |
| 19 | Lever record size | 17, 30 |
| 20 | Tonearm | |
| 21 | Union nut | |
| 22 | Headshell | |
Set Up
Platter and belt installation
The record player is delivered with the drive belt already fitted around the turntable flange.
The belt is provided with a red tape so that it can be pulled over the drive motor pulley. (pic. 1)
- Place the turntable on the turntable spindle. Rotate the turntable until the cut-out is positioned over the motor pulley (at about the 8 o’clock position).
- Using the red tape, pull the drive belt over the motor drive pulley and position it in the centre of the pulley. Then remove the red tape.
- Now place the turntable mat on the turntable.

Tonearm
The tonearm is secured at the tonearm rest with a coated wire and the safety clip.
Remove and discard the coated wire and open the safety clip to play the record.

Fitting the headshell
Fit the removable headshell onto the tonearm as described below: (pic. 2)
- Place the headshell (1) into the socket (2) at the end of the tonearm (3).
- Hold the headshell, while turning the socket (2) in the direction of the arrow.

Balancing the tonearm
Damage to the stylus
Ensure that the stylus does not come in contact with the platter mat, or any other part of the turntable.
- Place the turntable on an even horizontal surface.
- Remove the stylus guard (page 20).
- Lower the tonearm lift via the tonearm lift lever.
- Position the tonearm in between the platter and the tonearm rest. (not resting on the stylus)
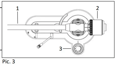
- Turn the anti-skating dial (3) to „0” (pic. 3).
- Turn the counterweight (2) backwards or forwards until the tonearm reaches a horizontal balance.
- Place the balanced tonearm back onto the tonearm rest and secure it with the clip.
- (Pic 4) Hold the counterweight (1) in position while turning the tracking force dial (2) to „0“ (12 o’clock position).
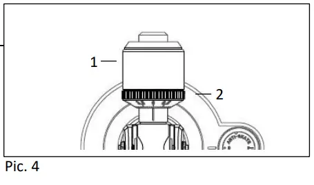
Tracking force
The tracking force needs to be adjusted according to the installed pick-up. (pic. 4)
- Adjust the entire counterweight (1) including the scale to the required weight (2).
- The tracking force weight can be read from the scale.
Note:
The recommended force / weight for the supplied pick up is between 1,6 g and 2,0 g.
If in doubt, please consult the pick-up manufacturer for recommended values.

Anti-Skating-adjustment
The skating force pulls the tonearm towards the centre of the platter. This increases the pressure on the inside wall of the groove. The ANTI-Skating force compensates this movement and ensures the ideal tracking of the stereo information on the vinyl.
- Set the Anti-skating dial (1) to the same value setting as the tracking force. (pic. 5)

Dust cover fitting
- Slot both hinges (2) into the housings (3) in the back of the turntable.
- Uniformly push the right and left dust cover (1) receptacles onto the hinges

Connection to Amplifier
The turntable comes with a built-in phono pre-amplifier. It can be either connected to the phono input or the line input at the amplifier.
The built-in phono stage can switched on or off via a switch in the back of the turntable.
Phono-Input
- Connect the RCA cable to the Audio output „AUDIO OUT” (2) at the turntable and the PHONO input sockets at the amplifier.
- Move the switch (1) into the position: PHONO.
- Connect the ground connection GND (3) with the amplifier to avoid noise.
Note:
Ensure the correct connection of the cable.
(red = right channel, white = left channel)

Line-Input
- Connect the RCA cable to the Audio output „AUDIO OUT” (2) at the turntable and the LINE / AUX input sockets at the amplifier.
- Move the switch (1) into the position: LINE.
- Connect the ground connection GND (3) with the amplifier to avoid noise.
Note:
Ensure the correct connection of the cable.
(red = right channel, white = left channel)

Connection to Power Supply
Different adapter plugs (1) are included with the product. Find the specific adapter relevant to your country and socket system. Fit it to the power supply (2).
- Fit the socket adapter into the power supply and twist in the direction of the arrow (A).
- Check that the adapter is locked correctly (B).
- Plug the power supply into a power socket (C).
Note:
Only use a factory supplied or approved power supply.

Damage to the turntable!
Incorrect voltages can damage the product. Ensure that the mains voltage is within the stated specification.

Operating the turntable
Removing / Attaching the stylus protection cap
Remove the stylus protection cap from the pick-up (1) prior to playing a record. (Pic.1)
- Push the stylus cap (2) on the bottom (B) as seen in the diagram. Hold in position (A) while move it up in circular motion (C).
- Replace the cap after playing the record.

To play the record (manually)
- Push the power button (8). The LEDs for
and “33” will turn on. - Place a record on the turntable; use the spindle adaptor to play singles.
- Turn the speed selector (11) to the required setting: 33, 45 or 78. The selected speed will be indicated via the LED.
- Release the safety fastener on the tonearm rest and raise the tonearm with the lift lever.
- Carefully move the tonearm away from the tonearm rest and position it above the first groove on the record. The motor is turned on.
- Lower the tonearm with the lift lever.
- The tonearm will return to the tonearm rest automatically at the end of the record and the motor will switch off.
- Secure the tonearm with the safety fastener on the tonearm rest.
Note:
The tonearm can be raised at any point, even for short periods. The platter will continue to turn.
To play the record (automatically) Pic.2
- Push the power button (8). The LEDs for
and “33” will turn on. - Place a record on the turntable, use the spindle adaptor to play singles and select the record size (19).
- Turn the speed selector (11) to the required setting: 33, 45 or 78. The selected speed will be indicated via the LED.
- Release the safety fastener on the tonearm rest and press the start button (1).
- The platter will start turning and the arm will move towards the first groove and will be lowered onto the record. The
LED will flash during the operation. - The operation can be stopped at any time with the STOP button (2). The tonearm will return to the tonearm rest automatically. The
LED will flash. - The tonearm will return to the tonearm rest automatically at the end of the record and the motor will switch off.
- Secure the tonearm with the safety fastener on the tonearm rest.

To set the speed
The exact speed is fixed through an internal processor. There is no further adjustment.
Replacing the stylus
The stylus is naturally exposed to wear and tear by the playback process.
Therefore, we recommend regular inspections.
- Remove the stylus by pulling diagonally downwards. (Pic. 3)
- Insert the stylus by doing the performing the reverse action.
Note:
Worn or damaged (splintered) styluses ruin records.
When you need to replace a stylus, use the original type if possible.

Cleaning & Troubleshooting
Cleaning stylus and record
Clean the stylus and record prior to every record played. That minimises premature wear and tear.
Damage to components!
- Carefully wipe the stylus brush in a front to back motion under the stylus.
- To clean a record, use a carbon fibre brush to wipe gently and diagonally over the record.
Note:
Brushes and accessories are available in the Dual shop: www.dual.eu
Cleaning the record player
![]()
Danger – Electric shock!
To avoid the danger of an electric shock, you must not clean the unit with a wet cloth or under running water.
Pull the power plug prior to any cleaning.
Damage to components!
Do not use any scrubbing sponges, cleaning powder or solvents such as alcohol and petrol. To clean the appliance and the records, only use cleaning agents that are specifically designed for the purpose (antistatic).
Troubleshooting
If the unit does not function as intended, perform checks using the following tables.
If the malfunction cannot be fixed even after these checks, please contact the manufacturer.
| Symptom – Possible causes | Solutions |
| The tone arm skips grooves, slides over the record or does not move. | • The record player is not sitting horizontally. Place the record player on a horizontal base support. • The record is dirty or scratched. Clean the record with a record cleaner or change the record. • The stylus pressure of the tone arm may be too low. Adjust the stylus pressure and check the anti-skating setting. |
| Poor sound quality, loud static noise, sound dropouts, etc. | • The stylus is dirty or worn. Clean the stylus with a brush. • The stylus may be defective. If necessary, change the stylus. • The record is dirty or dusty. Clean the record with a record cleaner. |
| The sound is too quiet or loud and distorted. | • The record player is not connected to the correct amplifier input. • The internal phono pre-amp is set to the wrong setting. Change the switch setting in the back of the turntable. • Consult the manual setting: Set up – Connection to amplifier |
Spare parts & Accessories
Spare parts and accessories are available from Dual: www.dual.eu

Hersteller
DUAL GmbH · Graf-Zeppelin-Str. 7 · D-86899 Landsberg
www.dual.eu · E-Mail: [email protected]


















