COREMORROW S51.ZT1S/K-C1 Piezo Z/Tip/Tilt Platform

This document describes the following products

- S51.ZT1S-C1
- S51.ZT1K-C1
DECLARATION
This user manual is applicable to S51.ZT1S/K-C1 Piezo Z/Tip/Tilt Platform, for your smooth and correct use of this product, please read this manual carefully before using it. Please follow the instructions in the installation and use process. Improper operation may cause injury to the operator and/or damage to the product, so it is required that the entire installation and operation process should be completed by professionals with a certain foundation and a certain understanding of product principles or under the guidance of a professional. If you disassemble or transform the product without permission, our company will not be responsible for any consequences arising therefrom. To change the product model and other false sales of our company’s products are illegal, users should be vigilant. Once found, you should actively report or contact our company, jointly crack down on illegal acts, and prevent fraud and economic losses. CoreMorrow will investigate for the legal responsibility of the illegal subject and related party. With the continuous development and innovation of technology, CoreMorrow will timely add the latest information to the manual as required. If you need it, please contact us, or to our website www.coremorrow.com for a download, we apologize for any inconvenience caused to you.
Introduction
Purpose and content
- The manual is mainly for smooth and correct use of S51.ZT1S/K-C1.
- The manual contains all the necessary information for S51.ZT1S/K-C1.
- Introduction of the precautions during installation and use.
Symbol and meaning
DANGER: Improper handling may could cause injury to the operator.
Attention: Improper handling can cause damage to the equipment.
- No order between items.
- Please operating in order.
Users of This Manual
The default user of this manual has knowledge of piezoelectric products and controllers, and has a certain basis for their installation and use.
Manual Lost and Reissued
If this manual is lost, please contact CoreMorrow. We will send you the latest version of the user manual.
Safety Guide
S51.ZT1S/K-C1 piezo Z/Tip/Tilt platform is designed with the most advanced technology and safety standards for your own safety and the correct use of the product, please observe the following points when in use
A change in temperature and pressure will charge the piezoelectric actuator, and the actuator will remain energized for a period of time when it is disconnected from the controller, So the operator should pay attention to when in use:
- Do not disassemble S51.ZT1S/K-C1.
- Discharge S51.ZT1S/K-C1 before installation, which can be done by connecting to the controller.
- Do not unplug the wire connecting with controller during operation.
- Before use, check whether the connection wire of the product is in good condition and whether the product and the controller are effectively grounded. During operation, strictly standardize the operation. Do not touch the product (up to 150V voltage) with your hand when power on, in case of danger.
In order to prevent damage to the product caused by improper operation, the following points should be paid attention to when in use. S51.ZT1S/K-C1 is used in a dust-free, oil-free, and lubricant-free environment.
- As the product is designed with a flexible structure, it is recommended that the load should not exceed load capacity of product. When loading. DO NOT apply torque force and DO NOT pry or twist the load surface, so as not to damage the structure.
- The recommended voltage range is 0~120V for long-term use and lifetime.
- Do not disassemble the product to avoid damage.
- Avoid stretching and bending the cable interface to prevent damage to the cable.
- Use the dedicated cable provided by CoreMorrow to connect S51.ZT1S/K-C1 to controller.
- Do not connect via an extension cable casually, if you need a longer cable, please contact CoreMorrow.
Product Overview
Product Introduction
S51.ZT1S/K-C1 piezo Z/Tip/Tilt platform has the following advantages:
High-performance piezo stack
S51.ZT1S/K-C1 is driven by a highly reliable ceramic actuator with a fully insulated structure, so its performance and service life are far better than the traditional actuator. The insulating layer can effectively prevent the piezoelectric ceramic from being damaged when exposed to moisture. Therefore, the stability of piezoelectric ceramics can be guaranteed under extreme circumstances. Compared with traditional driving mechanism, there are no transmission parts and friction. Therefore, ceramic actuator has the characteristics of no rebound, no maintenance, and no wear, etc.
Flexible hinge structure
S51.ZT1S/K-C1 adopts flexible hinge mechanism has advantages of no friction, high positioning accuracy. Flexible hinge is an element not affected by static and dynamic friction, based on the elastic deformation of metal material (e.g., steel) , there is no rolling and sliding parts. Flexible unit has very high load capacity and stiffness. Hinge guide needs no maintenance and no wear and tear. Suitable for a wide range of temperatures, no lubricating oil is required.
Strain Sensor
Strain sensor detects the position information by its own expansion. They are fixed in the proper position of the transmission part and measure the displacement of the moving part. This type of position measurement is made by contact and indirect measurement. So the displacement of the moving platform is measured by measuring lever, guide hinge, or piezoelectric ceramic stack. S51.ZT1S/K-C1 is mainly used in biotechnology, interferometry, quality detection, optical detection, nanometer positioning, microscopy and imaging, image processing and other fields.3.1 Product Introduction.
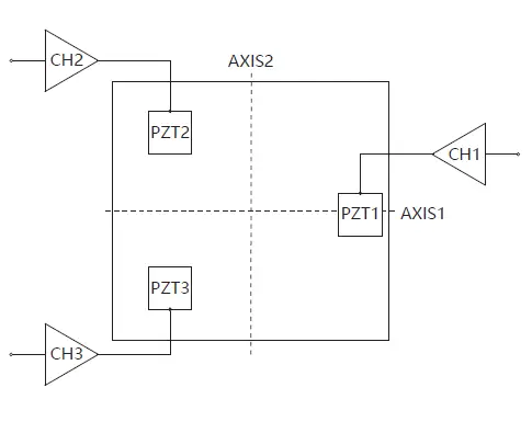
Control Principle

Assume that the max. control voltage is A, The control mode is as follows:
AXIS1(θx)
- CH1=A/2
- CH2+CH3=A
AXIS2(θy)
- CH2=CH3
- CH2+CH1=A
Z
- CH1=CH2=CH3
Motion direction

Product Features
- Motion in θx, θy and Z
- Closed-loop version for high accuracy
- Fast response
- Aperture of 80×80mm
- Optional vacuum version
Operating environment
- A clean, dustfree and non-corrosive environment
- Operating temperature: -20~80℃
- Relative humidity: <60%
- Recommended voltage range is 0~120V for long-term use and lifetime
Installation and operation
Safety check should be carried out before installation, such as whether the connection wire is damaged or broken, whether the drive power supply is grounded, etc.
Installation and Precautions

- Ensure that the installation plane is relatively flat;
- Mount M6 on the mounting surface directly and tighten it;
- Mounting the load and tighten it properly to ensure the positioning accuracy.
Load

When mounting the load, ensure that the load quality is less than the maximum load capacity of S51.ZT1S/K-C1, and try to mount the load in the center of the moving surface. The correct position to mount the load is shown below.
For the protection of the product, we do not recommend that the load is too high. If a high load must be used, please appropriately low the position of the center of gravity of the load. The wrong mounting way is shown in the figure below:

It is forbidden to mount the load on one side of the moving platform, which will cause serious damage to the product, as shown in the figure below.

Excessive length of screws selected in the fastening and connecting process will lead to failure in installation or leakage of bolts, which will expose the product and scratch the product, affecting the motion accuracy of the product. Short bolts will lead to insufficient compactness of the connection and easy looseness, which will damage the internal structure of the product during operation.
- Please do not connect in this way as shown below:

- Please do not connect in this way as shown below:

Notice
- When mounting the load, tighten the load slowly. The torque should not be too large to prevent damage to the mechanism.
- Avoid stretching and bending cables.
- Use the dedicated cable provided by CoreMorrow to connect S51.ZT1S/K-C1 and the controller.
- Do not connect via an extension cable casually, if you need a longer cable, please contact CoreMorrow.
Operating
Please reconfirm the following information before turning on the power:
- S51.ZT1S/K-C1 has been grounded.
- The operating environment meets the operating environment requirements of it.
- Fixed screws must be tightened.
After the above information is confirmed, relevant controller operations can be carried out:
- Please read the user manual of the controller carefully before operation, and then start the controller.
- Set the controller’ output voltage to zero first.
- Check no abnormal phenomenon, then input voltage value (via keyboard or analog control) according to specified input voltage range.
- Operating normally within the rated voltage range of piezoelectric ceramics (0~120V, maximum 150V).
- After use, please carry out voltage reset operation.
Please take light steps when S51.ZT1S/K-C1 in operation, do not knock the product, so as not to affect the use of the product or even damage the product. In order to achieve better motion precision of S51.ZT1S/K-C1, it is recommended to use our company’s supporting controller. Please refer to the user manual of the controller for the specific operation to ensure correct operation before relevant operation.
Notice
- Do not remove the ground protection during operation. If it needs to be temporarily removed, please reconnect the ground protection before restart.
- The driving voltage shall not exceed the voltage range of S51.ZT1S/K-C1.
- If any abnormal noise or oscillation occurs during use, turn off the power immediately and check the parameter setting.
Transportation and inspection
Transportation
This product is packed in cartons. Transportation is carried out under the packaging conditions. This product can be transported by various means of transport under normal circumstances. In the process of transportation, direct rain and snow, corrosive substances, strong collision, extrusion, irregular placement and other improper behaviors should be avoided as far as possible.
Open-Box Inspection
Inspection content
- Before opening the package, please check the outer packing carefully to see if there is any breakage, wetting, dampness, deformation, etc.
- Please check the completeness of package contents one by one according to the supply contract and packing list.
- Check whether the surface of the product has obvious damage.
- Check whether the product identification is clear and complete.
- Check whether the connector is loose and the connector wire is broken or damaged.
- In case of any of the above, please make a detailed record and take a photo of it. Meanwhile, please contact us for processing immediately.
Attention
- Please handle with care when opening the package, so as not to knock against the product and cause permanent damage to it.
- Please do not use heavy tools or rough way to open.
- Please do not discard all the packaging materials which are needed for repair and return.
Maintenance and Treatment
Problem Handling
FAQ are shown in the table below.
| Problem description | Possible reason | Solution |
|
No displacement or less displacement | The connection wire is not connected properly or poor contact | Check the connection wire |
| Excessive load | Load according to the product’s load capacity | |
| Sensor zero drift | Check the sensor | |
| Low accuracy | Mountingsurface unevenness | Mount the platform on a flat surface |
| Loose connection | Fasten connection | |
| Vibration or inaccurate positioning at startup | Incorrect input control parameters | Stop immediately and check the parameter Settings |
| Resonance occurs | Make drive frequency less than resonance frequency |
If the user cannot solve the problem by himself in the process of using, please record the problem in detail and contact CoreMorrow, and professional technical personnel will help to solve. Problems caused by improper operation are not covered by the warranty. CoreMorrow is not responsible for any problems caused by dismantling products without permission.
Daily maintenance
If the product is not used for a long time, please store it in a dust-free, well-ventilated, clean and non-corrosive indoor environment after packaging. In the daily maintenance, please do not loosen the bolts on the product structure, so as not to affect the movement accuracy of the product.
Daily cleaning
- Please disconnect the product from the controller before cleaning the surface of the product.
- When cleaning, gently wipe the surface of the product with a towel dipped in a small amount of detergent, and then clean it with alcohol. Please do not use ultrasonic cleaner.
- When cleaning the surface, try not to pick up the product. If you have to pick up the product, it is better to put the sponge under the product for protection. The product should not be too high from the sponge, in case the product falls off.
Disposal
Waste products should be disposed according to national and local rules and regulations. In order to fulfill our responsibility as a product manufacturer, we will dispose all old equipments on the market in an environmentally friendly manner. If you have equipment that cannot be disposed, you can ship it to CoreMorrow.
Address: 1F, Building I2, No.191 Xuefu Road, Nangang District, Harbin, Heilongjiang
Tel: +86-451-86268790
Driving and Sensor Cables
Driving cable and sensor cable are made of polyimide line, which can be used in vacuum. The connector interface uses 12-pin connector, the model is TGG.2B.312.CLAD62Z, and the wiring definition is shown in the following figure:

| No. | Pin definition |
| 1 | -input CH1 |
| 2 | Sensor GND |
| 3 | Sensor+10V |
| 4 | Drive HV_GND |
| 5 | Drive CH3 |
| 6 | Drive CH2 |
| 7 | Drive CH1 |
| 8 | +input CH1 |
| 9 | -input CH2 |
| 10 | -input CH3 |
| 11 | +input CH3 |
| 12 | +input CH2 |
Customer Service
If you have questions about the products you are currently using, please let us know the following information:
- Product model and relevant number
- The controller model
- Software driver version
- Computer operating system that installs supporting software
Contact us
Harbin Core Tomorrow Science & Technology Co., Ltd.
- Tel: +86-451-86268790
- Email: [email protected]
- Website: www.coremorrow.com
- Address: Building I2, No.191 Xuefu Road, Nangang District, Harbin, HLJ, China
CoreMorrow Official and CTO WeChat are below:























