CAMPLUX Electric Tankless
Owner’s Manual

11 KW 18KW 27KW Electric Tankless Water Heater Use & Care Manual
3330-A Marathon Ct Charleston, SC 29418
(844) 538-7475
[email protected]
Visit Us: Camplux.com
Warnings! Please read and follow the installation and operation instructions carefully, to ensure the long life and reliable operation of this appliance.
WARNINGS
- This is not a do-it-yourself project. Failure to have this appliance installed by a licensed plumber and electrician will void all warranties.
- Under no circumstances should you attempt to install, repair or disassemble the tankless electric water heater without first shutting off all power to the unit directly at the circuit breaker box.
- Installation of this product is restricted to indoor locations only by licensed plumbing or electrical contractors.
IMPORTANT SAFETY INSTRUCTIONS
- The installation must be In compliance with the National Electrical Code, your local electrical and plumbing codes.
- This appliance must be EARTHED/GROUNDED.
- All wiring and installation must be supervised by a qualified electrician.
- CAUTION: This product has more than one power-supply connection point. Disconnect all power supplies before attempting to install, repair or disassemble the unit.
- This appliance is not intended for use by persons (include children) with reduced physical. sensory or mental capabilities, or lack of experience and knowledge, unless they have been given supervision or instruction conceming use of the appliance by a person responsible for their safety. Children should be supervised to ensure that they do not play with the appliance.
- This appliance MUST be permanently connected to the fixed circuit breaker and it must be installed vertically. DO NOT install this appliance close to flammable materials or strong magnetic fields.
- This appliance is forbidden to be switch on if you think it may be frozen, as this could result in serious damage to the unit. Wait until you are sure that it has completely thawed out before you switch it on.
- Please feel the outlet hot water temperature with hand to make sure it is suitable for showering before taking shower to avoid getting scalded.
- Before connecting pipes to the water heater hoses, it is extremely important to FLUSH the pipes to wash away all plumbing paste or residue in the pipes.
- The heating chamber is made of composite nano insulation material. It is natural if there might be a bit of smell or green blue smoke when the unit is used for the first time.
- If there is damage to the wire, you must contact qualified electrician to replace it with dedicated wire from our authorized dealers.
- CAUTION: FOR HOUSEHOLD AND INDOOR USE ONLY
- CAUTION: Risk of electric shock. CONNECT ONLY TO A CIRCUIT THAT IS PROTECTED BY A GROUND.
- Save these instruction,
FOR YOUR RECORDS
Please Note: In order to file a product warranty claim, the original proof of purchase is required. Manufacturer. Camplux, enjoy outdoor life. Add: 3330-A Marathon Ct Charleston, SC 29418

PRODUCT FEATURES
The tankless electric water heater is incorporated with patented technology with multi-safety devic-es. The unit has the following features.
- Tankless, instantaneous heating for on demand hot water. No pre-heating. No stand-by heating loss. Energy-saving.
- Micro-computer control. Adopting patented heating technology. Water is completely separated from electricity by multi-layers of composite nano insulation material.
- Over-temperature protection: when the outlet water temperature reaches over 153°F/67°C, the electricity will be cut off to avoid getting scalded and the screen will display El. The appliance will start to work automatically when the temp drops to the set temperature.
- Malfunction of sensor: when there is malfunction with the temperature sensor, the heater stops working and displays E3.
- Conversion between degree Fahrenheit and degree Celsius.
Electrical Diagram


Technical Data

Note: *suitable certified strain relief means shall be provided when the product is installed.
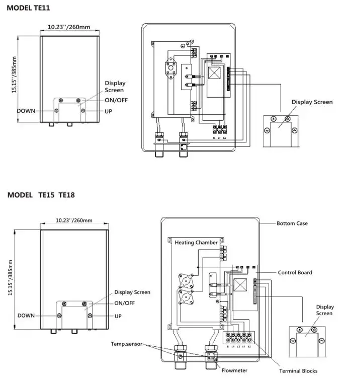
Product Inner Structure

MODEL TE21 TE24 TE27

INSTALLATION GUIDELINE
The installation must be in compliance with the National Electrical Code, your local electrical and plumbing codes.
- Make sure the appliance is intact, and the fittings are complete.
- Please make sure the main power supply, water pressure, grounding condition, amp meter and wire reach the standard of installation requirement.
- The appliance must be connected to properly grounded dedicated branch circuits of proper voltage rating. Ground must be brought to the ‘ground’. at the circuit breaker panel.
- This appliance MUST be permanently connected to the fixed circuit breaker. If you don’t use the heater, please switch off the circuit breaker.
- DO NOT install this appliance near flammable materials or a strong magnetic field. The unit must only be mounted in a VERTICAL position near the water fittings. When installing new unit please connect water fittings and turn water on so water flows through unit before turning POWER ON.
LOCATION AND INSTALLATION METHOD
Fixed installation on the wall Locate an appropriate place on a section of wall as mentioned above.
Fig 1: Font and Back of the appliance

Fig 2: Remove screw which fixed the bracket on the back on the appliance

Fig 3: Remove the bracket from the appliance

Fig 4: Hold the back bracket hanger in position against the wall and mark the three mounting holes. Drill three holes of 0.2376.00mm diameter, the distance between every two holes is 3.93″/100mm. (Put plastic anchor in the hole, On the bracket on the wall and secure the hanger using the screws supplied or an appropriate alternative method)

Fig 5: Undo screws on appliance to remove the front cover. Before removing the front cover, use your hands to pull out the screen row line plug carefully.

Fig 6: Fix the appliance to the bracket which was nailed to the wall. Make sure the unit bracket is secured onto the back metal hanger correctly (Picture 1).
Fig 7: Connect the cable to the terminal blocks, please notice the guidance logo below the terminal blocks. 7E11 will be connected to one circuit breaker. 7E15, TE18, will be connected to two circuit breakers. TE21, 7E24, TE27 will be connected to three circuit breakers (Picture 2).

Fig 8: Please plug in the screen row line plug, then affix the front cover on appliance and replace those screws (Picture 3-4).
Fig 9: Connect the water pipe to the water inlet and water outlet connections, please remember to install the rubber seal ring (Picture 5).

Water Connections
- All water pipe must comply with national and applicable state and local water pipe codes.
- The unit should be directly connected to the main water supply. Flush pipe with water to remove any debris or loose particles.
- It is required that 1/2″NPT water connections be used with model TE11, use 3/4″NPT water connections with the following models TE15, TE18, TE21, TE24, TE27.
- Please remember to install rubber seal rings at the connections. When all water connections are completed, check for leaks and take corrective action before proceeding.
Electrical Connections
- All electrical work must comply with national and applicable state and local electrical codes.
- All units must be connected to a properly grounded dedicated branch circuit of proper voltage rating.
- Before starting any work on the electric installation, be sure that main breaker panel switch is OFF to avoid any danger of electric shock, all mounting and plumbing must be completed before proceeding with electrical hook-up.
- TE11 can be connected to a single circuit, using a supply cable protected by a double pole breaker.
- TF15, TF18, require two independent circuits Use two supply cahles protected hy two separate double pole breakers.
- TE21, TE24, TE27, require three independent circuits. Use three supply cables protected by three separate double pole breakers.
- While connecting the cable to terminal blocks, please make sure the metal wire ends and the terminal blocks touch each other completely. Then tighten the screws to make sure there is full contact and the current can go through.
OPERATION INSTRUCTIONS
- Turn on the circuit breaker to bring electrical power to the unit.
- Open water faucet for a few minutes until water flow is continuous and all air is purged from water pipes. The unit must be operated after the breakers are turned on.
- After the unit is supplied with power, a beep sound can be heard and LED lights for 2 seconds, no other display, the appliance keeps standby.
- Press eb to turn ON/OFF the appliance. When the unit is ON, LED displays actual water temperature of the outlet. When the appliance is not operating, the screen will switch to the screen saver after 5 seconds. The display screen light will be off. Touch the screen, it will return to operating mode.
- Press # and %* to adjust the outlet water temperature. Temperature setting range is 86-125°F/30-52°C.
* If the unit has been paused, You may first get a short burst of very hot water when you turn it on again. Please let the water run for a few seconds to let the temperature settle down. Please check the water temperature with your hand before you taking a shower.
* If the unit will not be used in winter, drain out water completely so that the heater will not FREEZE.
* Please periodically clean inlet strainer and the shower to keep a free water flow. - Press & to convert the temperature display between degree Fahrenheit and degree Celsius.
- There is an automatic memory function to avoid repetitive operation, while you turn on the appliance, the default set temp will be the same as last time it was set.
Controller Operation
- Press 6 to turn ON/OFF the appliance. When the unit is ON, LED displays actual water
temperature of the outlet. When the appliance is not operating, the screen will switch to the
screen saver after 5 seconds. The display screen light will be off. Touch the screen, it will return to operating mode. - Press #™™® and * to adjust the outlet water temperature. Temperature setting range is 86-125°F/30-52°C.
Trouble-Shooting


Note: Problem No.7 and No.8 should only be performed by qualified electrician. The person who initially installed the unit is the best one to contact for help.
Normal Maintenance
Note: Do not attempt to repair this water heater by yourself. Call a service person for assistance.
Always turn off all power supply to the unit. Turn off all circuit breakers that supplying power to the appliance. Please note some units are connected with multiple circuit breakers. TURN OFF ALL WATER SUPPLY AND ALL POWER SUPPLY.
This unit does not require any regular maintenance. However, to ensure consistent water flow, it is recommended to follow the following procedures.
- Periodically remove scale and dirt that may build up at the aerator of the faucet or in the shower head.
- There is a built in filter screen at inlet connection which should be cleaned from time to time. Please turn off the water flow before doing this.


















