ENGO CONTROLS EASY230W Non-Programmable Wired Thermostat

Wired, non-programmable thermostat, battery powered (2xAAA) or 230V AC powered. It is used for wired control of heating or cooling devices and systems. It works by maintaining comfortable conditions in the room, in line with the setpoint temperature set by the user. It is connected directly to a heat source or wiring centre. For a better fit, the model is available in two colors. Safe, reliable, easy to use.
Product Compliance
This product complies with the following EU Directives: 2014/53/EU, 2011/65/EU
Technical Informations
| Power supply | 230V or 2xAAA batteries |
| Max current | 3 (1) A |
| Temperature range | 5 – 35°C |
| Display temperature accuracy | 0,1°C |
| Control algorithm | TPI or Hysteresis (±0.2°C to ±2°C) |
| Communication | Wired |
| Output control | COM / NO (voltage-free) |
| IP protection class | IP30 |
| Dimension [mm] | 80 x 80 x 22 mm |
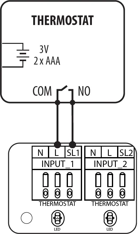
Connection description for EASY230W / EASY230B
- Connection diagram for gas boiler

- Connection diagram to pump / actuator

- Connection diagram to the control box

Connection description for EASYBATW / EASYBATB
- Connection diagram for gas boiler

- Connection diagram to pump / actuator

- Connection diagram to the control box

Legend:


- Current / set room temperature
- Temperature unit
- Heating mode icon
- Cooling mode icon
- “MINUS” button
- “PLUS” button
Proper thermostat location
For the thermostat to work properly, it must be installed in a suitable place. Preferably approx. 150 cm above floor level, away from sources of heat or cold. In addition, the thermostat should not be installed behind curtains or other obstacles or in places with high humidity, as this will prevent an accurate measurement of the temperature in the room. It is not recommended to install the thermostat on an outside wall, in a draft or in a place where it will be exposed to direct sunlight.
Lock / Unlock the thermostat’s keys
To lock the keys on the thermostat, press and hold simultaneously – and + buttons for 7 seconds. After the screen appears, release the keys. Thermostat is locked. To unlock the keys on the thermostat, press and hold simultaneously – and + buttons for 7 seconds. After the screen appears, release the keys. Thermostat is unlocked.
Installer parameters
WARNING!
After entering the service menu, use – or + buttons to choose parameter. For the parameter selection to be confirmed, wait 3 seconds. The screen will appear with the settings that you can change with – or + buttons. Wait 3 seconds for the selection to be confirmed. The thermostat will go to the home screen.

























