lxnav LX MOP2 Means of Propulsion Sensor 2

Important Notices
Information in this document is subject to change without notice. LXNAV reserves the right to change or improve their products and to make changes in the content of this material without obligation to notify any person or organisation of such changes or improvements
A Yellow triangle shows parts of the manual which should be read very carefully and are important for operating the system.
Notes with a red triangle describe procedures which are critical and may result in loss of data or any other critical situation.
A bulb icon shows when a useful hint is provided to the reader.
Limited Warranty
This LX MOP2 product is warranted to be free from defects in materials or workmanship for two years from the date of purchase. Within this period, LXNAV will, at its sole option, repair or replace any components that fail in normal use. Such repairs or replacement will be made at no charge to the customer for parts and labour, provided that the customer shall be responsible for any transportation cost. This warranty does not cover failures due to abuse, misuse, accident, or unauthorised alterations or repairs.
THE WARRANTIES AND REMEDIES CONTAINED HEREIN ARE EXCLUSIVE AND IN LIEU OF ALL OTHER WARRANTIES EXPRESSED OR IMPLIED OR STATUTORY, INCLUDING ANY LIABILITY ARISING UNDER ANY WARRANTY OF MERCHANTABILITY OR FITNESS FOR A PARTICULAR PURPOSE, STATUTORY OR OTHERWISE. THIS WARRANTY GIVES YOU SPECIFIC LEGAL RIGHTS, WHICH MAY VARY FROM STATE TO STATE.
IN NO EVENT SHALL LXNAV BE LIABLE FOR ANY INCIDENTAL, SPECIAL, INDIRECT OR CONSEQUENTIAL DAMAGES, WHETHER RESULTING FROM THE USE, MISUSE, OR INABILITY TO USE THIS PRODUCT OR FROM DEFECTS IN THE PRODUCT. Some states do not allow the exclusion of incidental or consequential damages, so the above limitations may not apply to you. LXNAV retains the exclusive right to repair or replace the unit or software, or to offer a full refund of the purchase price, at its sole discretion. SUCH REMEDY SHALL BE YOUR SOLE AND EXCLUSIVE REMEDY FOR ANY BREACH OF WARRANTY.
To obtain warranty service, contact your local LXNAV dealer or contact LXNAV directly.
Packing list
Version 1 – RS485 or CAN MOP2 (Electro or JET version)
- LXNAV Flap Encoder
Version 2 – Universal MOP2 (Electro or JET version) possible to connect either on RS485 or CAN
- LXNAV MOP2 (SKU:MOP2-UNI-JET) or (SKU:MOP2-UNI-EL)
- Detachable universal cable for Flap Encoder (SKU:UNI-CA)
Optional:
Universal CAN-485 splitter cable with which is possible to connect RS485 and CAN devices simultaneously. Only for version 2 – Universal Flap Encoder. SKU:UNI-485-CANSPLITTER - MOP2 BOX with attached Hall current sensor
- Installation manual

Technical data
| Property | Value | Note |
| MOP2 Current consumption | 70mA | At 12V |
| MOP2 Input voltage range | 9-18V | |
| Hall current range | +/- 300A |
MOP2 dimensions
- MOP2 dimensions

- Hall current sensor dimensions

- Install MOP2 and Hall current sensor close to the positive lead of battery of the E-motor (refer to Figure 1 and Figure 2 for detailed dimensions)
- Unscrew the screw holding the hall current sensor frame closed and then open it
- Place the positive lead cable from the battery through the open hall current sensor (refer to Figure 3 for positive current flow), close the frame and screw it back
- If the cable going through the sensor is not fixed entirely (too small diameter) we recommend padding the section of the cable that goes through the sensor before final fixing. If the cable is not fixed, there will be errors in measurements!


Hall sensor – positive current flow direction
Functional test
Functional test can be performed on the LXxxxx system by 2 procedures.
MOP2 Setup – option:
- Switch on LXxxxx device and a FCU unit
- On the LXxxxx device, go to Setup->Password menu
- Insert password 09978
Do not enter into password 09978, when engine is running. After entering into this menu, first MOP sensor is aligned to zero. If engine is running, you will have false indication of the current. - Add power on FES
- Check Current on LX9000 and FCU unit (it should be equal).

ENGINE NOISE LEVEL option:
On the LXxxxx go to SETUP->HARDWARE->ENGINE.
- Add power on FES
- Check MOP level percentage bar (it should be equal to FCU unit; 100% = 100 Amp current).

Analysing MOP2 record
Mop record is stored in IGC file as additional column, called MOP. Mop values are normally moving between 0 and 999.
Connecting MOP2 to communication BUS
LXNAV MOP2 is connected to main unit through RS485 or CAN bus depends on version and/or communication used.
If the MOP is version 1 and RS485 compatible then it should be connected to RS485 bus. Similarly to RS485 is CAN, that goes to the CAN bus.
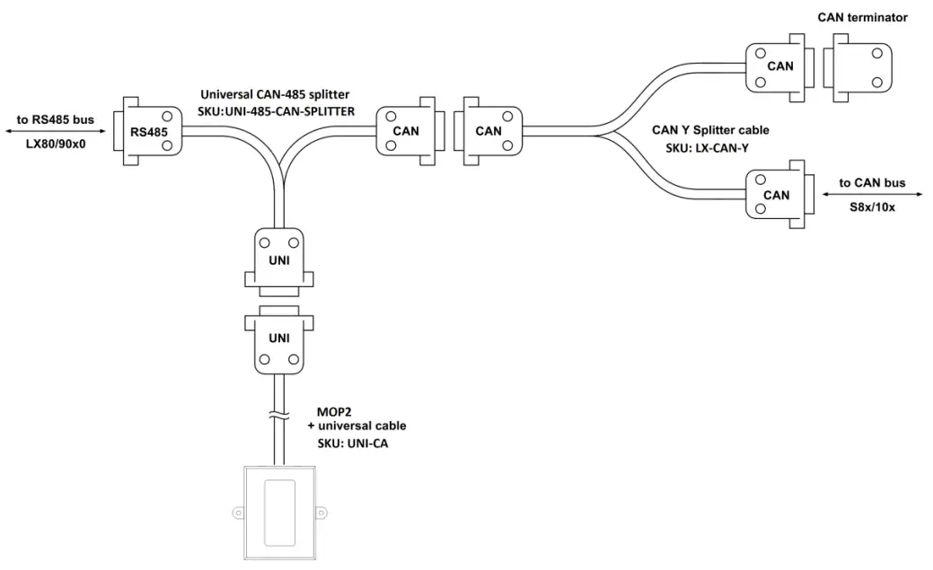
If the MOP2 is universal (version 2) then it can be connected either to RS485 or CAN with the same connector. In a case, the glider has both, LX80/90×0 and S8x/10x instruments, the Flap Encoder can be connected to both of them with Universal CAN-485 splitter. Example of this connection can be seen in a figure bellow:

When RS485 CAN splitter cable is used, customer must take special care not to connect the connectors to opposite communication protocol. RS485 and CAN connectors have different pinouts and they can damage MOP”, LX80/90×0, S8x/10x or even all of the connected devices.
Cable pinout
- Version 1 (separated version, either RS485 or CAN)
Pin Function 1 RS485-A 4 RS485-B 5 ground 7 power 9 ground - RS485 connector wiring

Pin Function 2 CAN-L 3 ground 5 ground 7 CAN-H 9 power - CAN connector wiring

- Version 2 (universal version) DB9 side
Pin Function 1 RS485-A 2 CAN-L 3 ground 4 RS485B 5 ground 6 power 7 CAN-H 9 power - Universal connector (DB9) wiring



Pinout
| Pin | Color | Function |
| 1 | white | RS485-B |
| 2 | red | RS485-A |
| 3 | shield in heatshrink | ground |
| 4 | blue | Power |
| 5 | green | CAN-L |
| 6 | black | CAN-H |
Cable connector type: JST PHR-6
Drawing is not to scale
Revision history
| March 2018 | Complete revision of this manual |
| October 2022 | Updated ch.5, Added chapters 6 and 7 |
LXNAV d.o.o.
- Kidričeva 24, 3000 Celje, Slovenia
- tel +386 592 33 400
- fax +386 599 33 522
- [email protected]
- www.lxnav.com




























