AquaticLife Classic Hydroponics 200 GPD 5-Stage RO Unit User Guide

OVERVIEW
Reverse osmosis is the process of removing contaminants from tap water using special semi-permeable membranes. By applying water pressure across the membranes, contaminants are concentrated on one side of the membranes and filtered water on the other side of the membranes. This is why reverse osmosis units have a waste water line as well as a filtered line. In addition to the membranes, water is filtered prior to the membrane with a sediment cartridge to remove larger particulates, and two carbon blocks to remove chlorine and other materials.
The cartridges and membrane on your unit are designed for placement inside the canisters. It is important the cartridges be installed in the correct order to effectively filter the water.
WARNING: This unit will remove chlorine, but NOT chloramines. Test your water and/or check with your local water company to find out if you have chloramines in your water.
WARNING: Please read carefully before proceeding with installation. Your failure to follow any attached instructions and operating parameters may lead to the product’s failure.
OPERATING GUIDELINES DO NOT use with water that is microbiologically
unsafe or of unknown quality without adequate disinfection before or after the unit.
The maximum incoming water pressure for the unit is 80 PSI. If the pressure is more than 80 PSI, a pressure regulator is required. If the water pressure is less than 40 PSI, a booster pump is needed.
Water hardness should not exceed 10 grains per gallon or 170 parts per million. Operating above this may shorten the membrane life. Reverse osmosis filtered water should not be run through a copper tube.
RO water can leach copper from the pipe, eventually leading to holes in the pipe.
DO NOT operate the unit unattended.
Classic Hydroponics 200 G
Model# 540474 Installation, Operation & Maintenance Guide
Contents

RO Unit Housing with Mounting Bracket


Contents




RECOMMENDED TOOLS FOR INSTALLATION
Phillips Screwdriver • Pliers • Drill • 7/8″ Drill Bit
BECOMING FAMILIAR WITH YOUR RO SYSTEM
STAGE 1 – SEDIMENT FILTER
Recommended change 3-6 months
The first stage of your RO unit is a five-micron sediment filter that traps sediment and other particulate matter like dirt, silt and rust which affect the taste and appearance of your water.
STAGES 2 & 3 – CARBON BLOCK FILTER
Recommended change 3-6 months
The second and third stages of your RO unit are carbon block filters. The activated carbon in the filter reduces chlorine and conditions the water prior to the RO Membrane.
STAGE 4 & 5 – RO MEMBRANES
Recommended change 12-24 months
The RO Membranes reduce impurities known as Total Dissolved Solids (TDS) from the water down to 1/10,000 of a micron, reducing arsenic, lead, parasitic cysts, copper and more.
Because the process of filtering the high-quality water takes time, it is common to use a storage tank to collect filtered water, making it available on demand.
WARNING: This unit will remove chlorine, but NOT chloramines. Test your water and/ or check with your local water company to find out if you have chloramines in your water.
NOTE: Filter cartridges and membrane life may vary based on local water conditions and amount of use.
USING THE PRESS FITTINGS

Remove the blue clip from the press fitting.

Cut tubing evenly and not at an angle.
Push the tubing into the fitting. You will hit the first stop. The tubing is still not secured properly. Push the tubing a second time and you will feel the tubing insert completely (5/8″) into the press fitting
Pull back on the tubing to ensure it is secure.

Replace the blue clip back onto the fitting.
NOTE: To remove a piece of tubing, remove the blue clip, then press and hold down on the collet while pulling out the tubing.
NOTE: Cut the tubing with the included razor blade to prevent pinching. If the tubing is pinched, it will not seal properly. Fittings use a “double push” connection.
You will feel a two-step insert to verify the tubing is inserted completely into the connectors.
See Instructional Video
RO UNIT HOUSING & MOUNTING BRACKET
The unit housing includes one clear and two solid canisters. The clear canister allows for easy viewing of the sediment cartridge. All three canisters include O-rings that should be coated with the lubricant prior to installation. It is important to make sure the O-rings are seated properly
Tubing
Cut the tubing as needed to connect the various components. Use the razor blade to ensure a clean, even cut.
Float Valve
Like the float in a toilet tank, this Float Valve allows you to fill tanks, containers and aquariums automatically. Drill a 7/8” hole in the container to install the Float Valve.

Auto Shutoff Solenoid (ASO) and Elbow Check Valves
The pre-plumbed ASO will shut-off the incoming water supply when you turn off the filtered water line. For example, you are filling a barrel with RO water and turn off the fill valve when the barrel is full. The ASO will then stop the incoming water from flowing through the unit and existing the waste line. To ensure the unit works properly, two check valves are built into the 90 degree elbows exiting the RO membrane housing. These special elbows are identified with a gray ring.

Membrane Housing
The two membrane housings are plumbed parallel, meaning that water flows through both 100 GPD membranes at the same time to produce a total of 200 GPD under ideal water temperature
and pressure. The membranes must be inserted properly into the housings.
Flush Valve
The pre-plumbed flush valve should be used at least once a week if using the RO unit on a regular basis. This will help prolong the life of the membrane. While the unit is operating,
open the valve for 45 seconds and then close.
Pressure Gauge
The pressure gauge will measure the water PSI against the membrane. The ideal pressure for a membrane is 65 PSI. If after the unit is operating for a while, you see the pressure drop, this is an indication that the sediment
and/or carbon cartridges are plugged and should be replaced.
WATER SUPPLY INSTALLATION
Connect to a standard water faucet (often found on the exterior of houses, utility sinks, and washing machines) with the Hose Bib Adapter.
MOUNTING THE REVERSE OSMOSIS UNIT
The Aquatic Life Classic RO Unit is designed to be mounted to a secure surface. This will allow for the cartridges to easily be replaced as needed. A metal bracket with screw holes is provided.
Use screws designed for the type of surface that the RO Unit will hang on. Leave the screws extending about 1/8” from the surface and then hang the metal bracket on the screws. Tighten screws fully.
A Installation
Installed using the manual shut-off valve included with the unit.
When you turn off the filtered water, the waste water will also stop.
B Installation
Installed using the float valve included with the unit. When the container is full, the float will shut off the filtered water and the waste water will also stop.
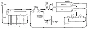
PLUMBING SCHEMATIC DIAGRAM
This plumbing diagram can be supplied to a booster pump manufacturer so they can advise on the best installation.
If your water pressure is below 40 psi or you wish to increase the efficiency of the unit, a booster pump can be added. Because some pumps include high pressure and/or low-pressure switches, the plumbing will vary. Please check with the pump manufacturer for information on how to plumb to this unit.
NOTE: This unit will not work with the Aquatic Life Smart Buddie Booster Pump
CARTRIDGE INSTALLATION
Remove the protective wrap from each cartridge and place the cartridges in the canisters. Make sure the cartridges are centered in the canisters. The carbon cartridges have rubber gaskets on the top and bottom of the cartridges. Ensure these are seated properly.
With your finger, place a small amount of the O-ring lubricant on each canister O-ring and then reinstall into the top of the canister.
Thread each canister onto the housing and hand-tighten. Use the included canister wrench to tighten 1/8 to 1/4 of a turn to finish tightening. DO NOT OVER-TIGHTEN.
PREPARE CARTRIDGES FOR USE
IMPORTANT: Flush carbon cartridges prior to use.
THE CARBON CARTRIDGES MAY CONTAIN CARBON DUST THAT MUST BE FLUSHED OUT PRIOR TO INSTALLING THE MEMBRANES.
If it is not rinsed, carbon dust can plug the membranes and shorten their life.
Prior to installing the membranes, turn on the water supply and let the water run through the unit for one minute to rinse any carbon dust out of the cartridges. The water will flow
through the unit much quicker without the membrane installed. Turn off the water supply.

INSTALL THE MEMBRANES
Remove the tubing from both membrane caps and remove the caps.

INSTALL THE MEMBRANES (cont.)
Remove the protective wraps from the membranes and install into the housings. Insert membranes completely with the black ring closest to the cap.
Reattach the caps and use the wrench to finish tightening. Reinstall tubing and clips.
PREPARE MEMBRANES FOR USE
IMPORTANT: Flush the RO membranes before using the RO unit.
All RO membranes contain a packing material to keep them sterile. IT IS IMPORTANT TO FLUSH THE MEMBRANE PRIOR TO USING THE FILTERED WATER. Turn on the water to
the RO unit and allow to run for 30 minutes. Discard all the water from the first 30 minutes of operation.
REVERSE OSMOSIS FILTER BASICS
The membrane does most of the work by removing up to 98% of the TDS from your water. The sediment and carbon filters protect the membrane from the many malicious elements that shorten its life. The sediment cartridge removes suspended particles larger than 5 microns (3 times smaller than a mold spore). The carbon block removes chlorine.
Timely replacement of the cartridges will increase the membrane’s life.
The carbon cartridge is the most important cartridge to change frequently. The carbon cartridge can filter about 3,500 gallons of water before being replaced if your chlorine level is 1 ppm (parts per million). With a
2 ppm you can filter 1,750 gallons of water before needing to change, with a 3 ppm you can filter 1,166 gallons, and so on. Any chlorine not absorbed by a spent carbon cartridge will break down your membrane, thus greatly shortening its life.
The 3,500 gallon threshold is TOTAL water that passes through the unit. The RO unit has an average rejection ratio of 1:1.5.
That means for every 1 gallon of good water produced you will reject 1.5 gallons for a total of 2.5 gallons of water passed through the unit.
When the sediment cartridge needs to be changed, the production of water will reduce. Even with reduced water production, the cartridge will not allow anything larger than one micron to pass through the chamber. On average the sediment cartridge should be changed at every other carbon change.
With proper filter changes, the membrane could last up to two years. The membrane’s water production rating is based on 77°F water at 65 PSI. Any deviation from this
will affect the water production. Reference the conversion table that follows. You will notice that the warmer the water, the better the production. It is not advised that you introduce water from your water heater to increase water temperature. The membrane cannot handle temps over 100°F..
| Temperature Correction | Pressure Correction | ||
| Temp. F/C | Correction Factor | Pressure PSI | Correction Factor |
| 50/10 | 0.58 | Less than 40 PSI requires a booster pump | |
| 60/16 | 0.73 | ||
| 70/21 | 0.87 | 40 | 0.67 |
| 77/25 | 1.00 | 50 | 0.83 |
| 80/27 | 1.06 | 65 | 1 |
| 90/32 | 1.23 | 70 | 1.17 |
| 100/38 | 1.45 | 80 | 1.33 |
UNIT MAINTENANCE
Weekly Maintenance
This unit includes a flush valve to prolong the life of the membrane. IT IS IMPORTANT TO PERIODICALLY OPEN THE FLUSH VALVE FOR
45 SECONDS PRIOR TO MAKING FILTERED WATER. This will clear debris that may have built-up on the membrane.

Recommended change 3-6 months or 3,500 gallons total or 900 gallons of filtered water
Sediment Cartridge (Item # 330088) Carbon Cartridge (Item # 330090)
12 Month Maintenance 100 GPD Membrane Cartridge (Item # 330093)
Replace Clear Canister & O-ring (Part # 9000928
NOTE: The life span of the cartridges are dependent on water supply quality and amount of use. Our recommended replacement intervals are based on average usage.
OPERATION & CONSIDERATIONS
The unit includes a pressure gauge to show the incoming water pressure. Your target pressure is 60- 65 PSI. You will produce less filtered water if your water pressure is below 60 PSI. Pressure above 60 PSI may produce more water. If the incoming water pressure is less than 40 PSI, you will need to add a booster pump.
- Operating the RO unit using softened feed water greatly reduces the chances of membrane failure.
- Clear canisters have a limited life and should be replaced on an annual basis to prevent possible failure.
- Operating pressure less than 40 PSI may require a booster pump.
- Water supply operating pressure greater than 80 PSI requires a pressure regulator.
- With initial operation, check for leaks. If a leak is observed, verify that the tubing is pushed into the push-fitting far enough to seal the tubing against the o-ring and that the canisters and caps are sealed properly with their o-rings.
- Many of the components in this unit are plastic and subject to damage by ultraviolet light.
- Never store or operate the unit in direct sunlight or other bright lights.
- Do not store or operate the unit in temperatures above 100°F.
- Do not store or operate the unit in freezing temperatures.
- Do not leave the unit unattended while connected to a water supply.
LIMITED WARRANTY
Lifetime Products LLC warrants that this Reverse Osmosis unit (excluding cartridges and membrane) shall be free from defective components and leaks or cracks due to defects in materials or workmanship for a period of one (1) year from the date of purchase. If a defect is shown, Lifetime Products LLC will, at Lifetime Product’s sole discretion, either repair or replace the product without charge. No cash refunds will be made. This warranty is provided solely to the original consumer purchaser of the product and may not be transferred or assigned. If Lifetime Products chooses to replace the equipment, Lifetime Products may replace it with reconditioned equipment. Parts used in repairing or replacing the equipment will be warranted for 90 days from the date the equipment is returned to you or the remainder of the original warranty period, whichever is longer.
This warranty does not apply to damage resulting from accident, misuse, abuse, lack of reasonable care, failure to follow safety and installation instructions.
This warranty will be void if defects occur due to failure to observe the following conditions:
The Aquatic Life RO Unit should only be connected to a potable municipal or potable well cold water supply.
Do not use with water that is of unknown quality without adequate disinfection before or after the unit.
- Incoming total dissolved solids (TDS) not to exceed 1,800 ppm.
- Incoming water to the RO cannot exceed 100°F.
- Incoming water pressure must be between 40 and 80 PSI.
- Incoming water pH must not be lower than 2 or higher than 11.
- Incoming water iron content must be less than 0.2 ppm.
- Incoming water hardness must not exceed 10 grains per gallon or 170 ppm.
- Do not use outdoors or in a location that is subjected to direct sunlight or freezing.
This warranty will not be effective unless and until the Aquatic Life product is shown to have been used in accordance with the installation and maintenance instructions accompanying the product.
THIS CONSTITUTES LIFETIME PRODUCTS ENTIRE WARRANTY AND LIFETIME PRODUCTS MAKES NO OTHER WARRANTIES, WHETHER EXPRESS OR IMPLIED, WITH RESPECT TO THE PRODUCT. LIFETIME PRODUCTS, LLC SPECIFICALLY DISCLAIMS ANY AND ALL IMPLIED WARRANTIES, INCLUDING, WITHOUT LIMITATION, WARRANTIES OF MERCHANTABILITY AND FITNESS FOR A PARTICULAR PURPOSE. IF LIFETIME PRODUCTS, LLC CANNOT LAWFULLY DISCLAIM IMPLIED WARRANTIES UNDER THIS LIMITED WARRANTY, ALL SUCH WARRANTIES, INCLUDING WARRANTIES OF MERCHANTABILITY AND FITNESS FOR A PARTICULAR PURPOSE ARE LIMITED IN DURATION TO THE DURATION OF THIS WARRANTY.
LIFETIME PRODUCTS IS NOT RESPONSIBLE FOR DIRECT, SPECIAL, INCIDENTAL OR CONSEQUENTIAL DAMAGES RESULTING FROM ANY BREACH OF WARRANTY OR CONDITION, OR UNDER ANY OTHER LEGAL THEORY. LIFETIME PRODUCTS, LLC EXPRESSLY DISCLAIMS ALL ALLEGED DAMAGES FOR LOSS OF MARINE LIFE, PERSONAL INJURY, AND/OR PROPERTY DAMAGE.
Some states and provinces do not allow the exclusion or limitation of incidental or consequential damages or exclusions or limitations on the duration of implied warranties or conditions, so the above limitations or exclusions may not apply to you. This warranty gives you specific legal rights, and you may also have other rights that vary by state or province.
Lifetime Products, LLC shall not have any obligations under this warranty unless the owner notifies Lifetime Products, LLC in writing of any alleged defect(s) within 30 days of discovery of the defect(s).
Any notice to Lifetime Products, LLC must be delivered by United States or electronic mail to the following address:
U.S. Mail: Lifetime Products, LLC, 9710 Klingerman St., S. El Monte, CA 91733 or electronic mail: customersupport@ aquaticlife.com. Lifetime Products shall be allowed a reasonable period of time to investigate any warranty claim and to perform any testing Lifetime Products deems necessary to determine the cause of the defect. This warranty shall be interpreted under the laws of the State of California.


















