
INSTALLATION CONTACTOR
Instruction Leaflet DOC:INC2020
![]()
Technical information
| Rating (A) AC-7a | 20,25,40,63 |
| Number of Poles (normally open) | 2,4 |
| Rated coil voltage | 230V/ 50Hz |
| Rated insulation voltage (Ui) | 500V |
| Voltage (Ue) 2P/4P | 250V AC /400V AC |
| Rated impulse withstand voltage (Uimp) | 2.5kV |
| Ambient temperature | -5°C to +60°C |
| Mounting | 35mm top hat din rail |
| IP RATING | IP20 EN 60529 |
| Complies with | IEC EN 61095 |
ATTENTION
9mm spacers must be fitted either side, when installing installation contactor beside protection device, to allow free air to circulate
| Part number | INC202 | INC402 | INC254 | INC634 |
| Number of poles (N/O) | 2 | 2 | 4 | 4 |
| AC-7a (A) | 20 | 40 | 25 | 63 |
| AC-7b (A) | 6.4 | 15 | 8.5 | 20 |
| Ith (thermal) (A) | 20 | 40 | 25 | 63 |
| Holding VA | 16:48 | 4.6 | 4.6 | 6.5 |
| Inrush VA | 9.2 | 34 | 34 | 53 |
| Dissipated W | 1.2 | 1.6 | 1.6 | 2.1 |
| Torque(control circuit) | 0.8Nm | 0.8Nm | 0.8Nm | 0.8Nm |
| Torque(power circuit) | 0.8Nm | 3.5Nm | 0.8Nm | 3.5Nm |
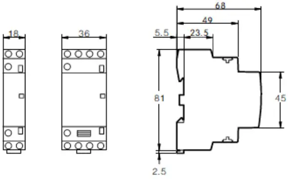
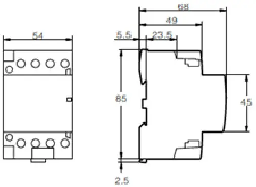
| Max. cable capacity | 4mm² | 16mm² | 4mm² | 16mm² |
| Module width | 18mm | 36mm | 36mm | 54mm |
Dimensions
INC202 / INC402 / INC254

INC634

SPACERS

1b Installation contactors must be installed by a qualified electrician in accordance with the current IET Wiring Regulations BS 7671.
1c Total load must not exceed the rating of the installation contactor or any additional limitation.
Installation
2a Installation contactor range designed to fit FuseBox consumer units and modular enclosures.
2b Clip securely on to the din rail making sure the din rail clip at the bottom is pushed in, locking the installation contactor onto the din rail. Fit 9mm plastic spacer either side to allow free air to circulate.
2c Cut, dress and connect cables as shown in the wiring diagram on the front of the installation contactor
Connections
3a Before powering up the circuit check all connections are TORQUED. Loose connections cause fires!!!!
Testing
4a On completion of the installation, it must be tested in accordance with the latest edition of the IET Wiring Regulations for Electrical Installations (BS 7671).

FuseBox
www.fusebox.co.uk

After installation and testing of this product it is essential that the INSTRUCTION LEAFLET is available for reference











