PHILIPS N2213 Automatic Cassette Recorder

OVERVIEW

DECREASING
(Fig. 1)
- To decase the set, first remove the four fixing screws in the lower part of the cabinet.
- By removing the four fixing screws A (Fig. 1), the tape deck with PC-board can be taken out.
- To tilt the PC board only, the three screws on the PC board should be removed.
N.B.: - When remounting, take care of the right position of the switch foil of SKi and SK2.
- To remove the transformer Ti, take off cover D of the transformer housing (snap connection).
- The cassette cover can be removed from above by slightly pushing in the tags.
- The head cover strip is attached to the upper half of the cabinet by means of a snap connection.
TAPE DECK
Fig. 3
Replacing the left carrier
- Remove wire spring 72 and circlip 69
- The left carrier can be replaced.
Replacing the right carrier
- Remove circlip 69
- The right carrier, combined with friction, can be replaced.
Replacing the pressure roller
- Remove circlip
- The pressure roller can be replaced.
N.B.:
Attention for pressure spring 88. It determines the pressure roller forces.
Removing the control keys
By pressing the left guide stud slightly to the outside, the key bar with keys can be taken out.
Removing the head slide 511
- Remove the pressure roller 87, the tension spring 91 and 110, and the key bar with keys 51.
- The head slide can now be moved to the start position and be put upright.
N.B.:
Attention for the roller bearings 67 under the head slide. They lie loose when the head slide has been taken out.
ADJUSTMENTS AND CHECKS
- Adjusting the mains voltage
To make the cassette recorder suitable for operation on 110-127 V, the wire, from point 5 of Ti, should be soldered to point 6 of Ti. - Adjusting the flywheel
Adjust the flywheel to minimum axial play with adjusting screw 86. - Azimuth adjustment
The azimuth adjustment of the recording/playback head is performed with the left screw. To this purpose, test cassette 812/MCT can be used, on the 8 kHz side. Adjust the azimuth of the recording/playback head to the maximum output voltage measured on points 3 and 5 of BU1.
Check on the winding function
The friction force can be measured with the friction measuring cassette 4822 395 30054 in the “Start” position. The cassette should give the following readings:
- On the winding side 30-60 g
- On the rewinding side 3-8 g
The meter indication amy vary by 10 g. The wow and flutter can be measured with a wow and flutter meter.
Checking the tape speed
- Play back the 50 Hz side of the test cassette of the Cassette Service Set (4822 395 30052). The 50 Hz on the test cassette is compared with the main frequency.
- If the tape speed is too low, first check the winding friction and the flywheel play.
- After this, the speed may be readjusted with R37.
WIRING


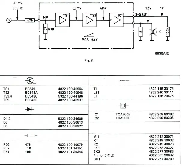
PLAYBACK-SENSITIVITY
Safety regulations require that the set be restored to its original condition and that parts that are identical with those specified, be used.
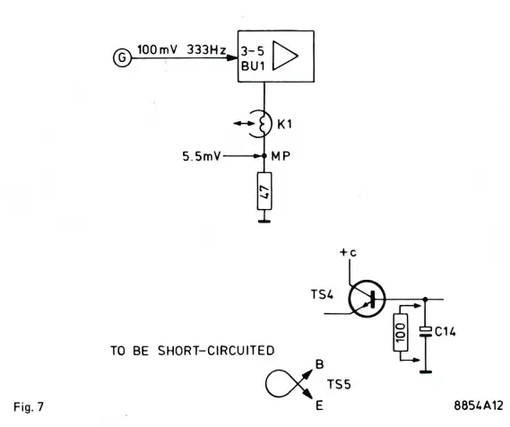
AUTOMATIC RECORDING CONTROL
- TO BE SHORT-CIRCUITED



RECORDING SENSITIVITY
PARTS


Subject to modification
4822 726 13073
Printed in The Netherlands























