
Source Capture® Aerosol Extractor
HA-SSC-G4-AE
Owner’s Manual
Healthy Air Inc.
800-259-2535
www.HealthyAir.com
HealthyAir® Model HA-SSC-G4-AE Source Capture Aerosol Extractor
with HealthyAir ® Series 1213 Filters

WARNING
Unplug the power cord before servicing or replacing filters. Failure to do so could result in serious personal injury and death.
Important Safety Instructions
Read the Owner’s Manual and Important Safety Instructions carefully. Failure to follow these instructions could cause a malfunction of the filter or unsatisfactory performance. Follow a regular service and maintenance schedule for efficient operation.
To reduce the risk of electric shock, fires, and/or injury:
- Do not use the air purifier in wet or damp locations
- Do not use outdoors
- Do not use at an ambient temperature above 95°F/35°C
- Do not use fabrics or other material to cover the inlet and outlet of the unit
- Do not allow children to operate or play with the unit
For safety reasons and to prevent electric shock, unplug the power cord from the electric outlet socket under the following conditions:
- When not in use for a long period of time
- When cleaning, servicing the machine, or during replacement of filters
- When moving the air purifier
To prevent electric shock, do not dismantle, repair or modify this product. Maintenance and cleaning instructions should be followed exactly as directed in this manual. In case of malfunction, please contact an authorized distributor or Healthy Air Inc. for service instructions.
To reduce the risk of electric shock, the equipment has a grounding-type plug that has a third (grounding) pin. This plug will only fit into a grounding-type power outlet. If the plug does not fit into the outlet, contact qualified personnel to install the proper outlet. Do not alter the plug in any way.
To reduce the risk of electric shock, do not pull the cord to remove the plug from its outlets. Protect the cord against heat, oil, and sharp objects. Do not run any appliance over the cord. Do not pull or carry by the cord, use the cord as a handle, close a door on the cord, or pull the cord around sharp edges or corners.
Technical Specifications
| Model Number | HA-SSC-G4-AE-W/B |
| Rated Voltage | 120V/60HZ |
| Power Consumption | 200W |
| Weight | 48 lbs. (22 kg) |
| Base Dimensions | 16x14x20 in (40×35×51 cm) |
| Flex Hose Length | 5 ft. (1.52 m) |
| Air Flow Rate | 200 cfm (325 m3/h) |
| Noise Level | 56 dB |
Packaging Reference
The Source Capture Air Purification System is shipped in two (2) cartons, as follows:
Carton 1: (1) Air Purification Unit w/ (3) Filters, (4) Wheel Casters, (1) Remote Control, (1) Power Cord, (1) Screwdriver, (1) Manual

Carton 2: (1) Flex Hose w/ Hood, (1) Inlet Tube, (1) Hose Clamp
Packaging Notice

Before operating the machine, do the following:
- Open the Access Door
- Remove the HEPA and Activated Carbon Filter
- Remove the plastic wrapping from the filter!
- Re-install the HEPA and Activated Carbon Filter
- Replace and secure the Access Door

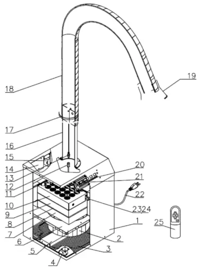
Component Reference

| 1. Outer Frame 2. Blower/Motor 3. Base Plate 4. Caster Wheels 5. Motor Mounting Plate 6. Baffle Plate 7. Activated carbon 8. Ground Screen | 9. HEPA Filter 10. grid 11. Pre-Filter 12. LED Cable Plug 13. HV PCB 14. Capacitor 15. PCB 16. Inlet Tube 17. Hose Clamp | 18. Flex Hose 19. Hood 20. Display Panel 21. Main PCB 22. Power Cord 23. Plastic Screw 24. Spring 25. Remote Control |
Assembly Instructions
6.1 Install Wheel Casters
6.1.1 Place the unit on its side on a flat surface, as shown in Fig. 1.
6.1.2 Locate the four (4) Caster Wheels and the Screwdriver that are provided in Carton 1.
6.1.3 Unscrew and remove the screws that are pre-mounted onto the Base Plate on the bottom of the unit. There are four (4) screws per wheel, for a total of sixteen (16) screws.
6.1.4 Align the holes of the Caster Wheel Mount with the holes on the Base Plate and use four (4) screws to securely mount each Caster Wheel to the Base Plate one by one.
6.1.5 After the four wheels are installed, stand the unit up and proceed to install the hose assembly.
6.2 Install Inlet Tube
6.2.1 Unscrew and remove the six (6) M5x16 screws that are premounted around the 4” Ø cutout on the top of the unit, as shown in Fig. 2.
6.2.2 Position the Inlet Tube on top of the unit, such that the tube aligns with the 4” Ø cutout and the hole pattern at the base of the Inlet Tube aligns with the hole pattern on the main unit.
6.2.3 Secure the Inlet Tube to the unit, as shown in Fig. 2, by screwing in the six (6) M5x16 screws.
6.3 Install Flex Hose
The Flex Hose is constructed of interlocking bands that enable its length and shape to be adjusted. Note that, the Flex Hose will unravel if it is lengthened or bent past its tolerance point. The diameter of the Flex Hose can be also slightly adjusted by twisting the hose.
6.3.1 Install the Flex Hose on the unit by sliding the end of the Flex
Hose over the top of the Inlet Port.
If the diameter of the Flex Hose needs to be increased, rotate the end of the hose counterclockwise.
6.3.2 Hold the end of the Flex Hose and rotate it clockwise, to reduce its diameter, to fit it to the diameter of the Inlet Port.
6.3.3 Position the Hose Clamp at the base of the Flex Hose and screw the hex nut to tighten the Hose Clamp and secure the Flex Hose on the Inlet Port.
6.4 Unwrap and Reinstall Filters
6.4.1 Open and remove the Access Door, located on the Back Panel of the unit, by unscrewing the two (2) Thumb Screws. When opening the Access Door for the first time, some force may be required to pry open and break the seal.
6.4.2 Remove the HEPA and Activated Carbon Filter from the unit.
6.4.3 Remove the plastic wrapping from the HEPA and Activated Carbon Filter.
6.4.4 Place the HEPA and Activated Carbon Filter back into the unit, Make sure that the filters are reinserted with the side with the white pull tabs facing out.
6.4.5 Replace the Access Door, ensuring that the panel is properly inserted into its track, and screw in the two (2) Thumb Screws to secure the panel.
Fig. 4 – Unwrapping HEPA and Activated Carbon Filter
Operation Guidelines
7.1 Source Capture System Positioning
Place the HealthyAir® Source Capture Aerosol Extractor in the desired location and adjust the Flex Hose to position the Hood approximately 6” from the source.
7.2 Source Capture System Activation
7.2.1 Plug the Power Cord into the Power Socket, located on the bottom of the side panel of the unit, and then plug the other end of the cord into a wall power socket. Once plugged in, the Power indicator light [
] will turn on and display a red light.
7.2.2 Activate the unit by pressing the Power button located on the Control Panel, shown in Fig. 6, or on the Remote Control.
Once the unit is powered, the motor will start with the Fan Speed set to the Mid-Speed, and the eHEPA® indicator will light up and display a green light, which indicates that the eHEPA® system is activated.
7.3 Source Capture System Controls
Each of the respective control elements shown on the Control Panel Display in Fig. 5 works as follows:
- SPEED button on the Control Panel or Remote Control adjusts the volume of airflow being taken in through the hood. Airflow speed can be adjusted to one of three settings: Low – Mid – High Speed.
- eHEPA button turns the grid on and off. When the eGrid is powered the symbol above the HEPA button, as well as the acrid Active light, will turn green. Pressing the HEPA button once more will shut off the grid and turn off the indicator light.
7.3 Source Capture System Controls
- TIMER button is for the operation of the timing clock. When this feature is in use the unit will automatically shut off after the set time expires. The system’s default timing is 4 hours of operation.
To set the timer manually, press the TIMER button once for every hour you wish to run the machine (i.e. press TIMER once for 1-hour of run time, press TIMER twice for 2-hours of run time, press TIMER three times for 3-hours of run time, and press TIMER four times for 4-hours of run time).
If the TIMER button is pressed five (5) times, such that it passes through the complete timing schedule, it will run continuously until the unit is manually turned off. - LIGHT button turns the Hood LED Light on and off. When the LED Light is on the symbol above the button turns green. Pressing the LIGHT button once more will turn off the LED Light as well as the indicator light.
- eGrid Active indicator light indicates the status of the eHEPA® and grid system. When the grid Active indicator light is green, while the HEPA button is on, the eGrid is functioning properly. If the grid Active indicator light is off, while the HEPA button is on, it signals that the grid is malfunctioning and the unit requires service.

Filter Replacement
8.1 Replacement Filters
The HealthyAir® Source Capture Aerosol Extractor Model HA-SSC-G4AE utilizes the HealthyAir® Series 1213 Replacement Filters, as follows:
- HealthyAir® Pre-Filter: Model No. HA-PF-1213
- HealthyAir® eHEPA® Filter: Model No. HA-EH-1213
- HealthyAir® Activated Carbon Filter: Model No. HA-PF-1213
Note that, only manufacturer-supplied HealthyAir® Replacement Filters are compatible with HealthyAir® Source Capture Systems. No other replacement filters are to be used with this unit. The improper use of nonmanufacturer-supplied filters will void any potential warranty claim.
8.2 Filter Replacement
The recommended filter replacement cycle is 9-12 months on average. However, the need for filter replacement naturally varies depending on the frequency and nature of use.
When the unit has been in operation for 400-hours, the Filter Change indicator light, on the Control Panel, will begin to flash. This serves as a reminder to inspect and/or replace the filter.
8.2.1 Turn the Power Off and unplug the Power Cord from the Power Socket.
8.2.2 Remove the Access Door by unscrewing the two (2) Thumb Screws.
8.2.3 Remove the Pre-Filter, eHEPA® Filter, and Activated Carbon Filter.
8.2 Filter Replacement
8.2.4 Install a new set of HealthyAir® Series 1213 Replacement Filters.
8.2.5 Reinstall the Access Door, ensuring that the Access Door is properly inserted back into its track. Once the Access Door is properly aligned and set in place, secure it by screwing in the Thumb Screws.
8.2.6 Plug the Power Cord back into the Power Socket and wall socket.
8.3 Filter Change Indicator Light Reset
Once the filters have been replaced and the unit is powered on, the Filter Change indicator light may continue to flash. To reset the filter change timer and deactivate the flashing light, go through the following reset procedure:
8.3.1 Unplug the Power Cord from the Power Socket, wait a couple of seconds, and plug the Power Cord back into the Power Socket.
8.3.2 Press and hold down the Power Button [
] on the Control Panel (not the Remote Control) for five (5) seconds.
8.3.3 After five (5) seconds have passed, release the Power Button. The filter change timer will have reset to 400-hours and the Filter Change Indicator light will have stopped flashing now
Maintenance
9.1 Cleaning Filter Compartment
Visually inspect the interior of the Filter Compartment when the filters are removed from the unit during the filter replacement process. If debris has accumulated in the Filter Compartment, clean the interior of the unit as follows:
9.1.1 Turn the Power Off, unplug the Power Cord from the Power Socket, remove the Access Door, and remove the filters from the unit.
9.1.2 The HV Contact Spring will likely contain a small charge and should not be directly touched! Using an electrically insulated instrument, such as the Screwdriver provided, make contact with the HV Contact Spring and the interior metal wall of the unit. This will discharge the HV contact spring.
9.1.3 Vacuum and remove any debris that has accumulated in the filter compartment and adjacent accessible areas of the interior of the unit.
9.1.4 Properly replace the Access Door, as previously described herein.

Basic Service and Troubleshooting
The Basic Service Guide should cover most performance issues. If you continue to experience issues after referring to this list, please contact Healthy Air Inc.
10.1 Air Purification System Inoperable
If the unit fails to power on, the issue may be the result of one of the following causes. In some cases, the unit will require service by the manufacturer or a professionally licensed electrician.
| Possible Cause | Solution |
| Blown Fuse | Replace the Fuse |
| Safety Switch is not engaged | Properly close the Access Door |
| Safety Switch malfunction | Replace the Safety Switch |
| HV Board malfunction | Replace the HV Board |
| PCB Board delay function | Unplug and re-plug the Power Cord |
10.2 Air Purification System Power On but Inoperable
If the unit powers on but fails to operate properly, the issue may be the result of a faulty electrical board and will require service by the manufacturer or a professionally licensed electrician.
| Possible Cause | Solution |
| PCB Board malfunction | Reconnect/Replace PCB Board |
10.3 Air Purification System Power On but Fan Inoperable
If the unit powers on but the fan fails to operate, the issue may be the result of a faulty motor and will require service by the manufacturer or a professionally licensed electrician.
| Possible Cause | Solution |
| Fan/Motor malfunction | Replace the Fan/Motor |
| PCB Board malfunction | Replace the PCB Board |
10.4 Fan Speed Cycle Error
If the unit does not properly cycle through all three (3) fan speed settings or the unit shuts off when cycling through the fan speed settings, the issue may be the result of one of the following causes.
Contact the manufacturer for the Control Panel reset instructions. If that does not resolve the issue, the unit will require service by the manufacturer or a professionally licensed electrician.
| Possible Cause | Solution |
| Control Panel program error | Control Panel reset procedure |
| Display Board malfunction | Replace Display Board |
10.5 grid Activity Indicator Light Not Lit
If the grid Activity indicator light fails to turn on when the eHEPA® the system is on, the issue may be the result of one of the following causes and will require service by the manufacturer or a professionally licensed electrician.
| Possible Cause | Solution |
| acrid malfunction | Remove and clean the grid |
| Faulty HV contact | Remove and reinstall the eGrid |
| HV Board malfunction | Replace the HV Board |
10.6 Irregular Sound from eGrid
If an irregular crackling sound is detected from the unit, the issue may be the result of one of the following causes and will require service by the manufacturer or a professionally licensed electrician. Never tamper with the grid while the unit is plugged into an electrical outlet.
| Possible Cause | Solution |
| Accumulation of debris | Remove and clean the grid |
| Accumulation of moisture | Remove and dry the eGrid |
| Pre-Filter missing | Install Pre-Filter |
10.7 Flex Hose Unravels
If the Flex Hose is lengthened or expanded past its tolerance point, the hose may come apart and unravel. The issue may be the result of one of the following causes and may require replacement parts.
| Possible Cause | Solution |
| Expanded past tolerance | Reconnect or replace Flex Hose |
| Lengthened past tolerance | Reconnect or replace Flex Hose |
| Flex Hose faulty | Replace Flex Hose |
10.9 Remote Control Inoperable
If the Remote Control fails to operate the unit, the issue may be the result of one of the following causes and may require replacement parts or service by the manufacturer or a professionally licensed electrician.
| Possible Cause | Solution |
| Battery nearly exhausted | Replace batteries |
| Remote Control faulty | Replace Remote Control |
| Display Board fault | Replace Display Board |
10.11 Reduced Airflow and/or Odor Absorption
If the fan/motor is properly functioning, but the unit exhibits reduced airflow and/or reduced odor absorption the issue may be the result of one of the following causes and may require replacement filters.
| Possible Cause | Solution |
| Pre-Filter is fully loaded | Clean or Replace Pre-Filter |
| eHEPA® Filter is fully loaded | Clean or Replace eHEPA® Filter |
| Activated Carbon Filter saturated | Replace Activated Carbon Filter |
10.12 Filter Change Indicator Light Flashing
If the unit is properly functioning and the Filter Change indicator light is flashing, the default filter change timer has expired, and the filters should be replaced.
| Possible Cause | Solution |
| Filter change cycle timer expired | Replace filters and reset the timer |
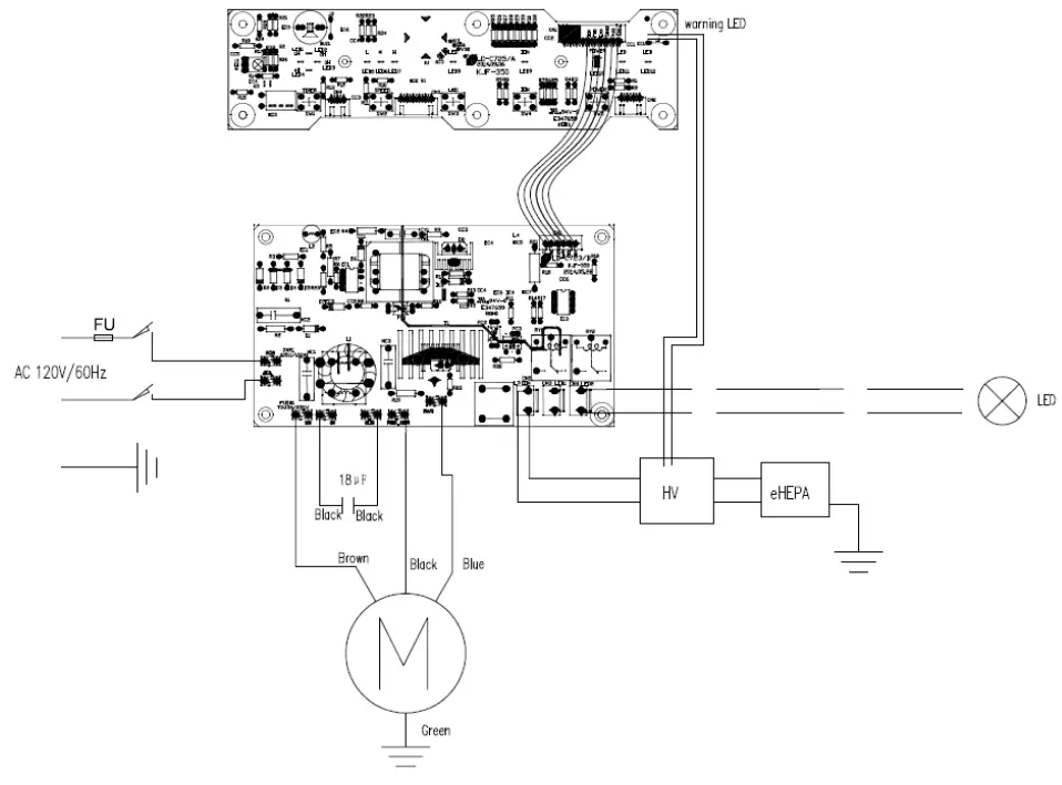
Electrical Wiring Schematic
Fig. 9 – Electrical Wiring Schematic
Healthy Air Inc. 1-Year Limited Warranty
Healthy Air Inc. only makes this 1-Year Limited Warranty (“Limited Warranty”) to the original retail purchaser who submits the enclosed Warranty Registration Card within 10 days of purchase by email to [email protected]. This Limited Warranty applies only to the repair or replacement of any manufactured or supplied part of this product which, upon inspection by Healthy Air Inc. authorized personnel, proves to have failed in normal use due to defects in material or workmanship.
The sole responsibility of Healthy Air Inc. under this Limited Warranty is, in its sole discretion, to either repair or replace a duly registered product (or defective part thereof) with the same or a comparable model within a reasonable period of time, subject to the following exclusions, limitations, statutory rights, and warranty claim procedures.
This Limited Warranty is exclusive, and Healthy Air Inc. expressly disclaims all other or additional warranties, whether written or oral, expressed or implied, including, but not limited to, warranties of merchantability, workmanship, or fitness for a particulate purpose. Retain proof of purchase and the original box and packing materials.
Exclusions to the Warranty
This Limited Warranty does not apply, or is void, as to any product or part damaged by (1) accident, misuse, abuse, or lack of reasonable care or normal maintenance; (2) installation or operation under conditions other than those recommended by Healthy Air Inc.; (3) subjecting the product to any but the specified voltage; (4) servicing or disassembly by unauthorized personnel; (5) removing or defacing the serial number; or (6) modifying the original factory-assembled unit in any way. This Limited Warranty does not apply to shipping charges for products shipped to or from the manufacturer or designated distributor in connection with warranty claims nor does it apply to any damages hat occur during such shipment. This Limited Warranty does not apply to installation, removal, reinstallation, and/or related expenses. This Limited Warranty does not apply to replacement filters.
Healthy Air Inc.
1-Year Limited Warranty
Product Registration Form
Please complete the Product Registration Form and submit it to Healthy Air Inc. within ten (10) days of the original purchase, to validate 1-Year Limited Warranty.
Submit the completed form via email by sending a scanned image or photograph to [email protected].
Note that, the Model Number and Serial Number are written on the sticker located at the bottom of the side panel of the unit.
Please contact us at (800) 259-2535 or visit www.HealthyAir.com for Customer Service and Orders.
| Name: | |
| Business Name: | |
| Street Address: | |
| City, State, Zip: | |
| Phone Number: | |
| Email Address: | |
| Date of Purchase: | |
| Purchased From: | |
| Model Number: | |
| Serial Number: |




















