426HEPA Cyclonic Dust Extractor HEPA Filtration
User Manual
iQ426HEPA CE Cyclonic Dust Extractor With HEPA Filtration
Operator’s Manual
Use QR Code to download the iQ426HEPA CE Operator’s Manual in your language. Please read the operator’s manual carefully and make sure you understand the instructions before using the machine.
For light industrial and indoor use only.
https://iqpowertools.eu/support/
DECLARATION
We declare in sole responsibility that the equipment, Cyclonic Dust Extractor with Hepa Filtration (iQ426HEPA CE) to which this declaration applies, complies with these normative documents:
Machinery Directive: 2006/42/EC
EMC Directive: 2014/30/EU
Low Voltage Directive: 2014/35/EU
EN 60335-2-69:2012
Year of affixing CE marking: 2020
Signature: ![]()
Name, Surname: Paul Guth
Position/ Title: President of Product Development
Date: 08/04/2020
IMPORTANT SAFETY INSTRUCTIONS
ORIGINAL INSTRUCTIONS
Important Safety Rules
When using an electrical appliance, basic precautions should always be followed, including the following:
READ ALL INSTRUCTIONS BEFORE USING THIS APPLIANCE
WARNING – To reduce the risk of fire, electric shock, or injury:
a) Do not leave the appliance when plugged in. Unplug from outlet when not in use and before servicing.
b) Do not use on wet surfaces. Do not expose to rain. Store indoors.
c) Do not allow it to be used as a toy. Close attention is necessary when used by or near children.
d) Use only as described in this manual. Use only the manufacturer’s attachments.
e) Do not use a damaged cord or plug. If the appliance is not working as it should, has been dropped, damaged, left outdoors, or dropped into water, return it to a service center.
f) Do not pull or carry by cord, use cord as a handle, close a door on cord, or pull cord around sharp edges or corners. Do not run appliance over cord. Keep cord away from heated surfaces.
g) Do not unplug by pulling on the cord. To unplug, grasp the plug, not the cord.
h) Do not handle plug or appliance with wet hands.
i) Do not put any object into openings. Do not use with any opening blocked; keep free of dust, lint, hair, loose clothing, fingers, and anything that may reduce airflow.
j) Keep hair, loose clothing, fingers, and all parts of your body away from openings and moving parts.
k) Turn off all controls before unplugging.
l) Use extra care when cleaning on stairs.
m) Do not use to pick up flammable or combustible liquids, such as gasoline, or in areas where they may be present.
n )For grounded appliance: Connect to a properly grounded outlet only. See grounding instructions.
o) For a vacuum cleaner:
- Do not pick up anything that is burning or smoking, such as cigarettes, matches, or hot ashes.
- Do not use without a dust bag and/or filters in place.
- Warning – To reduce the risk of personal injury due to a loose electrical connection between the appliance’s plug and extension cord, firmly and fully attach the appliance plug to the extension cord. Periodically check the connection while operating to ensure it is fully attached. Do not use an extension cord that provides a loose connection. A loose connection may result in overheating, fire, and increases the risk of burning.
- Maintain Appliance With Care – Inspect extension cord periodically and replace if damaged.”
- Intended use for dry application only. The machine is designed to vacuum dry, non-combustible dust. Do not use it for other tasks.
SAVE THESE INSTRUCTIONS
SAFETY
General
Do not use the machine unless you are able to call for help in the event of an accident. Always have a first aid kit nearby.
EXTENSION CORDS AND CABLES
The marking on the extension cable must be the same or higher than the value stated on the machine’s rating plate.
- When operating a power tool outdoors, use an extension cord suitable for outdoor use. The use of a cord suitable for outdoor use reduces the risk of electric shock.
- Keep the connection to the extension cord dry and off the ground.
- Keep the cable away from heat, oil, sharp edges, or moving parts. Damaged or entangled cables increase the risk of electric shock.
- Check that the cord and extension cord are intact and in good condition. Never use the machine if any cable or plug is damaged. Take it in to an authorized service workshop for repair.
- To avoid overheating, do not use the extension cord while it is rolled up.
- When using an extension cable, use only certified extension cables with sufficient reach.
To reduce the risk of electric shock, use only with an extension cord intended for outdoor use.
Make sure your extension cord is in good condition and is the correct size for your appliance. The following table shows the correct size to use depending on cord length and nameplate ampere rating. If in doubt, use the heavier gauge. The smaller the gauge number, the heavier the cord.
WARNING! POWER TOOLS AND CUTTING MACHINES HAVE THE POTENTIAL TO CREATE SPARKS. ALWAYS KEEP FIRE EXTINGUISHERS HANDY.
WARNING! SAWING, DRILLING, AND GRINDING GENERATE DUST THAT COMES FROM THE MATERIAL BEING CUT, WHICH FREQUENTLY CONTAINS SILICA. SILICA IS A BASIC COMPONENT OF SAND, QUARTZ, BRICK CLAY, GRANITE, AND NUMEROUS OTHER MINERALS AND ROCKS.
ALWAYS EMPLOY ENGINEERED DUST CONTROLS AND PERSONAL PROTECTION EQUIPMENT SUITABLE TO THE MATERIAL BEING SAWED, DRILLED, OR GROUND; SEE OSHA (29 CFR PART 1910.1200).
NEVER EXPOSE YOURSELF OR BY STANDARDS TO HAZARDOUS DUST THAT EXCEEDS THE PERMISSIBLE EXPOSURE LIMIT (PEL) AS SET BY YOUR LOCAL JURISDICTION OR GOVERNING AGENCY. E.G. OSHA, CSST.
WARNING! THE USE OF PRODUCTS SUCH AS CUTTERS, GRINDERS, AND DRILLS THAT SAND OR FORM MATERIAL CAN GENERATE DUST AND VAPORS WHICH MAY CONTAIN HAZARDOUS CHEMICALS. CHECK THE NATURE OF THE MATERIAL YOU INTEND TO PROCESS AND USE AN APPROPRIATE BREATHING MASK.
WARNING! USE OF THIS PRODUCT CAN CAUSE EXPOSURE TO MATERIALS KNOWN TO THE STATE OF CALIFORNIA TO CAUSE CANCER AND/OR BIRTH DEFECTS OR OTHER REPRODUCTIVE HARM.
WARNING! PROTECT YOURSELF AND OTHERS FROM OVEREXPOSURE. REFER TO YOUR LOCAL JURISDICTION OR GOVERNING AGENCY. E.G. OSHA, CSST.
GENERAL SAFETY PRECAUTIONS
This section describes basic safety directions for using the machine. This information is never a substitute for professional skills and experience.
- Please read the operator’s manual carefully and make sure you understand the instructions before using the machine. Save all warnings and instructions for future reference.
- Keep in mind that the operator is responsible for accidents or hazards occurring to other people or their property.
- All operators shall be trained in the use of the machine.
WORK AREA SAFETY
- Keep the work area clean and well-lit. Cluttered or dark areas invite accidents.
- People and animals can distract you causing you to lose control of the machine. For this reason, always remain concentrated and focused on the task.
- Do not use the machine in bad weather such as dense fog, heavy rain, strong wind, intense cold, etc…
- Never start to work with the machine before the working area is clear and you have a stable work surface.
PERSONAL SAFETY
Never uses the machine if you are fatigued, while under the influence of alcohol or drugs, medication, or anything that could affect your vision, alertness, coordination, or judgment.
- Check that no tools or other objects have been left lying on the machine.
- Never allow anyone else to use the machine without proper training.
- Always shut off the machine during remove work breaks.
- Never work alone, always ensure there is another person close at hand.
- Learn how to use the machine and its controls safely and learn how to stop quickly. Learn to recognize the safety decals.
- Keep handles dry, clean, and free from oil and grease.
- Do not overreach. Keep proper footing and balance at all times.
- Never stand on the machine.
PERSONAL PROTECTIVE EQUIPMENT
You must use approved personal protective equipment whenever you use the machine. Personal protective equipment cannot eliminate the risk of injury but it will reduce the degree of injury if an accident does happen. Listen out for warning signals or shouts when you are wearing hearing protection. Always remove your hearing protection as soon as the motor stops.
Always use approved eye protection
- If you use a face shield then you must also wear approved protective goggles. Approved protective goggles must comply with standard ANSI Z87.1 in the USA or EN 166 in EU countries.
Visors must comply with standard EN 1731.
Recommended Personal Protective Equipment:
- Hearing protection
- Breathing mask
- Protective gloves.
- Hair coverings or devices to contain long hair
ALWAYS THINK ABOUT YOUR WORK ENVIRONMENT AND USE COMMON SENSE.
It is not possible to cover every conceivable situation you can face. Always exercise care and use your common sense. If you get into a situation where you feel unsafe, stop and seek expert advice. Contact your dealer, service agent, or experienced user. Do not attempt any task or operation that makes you feel unsure whether or not it is safe.
MACHINE USE AND CARE
- The machine is designed for vacuuming and separating dry, non-combustible dust with an explosion limit value of >0.1mg/m3. Do not use the product for other tasks.
- Do not pick up anything that is burning or smoking, such as cigarettes, matches, or hot ashes.
- Do not use it to pick up flammable or combustible liquids, such as gasoline, or use it in areas where they are present.
- This machine is designed for picking up dry, non-flammable dust and debris in an indoor environment. It is not suitable for picking up liquids.
- Do not pick up any type of liquids.
- Do not allow a build-up of dust, hair, and anything that may reduce airflow.
- Keep hair, loose clothing, fingers, and all parts of the body away from openings and moving parts.
- Use extra care when cleaning on stairs.
- Do not use the product without filters in place. Replace filters as described in this manual. It is highly recommended to use dust bags for collection, containment, and proper disposal of dust.
- Always perform daily maintenance before starting the machine.
- Do not overload the machine. Overloading can damage the machine.
- Keep all parts in good working order and ensure that all fixtures are properly tightened. Replace all worn or damaged decals.
- Never leave the machine unsupervised with the motor running.
- Observe care when lifting. You are handling heavy parts, which implies the risk of pinch injuries or other injuries.
ELECTRICAL SAFETY
WARNING! There is always a risk of shocks from electrically powered machines. Avoid unfavorable weather conditions and bodily contact with lightning conductors and metal objects. Always follow the instructions in the Operator’s manual to avoid damage.
- Before using the dust extractor make sure that the power & voltage corresponds with the voltage shown on the machine’s rating plate, including extension cords.
- Never connect the machine to an outlet if the plug or cord is damaged.
- Check that the main voltage corresponds with that stated on the rating plate on the machine.
- Inspection and/or maintenance should be carried out with the motor switched off and the plug disconnected.
- Always shut down the machine before disconnecting the power plug.
- Never drag the machine by means of the cord and never pull out the plug by pulling the cord. Hold the plug to disconnect the power cord.
- Never use the machine if any cable or plug is damaged, but hand it into an authorized service workshop for repair.
- Prevent unintentional starting of the motor. Ensure the power switch is in the OFF- position before connecting the machine to a power source.
- Do not modify the plug. If it will not fit the outlet, have a proper outlet installed by a qualified electrician. Make sure local regulations and ordinances are followed.
An undersized extension cord will cause a drop in line voltage, resulting in loss of power and overheating.
Use only three-wire outdoor extension cords that have three-prong grounding plugs and grounding receptacles that accept the appliance’s plug.
WARNING! THERE IS ALWAYS A RISK OF CRUSH INJURIES WHEN WORKING WITH PRODUCTS CONTAINING MOVING PARTS. WEAR PROTECTIVE GLOVES TO AVOID BODY INJURIES.
CAUTION! LONG-TERM EXPOSURE TO NOISE CAN RESULT IN PERMANENT HEARING IMPAIRMENT. ALWAYS USE APPROVED HEARING PROTECTION.
WARNING! THE MACHINE CAN BE A DANGEROUS TOOL IF USED INCORRECTLY OR CARELESSLY, WHICH CAN CAUSE SERIOUS OR FATAL INJURY TO THE OPERATOR OR OTHERS.
WARNING! IMPROPER CONNECTION CAN RESULT IN THE RISK OF ELECTRIC SHOCK. CONTACT A QUALIFIED ELECTRICIAN IF IN DOUBT AS TO WHETHER THE APPLIANCE IS PROPERLY GROUNDED.
WARNING! UNAUTHORIZED MODIFICATIONS AND/ OR ACCESSORIES MAY LEAD TO SERIOUS INJURY OR DEATH TO THE USER OR OTHERS.
WARNING! WHEN CLEANING THE MACHINE MAKE SURE TO AVOID WATER ENTERING THE ELECTRICAL SYSTEM AND THE MOTOR UNIT. WATER CAN CAUSE DAMAGE TO THE MACHINE OR SHORT CIRCUIT.
NOTICE! GOOD MOTOR PERFORMANCE DEPENDS ON PROPER VOLTAGE. EXTENSION CABLES THAT ARE TOO LONG AND/OR HAVE A GAUGE THAT IS TOO SMALL, REDUCE POWER TO THE MOTOR UNDER LOAD, RESULTING IN REDUCED OUTPUT OR MALFUNCTIONS.
KEY SYMBOLS & SAFETY RULES
Explanation of Warning Levels
The warnings are graded on three levels.
Used if there is a risk of serious injury or death for the operator or damage to the surroundings if the instructions in the manual are not followed.
Used if there is a risk of injury to the operator or damage to the surroundings if the instructions in the manual are not followed.
NOTICE
Used if there is a risk of damage to materials or the machine if the instructions in the manual are not followed.
Symbols on the machine
| WARNING! The machine can be a dangerous tool if used incorrectly or carelessly, which can cause serious or fatal injury to the operator or others. | |
| Please read the operator’s manual carefully and make sure you understand the instructions before using the machine or performing any maintenance. | |
| Always wear hearing protection. | |
| Always wear protective goggles and/or a visor. | |
| High voltage. Risk of an electric shock. Turn off the machine and unplug before transportation. | |
![]() | CE approved. |
Dust Class M Filter Rating
Dust class M machines shall be designed and constructed in such a way that they can be easily cleaned, without impairing their safety.
![]()
International Symbols
The following international symbols may be used if the significance of these symbols is explained
The following international symbols may be used if the significance of the symbols is explained in the instructions packaged with the product:
a) I – ON power symbol
b)
– OFF power symbol
c)
– STANDBY symbol
d)
– ON-OFF (push-push) symbol
e)
– EARTH (GROUND) symbol
f)
– PROTECTIVE EARTH (Protective Ground) symbol
g)
– FRAME or CHASSIS symbol
h)
– ALTERNATING CURRENT symbol
i)
– DIRECT CURRENT symbol
j)
– READ OPERATOR’S MANUAL symbol
INTRODUCTION
Dear Customer
We at IQ Power Tools want to congratulate you on selecting the iQ426HEPA™ Cyclonic Dust Extractor with HEPA Filtration. We are certain that you will be pleased with your purchase. IQ Power Tools takes pride in manufacturing the most innovative tools and equipment in the industry.
If operated correctly, your iQ426HEPA™ should provide you with years of quality service. This operator’s manual contains information you need to operate and maintain your iQ426HEPA™ safely and correctly. Please take a few minutes to familiarize yourself with your new iQ426HEPA™ by reading and reviewing this manual.
If you should have any questions concerning your iQ426HEPA™ please feel free to contact us at
Phone: (888) 274-7744
Email: [email protected]
It is our wish that you will be satisfied with your product and that it will prove to be a valued tool for a long time. A purchase of one of our products gives you access to professional help with repairs and services. If the retailer who sells your machine is not one of our authorized dealers, ask him for the address of your nearest service workshop.
This operator’s manual is a valuable document. Make sure it is always at hand at the workplace. By following its content (using, service, maintenance, etc..) the life span and the second-hand value of the machine can be extended. If you ever lend or sell this machine, make sure that the borrower or buyer gets the operator’s manual so they will also know how to properly maintain and use it.
Owner Responsibility
It is the owner’s/employer’s responsibility to ensure that the operator has sufficient knowledge about how to use the machine safely. Supervisors and operators must have read and understood the Operator’s Manual.
They must be aware of:
- The machine’s safety instructions.
- The machine’s range of applications and limitations.
- How the machine is to be used and maintained.
Local regulations could restrict the use of this machine.
Find out what regulations are applicable where you work before you start using the machine.
The Manufacturer’s Reservation
Subsequent to publishing this manual IQ Power Tools may issue additional information for the safe operation of this product. It is the owner’s obligation to keep up with the safest methods of operation.
iQ Power Tools has a policy of continuous product development and therefore reserves the right to modify the design and appearance of products without prior notice.
For customer information and assistance, contact us at our website: www.iQPowerTools.com
Design & Features
Values such as high performance, reliability, innovative technology, and environmental considerations distinguish iQ Power Tools’ products. The safe operation of this product requires the operator to read this manual carefully. Ask your dealer or iQ Power Tools should you need more information.

iQ426HEPA®
CYCLONIC HEPA DUST EXTRACTOR WITH FOUR-STAGE FILTRATION
This innovative patent-pending machine is an industrial vacuum designed for universal and commercial use. The machine is designed to vacuum dry, non-combustible dust. Do not use it for other tasks.
For dry applications only.
WHAT IS WHAT?
Frontside

| 1 – Vacuum Hose 2 – Cart 3 – Dust Collection Tub 4 – Visible Window 5 – Cyclones | 6 – Tub Latch 7 – Vacuum Hose Connection 8 – Electric Tool Power Outlet 9 – Vacuum Housing Handle 10 – Vacuum Housing Lift Latch | 11. – Accessory Rack 12. -Release Lever 13 – On/Off Switch 14 – Vacuum Motor |
Backside

| 15 – Cart Handle 16 – Cyclones 17 – Filter Spin Knob 18 – Cart Caster | 19 – Cart 20 – Cart Wheel 21 – Cart Handle Latch Release 22 – Accessory Rack 23 – Hose End Holder |
Side

| 24 – Cart Handle 25 – Cord Wrap Hook 26 – Electrical Tool Power Outlet 27 – Tub Latch | 28 – Cart 29 – Filter Spin Knob 30 – Accessory Rack 31 – Vacuum Housing Lift Hook 32 – Vacuum Inlet |
| Cart | Control Panel |
![]() | |
| 33 – HEPA Filter Cover 34 – Back Tub Latch 35 – Current Overload Switch 36 – HEPA Filter Status Light | 37 – On/Off/Auto Switch 38 – OFF 39 – ON 40 – Auto ON with Electric Tool Outlet |
ASSEMBLY
TOOLS REQUIRED FOR ASSEMBLY
(A) 13mm Socket Wrench
Assembling your iQ426HEPA™
UNBOXING AND ASSEMBLING
Open the top of the box. Remove the top layer of packaging with parts and set it aside. Remove cart and dust extractor and place on a flat horizontal and stable surface (preferably a workbench) to prevent the equipment from tipping or sliding during assembly
ATTACHING CARTWHEELS
Gather all pieces for the wheels. This includes 4 washers, 2 bolts, and 2 spacers.
| Put one spacer in the center hole of the wheel. | ![]() |
| With the washer already on the bolt, feed the bolt through the spacer. Put a second washer on the other side of the bolt. | ![]() |
| Take the wheel and feed bolt into the hole on the cart. | ![]() |
| Hand screw bolt into the cart. Then tighten with a wrench. | ![]() |
| Repeat this process on the other wheel. | ![]() |
Assembling your Accessory Rack
UNBOXING AND ASSEMBLING
Open the top of the box. Remove the top layer of packaging with parts and set it aside.
Note: Some accessories may be in the packaging. Remove cart and dust extractor and place on a flat horizontal and stable surface (preferably a workbench) to prevent the equipment from tipping or sliding during assembly.
ATTACHING RACK
Gather all pieces for the rack. This includes 1 rack, 2 end caps, and 8 screws.
Hold the rack on the outside of the cart. While holding the rack, place the end cap on the front side. Use 4 screws to tighten the rack. Repeat for the other side.
Included Accessories:

OPERATION
Before starting
WARNING! PLEASE READ THE OPERATOR’S MANUAL CAREFULLY AND MAKE SURE YOU UNDERSTAND THE INSTRUCTIONS BEFORE USING THE MACHINE
Wear personal protective equipment. See instructions under the heading “Personal Protective Equipment”.
Make sure no unauthorized persons are in the working area, otherwise there is a risk of serious personal injury.
Prevent unintentional starting of the motor by ensuring the power switch is in the OFF position before connecting the machine to a power source.
Check that the machine is assembled correctly and does not show any signs of damage.
CAUTION! TO REDUCE THE RISK OF FIRE, ONLY CONNECT A TOOL RATED 880W MAX TO THIS RECEPTACLE. THE RISK OF INJURY TO PERSONS-TOOL SHOULD BE TURNED OFF BEFORE PLUG-IN
WARNING! TO REDUCE THE RISK OF ELECTRIC SHOCK – DO NOT USE IT ON WET SURFACES. DO NOT EXPOSE TO RAIN. STORE INDOORS.
STARTING MACHINE
To start the motor, engage the POWER switch – or on the symbol. Defective switches should be replaced by an authorized service workshop.
STOPPING MACHINE
To stop the saw motor engage the POWER switch O or off symbol.
AUTOMATIC START FUNCTION
When you use the dust extractor together with another power tool, there is an electrical outlet on the dust extractor. Connect the power tool to this outlet. When you start the power tool, the dust extractor will also start. When you turn off the power tool, the dust extractor will continue to run for approximately 10 seconds to empty the hose and then stop.
CLEANING YOUR IQ426HEPA
Only use a cloth to clean the dust extractor. DO NOT use water.
- All equipment once used must be regarded as contaminated and be treated thereafter.
- All parts that are contaminated after service work must be disposed of in a correct procedure in plastic bags. Refer to local regulations.
- Use correct personal equipment when you clean the product.
- Clean the filters and the dust extractor in the applicable area.
- Do not use water on electrical components.
- Do not clean the dust extractor with high pressure (air or water).
- Do not put tools on the surface of the filter, it can cause damage to the filter.
- Do not make a hole in the HEPA filter, it can cause a health risk.
GROUNDING
The dust extractor must be grounded. If it should malfunction or break down, grounding provides a path of least resistance for electric current to reduce the risk of electric shock. The dust extractor is equipped with a cord having an equipment-grounding conductor and grounding plug. The plug must be inserted into an appropriate outlet that is properly installed and grounded in accordance with all local codes and ordinances.
WARNING:
Improper connection of the equipment-grounding conductor can result in a risk of electric shock. Check with a qualified electrician or service person if you are in doubt as to whether the outlet is properly grounded. Do not modify the plug provided with the appliance – if it will not fit the outlet, have a proper outlet installed by a qualified professional.
The machine is not intended for use by persons (including children) with reduced physical, sensory or mental capabilities, or lack of experience and knowledge.
This machine is intended for commercial use, for example in hotels, schools, hospitals, factories, shops, offices, and rental businesses.
WARNING! NEVER CLEAN MOTOR AND ELECTRIC PARTS WITH WATER.
WARNING! MISHANDLING OF THIS PRODUCT COULD VOID THE WARRANTY.
WARNING! THERE IS ALWAYS A RISK OF CRUSH INJURIES WHEN WORKING WITH PRODUCTS CONTAINING MOVING PARTS. WEAR PROTECTIVE GLOVES TO AVOID BODY INJURIES.
WARNING! OPERATING THE MACHINE IN SITUATIONS WHERE DUST COLLECTION IS LIMITED FOR PROLONGED PERIODS CAN CREATE A DUSTY AND POTENTIALLY HAZARDOUS WORK ENVIRONMENT FOR THE OPERATOR AND OTHER PERSONS IN THE VICINITY.
WARNING! WHILE DOING MAINTENANCE ON THIS MACHINE THERE IS A POTENTIAL EXPOSURE TO DUST WHICH MAY CONTAIN HAZARDOUS MATERIAL. PROTECT YOURSELF BY WEARING AN APPROPRIATE BREATHING MASK.
WARNING! ONLY USE THE SOCKET OUTLET ON THE MACHINE FOR PURPOSES SPECIFIED IN THE INSTRUCTIONS.
WARNING! OPERATORS SHALL BE ADEQUATELY INSTRUCTED ON THE USE OF THESE MACHINES.
WARNING! DISCONNECT THE DUST EXTRACTOR FROM THE ELECTRICAL POWER SOURCE DURING MAINTENANCE, CLEANING, OR REPLACING PARTS.
FILTER MAINTENANCE
iQ426HEPA™ Dual Filter System
The dual filter system of the iQ426HEPA uses both an IQ Durabond filter and a HEPA filter.
CLEANING THE DURABOND FILTER
In most operations cleaning the dura bond filter by spinning the filter 3-5 times is only necessary before emptying the dust collection tub. However, there may be some dust collection operations that require turning the machine off and on many times before the tub is full.
In this case, it may prove beneficial to spin the dura bond filter periodically to maintain a higher airflow for the best dust collection.
Note: the machine must be turned off before spinning or cleaning the filter.
REPLACING THE IQ DURABOND FILTER
Spin the filter knob 5 times to ensure all dust is released. While the dust settles, remove the 5 screws around the filter cover.
Remove filter cover and filter.
Put in a new filter and cover with a filter cover. The cover should be attached in the same position as in the image below. Replace the 5 screws.
NOTE: Durabond filter should be changed once a year. 
REPLACING THE HEPA FILTER
When the HEPA filter light turns red, it is time to change the filter. To change the filter, first, remove the dust extractor from the cart by releasing the lever on the left side of the cart. 
DUST DISPOSAL
| Press the sides of the HEPA cover inward and lift up the cover. | ![]() |
| Remove the filter by pulling the filter corners. Replace the filter with a new HEPA filter. | ![]() |
| Push all sides and corners of the new filter into the filter housing. Close HEPA filter cover. | ![]() |
Disposal
Obey the local recycling requirements and applicable regulations. When the product no longer is being used, discard it at a recycling location.
DUST DISPOSAL
Each iQ426HEPA will come out of the box with 3 bags. The bags come with an attached tie to ensure closure when disposing of dust. Replacement bags are available to purchase with your dealer or at iqpowertools.com.
DUST TUB COLLECTION BAG INSTALLATION
| Install bag, hooking band over tub lid then push bottom of the bag to the bottom of the tub. | ![]() |
| Check that vent holes are 2-3 inches from the top lip. | ![]() |
| To remove the bag release the band and seal with a plastic tie. | ![]() |
POWER SOCKET OPERATION
POWER SOCKET OPERATION
NOTE: The electrical socket on the dust extractor is to be used only for powering electric tools directly from the dust extractor.
The operating and safety instructions for the electric tool plugged into the electrical socket on the dust extractor must be observed.
Unplug the dust extractor’s power cord from the power outlet.
Check that the maximum power drawn by the electric tool is below the maximum permissible output of the power socket on the dust extractor (please refer to the product label next to the electrical socket on the dust extractor).
AUTO
CAUTION
Risk of fire.
Do not exceacl 600 watts.
220.-240 V 50/80Hz
Risk of injury – the tool should be turned off before plugged in.
Risk of injury – this is a switched receptacle and is energized when iQ1426HEPA is turned ON.
Risk of injury -when appliances connected to this receptacle are turned on, the iQ42BHEPA will turn on automatically
Check and ensure that the electric tool is switched off before plugging its power cord into the dust extractor’s electrical socket.
- Plug the electric tool’s power cord into the dust extractor’s electrical socket.
- Then plug the dust extractor’s power cord into the power outlet.

Turn the power switch to the “Auto” position. Turn on the electric tool.
Note: The dust extractor will continue to run for a short period of time after powering off the electric tool in order to ensure that all dust is removed from the suction hose.
CART
iQ426HEPA™ Cart System
The cart for the iQ426HEPA is more than just a cart. It assists in emptying dust from the dust tub. There are 6 easy steps to remove the dust extractor dust collection tub from the cart. For a visual of how to remove the cart, visit iqpowertools.com/vacuum dance.
REMOVING THE IQ426HEPA DUST TUB FROM CART
| Step 1: Start by spinning the filter 3-5 times. It is important to clean the filter before emptying the dust tub. NOTE: The machine must be turned off before cleaning the filter. | ![]() |
| Step 2: Un-hook the latches at the front and back of the dust tub by pressing down and then out. | ![]() |
| Step 3: Step on the release lever at the bottom of the cart while pushing the cart handle forward. | ![]() |
| Step 4: With a foot on the bottom lever, push cart handle forward to lock the vacuum housing latch. | ![]() |
| NOTE: The vacuum housing latch must attach to the dust extractor hook for the next steps to work properly. | ![]() |
| Step 5: With a foot on the bottom bar of the cart, bring the cart handle back toward you. This will allow the cart to lift the vacuum housing | ![]() |
| Step 6: Slide the dust tub away from the cart. | ![]() |
TRANSPORTATION AND STORAGE
Transportation
Use ramps or winches to lift the dust extractor to make sure that movements are safe. Get aid if you are not sure about how to lift heavy equipment.
- Attach product safety during transportation in order to prevent transport damage and accidents.
- If possible, use a closed vehicle during transportation of the product
WARNING!
THERE IS ALWAYS A RISK OF PINCH INJURIES WHEN WORKING WITH PRODUCTS CONTAINING MOVING PARTS.
Storage
The product must be stored inside away from outdoor elements.
- Do not expose the product to rain or moisture.
- Disconnect the product from the power source.
- Store the product and the equipment in a dry area with no frost or excessive heat.
- Store all equipment in a locked area, so that it is out of reach of children and unauthorized persons.
TROUBLESHOOTING GUIDE
| BE SURE TO FOLLOW SAFETY RULES AND INSTRUCTIONS. MANY COMMON PROBLEMS CAN BE SOLVED EASILY BY UTILIZING THE CHART BELOW. FOR MORE SERIOUS OR PERSISTENT PROBLEMS, CONTACT IQ POWER TOOLS AT 1-(888)274-7744. | |
| TROUBLE! MOTOR WILL NOT START | |
| WHAT’S WRONG? | WHAT TO DO |
| 1. Dust Extractor not plugged in | 1. Plug in Dust Extractor. |
| 2. Cord is damaged | 2. Have the cord replaced by the authorized service center. |
| 3. Switch isn’t working. | 3. Have the switch replaced by the authorized service center. |
| TROUBLE! MOTOR RUNS BUT THERE’S NO SUCTION | |
| WHAT’S WRONG? | WHAT TO DO |
| 1. The hose is not connected. | 1. Connect the hose. |
| 2. The hose is blocked. | 2. Unblock the hose. |
| 3. The cyclones and/or vacuum are blocked. | 3. Clean the cyclones and/or vacuum passages. |
| TROUBLE! THE MOTOR RUNS BUT THE SUCTION IS POOR | |
| WHAT’S WRONG? | WHAT TO DO |
| 1. There is a hole in the hose. | 1. Replace the hose. |
| 2. The filter is clogged. | 2. Clean or replace the filter. |
| 3. The top cover is misaligned. | 3. Adjust the cover to the tub. |
| 4. There is dirt in the filter flap. | 4. Clean the filter flap. |
| 5. The tub gasket is leaking. | 5. Replace the affected gaskets. |
| TROUBLE! DUST BLOWS FROM THE MOTOR | |
| WHAT’S WRONG? | WHAT TO DO |
| 1. The filter system is damaged or assembled wrong. | 1. Adjust or replace filters. |
| TROUBLE! ABNORMAL NOISE | |
| WHAT’S WRONG? | WHAT TO DO |
| 1. There is abnormal noise. | 1. Order service. |
TECHNICAL DATA
| VACUUM MOTOR IQ426HEPA, 220-240V | |
| POWER, A(W) | 8.5/3200 |
| VOLTAGE/FREQUENT/NCY V/HZ | 220-240V, 50/60HZ |
| AIRFLOW, CFM (dm^3/s) (MAX) | 190/90 |
| VACUUM LIFT, H20 INCHES (KPA) (MAX) | 100/25 |
| MAIN HOSE LENGTH, FT (M) | 14/4.26 |
| MAIN HOSE DIAMETER IN. (MM) | 2.0/50 |
| INLET DIAMETER IN. (MM) | 2.0/50 |
| FILTER | DURABOND CARTRIDGE |
| AREA, SQR. FT (M2) | 8/.74 |
| HEPA FILTER | 99.97% AT 0.3 µM |
| TOTAL HEPA FILTER AREA, FT2 (M2) | .37/.034 |
| DUST COLLECTION TUB | TUB WITH OPTIONAL PLASTIC BAG |
| FILTER CLEANING MECHANISM | SPIN CLEAN WHEN MACHINE IS EMPTIED |
| SOUND PRESSURE LEVEL LPA AT THE OPERATORS EAR, DB(A)2 | 84.5 |
| POWER CORD, IN/MM | 120/3048 |
| DIMENSIONS | |
| WEIGHT (LB/KG) | 60/27 |
| CART WEIGHT (LB/KG) | 23/11 |
| DIMENSIONS (W x H x L), INCH/MM | 23 x 41 x 34/584 x 1047 x 864MM |
| SHIPPING WEIGHT (LB/KG) | 75/34 |
| SHIPPING SIZE (W x H x L), INCH/MM | 44 x 30 x 21/1117 x 762 x 533 |
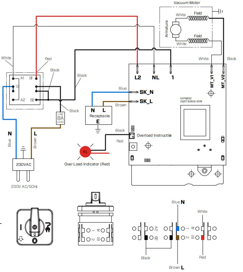
WIRING DIAGRAM

WARRANTY
New iQ426HEPA™ Cyclonic Dust Extractor with HEPA Filtration, sold by iQ Power Tools or an IQ authorized dealer is warranted to be free from manufacturing defects in normal service for a one-year period from the date of purchase by the original consumer purchaser. The warranty period for rental items is 90 days.
All iQ products must be registered either through our website or by mailing in the Warranty Card in order for the warranty to be active and valid. This Warranty shall not apply to any parts that have been subjected to misuse or improper service, damaged in transit or handling, altered or repaired by unauthorized representatives, or used with a blade that is not recommended by iQ Power Tools.
Any claim arising under this Warranty must be submitted by the original purchaser within the warranty period specified above and must include proof of purchase. Within the Warranty period, options are either to replace or repair any parts or components that are found to be defective by iQ Power Tools at no charge to the original purchaser. IQ Power Tools shall not be responsible or obligated to pay for freight or other transportation-related costs or expenses in connection with any defective products, replacements, or components that are returned to the IQ Power Tools facility or any authorized repair station.
Parts and labor needed to maintain products, and the replacement of components due to normal wear and tear, are the purchaser’s responsibility and are not covered by this Warranty. All products or components replaced under warranty become the property of the manufacturer. All replacement parts will be considered to be part of the original product and any Warranty on such parts will expire concurrently with this original Warranty.
IQ Power Tools will pay for parts and labor in connection with Warranty repairs conducted by iQ Power Tools or its authorized repair center. Replacement parts installed by anyone else will be provided without a charge but this Warranty will not apply to labor charges in connection therewith.
IN NO EVENT SHALL ANY LIABILITY UNDER THIS WARRANTY EXCEED THE REPLACEMENT COST OF ANY DEFECTIVE PRODUCT OR COMPONENT THEREOF. iQ POWER TOOLS SHALL NOT BE LIABLE FOR ANY INCIDENTAL OR CONSEQUENTIAL DAMAGES OR FOR ANY OTHER DAMAGE OR LOSS NOT EXPRESSLY ASSUMED AS SET FORTH HEREIN.
The Warranty on the terms above is the only Warranty. This Limited Warranty is expressly in lieu of all other warranties, whether expressed or implied.
iQ POWER TOOLS
PO BOX 7449
MORENO VALLEY, CA
92571
NOTES ————————-
888-274-7744
WWW.IQPOWERTOOLS.COM







































