mintie Omniaire 2000V HEPA Filtration Air Purification System

OMNIAIRE 2000V HEPA Air Filtration System
The OMNIAIRE 2000V HEPA Air Filtration system is a variable-speed HEPA-filtered negative air machine designed for the removal of toxic mold, asbestos, or other airborne contaminants during construction, renovation, and abatement projects or for use with the Mintie Technologies Environmental Containment Unit (ECU) to create HEPA-filtered negative pressure environments.
Product Specifications
- Net weight (with filters): 110 lbs.
- Dimensions (LxWxH): 34x20x29 inches
- Operating Speeds: Variable Speed Controller
- Free Airflow (FA) Ratings (without HEPA): 2000 CFM at the highest speed
- Static Airflow (SA) Ratings: 300 – 1900 CFM
- Filtration Stages: 3-5
- 99.99% HEPA Filter, Medical Grade
- Cabinetry-Aluminum Closed-End Rivet Construction
- Silicon Sealed Seams before Riveting
- Exhaust Collar Diameter: 12 inches
- Carrying Handles w/ rubber Casters: Two
- Motor Horse Power: Four 3/4 hp
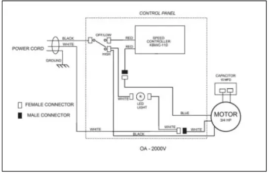
- Circuit Requirements (Volts/Hz): 115 VAC/60 Hz
- Maximum Operating Amps: 9.0 Amps
- Thermal Overload Protection: Yes
- Pressure Gage Included
- Accessories: Intake Manifold and Reducer, 10-diameter ring
- Quick clamp, 10 diameter Flex hose, diameter 10, length 3 ft.
Parts
- Omniaire 2000V HEPA Filtration System
- HEPA filter–99.99% @ 0.3 micron, Size 24 x 18 x 12
- Primary/secondary filter–two-stage poly pad, 35% efficiency, with antimicrobial and tackifier treatment
- Intake Manifold–Durable ABS plastic, Size 26 x 20 with 14diameter ring and 14×10 reducer for flex duct connection
- Flexible Duct–8 diameters, 3′ length including Quick Clamp
Optional Accessories
- OdorGuard 600–Carbon filter pad, Size 24 x 12 x 2
- OdorGuard 750 Plus– Carbon/Alumina/Potassium permanganate filter pad, Size 24 x 12 x 2
Instructions
- Unpacking: Carefully check the unit for damage. Remove the primary/secondary filter and check the HEPA filter to be sure that it is seated well against the internal flange and the bottom of the unit. Check the mounting tabs (See Figure 4) to ensure that they have not worked loose during transport.
- Operation: The Omniaire 2000V must be operated with a HEPA filter in place. Operating the unit without the filter may lead to mechanical or electrical damage. This may also contaminate the parts downstream if the filter and limit the unit’s ability to provide proper containment. It is also recommended that the primary/secondary filter be used and replaced frequently to extend the life of the HEPA filter.
- To operate the unit, plug the power cord into a standard three-prong grounded outlet. Turn the variable speed knob clockwise until it clicks. Adjust the airflow using this same knob.
- The Intake Manifold may be used on the suction side of the unit providing an 8-diameter connection for the flex duct. The discharge side of the unit also has an 8-diameter ring for a flex hose. To install the manifold, slide out the rear metal panel and slide the manifold into place (See Figure 2).
The OMNIAIRE 2000V HEPA Air Filtration system is a variable-speed HEPA-filtered negative air machine designed for the removal of toxic mold, asbestos or other airborne contaminants during construction, renovation and abatement projects or for use with the Mintie Technologies Environmental Containment Unit (ECU) to create HEPA-filtered negative pressure environments.
PRODUCT SPECIFICATIONS
- Net weight (with filters) 110 1bs.
- Dimensions (LxWxH) 34”x20”x 29”
- Operating Speeds Variable Speed Controller
- Free Airflow (FA) Ratings (without HEPA)
- Static Airflow (SA) Ratings 2000 CFM at the highest speed 300 – 1900 CFM
- Filtration Stages 3-5
- 99.99% HEPA Filter, Medical Grade Optional
- Cabinetry-Aluminum 0.08/0.100
- Closed End Rivet Construction YES
- Silicon Sealed Seams before Riveting YES
- Exhaust Collar Diameter 12”
- Carrying Handles w/ rubber Two
- Casters Four
- Motor Horse Power 3/4 hp
- Circuit Requirements (Volts/Hz) 115 VAC/60 Hz
- Maximum Operating Amps 9.0 Amps
- Thermal Overload Protection Yes
- Pressure Gage 0-5” W.C.
- Included Accessories:
- Intake Manifold and Reducer, 10” diameter ring
- Quick clamp, 10” diameter
- Flex hose, diameter 10”, length 3 ft.
PARTS
- Omniaire 2000V HEPA Filtration System
- HEPA filter—99.99% @ 0.3 micron, Size 24” x 18” x 12”
- Primary/secondary filter—two-stage poly pad, 35% efficiency, with antimicrobial and tackifier treatment
- Intake Manifold—Durable ABS plastic, Size 26” x 20” with 14” diameter ring and 14”x10” reducer for flex duct connection
- Flexible Duct—8” diameter, 3’ length including Quick Clamp
OPTIONAL ACCESSORIES
- OdorGuard 600—Carbon filter pad, Size 24” x 12” x 2”
- OdorGuard 750 Plus— Carbon/Alumina/Potassium permanganate filter pad, Size 24” x 12” x 2”
Figure 1. The Omniaire 2000V Parts and Included Accessories

INSTRUCTIONS
Unpacking
Carefully check the unit for damage. Remove the primary/secondary filter and check the HEPA filter to be sure that it is seated well against the internal flange and the bottom of the unit. Check the mounting tabs (See Figure 4) to ensure that they have not worked loose during transport.
Operation
The Omniaire 2000V must be operated with a HEPA filter in place. Operating the unit without the filter may lead to mechanical or electrical damage. This may also contaminate the parts downstream if the filter and limit the unit’s ability to provide proper containment. It is also recommended that the primary/secondary filter be used and replaced frequently to extend the life of the HEPA filter. To operate the unit, plug the power cord into a standard three-prong grounded outlet. Turn the variable speed knob clockwise until it clicks. Adjust the airflow using this same knob. When filters are clean, the pressure gauge will indicate about 1.8” WC of vacuum. As the filters fill with dust, the efficiency of the filters is maintained, but the airflow will decrease and the vacuum reading will increase. Change the primary/secondary filter frequently to protect the HEPA filter and to maintain air delivery at the stated unit capacities. When the vacuum gauge reaches about 3” WC with a clean pre-filter, the HEPA filter will have to be replaced to the unit to its stated airflow delivery capacity. The Intake Manifold may be used on the suction side of the unit providing an 8” diameter connection for the flex duct. The discharge side of the unit also has an 8” diameter ring for a flex hose. To install the manifold, slide out the rear metal panel and slide the manifold into place (See Figure 2).
INSTRUCTIONS (Continued)
Figure 2. Rearview of the Omniaire 2000V

Manifold Installation
- Slide the metal panel out.
- Leave the pre-filter in place.
- Slide intake manifold in.
Figure 3. HEPA Filter Installed in the Unit

Note: Tab layout and number may vary with different models.
Maintenance
Mechanical and Electrical
The motor and blower do not require any maintenance when the machine is operated with the HEPA filter in place.
Filter Replacement
When replacing the HEPA filter, proper care should be taken to wear a respirator in combination with the necessary PPE. The filter should be disposed of in an appropriate manner based on the contaminants it was exposed to. The HEPA filter element is held in place by metal tabs and can be accessed from the back of the unit. To remove the element, remove the metal grate or intake manifold and pre-filters. Then simply loosen the bolts on the tabs. Swing the tabs down and slide the element out. Slide the new filter element into place with the gasket side of the HEPA filter facing the blower unit. Make sure that the HEPA filter is seated well against the internal flange and the bottom of the unit. Tighten the filter tabs to compress the gasket by 1/8”. Do not over-tighten the bolts as this may crack the gasket. When replacing the HEPA filter, the pre-filter should also be replaced.
Figure 4. Close-up of tabs for HEPA element

REFERENCE MATERIALS

Table of Unit Decibel Levels
|
Unit | Distance From Machine | ||
| dB Rating at: | 1 meter | 2 meters | |
| MiniForce II | High Speed | 59 | 58 |
| Low Speed | 59 | 58 | |
| Omniaire OA 600V | High Speed | 65 | 64 |
| Medium Speed | 61 | 59 | |
| Low Speed | 56 | 54 | |
| Omniaire OA 1000V | High Speed | 67 | 66 |
| Medium Speed | 65 | 63 | |
| Low Speed | 63 | 61 | |
| Omniaire OA 2000 | High Speed | 70 | 69 |
| Medium Speed | 66 | 65 | |
| Low Speed | 63 | 62 | |
LIMITED PRODUCT WARRANTY
Mintie Technologies, Inc.® (Mintie Technologies) warrants to the original purchaser that all products, component parts, and accessories, excluding filters, to be free from defects in material or workmanship for a period of one year after the date of original purchase. This warranty applies only for normal and expected uses, as determined by the manufacturer and explained and demonstrated in the accompanying instruction manual.
REMEDY LIMITATION
Mintie Technologies’ obligation and liability under this warranty is limited to the repair or replacement (at its option) of the product or its parts, after its own review and examination. This will be the purchaser’s exclusive remedy under this limited product warranty. Mintie Technologies will not be liable for incidental or consequential damages even if its attempts to repair the defects fail, but in such case (or if Mintie Technologies elects not to repair or replace) the purchaser will be entitled only to a refund of monies paid to Mintie Technologies for the OMNIAIRE 2000V. This warranty shall be void as to any product which has been altered or modified in any manner. This warranty does not apply to damages caused by any force of nature, to accidental or deliberate damage of the product, or to use of the product that does not conform with the product instructions.
EXCLUSION OF ALL OTHER WARRANTIES
THERE ARE NO WARRANTIES THAT EXTEND BEYOND THE LIMITED PRODUCT WARRANTY SET FORTH ABOVE. MINTIE TECHNOLOGIES, INC. DISCLAIMS ANY WARRANTY OF ANY OTHER KIND, INCLUDING WITHOUT LIMITATION, ANY WARRANTY THAT THE GOODS ARE MERCHANTABLE OR FIT FOR ANY PARTICULAR PURPOSE.
PRODUCT SUITABILITY
Many states and localities have codes and regulations governing sales, construction, installation, and/or use of products for certain purposes, which may vary from those in neighboring areas. While Mintie Technologies attempts to assure that its products comply with such codes, it cannot guarantee compliance, and cannot be responsible for how the products are installed or used. Mintie Technologies Mintie Technologies is proud to offer a full line of HEPA Filtration Purification Equipment.

Airborne Contaminants and Infectious Disease Isolation
Mintie Technologies HEPA air filtration products have been designed specifically to meet CDC requirements for clean, filtered air in a medical environment. Each air filtration system is equipped with a medical-grade, aluminum frame, and HEPA filter element that has been factory tested and certified as 99.99% efficient at 0.3 microns. The MINI FORCE II and OMNIAIRE units can be paired with the Mintie Technologies Environmental Containment UnitTM (ECU™) to provide a comprehensive solution that will eliminate the uncertainty of manually created containment enclosures by providing a durable, standardized, prefabricated containment that will bring your facility into CDC and JCAHO compliance. When paired with the Environmental Containment Unit (AnteRoom configuration), the MINI FORCE II and OMNIAIRE units can rapidly and safely convert a standard hospital patient room into an isolation room to meet CDC EIC Guidelines and HRSA Critical Benchmark #2-2 for surge capacity.
Construction, Maintenance, and Remediation
Each of our four HEPA air filtration units can also be used as a stand-alone device to capture dust, fungal spores, asbestos fibers, and other microscopic airborne contaminants. These filtration systems are ideal for use during construction, renovation, and abatement projects when air quality and the safety of your employees are critical.
Available Models
- MiniForce II: The most compact, lightweight machine available; Dual-speed: 350 & 425 FA CFM, Weight: 40 lbs, Size: 26.5” L x 14” W X 14” H
- Omniaire 600V: Only slightly larger than the MiniForce II with variable airflow; 150-600 FA CFM, Weight: 55 lbs, Size: 30.5” L X 14” W X 16” H
- Omniaire 1000V: A more versatile, variable speed model for larger areas; 300-950 FA CFM, Weight: 90 lbs, Size: 33” L X 18” W X 21” H
- Omniaire 2000V: Most powerful model with the largest range of variable airflow; 300-1900 FA CFM, Weight: 110 lbs, Size: 34” W X 29” W X 20” H


















