PROLED L136342 Rec IP 68 Light 12x 2 Watt Mono
INSTALLATION

- Dig a hole for REC IP68 according to needed diameter and depth
- Lay reserve conduits and wires according to necessity

- Place housing into hole and connect with reserve conduit.
- ATTENTION: housing is waterproof. A water proofed layer must not be prepared by customer. Water is needed for light cooling and must be able to flow in- and outside

- ATTENTION: housing is waterproof. A water proofed layer must not be prepared by customer. Water is needed for light cooling and must be able to flow in- and outside
- Connect wires to the REC IP 68 and insert into the housing.
ELECTRICAL CONNECTION

- Wiring diagram for single luminaire
- Please use only power supplies with 24 V= output

- Please use only power supplies with 24 V= output
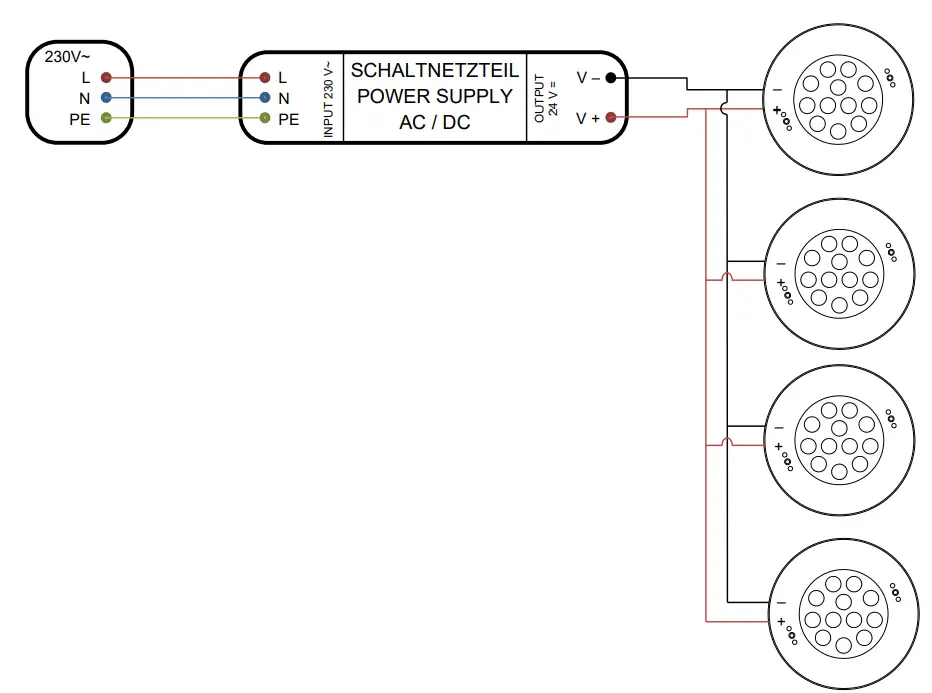
- Wiring diagram for several luminaires (only parallel connection)
Please use only power supplies with 24 V= output
This product contains a light source of energy efficiency class E.
ATTENTION: Installation and commissioning may only be performed by qualified persons. National installation regulations must be observed. Luminaires must be disconnected from the mains before any work.

MBN GmbH
- Balthasar-Schaller-Str. 3 86316 Friedberg – Germany
- [email protected]
- www.proled.com
























