HOCHIKI DCP-AMS Series Addressable Manual Pull Stations


STANDARD FEATURES
- Addressable integrated design
- All metal construction
- Single and dual action models available
- Extremely easy to operate
- Bi-colored status LED indicates Standby and Alarm conditions
- Address is programmable in EEPROM
- Address can be programmed when installed
- Key lock or hex key lock models available
- Enclosed switch with glass rod (included)
- Terminals accept up to 14AWG wire
- Surface mount back box available
- ADA compliant (except LP models) Specifications subject to change without notice.
| SPECIFICATIONS | ||
| Operating Voltage (SLC) | 17~41 VDC | |
| Average Current Consumption 550uA (Typical) 660uA (Alarm) | ||
| Ambient Temperature | 32°F (0 °C) ~ 120°F (49°C) | |
| Maximum Humidity | 90% RH, non-condensing | |
| Dimensions | 3.4″W x 4.8″H x 2.0″D | |
| Mounting | Single gang or 4″ square electrical box | |
| MODEL DESCRIPTION | |
| DCP-AMS | Single Action Hex Key Lock |
| DCP-AMS-LP | Dual Action Hex Key Lock |
| DCP-AMS-KL | Single Action Key Lock |
| DCP-AMS-KL-LP | Dual Action Key Lock |
DESCRIPTION
The DCP-AMS are the Hochiki America series of addressable manual pull stations that provide a fast and practical means of manually initiating a fire alarm signal. Both single action and dual action manual pull stations are available. Resetting of the pull station requires either a Cat 30 key or a 1/8″ hex key (depending upon the model used).
An alarm condition is actuated by pulling down on the handle of the DCP-AMS and DCP-AMS-KL single action models. On the dual action models DCP-AMS-LP and DCP-AMS-KL-LP the Lift and Pull cover must be lifted before pulling down on the pull station handle. Once the pull station is activated, the handle cannot be put back into a normal standby condition without using the key operated reset feature.
The DCP-AMS series is electronically addressable and includes a bi-colored status LED. The LED blinks green indicating normal communication with the DCP compatible SLC loop. When an alarm condition is actuated by pulling the handle, the LED will latch Red to indicate the alarm condition.

ENGINEERING SPECIFICATIONS
Manual pull stations shall be Hochiki addressable AMS-series single or dual action models, DCP-AMS, DCP-AMS-KL, DCP-AMS-LP, or DCP-AMS-KL-LP. Models shall be made of 14 AWG CRS and painted with Red enamel. The words Fire Alarm shall be in a contrasting color and be embossed text 1/2″ tall. The electronics shall be fully integrated into the manual pull station requiring only connection to the SLC loop of the control panel. Programming of the manual pull station address must be possible with the manual pull station fully installed.
Manual pull stations shall be Underwriters Laboratories Inc. Listed, CSFM Approved, and be installed within the limits defined in the Americans With Disabilities Act.
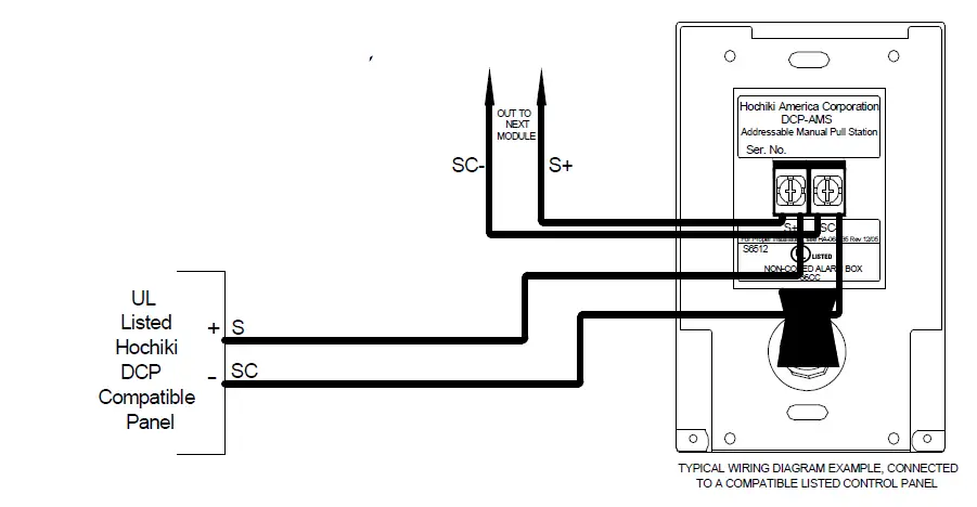
WIRING DIAGRAMS



Hochiki America Corporation DCP-AMS, DCP-AMS-LP, DCP-AMS-KL AND DCP-AMS-KL-LP
Specifications subject to change without notice.



















