outline Vegas 24 Ultra Compact Loudspeaker User Manual

SAFETY REGULATIONS
In order to avoid risks for the user’s and other people’s safety, as well as annulling the warranty, it is advisable to read the suggestions in this section for correct use of the product.
This unit was designed as part of a sound reinforcement or audio recording system.
Any use other than that foreseen by the manufacturer is carried out under the sole responsibility of the user.
- Do not expose the unit to
- Do not use the unit in locations with a high humidity level or near
- Do not allow any type of liquid or solid object to enter the unit; should this occur, stop using the unit and contact an authorized assistance centre as soon as
- The unit must ONLY be connected to the amplified output of an amplifier, a powered mixer or another unit with this type of output (e.g. a self-powered loudspeaker enclosure with an amplified auxiliary output). A suitable power cable in compliance with current safety norms must be used to connect the
- The amplifier connected to the unit must only be switched on after having connected and switched on all the other components of the sound reinforcement/recording system, to avoid annoying noises that can sometimes damage the
- The unit must only be moved when the cables are
- Only dedicated accessories, specifically designed for the system, or any standard accessories foreseen may be used when
- The mechanical operation of the product and the accessories used must be checked
- This unit produces high sound pressure levels that can damage hearing if listened to under incorrect conditions.
- The unit must only be opened and/or repaired by specialist staff.
- For any requirements of a technical nature, contact OUTLINE or authorized staff.
DISPOSAL OF WASTE MATERIALS
Your product is designed and manufactured with high quality material and components, which can be recycled and reused. When this crossed-out wheeled bin symbol is attached to a product, it means the product is covered by the European Directive 2002/96/EC and subsequent amendments. This means that the product must NOT be disposed with other waste. It is the user’sresponsibility to dispose of their electrical and electronic equipment by handing it over to an approved re-processor. For more information about where you can send your equipment for recycling, please contact your local distributor. The correct disposal of your old product will help prevent potential negative consequences for the environment and human health.
CONFORMITť
All the Outline electroacoustic and electronic devices are in accordance with the objects stated by below CEE directives:
The CE declaration of conformity is attached to the product warranty.
SťSTEM DESCRIPTION
VEGAS 24 is an ultra compact, high power, wide-dispersion externally powered loudspeaker specifically designed for under balcony fill, front fill and delay applications for professional sound reinforcement and installations of any size.
This high bandwidth, low profile device is optimized for superb vocal and instrument intelligibility and clarity due to its industry leading Common Intelligibility Scale (CIS) rating.
Only high quality Italian made components are used in this low distortion loudspeaker.
A special waveguide loaded design provides and enhances the desired precedence required for localization and other psychoacoustic effects often specified for quality installations.
Four to eight devices may be used in parallel, saving installation costs.
The compatible voicing design allows easy pairing with all other Outline loudspeakers.
The high frequency section features a 1.5”- inch compression driver (0.75” exit) coupled to an Outline proprietary waveguide to insure exceptional intelligibility. Lows utilize two 4-inch woofers (1-inch voice coil) employing a bass reflex loaded system.
The cabinet is coated with a high-tech black textured polyurea scratch free finish. Custom RAL colour repainting options are available for installations with specific cosmetic requirements.
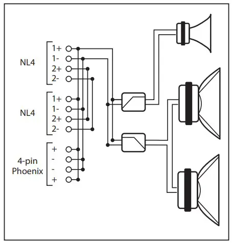
The ultra compact, high tensile strength, lightweight enclosure is equipped with two NL4 and a 4-pin Phoenix connector package that offers production quality pass thru for multiple loudspeakers in parallel.
AMPLIFIER CONNECTION
Vegas 24 is using two woofers and a compression driver with a passive cross-over. Vegas 24 requires just one amplification channel. The connections are available on two NL4 connectors and on a 4-pin
phoenix connector. Both connectors are in parallel to facilitate wiring on portable and installed systems. The system shall be used with the suggested
Outline amplifier and presets DSP.

RIGGING INSTRUCTIONS
This system offers many rigging possibilities: eight M6 screws allow to use proper rigging accessories to hang the loudspeaker (BJB1-V24 and CB-V24). One M6 screw on the top can be removed to use a
standard truss clamp. Outline recommends to always use a secondary safety device when the systems are rigged.
OTHER ACCESSORIES
A weatherproof cable protection (WPCON-03 – optional) is available to ensure the normal operation also in extreme conditions (IP x4). To install the protection cap proceed as follows:
- Drill the
- Mount the cable
- Attach the neoprene gasket following the outline of the cap. Beware to start and finish on the bottom edge.

- Unscrew the four corresponding screws on the rear
- Pass the wires through the cable gland and plug in the connector before installing the
- Secure the cap using the four screws of the rear panel unscrewed
IP55 version of Vegas 24 is also available.

OVERALL DIMENSIONS

TECHNICAL SPECIFICATIONS

BEAMWIDTH

Outline carries out on-going research for product improvement. New materials, manufacturing methods and design upgrades are introduced to existing products without prior notice as a routine result of this philosophy. For this reason, any current Outline product may differ in some aspect from its description, but will always equal or exceed the original design specifications unless otherwise stated.
Read More About This Manual & Download PDF:


















