SQUARE D EZM3400FSU Metering EZM Main Switch Instructions
INDUCTION




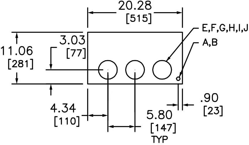
NOTES: FINISH – GRAY BAKED ENAMEL POWDER COAT PAINT OVER CLEANED GALVANNEALED STEEL. UL LISTED – FILE E-10582, VOL. M, E 131840, VOL. M SUITABLE FOR USE AS SERVICE EQUIPMENT. MAIN HORIZONTAL CROSS BUS RATED AT 800 AMPERES. MAIN DEVICES ARE SEALABLE BY UTILITY. GANGABLE MULTI-METERING EQUIPMENT IS DESIGNED FOR WALL MOUNTING ONLY. (NOT SUITABLE FOR FLOOR STANDING EQUIPMENT.) * MEETS EUSERC STANDARDS FOR WEST COAST BASED UTILITIES. DRAWING 315
ADDITIONAL NOTES:
WHEN USED AS SERVICE EQUIPMENT, INSTALL BONDING STRAP AND REINSTALL GROUND LUG WHERE APPROPRIATE. • HANDLE EXTENSION AVAILABLE, ORDER KIT AHEXLI, HANDLE IS HINGED, ALLOWING IT TO BE TUCKED UNDER THE DOOR ON THE COVER. ♦ THIS LUG IS AVAILABLE FROM SQUARE D. ORDER CATALOG NUMBER CMELK4, KIT INCLUDES 4 LUGS. t INDICATED VERSA-CRIMP CRIMPING TOOL.
| KNOCKOUTS | ||
| SAMBOL | CONDUIT SIZE | |
| IN | MM | |
| A | .50 | 13 |
| B | .75 | 19 |
| E | 1.50 | 38 |
| F | 2.00 | 51 |
| G | 2.50 | 64 |
| H | 3.00 | 76 |
| I | 3.50 | 89 |
| J | 4.00 | 102 |
DUAL DIMENSIONS: INCHES MILLIMETERS
| CATALOG NUMBER | ANDERSON | ILSCO | CMC | ||||||
| VHCL- 600- 12BN | VHCL- 750- 12BN | VACL- 1000- 12BN | LID2- 600 | 2ACL- 600 | TA-600- 2N • | AU-600- 2N (2 BARREL) | A1B2- 600- 2 | 2AB2- 600 (2 BARREL) | |
| 250-600 CU | 500-750 CU | 750-1000 AL | #2-600 AL/CU | 250-600 AL/CU | #2-600 AL/CU | (2) #2-600 AL/CU | #2-600 AL/CU | (2) #2-600 AL/CU | |
| VC-6t | VC-7t | VC-84 | MECH | IDT-12 | MECH | MECH | MECH | MECH | |
| EZM3400FSU | 1 | 1 | 1 | 1 | 1 | 1 | 1 | 1 | 1 |
| SYSTEM TYPE | MAIN RATING (AMPERES) | CATALOG NUMBER * | MOLDED CASE SWITCH (FACTORY INSTALLED) | PROVISION TO MOUNT 300V CLASS T FUSES (ORDER SEPARATELY) FUSE RANGE AVAILABLE | LINE PHASE AND NEUTRAL LUG LANDING PADS PROVIDED FOR USE WITH CRIMP-TYPE LUGS(2-HOLE MOUNTING) QUANTITY OF LUGS PER PAD. | GROUND LUG WIRE RANGE (FACTORY INSTALLED) |
| 30 4W 208Y/120VAC OR 240/120VAC DELTA | 400 | EZM3400FSU | LHF36000M (100kA)• | 225-400A | 1(ORDER LUGS SEPARATELY) | (1) #6-300 |
EZ METER-PAK GANGABLE MULTI-METERING EQUIPMENT 400A 3PH 4W MAIN FUSIBLE SWITCH DEVICES UNDERGROUND FEED ONLY RAINPROOF NEMA TYPE 3R ENCLOSURE



















