STEGO FTO Preset Thermostat

warning
There is a risk of personal injury and equipment damage if the connection values are not observed or polarity is incorrect!


USAGE
The temperature controllers are used for controlling heaters, coolers, filter fans and heat exchangers in stationary, sealed housings for electrical devices. In addition, they can also be used as switching contacts (min. 24V, 20mA) for signal devices used as low- or high-temperature alarms.
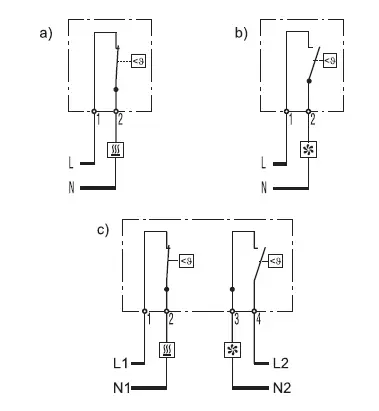
Versions
- Normally closed contact (switching contact opens when temperature increases)
- Normally open contact (switching contact closes when temperature decreases)
- Combination (combinations of a) and b))
Safety considerations
- Installation must only be performed by qualified electrical technicians in observation of the respective national power-supply guidelines (IEC 60364).
- The safety measures according to VDE 0100 are to be ensured.
- The technical specifications on the type plate must be strictly observed!
- No changes or modifications must be made to the device.
- In case of apparent damage or malfunction, the device may not be repaired or put into operation. (Dispose of device.)
- The contact system of the regulator is exposed to environmental influences. This can result in a change in the contact resistance, which can lead to a drop in voltage and/or self-warming of the contacts.
- Notice: From an ambient temperature in the electric cabinet of 70°C (158°F), a heat-resistant cable must be used to connect the thermostat.
Installation guidelines
- The regulator should be installed in the upper area of the electric cabinet as far as possible from heaters or other heat-gener-ating components.
- The device must not be covered.
- The device must not be operated in environments with aggressive atmospheres.
Technical Data
- Sensor: thermo bimetal
- Type of contact: snap-action contact
- Suitable for environmental conditions of pollution grade 2
- Overvoltage category III
- Mode of operation: 1. B
- Rated impulse voltage: 4kV
Notice
The manufacturer accepts no liability in the case of failure to observe this brief instruction, improper use, and changes or damage to the device.




















