MONTE CARLO 3ERAR44XXD Visual Comfort Fan

Cautions and Warnings
WARNING: TO REDUCE THE RISK OF FIRE, ELECTRIC SHOCK, OR INJURY TO PERSONS, FOLLOW THESE INSTRUCTIONS.
- Installation work and electrical wiring must be done by qualified person(s) in accordance with applicable codes and standards (ANSI/NFPA 70), including fire-rated construction.
- Use this unit only in the manner intended by the manufacturer. If you have any questions, contact the manufacturer.
- After making the wire connections, the wires should be spread apart with the grounded conductor and the equipment-grounding conductor on one side of the outlet box and ungrounded conductor on the other side of the outlet box. The splices, after being made, should be turned upward and pushed carefully up into the outlet box.
- WARNING: Before you begin installing, servicing or cleaning the fan unit, switch the power off at the service panel and lock the service panel to prevent the power from being switched back on accidentally. If the service panel cannot be locked to prevent the power from being switched on accidentally, securely fasten a warning sign to the service panel.
- Be cautious! Read all instructions and safety information before installing your new fan. Review the accompanying assembly diagrams.
- When cutting or drilling into wall or ceiling, do not damage electrical wiring and other hidden utilities.
- Make sure the installation site you choose allows the fan blades to rotate without any obstructions. Allow a minimum clearance of 7 feet from the floor to the trailing edge of the blade.
- WARNING: To reduce the risk of fire, electric shock, or personal injury, mount to outlet box marked “Acceptable for Fan Support of 15.9 kg (35 lbs) or less” and use mounting screws provided with the outlet box.
- CAUTION: Comply with local codes and regulations. If installing the secondary support safety cable in the U.S., do not remove knockouts in the outlet box. Mount the secondary support safety cable through the reserved nail/screw hole on the outlet box to the building structure or the ceiling joist.
- WARNING: To reduce the risk of personal injury, do not bend blade holders during installation to motor, balancing or during cleaning. Do not insert foreign object between rotating blades.
- Attach the mounting bracket using only the hardware supplied with the outlet box.
- WARNING: To reduce the risk of fire or electric shock, this fan should only be used with fan speed control part no. UC9031 manufactured by Rhine Electronic Co., Ltd.
- WARNING: To reduce the risk of fire or electric shock, do not use this fan with any other solid state fan speed control device, or variable speed control.
- If this unit is to be installed over a tub or shower, it must be marked as appropriate for the application.
- Never place a switch where it can be reached from a tub or shower.
- The combustion airflow needed for safe operation of fuel-burning equipment may be affected by this unit’s operation. Follow the heating equipment manufacturer’s guideline safety standards such as those published by the National Fire Protection Association (NFPA), and the American Society for Heating, Refrigeration and Air Conditioning Engineers (ASHRAE) and the local code authorities.
- CAUTION: To reduce the risk of electric shock, disconnect the electrical supply circuit to the fan before installing the light kit.
- CAUTION: The light source is designed for this specific application and can overheat if serviced by untrained personnel. If any servicing is required, the product should be returned to an authorized service facility for examination or repair.
All set screws must be checked and tightened where necessary before installation. - Note: Suitable for use in damp locations. Install the fan under covered or enclosed patios or porches.
Tools Required for Assembly (not included): Electrical Tape, Phillips Screwdriver, Pliers, Safety Glasses, Stepladder and Wire Strippers
INSTALLATION INSTRUCTION
- Before you begin installing the fan, Switch power off at Service panel and lock service disconnecting means to prevent power from being switched on accidentally. When the service disconnecting means cannot be locked, securely fasten a warning device, such as a tag, to the service panel. Use AC 120V/60HZ power supply only.

- Before installing this fan make sure the outlet box is properly installed to the house structure. To reduce the risk of fire, electric shock, or personal injury, mount to outlet box or supporting system acceptable for fan support. (Mounting must support at least 35 lbs.)

- Use metal outlet box suitable for fan support and use only the screws provided with the outlet box (must support 35 lbs). Before attaching fan to outlet box, ensure the outlet box is securely fastened by at least two points to a structural ceiling member ( a loose box will cause the fan to wobble).

- Install the mounting bracket onto the outlet box. Partially loosen the two screws on the outlet box, attach the mounting bracket onto the outlet box by sliding it over the two screws as shown in the illustration. Have the mounting bracket in position and tighten the set screws.

- Partially loosen downrod set screws from yoke at top of motor assembly. Remove preassembled keeper pin and cross pin from downrod. Keep parts

- Place downrod over canopy and yoke cover. Thread lead wires and safety cable from motor assembly through downrod.

- Slip downrod into motor housing yoke, aligning holes and install cross pin and keeper pin. Insert cross pin through yoke and downrod until point appears on the other side, and insert keeper pin on cross pin. Pull the downrod up tight against the cross pin, and then evenly tighten the downrod set screws on motor housing yoke. Place yoke cover on top housing of fan.

Warning: Cross pin and keeper pin must be installed securely, failure to install them will result in serious injury. - Install ball end of downrod into mounting bracket opening. Align (engage) slot on ball with tab on mounting bracket.
Warning: Failure to align slot on ball with tab may result in serious injury.
Important: If using the angle mount, make sure open end of mounting bracket is installed facing the higher point of the ceiling and make sure the ceiling angle is not steeper than 20º. Longer downrod may be necessary allowing the fan blades to rotate without obstructions.
- Safety cable must be installed into the house structure using 3” lag screws, washers, and lock washers provided, required for outdoor applications and in Canada (All fans installed in Canada), and for USA fan and light kit combinations over 35lbs. Make sure that when the safety cable is fully extended the lead wires are longer than the cable and no stress is placed on the lead wires.
Note: If Installing The Secondary Support Safety Cable in the U.S., Do Not Remove Knockouts In The Outlet Box.
- Refer to page 7 for wiring, installation and operation of Wall controller. Do not operate the fan or light until it is installed completely.

- After making the wire connections, the wires should be spread apart with the grounded conductor and the equipment-grounding conductor on one side of the outlet box and ungrounded conductor on the other side of the outlet box. The splices after being made should be turned upward and pushed carefully up into the outlet box.

- Lift Canopy allowing the 2 studs to protrude through the canopy and install the knurled nuts as shown. Tighten the knurled nuts securely. The canopy should adjust for any irregularity in the ceiling or Outlet box. Make sure the studs protruding from the bottom of the Mounting bracket are installed with threads all the way through the bracket.

- Insert blade into the slot on flywheel. Install blade with screws and washers provided, aligning each of the holes as shown and tighten all screws securely. Repeat this process for remaining blades.

- Loosen 2 and remove 1 preassembled screw from the plate on motor. Save screw for later use.

- Connect the quick connector to the connector from the light pan. Be sure plugs connection clasped together firmly. Attach light pan onto the plate on motor, Place light pan over the lead wires from fan, aligning the keyhole slots on the light pan with the preassembled screws on the plate. Twist clockwise till lock. Reinstall the other screw. Tighten all screws securely.

- Loosen 2 and remove 1 preassembled screw from light pan. Save screw for later use.

- Connect white wire from fan to white wire from light fixture and then connect blue (or black) wire from fan to black (or blue) wire from light fixture. Be sure plugs connection clasped together firmly. Attach light fixture onto the light pan, aligning the keyhole slots on the light fixture with the preassembled screws on the light pan. Twist clockwise till lock. Reinstall the other screw. Tighten all screws securely.

- Install 2 x 9-watt medium base enclosed type of LED lamps.
Caution: Approved for use with LED light bulb only (Part No. 97512S).
Do not use incandescent light bulb.
Caution: Do not replace bulb until it cools down.
- Attach glass by locating dimples in light pan with grooves on the glass and twist clockwise until tight.

- Setting the reverse switch on the left hand side will result in downward airflow and setting the switch on the right hand side will result in upward airflow.
Note: Reverse switch must be set either way completely. If the reverse switch is set in the middle position, fan will not operate.
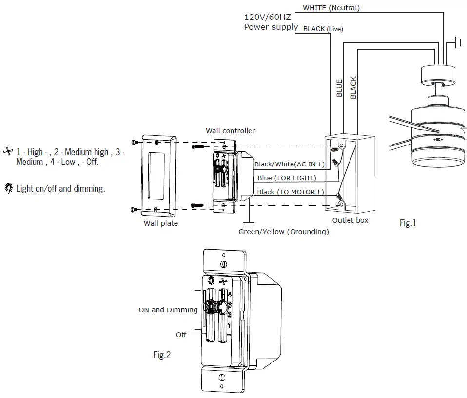
Wall Control Wiring, Installation and Operation
Warning: Before proceeding, be sure to shut off electricity at main switch or circuit breaker in order to avoid electrical shock.
Note: Before installing the wall transmitter, place it in OFF position. (Fig.2)
Make series-wound connection for the wall controller with HOT wire from house and lead wires from fan. Connect the black/white wire marked “AC IN L” from wall controller to the HOT wire from house and then connect the black wire marked “TO MOTOR L” of wall controller to the fan lead wire from fan in outlet box. Connect the blue wire marked “FOR LIGHT” from wall controller to the light lead wire from fan (fan with light) Connect green/yellow grounded wire to grounded wire from outlet box. Install the wall controller to outlet box using machine screws provided. Attach wall plate to wall control unit with screws provided. (Fig.1)
Operation
This wall controller provides 4 fan speeds, light on/off and light dimming control.(Fig.2)
Troubleshooting
If you have difficulty operating your new ceiling fan, it may be the result of incorrect assembly, installation, or wiring. In some cases, these installation errors may be mistaken for defects. If you experience any faults, please check this Troubleshooting Chat. If a problem cannot be remedied, or you are experiencing difficulty in installation, please call our Customer Service Center at the number printed on your parts list insert sheet.
Warning: Before you begin installing, servicing or cleaning the fan unit, switch the power off at the service panel and lock the service panel to prevent the power from being switched back on accidentally. If the service panel cannot be locked to prevent the power from being switched on accidentaly, securely fasten a warning sign to the service panel.

To register your fixture, please visit our website www.montecarlofans.com
Customer Service
800-969-3347
Customer Service Center
7400 Linder Ave.
Skokie, IL 60077
www.montecarlofans.com

































