GigaDevice GD32W515 MD1 Module
Test Preparation
Hardware Configuration 
- The module(on which the Wi-Fi chip “GD32W515” is mounted) to be tested is shown in the figure below, where the EVAL board provides communication and power supply configurations for the module.
- Before testing, make sure that the five jumpers shown in the picture are all connected, and the two dip switches on the lower right side need to be turned to the right.
- The bottom right square button needs to be pressed to ensure that the module can be used. The side button at the bottom right corner is the reset button.
- After connecting the USB cable to the computer, power supply and serial communication can be realized.
Software Configuration
- Driver installation: After the EVAL board hardware and test system are set up, connect the EVAL board and the PC with a USB cable. First install the USB-Serial driver “mbedWinSerial_16466.rar” on the PC side. After decompression, double-click the .exe file to install. After the installation is complete, you can see the serial device and its serial number in the “Device Manager” on the PC side.

- After the driver is installed, you can see the new “DAPLINK” drive letter in the PC-“Explorer”, copy and paste the RF test firmware to this drive letter and wait a while, the firmware of the Wi-Fi chip can be burned, press the reset button to restart the chip.

- To start the test, use the test tool or serial port command. It is recommended to use the test tool to do the test.
Using of RF Test Tool
Introduction to the tool
The following figure shows the interface and function description of the RF test tool named “GD RF Test Tool” used by the GD Wi-Fi chip.
Test initialization
- Serial port connection: select the serial port number from the “COM” drop-down menu in the tool interface, and click the button “Connect”. At this time, the text displayed on the button will change to “Disconnect”, indicating that the serial port is successfully connected. Otherwise, please check the serial port connection.
- Mode setting: The default “RF Test Normal” does not need to be changed, it takes effect after clicking “Initialize”, and then the button displays the text “De-initialize”, indicating that the RF Test Normal mode has been successfully entered. (Please note that the mode must not be wrong).
- If the development board is restarted or replaced with other development boards during the test, you need to repeat steps 1-2. If the button is displayed as the previous state “Disconnect” and “De-initialize” at this time, you need to press it twice in succession to reconnect and initialize the serial port.
Continuous Packet TX test
This test item is defined as tx duty=100% modulated signal, used for certification test.
- DUT settings: Set “Test Item” in the tool interface to “Continuous TX”, and set optionssuch as “Channel”, “Rate”, and “Bandwidth”.
- After the above settings are completed, the lower “power level” column will automatically display the default power for this rate. Adjust the transmit power by setting the “add power” value, and then click “Start”, and the chip will start TX RF signal.
- The opposite instrument receives the signal and starts the test.
- TX adjustment: If need to modify any of the above settings, click “Stop” to stop tx, then modify the settings, and then click “Start” to start the test.
- For “add power”, it is used to adjust the transmit power, step unit = 0.25db, expected power = default power (“power level”) + power adjustment value (“add power”).
As shown in the figure below, it means channel=1(2412MHz), rate=11G 6M, power=17dbm, continuous tx.
Transmit power setting
The following table describes the setting parameters of the test tool. The target power is achieved by adjusting the “add power” parameter.
Example : RATE=1M, CHANNEL=11, the tool setting is as shown in the figure below. 
Receiving test
This test item is used to test the receiving performance.
- Set “Test Item” to “Packet RX”, set “Channel”, “Bandwidth”.
- Click “Start”.
Wi-Fi Radio characteristics
Transmitter EIRP power characteristics
| Parameter | Rate | FCC Typ | CE Typ | Unit |
| Tx EIRP Power | 11b | 20.9 | 18.17 | dBm |
| 11g | 18.9 | 18.14 | ||
| 11n, BW20M | 18.9 | 18.11 | ||
| 11n, BW40M | 15.9 | 17.19 |
Note: PCB Antenna Gain=2.9dBi
Receiver sensitivity characteristics
| Parameter | Rate | Typ | Unit |
|
Rx Sensitivity | 11b,1Mbps | -97.6 |
dBm |
| 11b,2Mbps | -94.4 | ||
| 11b,5.5Mbps | -92.1 | ||
| 11b,11Mbps | -87.6 | ||
| 11g,6Mbps | -94.3 | ||
| 11g,9Mbps | -92.5 | ||
| 11g,12Mbps | -91.0 | ||
| 11g,18Mbps | -89.1 | ||
| 11g,24Mbps | -84.6 | ||
| 11g,36Mbps | -82.4 | ||
| 11g,48Mbps | -77.0 | ||
| 11g,54Mbps | -76.3 | ||
| 11n,HT20,MCS0 | -94.0 | ||
| 11n,HT20,MCS1 | -90.3 | ||
| 11n,HT20,MCS2 | -88.5 | ||
| 11n,HT20,MCS3 | -84.4 | ||
| 11n,HT20,MCS4 | -82.0 | ||
| 11n,HT20,MCS5 | -76.6 | ||
| 11n,HT20,MCS6 | -75.6 | ||
| 11n,HT20,MCS7 | -74.2 | ||
| 11n,HT40,MCS0 | -89.6 | ||
| 11n,HT40,MCS1 | -85.4 |
| 11n,HT40,MCS2 | -83.5 | ||
| 11n,HT40,MCS3 | -80.3 | ||
| 11n,HT40,MCS4 | -77.9 | ||
| 11n,HT40,MCS5 | -72.7 | ||
| 11n,HT40,MCS6 | -71.8 | ||
| 11n,HT40,MCS7 | -70.7 |
Rx Maximum Input Level
| Parameter | Rate | Typ | Unit |
|
Rx Maximum Level Input | 11b,1Mbps | 8.5 |
dBm |
| 11b,11Mbps | 8.5 | ||
| 11g,6Mbps | 8.5 | ||
| 11g,54Mbps | 4.6 | ||
| 11n,HT20,MCS0 | 8.5 | ||
| 11n,HT20,MCS7 | 3.7 | ||
| 11n,HT40,MCS0 | 5.2 | ||
| 11n,HT40,MCS7 | 3.7 |
Parameter conditions
Unless otherwise specified, all values given for VDD = VDDA = AVDD33_ANA = AVDD33_PA = AVDD33_CLK = 3.3 V, TA = 25 ℃.
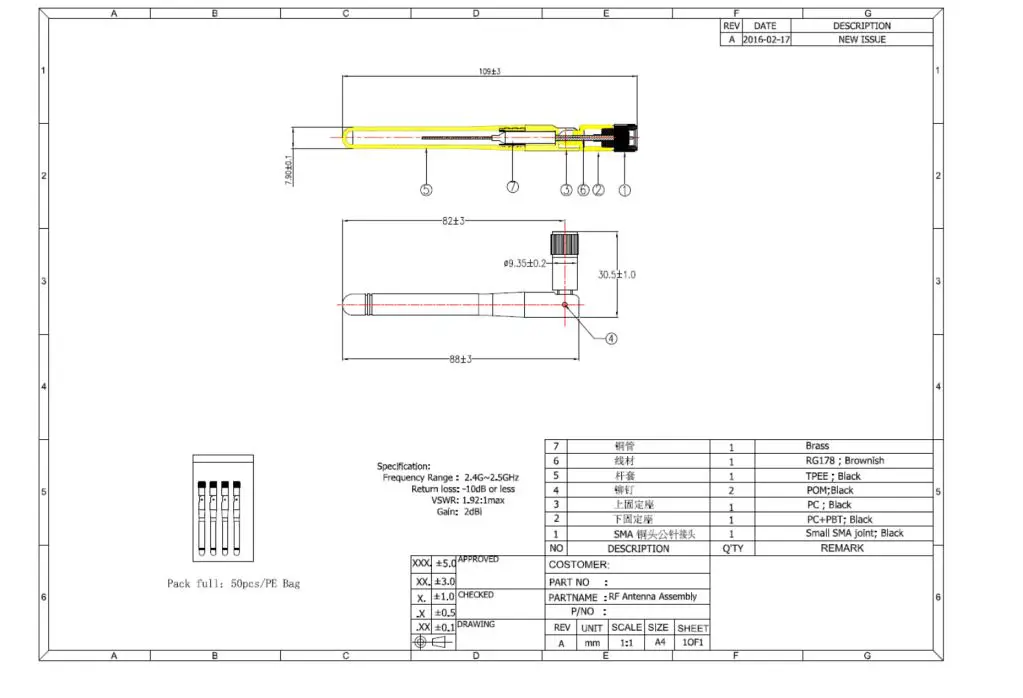
External antenna information
PRODUCT NAME: 2.4G -2dBi small SMA copper head male pin black antenna Manufacturer: HUAXIN Communication
| Main technical specifications | |
| Frequency Range(MHZ) | 2400-2500 |
| Impedance(Ω) | 50 |
| Gain(dBi) | 2±0.5 |
| VSWR | ≦1.92 |
| Admitted Power | 10W |
| Polarization | Linear, Vertical |
| Radiation | Omni-directional |
| Connector Type | SMA | |
| Physical Properties | ||
| Antenna cover | TPEE | |
| Operating Temp | -20℃~+70℃ | |
| Storage Temp | -20℃~+70℃ | |
Specification drawinG
Warning
OEM/Integrators Installation Manual
Important Notice to OEM integrators
- This module is limited to OEM installation ONLY.
- This module is limited to installation in mobile or fixed applications, according to Part 2.1091(b).
- The separate approval is required for all other operating configurations, including portable configurations with respect to Part 2.1093 and different antenna configurations
- For FCC Part 15.31 (h) and (k): The host manufacturer is responsible for additional testing to verify compliance as a composite system. When testing the host device for compliance with Part15 Subpart B, the host manufacturer is required to show compliance with Part 15 Subpart B while the transmitter module(s) are installed and operating. The modules should be transmitting and the evaluation should confirm that the module’s intentional emissions are compliant (i.e. fundamental and out of band emissions). The host manufacturer must verify that there are no additional unintentional emissions other than what is permitted in Part 15 Subpart B or emissions are complaint with the transmitter(s) rule(s).
The Grantee will provide guidance to the host manufacturer for Part 15 B requirements if needed.
Important Note
notice that any deviation(s) from the defined parameters of the antenna trace, as described by the instructions, require that the host product manufacturer must notify to XXXX that they wish to change
the antenna trace design. In this case, a Class II permissive change application is required to be filed by the USI, or the host manufacturer can take responsibility through the change in FCC ID (new
application) procedure followed by a Class II permissive change application.
End Product Labeling
When the module is installed in the host device, the FCC ID label must be visible through a window on the final device or it must be visible when an access panel, door or cover is easily re-moved. If not, a second label must be placed on the outside of the final device that contains the following text: “Contains FCC ID: 2A3BS-GD32W515MD1”
The FCC ID can be used only when all FCC compliance requirements are met.
Antenna Installation
- The antenna must be installed such that 20 cm is maintained between the antenna and users,
- The transmitter module may not be co-located with any other transmitter or antenna.
- Only antennas of the same type and with equal or less gains as shown below may be used with this module. Other types of antennas and/or higher gain antennas may require additional authorization for operation.
| Antenna type | 2.4GHz band Peak Gain (dBi) | ||
| PCB Antenna | 2.9 |
In the event that these conditions cannot be met (for example certain laptop configurations or co-location with another transmitter), then the FCC authorization is no longer considered valid and the FCC ID cannot be used on the final product. In these circumstances, the OEM integrator will be responsible for re-evaluating the end product (including the transmitter) and obtaining a separate FCC authorization.
Manual Information to the End-User
The OEM integrator has to be aware not to provide information to the end-user regarding
how to install or remove this RF module in the user’s manual of the end product which
integrates this module. The end-user manual shall include all required regulatory information/warning as shown in this manual.
Federal Communication Commission Interference Statement
This device complies with Part 15 of the FCC Rules. Operation is subject to the following two conditions: (1) This device may not cause harmful interference, and (2) this device must accept any interference received, including interference that may cause undesired operation.
This equipment has been tested and found to comply with the limits for a Class B digital device, pursuant to Part 15 of the FCC Rules. These limits are designed to provide reasonable protection against harmful interference in a residential installation. This equipment generates, uses and can radiate radio frequency energy and, if not installed and used in accordance with the instructions, may cause harmful interference to radio communications. However, there is no guarantee that interference will not occur in a particular installation. If this equipment does cause harmful interference to radio or television reception, which can be determined by turning the equipment off and on, the user is encouraged to try to correct the interference by one of the following measures:
- Reorient or relocate the receiving antenna.
- Increase the separation between the equipment and receiver.
- Connect the equipment into an outlet on a circuit different from that to which the receiver is connected.
- Consult the dealer or an experienced radio/TV technician for help.
Any changes or modifications not expressly approved by the party responsible for compliance could void the user’s authority to operate this equipment. This transmitter must not be co-located or operating in conjunction with any other antenna or transmitter.
List of applicable FCC rules
This module has been tested and found to comply with part 15.247 requirements for Modular Approval.
The modular transmitter is only FCC authorized for the specific rule parts (i.e., FCC transmitter
rules) listed on the grant, and that the host product manufacturer is responsible for compliance to
any other FCC rules that apply to the host not covered by the modular transmitter grant of certification. If the grantee markets their product as being Part 15 Subpart B compliant (when it also
contains unintentional-radiator digital circuity), then the grantee shall provide a notice stating that
the final host product still requires Part 15 Subpart B compliance testing with the modular transmitter installed.
This device is intended only for OEM integrators under the following conditions: (For module device use)
- The antenna must be installed such that 20 cm is maintained between the antenna and users, and
- The transmitter module may not be co-located with any other transmitter or antenna.
As long as 2 conditions above are met, further transmitter test will not be required. However, the OEM integrator is still responsible for testing their end-product for any additional compliance requirements required with this module installed.
Radiation Exposure Statement
This equipment complies with FCC radiation exposure limits set forth for an uncontrolled environment. This equipment should be installed and operated with minimum distance 20 cm between the radiator & your body.
RF Exposure Information for CE
The device could be used with a separation distance of 20cm to the human body.
DoC website information for CE
Hereby, GigaDevice Semiconductor Inc. declares that the radio equipment type GD32W515_MD1 is in compliance with Directive 2014/53/EU.
Important Notice
This document is the property of GigaDevice Semiconductor Inc. and its subsidiaries (the “Company”). This document, including
any product of the Company described in this document (the “Product”), is owned by the Company under the intellectual property laws and treaties of the People’s Republic of China and other jurisdictions worldwide. The Company reserves all rights under such
laws and treaties and does not grant any license under its patents, copyrights, trademarks, or other intellectual property rights. The names and brands of third party referred thereto (if any) are the property of their respective owner and referred to for identification purposes only.
The Company makes no warranty of any kind, express or implied, with regard to this document or any Product, including, but not limited to, the implied warranties of merchantability and fitness for a particular purpose. The Company does not assume any liability arising out of the application or use of any Product described in this document. Any information provided in this document is provided only for reference purposes. It is the responsibility of the user of this document to properly design, program, and test the functionality and safety of any application made of this information and any resulting product. Except for customized products which has been expressly identified in the applicable agreement, the Products are designed, developed, and/or manufactured for ordinary business, industrial, personal, and/or household applications only. The Products are not designed, intended, or authorized for use as components in systems designed or intended for the operation of weapons, weapons systems, nuclear installations, atomic energy control instruments, combustion control instruments, airplane or spaceship instruments, transportation instruments, traffic signal instruments, life-support devices or systems, other medical devices or systems (including resuscitation equipment and surgical implants), pollution control or hazardous substances management, or other uses where the failure of the device or Product could cause personal injury, death, property or environmental damage (“Unintended Uses”). Customers shall take any and all actions to ensure using and selling the Products in accordance with the applicable laws and regulations. The Company is not liable, in whole or in part, and customers shall and hereby do release the Company as well as it’s suppliers and/or distributors from any claim, damage, or other liability arising from or related to all Unintended Uses of the Products. Customers shall indemnify and hold
the Company as well as it’s suppliers and/or distributors harmless from and against all claims, costs, damages, and other liabilities,
including claims for personal injury or death, arising from or related to any Unintended Uses of the Products.
Information in this document is provided solely in connection with the Products. The Company reserves the right to make changes, corrections, modifications or improvements to this document and the Products and services described herein at any time, without notice.




Wi-Fi Radio characteristics


















