HS-FLS100+ | Z-Wave Plus Floodlight Sensor
Be sure to visit our website for the most up-to-date information about this product: https://homeseer.com/support-home/
Overview
The HS-FLS100+ is a PIR module that’s designed to retrofit existing outdoor floodlights. It features a PIR sensor to detect motion through the movement of heat sources and a LUX sensor for determining the brightness of its surroundings. It is equipped with Z-Wave Plus wireless communication capability that will convert an ordinary motion-activated floodlight into a smart home device.
Conventional Floodlight Mode
HS-FLS100+ can be used as a conventional motion-activated floodlight sensor to power floodlights when motion is sensed during dark hours. Controls are provided for manual adjustment of LUX sensitivity and floodlight ON times.
Smart Floodlight Mode
When added to a smart home system, HS-FLS100+ will send Z-Wave commands to the smart hub or home controller when motion is sensed and when the LUX level changes. Likewise, the smart hub or home controller can send Z-Wave commands back to the HS-FLS100+ to turn floodlights ON and OFF. This added functionality provides a very high level of flexibility not typically available in conventional motion-activated floodlights.
Smart Sensor Mode
HS-FLS100+ can be installed and used simply as an outdoor motion and LUX sensor. Floodlight functionality is not required. This provides some interesting security and smart home possibilities!
S2 Security
This product supports the S2 security protocol that uses encrypted Z-Wave Plus messages to communicate to other security-enabled Z-Wave Plus products. A security-enabled Z-Wave Plus controller must be used in order to fully utilize the security features of this product.
Product Overview

| 1. PIR Lens | 4. Lux knob |
| 2. LED indicator (hidden behind the lens) | 5. Timer Knob |
| 3. Link button | 6. Threaded arm |
The below diagram shows a typical assembly of HS-FLS100+ on a floodlight fixture (provided).

Note: Please read this entire instruction manual before you start the installation.
IMPORTANT
Installation must be performed by skilled technicians who are informed about the standards and technical requirements of the appliance and its
proper installation.
Check your local codes as they apply to your situation. If the house wiring is of aluminum, consult with an electrician about proper wiring methods.
Before proceeding with the installation, TURN OFF THE POWER TO THE LIGHTING CIRCUIT AT THE CIRCUIT BREAKER OR FUSE BOX TO AVOID
ELECTRICAL SHOCK.
SAFETY PRECAUTION
- DO NOT install when it is raining.
- Isolate the power supply before installation.
- Ensure that local Wiring and Building regulations are complied with.
- The unit is supplied with a pre-wired supply cable this must be used and must not be removed.
- Total lighting load to HS-FLS100+ not exceed:
– 300W incandescent @ AC120V
– 100W LED @ AC120V with 0.8 pF Driver
Installation & Wiring instructions
Note: As with any outdoor installation work it is always recommended to start early during the day.
WARNING: TURN OFF POWER BY REMOVING THE POWER FUSE OR TURNING OFF THE CIRCUIT BREAKER BEFORE INSTALLATION.
Taking down the existing floodlight
- With the mains supply turned off, if possible remove the lamps from the bulb holders of the existing floodlight to avoid any damage during the installation.
- Carefully detach the floodlight from the wall by removing its mounting screws. Keep all parts for reuse later, including any rubber rings. Take note of the direction of the rubber gasket as it needs to be reassembled later in the same way.

- Disconnect the mains wire from the floodlight by untwisting the wire nuts.
- When done, place the floodlight on a table to prepare for wiring the HS-FLS100+.
Removing old motion sensor
(Skip this section if the existing floodlight has no motion sensor) - Locate the wires coming from the old motion sensor, usually colored black, white and red.

- Disconnect the wires of the motion sensor by cutting it if necessary.
- Remove the old motion sensor from the mounting base by twisting its threaded arm counterclockwise.
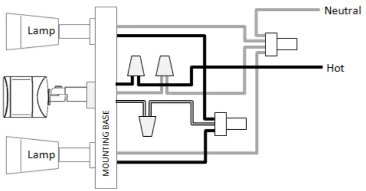
Wiring up the HS-FLS100+ - Screw the threaded arm of HS-FLS100+ into the mounting base. For typical wall installation, HS-FLS100+ should be located at the bottom of the mounting base.
- Connect up the wiring as in the diagram below, using wire nuts to join the wires. If replacing an old motion sensor, simply follow the same wiring color as the old motion sensor.

- Route the power leads through the rubber gasket to get ready for the wall mount.
Ensure the rubber gasket is facing the same direction as it was before. - When completed, turn the knobs of Time-Off on the unit to the “T”mark, and turn the knob of Lux on the unit to the “
” mark.
Assembling back the floodlight - Connect back the mains wire as before. Tuck the wire nuts and excess cable neatly inside the junction box.
- Screw the lighting floodlight back into position using its mounting screws.
Place the rubber rings back into their positions. - Insert the lamps removed earlier back into the bulb holders, adjust the lamp direction if necessary.
- Reinstate the power supply to the floodlight and switch on the wall switch, if installed. The floodlight will turn on for around 5 seconds for a warm-up and then turn off. It is now in ‘Test Mode’.
Walk Test
The user can perform a walk test to ensure the PIR detector’s range falls within the desired area of coverage.
- Walk through its PIR Detector coverage area. The floodlight turns on when you move and turns off after approximately 5 seconds. Wait for the floodlight to turn off before the next test.
- When you are satisfied with the coverage area you can now set the desired Time period and Lux level.
Time and Lux adjustment
You can set desired Time period and Lux level through;
(i) the Z-Wave controller after connecting to a Z-Wave network (see next section)
or,
(ii) manually adjusting the knobs on the unit if not connected to a Z-Wave network. The following section describes the steps for manual setting.
- Time adjustment
The time-off knob controls how long the floodlight will stay on after the motion is detected. Turning the knob towards the + sign increases the time (up to about 12 minutes) or towards the T decreases it (down to about 8 seconds). The recommended setting is around the midpoint of the scale giving approximately 5 minutes.
- Lux level adjustment
The LUX knob sets the threshold of ambient brightness level that will activate the motion sensor. The knob can be adjusted between T (always trigger regardless of light level) and the moon symbol (trigger only when dark). The adjustable Lux range is about 30 – 200 Lux.
- To set the lux level, turn the Time-off knob to “T” for maximum response.
- Turn the LUX control knob to the “moon” (dusk) position.
- Wait until the ambient light reaches the level of darkness at which you wish the floodlight to activate.
- Slowly rotate the Lux knob anti-clockwise while keeping creating motion during the process until the floodlight turns on. At this position, the light will operate at approximately the same level of darkness each evening.
- Set the Time-off knob back to the desired preset time.
| Commands from Controller | Commands |
| Turn on Floodlight | Switch Binary Set ON Basic Set On |
| Turn off Floodlight | Switch Binary Set-Off/ Basic Set-Off. Note: The floodlight will revert back to its own self-control only after this command is sent. |
| Set Timer | Configuration settings. Parameter I |
| Set Lux level | Configuration settings. Parameter 2 |
| Read Lux level | Multilevel sensor: 0x03 |
Note: When connected to a Z-Wave controller, this manual setting will be overwritten by the settings through the Z-Wave controller.
Z-Wave Auto Inclusion
The unit supports the Auto Inclusion feature where it will automatically enter Inclusion mode when first powered up after a factory reset.
- Turn off power to the floodlight by turning off the wall switch.
- Try to relocate the Z-Wave controller nearer to the floodlight, with at most one wall separation between them.
- Put the Z-Wave Controller into Inclusion mode.
- Turn on the wall switch of the floodlight. The floodlight will then turn on for 5 seconds and the Link LED will start to blink slowly.
- When the Link LED stops blinking, the inclusion process is complete.
Note: If you are connecting this unit to a Z-Wave controller that utilizes the S2 security protocol, you may be asked by your controller to enter a 5-digit Device Specific Key (DSK) that is unique to each unit. This can be found in one of two places:
– on the QR code label on the back of the unit
– on the insert card inside the packaging. - Turn on the floodlight using the Z-Wave controller to check if the auto inclusion is working properly.
If Auto Inclusion fails, refer to the Troubleshooting section regarding Manual Inclusion
Note: HS-FLS100+ supports the latest S2 security offered by Z-Wave certified controllers. If your controller supports S2, please refer to the user guide of the controller for detailed instructions on adding or removing devices to/from the network.
Operation
Z-Wave Group
The unit supports either one of two Z-Wave Association Groups:
Group 1: Association with 1 Controller node.
Group 2: Association with 4 nodes (i.e. end devices such as smart plugs and other lighting controllers). This allows the PIR detector on the unit to transfer commands directly to other Z-Wave end devices without the participation of the controller. This has the effect that when its detector triggers, all devices associated with the unit will be operated.
Command overview
The table below is the control commands that can be sent from the controller. Refer to the Programming section for details on sending these commands.
Notification overview
The table below shows the notifications sent by the unit whenever an event occurs. Refer to the Programming section for details of these notifications.
| Sensor Event | Floodlight behavior | Z-Wave commands/notification | Remark | |
| Lux sensor | PIR sensor | |||
| Daylight | Trigger | 8 | When Trigger: – Notification, RR Trigger ON: Group 1 When the timer expires: – Notification, RR Trigger OFF: Group 1 | Z-Wave command is sent even if floodlight is off |
| Night.Or Lux knob set to ‘7″ | Trigger | On. until the timer expires | When Trigger: – Notification, FIR Trigger ON: Group 1 – Switch Binary Report: Group / – Basic Set On: Group 2 When the timer expires: – Notification, FIR Trigger OFF: Group 1 – Switch Binary Report: Group 1 – Basic Set-Off: Group 2 | |
| Other Events | Floodlight behavior | Z-Wave commands/notification | Remark |
| 1st power on | On for 5 seconds | Notification: First Power Up: Group 1 | |
| Device Factory reset | NA | Device Reset Locally Notification: Group 1 |
Programming
Z-Wave Plus Info
| Role Type | Node Type | Installer Icon | User Icon |
| Slave Always ON | Z-Wave Plus node | Sensor Notification | Sensor Notification |
| Device Type | Device Type |
Association Command Class
| Group | Max Node |
| 1 | 1 |
| 2 | 4 |
Version
| Protocol Library | 3 (Slave Enhance 232 Library) |
| Protocol Version | 5.3 (3.71.03) |
| Firmware Version | xVy (x=1, y=1 means 1V1) |
| Hardware Version | 1 |
Manufacturer
| Manufacturer ID | Product Type | Product ID |
| 0x0060 (Everspring) | Ox0010 | 0x13031 |
| 0x000C (HomeSeer) | 0x0201 | 30313 |
AGI (Association Group Information) Table
| Group | promo | Logresand Class E. Command (List) | Group Name(UTF-8) |
| 1 | General | Device Reset Locally Notification Notification Report Binary Report Sensor Multilevel Report Basic Report | Lifeline |
| 2 | Control | Basic Set | PIR Control |
Notification Report
| Event | Type | Event | Event Parameters Length | Event Parameters |
| First power up | 0x08 | Ox01 | Ox00 | |
| PIR Trigger ON | 0x07 | 0x08 | 0x00 | |
| PIR Trigger OFF | 0x07 | COMO | Ox01 | 0x08 |
Basic Report
| Parameter Number | Size | Range | Default |
| 4 | 1 | 0/1 | 1: send Basic Report 0: not sent Basic Report |
Switch Binary: LED Floodlight Status
| Switch Binary Report (value) | Description |
| 0x00 | Floodlight is off |
| 0xFF | Floodlight is on |
Z-Wave Configuration settings
1. PIR Trigger Off period: Period to send Trigger Off command after PIR is triggered. Before this period expires, the PIR will not be able to detect any subsequent motion.
| Parameter | Size | Range | Default |
| 1 | 2 | 8~720 secs | 15 |
2. Lux sensor threshold: Lux level to activate the PIR. When the lux level falls below this threshold and the PIR gets triggered, the unit emits a Basic Set Command (Value=0xFF) and turns on its floodlight. This overwrites the Lux level set by the Lux knob.
| Parameter | Size | Range | Default |
| 2 | 2 | 0,30~200255 | Factory default at 50 Setting = 0: always don’t turn ON light Setting = 30~200: lighting activation by setting Setting = 255: turn ON light upon PIR triggered |
If the level is set to 0, the unit will not turn on its floodlight. The PIR will still send a notification report to the controller; if the level is set to 255 when motion is sensed, the sensor ignores the ambient brightness but just turn on the light.
3. Auto Report luminance interval: sets the interval of periodic lux level report to the controller.
4. Multilevel Sensor: Reads back the lux level measured. (Tolerance of ±30 lux.
A level above 250 will be read back as 250)
| Sensor Type | Precision | Scale | Size | Sensor Value |
| 0x03 | 0 | 1 | 2 | <250 |
Command Classes
The module supports Command Classes including…
- COMMAND_CLASS_ZWAVEPLUS_INFO_V2
- COMMAND_CLASS_ASSOCIATION_V2
- COMMAND_CLASS_ASSOCIATION_GRP_INFO
- COMMAND_CLASS_TRANSPORT_SERVICE_V2
- COMMAND_CLASS_VERSION_V2
- COMMAND_CLASS_MANUFACTURER_SPECIFIC_V2
- COMMAND_CLASS_DEVICE_RESET_LOCALLY
- COMMAND_CLASS_POWERLEVEL
- COMMAND_CLASS_SECURITY_2
- COMMAND_CLASS_SUPERVISION
- COMMAND_CLASS_FIRMWARE_UPDATE_MD_V4
- COMMAND_CLASS_NOTIFICATION_V4
- COMMAND_CLASS_SWITCH_BINARY
- COMMAND_CLASS_SENSOR_MULTILEVEL_V7
- COMMAND_CLASS_CONFIGURATION
- COMMAND_CLASS_SENSOR_BINARY
Troubleshooting
Table below lists typical problems encountered:
| Symptom | Possible Cause | Recommendation |
| The floodlight does not turn on for 5 seconds after power is connected. | The power is not connected properly. | Check if the wall switch is on Confirm wiring is correct. Check supply breaker/fuse. |
| Cannot carry out inclusion and association | Floodlight already paired to another Z-Wave Controller. | Perform a factory reset. |
| Floodlight flashes on and | The unit’s lux sensor is being triggered off by | Change the angle and direction of the lamps. |
| off | reflected light | |
| Z-Wave controller cannot communicate with the unit | Out of rang | 1. Relocate the controller closer to the unit. 2. Install a Z-Wave repeater such as smart plugs or other AC devices that can operate as a Repeater. |
| Floodlight remains on | PIR detector triggered by unknown heat source. | 1. Check time setting 2. Cover the PIR Detector with black insulating tape. If after the timer expires and the floodlight turns off this indicates that the PIR The detector can see a moving heat source e.g: radiator, heater, boiler outlet, open window, open exterior door moving branches or bushes retaining heat from the daytime period. |
Manual Inclusion/Exclusion
The table below lists the several steps involved when adding or removing the unit from the Z-Wave network.
| Action/Status | Description | LED indication |
| No node ID | The Z-Wave Controller does not allocate a node ID to the unit. | 2-second on. 2-second off for 2 minutes. |
| Auto Inclusion | The power is applied for the first time and no node ID has been stored in the module. or after executing reset. This process times out in 30 seconds. | LED blinks rapidly during Inclusion. LED stops blinking when Inclusion is complete. |
| Manual Inclusion | 1. Put the Z-Wave controller into inclusion mode. | LED blinks rapidly during Inclusion. LEO stops blinking when Inclusion is complete |
| 2. Press the link button 3 times within 1.5 seconds to put the unit into infusion mode. | ||
| Exclusion | 1. Put the Z-Wave Controller into exclusion mode. |
| 2. Press the Link button 3 times within 1.5 seconds to put the unit into exclusion mode. | ||
| Factory Reset (This procedure should only be used when the controller is inoperable.) | 1. Press the Link button 3 times within 1 5 seconds to put the unit into exclusion mode. | |
| 2. Within 1 second of step 1. press the Link button again and hold until the LED is off (about 5 seconds). | ||
| 3. Node ID is excluded. The device reverts to the factory default state and will be in auto-inclusion mode for 4 minutes. | ||
| x Failure or success in InclusionfExclusion can be viewed on the Z-Wave CantroSer user interface. | ||
Specifications
| FIR Tilting Angie | 140 |
| Mounting Height | Recommended 1.8 – 2.0m a Normal Brick Wall |
| PIR Detection area | Max. distance 12m. max. the angle of 120° (@1.9m height. 20″C ambient temperature) |
| PIR Swivel Angle | Up to OW Leftward. Up to 90* Rightward |
| PIR warm-up time | 5 secs maximum |
| Lux Adjustment | Approximately 30 – 200 Lux |
| liner Adjustment | Approximately 8 seconds – 12 minutes |
| Working Temperature | -20°C – +40°C |
| Dimension (H x W x D) | 80mm x 55mm x 80mm |
| Protection Degree | IP44 – Weather proof |
Specifications are subject to change without notice

![]()
Federal Communication Commission Interference Statement
This equipment has been tested and found to comply with the limits for a Class B digital device, pursuant to Part 15 of the FCC Rules. These limits are designed to provide reasonable protection against harmful interference in a residential installation. This equipment generates, uses, and can radiate radio frequency energy and, if not installed and used in accordance with the instructions, may cause harmful interference to radio communications. However, there is no guarantee that interference will not occur in a particular installation. If this equipment does cause harmful interference to radio or television reception, which can be determined by turning the equipment off and on, the user is encouraged to try to correct the interference by one of the following measures:
– Reorient or relocate the receiving antenna.
-Increase the separation between the equipment and receiver.
– Connect the equipment into an outlet on a circuit different from that to which the receiver is connected.
– Consult the dealer or an experienced radio/TV technician for help.
Un-license band: This device complies with Part 15 of the FCC Rules. Operation is subject to the following two conditions: (1) This device may not cause harmful interference, and (2) this device must accept any interference received, including interference that may cause undesired operation.
FCC Caution: Any changes or modifications not expressly approved by the party responsible for compliance could void the user’s authority to operate this equipment.
This transmitter must not be co-located or operating in conjunction with any other antenna or transmitter.
- To comply with FCC RF exposure compliance requirements, a separation distance of at least 20 cm must be maintained between the antenna of this device and all persons.
- This Transmitter must not be co-located or operating in conjunction with any other antenna or transmitter
WARNING:
Do not dispose of electrical appliances as unsorted municipal waste, use separate collection facilities.
Contact your local government for information regarding the collection systems available.
If electrical appliances are disposed of in landfills or dumps, hazardous substances can leak into the groundwater and get into the food chain, damaging your health and well-being.
When replacing old appliances with new ones, the retailer is legally obligated to take back your old appliance for disposal at least for free of charge.
Need help?
Be sure to visit our website for the most up-to-date information about this product: https://homeseer.com/support-home/
This product employs or practices certain features and/or methods of the following U.S. Patents: U.S. Patent Nos.6,891,838, 6,914,893, and 7,103,511.



Assembling back the floodlight




















