TC BC85I Glass Door Cooler
IMPORTANT SAFETY PRECAUTIONS
Before you use your cooler please read this instruction manual carefully.
This appliance can be used by children aged from 8 years and above and persons with reduced physical, sensory or mental capabilities or lack of experience and knowledge if they have been given supervision or instruction concerning use of the appliance in a safe way and understand the hazards involved. Children shall not play with the appliance. Cleaning and user maintenance shall not be made by children without supervision. The instructions concerning persons (including children) with reduced physical, sensory or mental capabilities or lack of experience and knowledge and children playing with the appliance are not required. Do not store explosive substances such as aerosol cans with a flammable propellant in this appliance.
WARNING: Keep clear of obstruction all ventilation openings in the appliance enclosure or in the structure for building-in.
WARNING: Do not use mechanical devices or other means to accelerate the defrosting process, other than those recommended by the manufacturer.
WARNING: Do not damage the refrigerant circuit.
WARNING: Do not use electrical appliances inside the food storage compartments of the appliance, unless they are of the type recommended by the manufacturer.
The refrigerant is R-600a and insulation blowing gases is cyclopentane, servicing, and disposal of the appliance should be done by a qualified person.
The LED light only must be replaced by the manufacturer.
Appliance information
- Climatic class: 4, the user should use the appliance below 32℃.
- The max load for each shelf is 30 kg.
- The A-weighted emission sound pressure level is below 70 dB(A).
This Symbol means risk of fire and flammable materials used in appliance.
- Repair or replace immediately, all electric service cords that have become frayed or otherwise damaged. Do not use a cord that shows cracks or abrasion damage along its length, the plug or the connector end.
- Unplug your cooler before cleaning or before making any repairs.
- Do not operate your cooler in the presence of explosive fumes.
- The power supply must be properly grounded.
- Do not use an adapter plug or extension cord.
- Do not use the unit in the immediate surroundings of a bath, shower or swimming pool.
- Before discarding or storing, we recommend that you remove the door and leave the shelves in place. This will reduce the possibility of danger to children.
- Do not store food in cooler as the interior temperature may not be cool enough to prevent spoilage.
INSTALLATION
It is advisable to clean the inside of the cooler with lukewarm water using a mild detergent, and then to dry it thoroughly prior to use. The temperature in the appliance will depend on: The temperature in the room The frequency and duration of periods when the door is open
How many items there are in the cooler. It may therefore be necessary to adjust the thermostat from time to time. The refrigeration system of the cabinet is designed to operate with the cabinet located on a flat surface. Avoid tilting the cabinet side. If the cabinet must be tilted on an angle for handling or moving purposes, allow it to sit in an upright position 20 to 30 minutes prior to plugging it in and starting the cooling of the storage compartment. Grounding plug and socket should be provided in accordance with local regulations. The cable-size should meet the cooler’s requirements. The unit must be connected to proper electrical network, which is shown on the nameplate, through an omnipolar circuit-breaker. To assure the proper function of the cooler, please observe the following recommended.
- To ensure the circulation, the unit should be kept at 2 cm, away from the wall.
- Locate the unit away from direct sunlight. This will enable you to obtain the best performance and save energy.
- Under no circumstances should the top grid be covered by any object. It will preclude the warm air from circulating.
Unpaking Your Cooler
- Remove all packing material. This includes the foam base and all adhesive tape.
- Inspect and remove any remains of packing, tape or printed materials before powering on the cooler.
Leveling Your Cooler
- There are four leveling legs which are located in the front and rear corners of your cooler. After properly placing your cooler in its final position, you can level your cooler.
- Leveling legs can be adjusted by turning them clockwise to raise your cooler or by turning them counterclockwise to lower your cooler. The cooler door will close easily when the leveling legs are extended.
PRODUCT PARTS AND FEATURES 
- LED Light
- Thermometer (Only BC)
- Shelves
- Handle
- Leveling legs
- Light switch
- Thermostat
HOW TO OPERATE BOTTLE COOLER
- Insert the power plug into wall outlet.
- To adjust the temperature turn thermostat knob at the back of the cabinet.
Temperature Control
The inner temperature ranges from 0 °C to 10 °C. You can turn the thermostat knob to have your desired temperature. Turn the knob clockwise; which the position varies from 1 to 6, you can get a lower temperature inside. Turn the position to 0; you will switch off your appliance.
Interior light
To compliment the look of your collection, a LED light has been built into the bottle cooler. Simply turn the switch button and the light comes on, turn again counteractively for off. For maximum energy efficiency, leave light off when not viewing your collection.
Normal Operating Sounds you may hear
Boiling water, gurgling sounds or slight vibrations is due to the refrigerant circulating through the cooling coils. The thermostat control will click when it cycles on and off.
REVERSING THE DOOR (OPTION)
How to reverse the door
- Remove the lower hinge by loosening and removing the screws with screwdriver.
- Carefully lower the door and remove it.
- Move the pivot pin to the opposite hole on the lower hinge.
- Move the pivot pin from the left top hinge to the opposite hole on the right top hinge.
- Remove the two screws from the right holes in the bottom cross bar.
- Take the door. Insert the lower hinge axle into the right bottom hole of the door; make the right hole of the door into the right top hinge axle.
- Adjust the door; make it straight and in alignment with the cabinet.
- Fix the lower hinge with two screws.
- Cover the left holes in the bottom cross bar with two screws.
Note: As the door gasket gets pressed-in during shipment, after reversing the door the gasket might have to be reset. This will be good for seal to avoid any air escaping. If there is a gap between the cabinet and the door gasket, set the gasket by gently pulling it out to seal the gap. If necessary, you are recommended also to use a hairdryer to warm the gasket to get rid of the gap.
PROPER BOTTLE COOLER CARE AND CLEANING
Warning: To avoid electric shock always unplug you cooler before cleaning. Ignoring this warning may result in injury.
General: Do not use harsh chemicals, abrasives, ammonia, chlorine bleach, concentrated detergents, solvents or metal scouring pads. SOME of these chemicals may dissolve, damage and/or discolor your cooler.
- Remove the contents of the appliance
- Wipe the inside and outside surfaces with a damp cloth. The addition of vinegar to the water is good for the prevention of mold and fungus.
- Wipe all parts thoroughly after the cleaning.
IMPORTANT:
When the cooler is not in use it must be completely dry inside to avoid mold growth (if possible have the door open).
LIMITED WARRANTY
As a condition to any warranty service obligation, the consumer must present this Warranty Certificate along with a copy of the original purchase invoice.
THIS WARRANTY DOES NOT COVER:
- Damage, accidental or otherwise, to the cooler while in the possession of a consumer not caused by a defect in material or workmanship.
- Damage caused by consumer misuse, tampering, or failure to follow the care and special handling provisions in the instructions.
- Damage to the finish of the case, or other appearance parts caused by wear
- Damage caused by repairs or alterations of the cooler by anyone other than those authorized by the manufacturer.
- Freight and Insurance cost for the warranty service
ALL WARRANTIES, INCLUDING ANY IMPLIED WARRANTY OF MERCHANT-ABILITY ARE LIMITED TO CLAIMED DURATION. THE MANUFACTURER DISCLAIMS ANY LIABILITY FOR CONSEQUENTIAL OR INCIDENTAL DAMAGES.
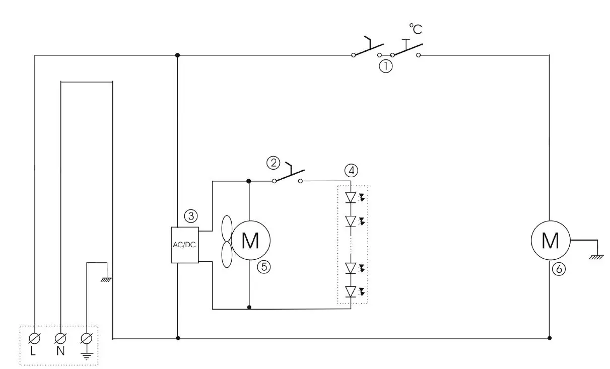
CIRCUIT DIAGRAM 
- Thermostat
- Light switch
- LED power supply
- LED light
- Fan (BC145WF only)
- Compressor
Disposal
Disposal of the cabinet must take place in an environmentally correct way. Please note existing regulation on disposal. There may be special requirements and conditions which must be observed.





















