HAMOKI IMB-238L Four Sided Glass Display Cooler

Product Information
Display Cooler IMB-238L Art.
No.:251010
The Display Cooler is a mini-sized intelligent controller that is applicable to the compressor of one Hp. The product has a digital temperature controller that displays and controls the temperature, allows manual and automatic defrost by burning off,illuminates, stores values, self-tests, and locks parameters.
The product has a well-ventilated structure and parts that should be handled with care. It should be located in a dry place with sufficient space from both sides and the back of the refrigerator to the wall or other substance not less than 10cm. The product should not be placed directly under the sunshine, nearby heat sources or heaters to prevent it from reducing refrigeration capability. Putting heavy loads on top of the refrigerator or making holes or installation of any other matter on the refrigerator is not allowed. Unpacking and locating the refrigerator on a flat and solid place is recommended.
The product requires a power supply of 220-240V, single-phase AC with an exclusive single-phase three-pin receptacle (250V 10A) and fuse (6A) with a reliable earth connection. The refrigerator should not share the common socket with other appliances, and cables should not be broken or damaged, otherwise current leakage and fire might be resulted. Water flushing, spraying flammables such as paint or coating nearby the refrigerator is not allowed. Dangerous products such as flammable or explosive substances or medicines should not be kept inside or nearby the refrigerator.
Product Usage Instructions
- Locate the refrigerator in a dry place with sufficient space from both sides and the back of the refrigerator to the wall or other substance not less than 10cm, with fine ventilation.
- Unpack and locate the refrigerator on a flat and solid place.
- Connect the exclusive power socket of 220-240V, single-phase AC with an exclusive single-phase three-pin receptacle (250V 10A) and fuse (6A) with a reliable earth connection.
- After power break or unplugging the refrigerator, always wait at least 5 minutes and then plug the refrigerator and start it again.
- Before use, plug the refrigerator on a 220-240V~ exclusive socket. After the refrigerator is running, put a hand on the air suction to confirm it is sufficiently cold. Then, put food inside the cold box.
- Use the digital temperature controller to display and control the temperature, allow manual and automatic defrost by burning off, illuminate, store values, self-test, and lock parameters.
Thank you for choosing and purchasing our product. Please carefully read the operation instructions before use for a correct application and satisfactory effect.
General
- Top brand fully enclosed compressor is used on the desk-top refrigerator. The refrigerant R290 is of an environmentally friendly agent. It features a rational configuration of refrigeration system with blower forced air cooling. The temperature is quite even inside the refrigerator.
- Double hollow transparent glasses are used on door and body. It features an artistic and elegant appearance, perfect perspective and easy access.
- It has a wide application in department store and house as well as the meeting room and sitting room.
Structure and Parts

Handle and Erection
- Handle with care
Unplug the wall socket first.
Never tilt it over 45 degree during handling. - Dry place
Always locate the refrigerator at a dry place. - Sufficient space
The distance from both sides and back of refrigerator to wall or other substance must not less than 10cm. The refrigeration capability might be decreased if its surround space is too small to circulate air. - Well ventilation
Always locate the refrigerator at a place with fine ventilation. For the first time use, wait for 2 hours after handling and then plug the wall socket and start it. - Far from heat source
Never place the refrigerator directly under the sunshine. Never locate it nearby any heat source or heater to prevent it from reducing refrigeration capability. - No heavy load
Never put any heavy load on the top of the refrigerator. - No hole making
Never make hole on the refrigerator. Never install other matter on the refrigerator. - Stable location
Unpacking and locate the refrigerator on a flat and solid place.
Preparation and Power Supply
- Exclusive power socket
Normally, the power supply should be 220-240V, single phase AC with exclusive single phase three pin receptacle (250V 10A) and fuse (6A). The power receptacle must have a reliable earth connection.
- No share on socket
Never let the refrigerator share the common socket with other appliance, otherwise the cable becomes hot and fire might be resulted. - Protect cables
Never break or damage the cables otherwise current leakage and fire might be resulted. - No water flushing
Never give the refrigerator surface a flush otherwise current leakage might be resulted. - Prevent from flammables and explosive
Never put any flammable or explosive inside the refrigerator such as ether, gasoline, alcohol, adhesive and explosive. Never put dangerous product nearby the refrigerator. - No spray
To spray the flammables such as paint or coating nearby the refrigerator is not allowed, otherwise fire might be resulted. - After power break
After power break or unplugging the refrigerator, always wail at least 5 minutes and then you may plug the refrigerator and start it again. - No medicine
No medicine is allowed to keep inside the refrigerator.
Use and Caution
- Before use:
Plug the refrigerator on 220-240V~ exclusive socket.
After the refrigerator running, put hand on the air suction to confirm it is sufficient cold. Then you may put food inside the cold box. - Digital temperature controller

Features Of Function
It is a mini-sized and integrated intelligent controller and applicable to the compressor of one Hp. The main functions are: Temperature Display/Temperature Control/Manual, automatic defrost by burning off/Illumination Control/Value Storing/self Testing/parameter Locking
Front Panel Operation
- Set temperature
- Press „set“ button, the set temperature is displayed.
- Press
or
button to modify and store the displayed value. - Press „set“ button to exit the adjustment and display the cold-room temperature.
- If no more button is pressed within 10 seconds, the cold-room temperature will be displayed.
- Illumination: Press
button, it lights; Press again, it stops. - Manual start/stop defrost:Press
button and hold for 6 seconds to defrost or stop defrost. - Refrigerant LED: During refrigeration, the LED is on; When the cold room temp. is constant, the LED is off; During the delay start, the LED flashes.
- Defrost LED: during defrosting, the LED is on; When is stops defrosting, the LED is off; During the delay display of defrost, the LED flashes.
Caution
- Shorten the door open time and reduce open frequency is good to keep a cold temperature inside the refrigerator.
- Never block the air suction and outlet. Keep air circulation and refrigeration capability.
- Do not make food congested as it will influence the cooling effect. Adjust the rack height for proper food storage.
- Cool the hot food down to room temperature before you put it into the refrigerator.
- Try to reduce the open times and keep the refrigerator inside cold in case the power is cut off.
- Only skilled serviceman is allowed to repair the damaged power cable with special tools.
- Never touch compressor to avoid from scald.
- This appliance is not intended for use by persons (including children) with reduced physical, sensory or mental capabilities, or lack of experience and knowledge, unless they have been given supervision or instruction concerning use of the appliance by a person responsible for their safety.
- Children should be supervised to ensure that they do not play with the appliance.
- The operation manual are not suitable for the persons (including children) with reduced physical, sensory or mental capabilities, or lack of experience and knowledge.
- The maximum loading of the Shelf does not exceed 10 kg.
- The climatic class of the appliance is 4, the Units are suggested to be used at 16℃-32℃ ambient temperature.
Warning
- Keep clear of obstruction all ventilation openings in the appliance enclosure or in the structure for building-in.
- Do not use mechanical devices or other means to accelerate the defrosting process, other than those recommended by the manufacturer.
- Do not damage the refrigerant circuit.
- Do not use electrical appliances inside the food storage compartments of the appliance, unless they are of the type recommended by the manufacturer.
Maintenance
Notice
- Often keep the refrigerator clean and periodical maintenance is necessary.
- Always unplug the socket before maintenance.
- Never use damaged plug or loose socket to prevent from electric shock or short circuit.
- Never flush the refrigerator. Never use alkali detergent, soap, gasoline, acetone or brush.
Clean outside
Dip soft cloth in neutral detergent(tableware detergent) to clean the outside of the refrigerator and then wipe it with dry soft cloth.
Clean inside
Take rack out for cleaning with water.
Shut down refrigerator for a long time
- Take all food out and unplug the wall socket.
- Clean both inside and outside of the refrigerator thoroughly and open the door for sufficient dry.
- The glass breaks easily. Keep the glass far from children.
- Clean the condensate tray and wipe it dry.
Trouble Shooting
| Trouble | Cause and Remedy |
| No refrigeration | Is the plug in socket well? Is the fuse broken? Is there no power? |
| Unsatisfactory refrigeration | Is it under the sunshine?Is there any heat source nearby? Is the surrounding ventilation bad? Does the door close well? Does door open for a long time? Is the door seal strip deformed or damaged? Is food congested or too much? Does food block the air suction or outlet? Regulate the temperature controller. |
| Much noise | The refrigerator does not level. The refrigerator contacts wall or other matter. There is loose part in refrigerator. |
| Contact local service agent for help if simple troubleshooting does not solve the problems. | |
Note:
Following phenomena are not troubles
- The murmur of water is heard when the refrigerator is working. It is a normal phenomenon as the coolant is circulating in the system.
- In wet season, condensation might be found on the outside of the refrigerator. It is not a trouble, which is caused by high humidity. Simply use cloth to wipe it.
Principle of Refrigeration System
The principle of compression refrigeration consists of “compression”, “condensation”, “throttling” and “vaporization”. The compression is undertaken by the compressor, the condensation is completed by condenser, the throttling valve is executed by capillary and the vaporization is implemented by the evaporator. When the coolant is circulating in the closed refrigeration system, the compressor sucks coolant, which has absorbs heat in the evaporator, the coolant becomes a high-pressure and high-temperature gas. In condenser, it dissipates heat in air, while the coolant is re-liquefied and throttled in capillary and then enters into an evaporator with low pressure. The liquefied coolant quickly boils and vaporizes into gas when the pressure suddenly drops. Meanwhile, it absorbs heat inside the refrigerator. And the compressor sucks the low pressure and low temperature gaseous coolant,…….It is circulating in this way up to realization of intended refrigeration.

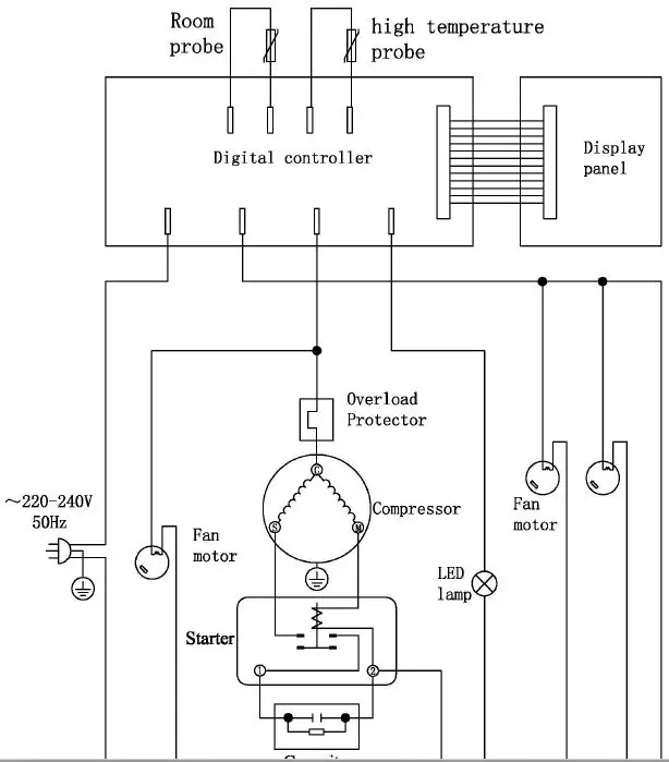
Circuit Diagram

Major Parameters
| Model | IMB-238L |
| Art. No. | 251010 |
| Coolant and injection quantity(g) | R290(55) |
| General Rated Input Power (W) | 350 |
| Kind of weather | 4 |
| Refrigeration temperature(℃) | 0-12 |
| Electric shock protection class | I |
| Rated Voltage(V) | 220-240~ |
| Rated Frequency(Hz) | 50 |
| Rated Current (A) | 2.22 |
| Lamp Power (W) | 2 |
| Total effective volume(L) | 238 |
| Net weight (kg) | 76 |
| Overall dimension(mm) | 515x485x1715 |
Note:
- The electric circuit diagram and parameters on the product name plate are final ones if they have been changed.
- The design might be improved without notice.
- If the supply cord is damaged, it must be replaced by the manufacturer, its service agent or similarly qualified persons in order to avoid a hazard.
Warning; Risk of fire / flammable materials
WARNING: Refrigerant is facility burning of R290, please protect against fire.
Meaning of crossed out wheeled dustbin:
Do not dispose of electrical appliances as unsorted municipal waste,use separate collection facilities.
Contact you local government for information regarding the collection systems available.
If electrical appliances are disposed of in landfills or dumps, hazardous substances can leak into the groundwater and get into the food chain, damaging your health and well-being.
When replacing old appliances with new ones, the retailer is legally obligated to take back your old appliance for disposals at least free of charge.




















