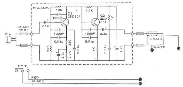
iCOM HM-28 8 Pin Hand Microphone

The HM 28 is a high-quality 600
noise-canceling dynamic microphone that is used with an IC-M700 SSB marine transceiver. The information below is provided to assist you in troubleshooting and repairing this microphone or, to determine which other microphones are compatible.
WIRING

- 8 VDC to power the mic circuit comes from the M700 via the Hot” mic lead, (white wire).
OVERVIEW
TOP

BOTTOM

PTT SW

MIC CORD

- pin 1&7 yellow
- pin 3 black
- pin 5 white
- pin 2 red
- pin 4 brown
- pin 6 nc
MIC ELEMENT


















