aube technologies TH146-P-2H1C Programmable 2H1C Controller

Introduction
Applications
The TH146-P-2H1C programmable controller can be used with any of the following heating/cooling systems:
- Heat pump – 1H1C, 2H1C
- HVAC – 1H, 1C, 1H1C
The following devices can be connected to the controller:
- air recirculation fan
- humidifier
- dual-register meter (dual energy)
- remote control device (for the unoccupied mode)
Supplied Parts
- CT280-2H1C control module
- TH146-P console with two wall anchors and mounting screws
- AC144-03 outdoor temperature sensor (3 m or 10 ft) with mounting clip (see section 2.6)
Accessories
- RC845 relay (see section 2.4)
- AC146-410 plenum temperature sensor (see section 2.7)
- CT241 telephone controller (see section 2.9)
- AC130-12 wall plate
Installation
Control Module (CT280-2H1C)
Configure the control module according to your type of heating/cool-ing system using DIP switches on the back of the module.
Install the control module near the heating/cooling system, away from any heat source.
User Console (TH146-P)
Install the console in a central location. Avoid locations with air drafts (e.g., top of staircase or air outlet) or stagnant air (behind a door). Do not install the console on a wall hiding air ducts nor expose it to direct sunlight.
NOTE: If this controller replaces an old thermostat, any two of the wires that were connected to the thermostat can be used to connect the user console to the control module. The maximum wiring length is 30 m (100 ft).
- Choose a location about 1.5 m (5 ft) above the floor on an inside wall.
- Loosen the captive screw under the console.
- Detach the console from its base by pulling the bottom section.
- Secure the base using the wall anchors and screws.
- Connect the console to controller terminals TH and TH (no polarity).
Heating/Cooling System
The terminals used to connect the heating/cooling system depend on the type of system. See the appropriate wiring table on page 4.
RC845 Relay
If you have an add-on installation, you might need an RC845 relay to connect the furnace (auxiliary heating) and its fan to the control-ler. Install the relay near the control module and connect the wires as follows:
- relay terminals W, G and C to controller terminals W, G and C.
- relay terminals T and T to the appropriate furnace terminals: T and T (oil); TH and TH (gas); R and W (electric).
NOTE: Refer to the relay’s installation instructions for more details.
Humidifier
Connect the humidifier in series with the power supply between controller terminals H and H (dry contact).
Outdoor Sensor (AC144-03)
The outdoor sensor is required for the following:
- outdoor temperature display
- balance points (heat pumps only, see section 4.2)
- defrost point (heat pumps only, see section 4.3)
- automatic humidity control (see section 7.2)
When installing the sensor, observe the following guidelines:
- Avoid locations where the sensor can be covered with snow or exposed to direct sunlight.
- Avoid air outlets and concealed chimneys or stove pipes.
Install the sensor using its mounting clip and connect it to controller terminals OS and CS (no polarity).
NOTE: The maximum wiring length is 30 m (100 ft).
Plenum Sensor (AC146-410)
The plenum sensor is required for the following:
- low temperature limit inside the plenum (HVAC only)
- high temperature limit inside the plenum (HVAC only)
- fan limit if gas heating is used (HVAC only)
- high pressure protection during defrost cycle (This protection is generally needed for add-on installations only. It is not needed if the heat pump is not connected to the controller terminal WW.)
- Install the sensor on the side of the plenum and position it such that its aperture faces the air flow.
- Connect the sensor to controller terminals PS and CS (no polarity). For more information, refer to the instructions provided with the sensor.

NOTE: The maximum wiring length is 30 m (100 ft).
Dual-energy Input
NOTE: The dual-energy input can be used only with a heat pump equipped with auxiliary heat.
The dual-energy input can be connected to the dual-register meter equipped with a normally open (NO) dry contact. Connect the con-troller terminals DE and CC to the meter terminals (yellow and red wires).
The contact closes when the outdoor temperature drops below the temperature setting on the meter. When the contact is closed, the heat pump is disabled and only the auxiliary heat can be used.
Unoccupied Mode Input
To use the unoccupied mode, the controller requires a remote con-trol device such as Aube’s CT241 telephone controller equipped with a normally open (NO) dry contact placed between terminals UN and CC of the controller. The unoccupied mode is activated when the contact closes. (See section 6.4.)
Configuration
Configuration Switches
To access the configuration switches, loosen the captive screw under the console and separate the console from its base by pulling the bottom section.
Access Mode (SW1-1)
INST: Installer mode. Gives access to all configuration parameters.
NOTE: In installer mode, the short-cycle protection is disabled and the interstage delay is reduced to 1 minute.
USER: User mode. Gives access to configuration parameters 1 to 4 only.
Keypad Lock (SW1-2)
- I: The keypad is locked. Settings cannot be changed.
- O: The keypad is unlocked.
Software Configuration
- Place the console in Installer mode (INST) using the SW1-1 switch on the back of the console.
- Press the Mode button for 3 seconds to access the configuration menu (see page 8). The first menu item (parameter) is displayed.
- To view another menu item, briefly press the Mode button. To modify a parameter, press either button.
- To exit the configuration menu, press .
- Return the console to User mode (USER).
Principles of Operation
Automatic Heating/Cooling Changeover
With automatic heating/cooling mode changeover, there’s no need to adjust the controller at every change of season or weather condition. The controller switches automatically between heating mode and cooling mode to maintain the desired temperature.
Manual Mode
When the controller is in manual mode, the heating/cooling mode changeover occurs as follows:
- The controller switches to cooling mode when the indoor tem-perature is higher than the setpoint by more than 1.5°C (2.5°F) for 15 minutes.
- The controller switches the heating mode when the indoor tem-perature is lower than the setpoint by more than 1.5°C (2.5°F) for 15 minutes.
Automatic Mode
When the controller is in automatic mode, it follows the programmed schedule. Two temperature settings (heating setpoint and cooling setpoint) are programmed for each period of the schedule. The heating/cooling mode changeover occurs as follows:
- When the controller is in heating mode, the indoor temperature is maintained at the heating setpoint. However, if the tempera-ture rises and remains above the cooling setpoint for 15 min-utes, the controller will switch to cooling mode.
- When the controller is in cooling mode, the indoor temperature is maintained at the cooling setpoint. However, if the tempera-ture drops and remains below the heating setpoint for 15 min-utes, the controller will switch to heating mode.
Balance Points (heat pumps only)
Balance Points are used to disable the heat pump or the auxiliary heating when the outdoor temperature is below or above a set tem-perature.
- When the outdoor temperature is below the Balance Point Low (bP L), the heat pump is disabled and only auxiliary heating can be used (see page 8, item 5).
- When the outdoor temperature is above the Balance Point High (bP H), the auxiliary heat is disabled and only the heat pump can be used (see page 8, item 6).
NOTE: Balance Points cannot be used if the AC144-03 outdoor temperature sensor is not connected to the controller.
Heating During Defrost (heat pumps only)
The auxiliary heat is activated during defrost except under the fol-lowing conditions:
- When the outdoor temperature is above the defrost point (see page 8, item 7). Note: This condition will not apply if the AC144-03 outdoor sensor is not connected to the controller.
- When the plenum temperature is above 40°C (104°F). The auxiliary heat is re-activated when the plenum temperature drops below 32°C (90°F). Note: This condition will not apply if the AC146-410 plenum sensor is not connected to the control-ler.
NOTE: The auxiliary heat’s short-cycle protection is disabled during defrost.
Types of Heat Pump Installations
The controller can be configured for either of the following types of heat pump installations (see page 8, item 8).
- Add-on Installation: This type of installation is performed when adding a heat pump to an existing furnace. When the heat pump is installed, the furnace becomes the auxiliary heat source. In this type of installation, the indoor coils are usually installed downstream of the auxiliary heat source. When the controller is configured for an add-on installation, the heat pump is disabled during auxiliary heating to prevent overpressure.
- New Installation: In this type of installation, as there is not already a furnace, the auxiliary heat source is installed at the same time as the heat pump. In this type of installation, the indoor coils are located upstream of the auxiliary heat. When the controller is configured for a new installation, the heat pump and the auxiliary heat can operate simultaneously.
Interstage Delay
Interstage Delay is the time allocated for the temperature to return to an acceptable value when it deviates too far from the setpoint. If this time has elapsed, the next heating or cooling stage is activated. The heating or cooling stage will be deactivated when the temperature returns to an acceptable value. The Interstage Delay is fixed at 4 minutes if the controller is configured for an HVAC system and is user-adjustable if it is configured for a heat pump (see page 8, item 9).
Low and High-Temperature Limits
Low-Temperature Limit (LLMT) and High-Temperature Limit (HLMT) are used to keep the plenum from becoming too cold or too hot. During cooling, if the plenum temperature is lower than LLMT, a cooling stage is deactivated starting with the one that was last activated. If, after a while, the temperature is still too low, another cooling stage is deactivated and so on. Likewise, during heating, if the plenum temperature is higher than HLMT, a heating stage is deactivated starting with the one that was last activated. If, after a while, the temperature is still too high, another heating stage is deactivated and so on. (see page 8, items 10 and 11.)
WARNING: LLMT and HLMT can be used in parallel with an UL353-approved device but they do not replace the such device. NOTE: LLMT and HLMT cannot be used if the plenum temperature sensor is not connected to the controller.
Smart Fan
When Smart Fan is enabled (see page 8, item 15), the fan operates as follows:
- During periods 2 and 4 of automatic mode and during the unoc-cupied mode (i.e., when you are away from home or sleeping), the fan operates only when heating or cooling is activated.
- The fan operates continuously the rest of the time.
NOTE: For Smart Fan to work, set the fan to On (see section 5.3).
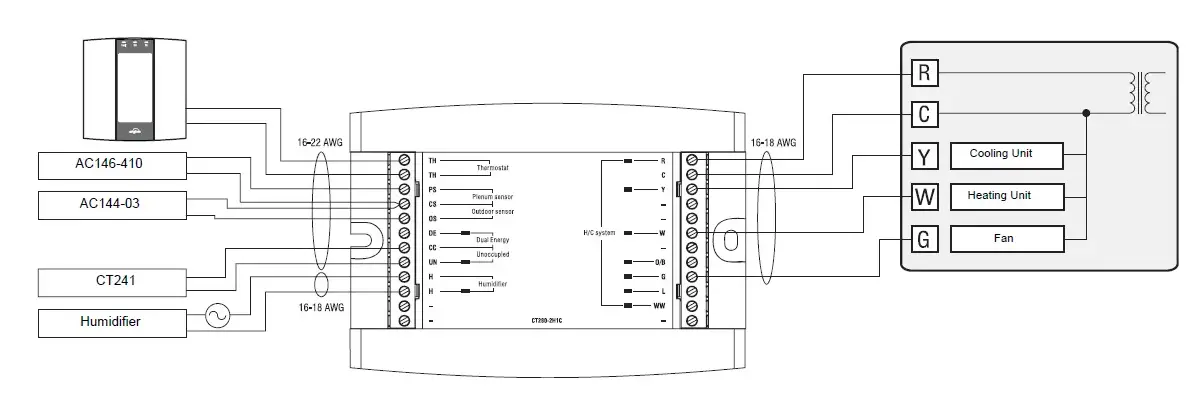
Wiring Tables
| Heat Pump | |||
| Terminal | Device | 1H1C | 2H1C |
| TH | Console | Connect the console between the TH terminals (no polarity) | |
| TH | |||
| PS | Plenum sensor | Connect the plenum sensor between the PS and CS terminals (no polarity) | |
| CS | Common S | Common terminal for the plenum sensor and the outdoor sensor | |
| OS | Outdoor sensor | Connect the outdoor sensor between the CS and OS terminals (no polarity) | |
| DE | Dual Energy | Connect the dual-register meter between the DE and CC terminals (no polarity) | |
| CC | Common C | Common terminal for the dual-energy meter and the unoccupied mode input | |
| UN | Unoccupied mode input | Connect a dry contact between the UN and CC terminals (no polarity) | |
| H | Humidifier (24 Vac / 1 A) | Connect the humidifier between the H terminals (dry contact) | |
| H | |||
| R | Power (24 Vac) | ||
| C | |||
| Y | Compressor (24 Vac / 1 A) | ||
| W | Auxiliary heat (24 Vac / 1 A) | ||
| O/B | Reversing valve (24 Vac / 1 A) | ||
| G | Fan (24 Vac / 1A) | ||
| L | Fault (24 Vac / 5 mA) | ||
| WW | Defrost (24 Vac / 5 mA) | ||
| HVAC | ||||
| Terminal | Device | 1H | 1C | 1H1C |
| TH | Console | Connect the console sensor between the TH terminals (no polarity) | ||
| TH | ||||
| PS | Plenum sensor | Connect the plenum sensor between the PS and CS terminals (no polarity) | ||
| CS | Common S | Common terminal for both plenum sensor and outdoor sensor | ||
| OS | Outdoor sensor | Connect the outdoor sensor between the OS and CS terminals (no polarity) | ||
| DE | Not used | |||
| CC | Common C | Common terminal for the unoccupied mode input | ||
| UN | Unoccupied mode input | Connect a dry contact between UN and R terminals (no polarity) | ||
| H | Humidifier (24 Vac / 1 A) | Connect the humidifier between the H terminals (dry contact) | ||
| H | ||||
| R | Power (24 Vac) | |||
| C | ||||
| Y | Cooling unit (24 Vac / 1 A) | |||
| W | Heating unit (24 Vac / 1 A) | |||
| O/B | Not used | |||
| G | Fan (24 Vac / 1 A) | |||
| L | Not used | |||
| WW | Not used | |||
Wiring Diagram: 2H1C Heat Pump — New Installation
Wiring Diagram: 2H1C Heat Pump — Add-on Installation
Wiring Diagram: 1H1C HVAC
Indicator LEDs
- FAULT: System fault
- EH: Emergency heat mode
- DE: Dual-energy
Backlight
The screen is lit for 12 seconds when any button is pressed. However, the screen remains lit while you are configuring the controller.
General Setting
Clock and Day Setting
- Press Clk. The hour display flashes.
- Set the hour using
. - Press Clk. The minute display flashes.
- Set the minutes using
. - Press Clk. The day display flashes.
- Set the day using
. - Press to return to the normal display.
Date Setting
- Press Clk for 3 seconds to display the year.
- Set the year using
. - Press Clk to display the month.
- Set the month using
. - Press Clk to display the date.
- Set the date using
. - Press
to return to the normal display.
Fan Operating Mode
Press the Fan button to select the fan operating mode.
- In automatic mode, the fan runs only when heating or cooling is activated. NOTE: For gas-operated HVAC systems, there might be a delay before the fan starts or stops when heating is acti-vated or deactivated.
- In continuous mode, the fan runs continuously and the
symbol is displayed. NOTE: if Smart Fan is enabled, when the con-troller is in periods 2 and 4 of automatic mode and in unoccupied mode, the fan will run only when heating or cooling is activated. The fan will run continuously the rest of the time
Temperature Setting
Display
The controller normally displays the measured indoor temperature. To view the setpoint, press one of the
buttons. The setpoint and the symbol will be displayed for the next 5 seconds.
System Operating Mode
Press Mode to place the system in one of the following modes:
- HEAT The system is in heating mode.
- COOL The system is in cooling mode.
- AUTO The system is in automatic changeover mode. (The system switches between heating mode and cooling mode to maintain the desired temperature.)
- OFF The system is off.
- EHEAT The system is in emergency heat mode. Only auxiliary heating is used when there is a call for heat. (This mode applies only when the controller is connected to a heat pump equipped with auxiliary heating).
Manual Adjustment
Use this mode to set the temperature manually. To place the con-troller in this mode, press Auto/Man so that disappears from the screen. Set the temperature using the
buttons.
NOTE: If the controller is in automatic heat/cool changeover (see section 6.2), the setpoint is automatically reduced or raised by 1°C (1.8°F) when the controller switches to heating mode or to cooling mode respectively. For example, if the setpoint is 24°C (75°F) in heating mode, it will become 25°C (77°F) in cooling mode and will return to 24°C (75°F) when the controller switches back to heating mode.
Automatic Adjustment
Use this mode if you want the controller to adjust the temperature according to the programmed schedule. To place the controller in this mode, press Auto/Man so that appears on the screen.
Pre-programmed Schedule
The following schedule has been programmed at the factory. Twotemperature settings are programmed for each period of the schedule: a heating setpoint and a cooling setpoint
| Pre-programmed Schedule | MO | TU | WE | TH | FR | SA | SU | ||
| P1 | Heating | 21°C (70°F) | 6:00 a.m. | ||||||
| Cooling | 25.5°C (78°F) | ||||||||
| P2 | Heating | 16.5°C (62°F) | 8:00 a.m. | — | |||||
| Cooling | 29.5°C (85°F) | ||||||||
| P3 | Heating | 21°C (70°F) | 6:00 p.m. | — | |||||
| Cooling | 25.5°C (78°F) | ||||||||
| P4 | Heating | 16.5°C (62°F) | 10:00 p.m. | ||||||
| Cooling | 28°C (82°F) | ||||||||
Modifying the Schedule
You can program up to 4 periods per day. To program a period, you need to set the start time, the heating setpoint and the cooling setpoint.
The program can be different for each day of the week.
- Press Pgm to enter the programming mode. The settings for Monday, Period 1 (P1) appear.
- To select a day to program, press Day until the day is displayed.
- Press for 3 seconds to select all 7 days.
NOTE: If you select all 7 days, the settings of the displayed period will be copied to all 7 days. For example, if you select all 7 days while period 1 is displayed, they will all now have the same settings for period 1. If you display period 2 while all 7 days are selected, they will all now have the same settings for period 2. - To set the start time of a period, press Pgm until the period number (P1 to P4) is displayed and the time display flashes.
- Then press the
buttons. The time changes in increments of 15 minutes.
NOTE: To skip a period, display the period and press Clr. For example, in the pre-programmed schedule, periods 2 and 3 have been skipped for Saturday and Sunday. - To set the temperatures for a period, press Pgm until the period number (P1 to P4) is displayed and the temperature display flashes. If necessary, press Mode to display the heating setpoint or the cooling setpoint. Press the
buttons to set the temperature.
NOTE: The cooling setpoint is always higher than the heating setpoint by a minimum of 1°C (1.8°F). For example, if the cooling setpoint setpoint is 22°C (72°F) and you set the heating setpoint to 23°C (73°F), the cooling setpoint will automatically become 24°C (75°F). However, if you raise the heating setpoint to 21°C (70°F), the cooling setpoint will remain at 22°C (72°F). The same principle applies when you set the cooling temperature. - Press to exit.
The following diagram shows how to navigate the programming menu.
Temporary Bypass
When you modify the temperature setpoint while the controller is in automatic mode, the new temperature is used for the next 2 hours.
The icon flashes during the bypass. After the bypass, the temperature set for the current period is used
Unoccupied Mode
You can place the controller in the unoccupied mode using a remote control device such as Aube’s CT241 telephone controller. In this mode, the temperature is lowered in heating mode or raised in cooling mode (see page 8, item 16). The message UNOC appears during the unoccupied mode.
NOTE: Automatic changeover is disabled during the unoccupied mode.
Temporary Bypass
In the unoccupied mode, only the
buttons work. When you adjust the temperature during this mode, the new temperature will be used for the next 2 hours, after which the controller will return to the previous setpoint. The message UNOC flashes during the bypass
Humidity Setting
Display
Humidity Adjustment
Manual Adjustment
The humidity level is set by the user (5 to 60%).
- Press the Hum button until MAN appears on the screen.
- Press one of the
buttons to adjust the humidity level. - Press the
button.
Automatic Adjustment
The humidity level is set by the controller based on the outdoor temperature to prevent ice formation or condensation on the windows while providing enough humidity for your comfort. However, the user can apply an offset (-9 to 9%). For example, the user can enter a negative offset if there is ice formation or condensation on the windows.
- Press the Hum button until AUTO appears on the screen. The humidity level set by the controller is also displayed.
- Press one of the
buttons to enter or change the offset. - Press the
button.
Off
To turn off the humidity control:
- Press the Hum button until OFF appears on the screen.
- Press the button to save and exit the programming.
Technical Specifications
CT280-2H1C CONTROL MODULE
- Power supply: 24 VAC
- Current consumption: 150 mA
- Maximum load per output: 1 A @ 24 VAC
- Short cycle protection: 2 minutes
- Control cycles: 2 to 6 per hour
- Operating temperature: 0°C to 50°C (32°F to 122°F)
- Storage temperature: -20°C to 50°C (-4°F to 122°F)
- Humidity conditions: 0 to 95%, non-condensing
- Dimensions: 95 x 137 x 30 (3.8 x 5.4 x 1.2 in.)
TH146-P USER CONSOLE
- Temperature setpoint range
- Heating mode: 5°C to 30°C (40°F to 86°F)
- Cooling mode: 15°C to 40°C (59°F to 104°F)
- Humidity setpoint range: 5 to 60%
- Indoor temperature display range: 0°C to 70°C (32°F to 158°F)
- Outdoor temp. display range: -50°C to 70°C (-58°F to 158°F)
- Temperature display resolution: 0.5°C (1°F)
- Program protection: non-volatile memory
- Operating temperature: 0°C to 50°C (32°F to 122°F)
- Storage temperature: -20°C to 50°C (-4°F to 122°F)
- Humidity conditions: 0 to 95%, non-condensing
- Dimensions: 79 x 79 x 24 mm (3.1 x 3.1 x 1 in.)
Warranty
Aube warrants this product, excluding battery, to be free from defects in the workmanship or materials, under normal use and service, for a period of three (3) years from the date of purchase by the consumer. If at any time during the warranty period the product is determined to be defective or malfunctions, Aube shall repair or replace it (at Aube’s option).
If the product is defective,
- return it, with a bill of sale or other dated proof of purchase, to the place from which you purchased it, or
- contact Aube. Aube will make the determination whether the product should be returned, or whether a replacement product can be sent to you.
This warranty does not cover removal or reinstallation costs. This warranty shall not apply if it is shown by Aube that the defect or malfunction was caused by damage which occurred while the product was in the possession of a consumer.
Aube’s sole responsibility shall be to repair or replace the product within the terms stated above.
AUBE SHALL NOT BE LIABLE FOR ANY LOSS OR DAMAGE OF ANY KIND, INCLUDING ANY INCIDENTAL OR CONSEQUENTIAL DAMAGES RESULTING, DIRECTLY OR INDIRECTLY, FROM ANY BREACH OF ANY WARRANTY, EXPRESS OR IMPLIED, OR ANY OTHER FAILURE OF THIS PRODUCT.
Some provinces and states do not allow the exclusion or limitation of incidental or consequential damages, so this limitation may not apply to you.
THIS WARRANTY IS THE ONLY EXPRESS WARRANTY AUBE MAKES ON THIS PRODUCT. THE DURATION OF ANY IMPLIED WARRANTIES, INCLUDING THE WARRANTIES OF MERCHANTABILITY AND FITNESS FOR A PARTICULAR PURPOSE, IS HEREBY LIMITED TO THE THREE-YEAR DURATION OF THIS WARRANTY.
Some provinces and states do not allow limitations on how long an implied warranty lasts, so the above limitation may not apply to you.
This warranty gives you specific legal rights, and you may have other rights which vary by province or state.
Support
If you have any questions about the product installation or operation, or concerning the warranty, contact us at the address shown below.
705 Montrichard Saint-Jean-sur-Richelieu, Quebec J2X 5K8 Canada
Tel: (450) 358-4600
Toll-free: 1-800-831-AUBE
Fax: (450) 358-4650
Email: [email protected]
10, rue Ampère 95500 Gonesse France
Tel: 33 (0) 1 34 07 99 00
Fax: 33 (0) 1 34 07 99 19
Email: [email protected]
For more information on our products, visit us at:
www.aubetech.com
As an ENERGY STAR® partner, Aube Technologies has determined that this product meets the ENERGY STAR guidelines for energy efficiency

























