PYROBOX
CONTROL PANEL FOR SNOW MELTING SYSTEM
PYROBOX3
PYROBOX3C
PYROBOX5
OWNER’S MANUAL
IMPORTANT INSTRUCTIONS
PLEASE READ THIS MANUAL AND THE SAFETY WARNINGS CAREFULLY BEFORE INSTALLING AND USING THE CONTROLLER AND SAVE IT FOR FUTURE USE.
INSTALLATION NOTES
- Familiarize yourself with the markings, warnings, components, and terminology.
- The PYROBOX power boxes and their accessories must be installed by a qualified electrician in accordance with local regulations and the requirements of the NEC (NFPA 72) and CEC part 1.
- WARNING: Ensure the power is disconnected from all circuits before mounting the power box and making any connections. Contact with components carrying hazardous voltage can cause electric shock and may result in severe personal injury or death.
- The installer must ensure the installation of approved disconnect means for all power supply circuits feeding this unit.
- The power boxes are suitable for indoor wall-mounted installation only.
- Ensure wiring according to the provided schematics using copper conductors only.
- Make sure the wire gauge (AWG) is suitable for the circuit amperage draw, as specified in the NEC/CEC table 1.
- Ensure that the main breakers (fuses) are suitable for the heating systems rating (80% load).
Grounding means must comply with local regulations and NEC/CEC. - Ensure that the heating system/de-icing system connected to this unit complies with the UL 499 or UL 515 and CSA 22.2 # 130.3 standards and is certified/listed by an NRTL.
- Ensure that all wiring is rated for the application at 60°C (140°F) as per UL 515 CSA 22.2 #130 clause 12 tables 12.1.
- Ensure that any holes punched for the conduit do not compromise the integrity of the enclosure ratings.
GROUND FAULT CIRCUIT INTERRUPTER (GFCI) - The ground fault interrupter/residual current detector installed in this system is a non-class-A GFCI, intended for equipment protection.
- Familiarize yourself with its operation and required settings.
- At the installation and commissioning stages, use a calibrated milliamp meter to read and record the heating system’s natural leakage.
- Set the GFI/RCD to no more than 30 milliamps higher than that of the reading. This step might have to be repeated a few times, to avoid nuisance tripping.
- The GFCI should be tested monthly. Please refer to the calibration and testing instructions in appendix 1 of this manual.
SAVE THESE INSTRUCTIONS
THANK YOU FOR YOUR PURCHASE!
NEED ASSISTANCE? CONTACT STELPRO CUSTOMER SERVICE.
WWW.STELPRO.COM
[email protected]
1-844-STELPRO
ABOUT
The PYROBOX3/3C/5 power boxes together with the PYROCON12 controller and interface panel, offer smart and easy control over the PYRO snow and ice melting system.
It can operate up to 4 snow melting zones and one auxiliary zone, with a selectable sequencing method. Typical applications include driveways, sidewalks, loading docks, stairs, pavements, and gutters.
The backlit LCD screen provides a full interface and information on the system status.
The use of several zones staggering allows covering a larger area for snow melting with limited available electrical power.
The PYROCON12 offers various operating and programming options, including:
- Switchable temperature scales (°F or °C)
- Both automatic and manual modes
- Adjustable heater cycle and splitting times
- Adjustable heater on, off, and delay hold
- Optional third-party auxiliary control snow sensor (e.g. gutter sensor)
- Adjustable lower ambient temperature limit to stop heaters (lockout)
- Energy-saving upper-temperature limit
- Adjustable snow sensor sensitivity (%RH)
- Commissioning/test mode
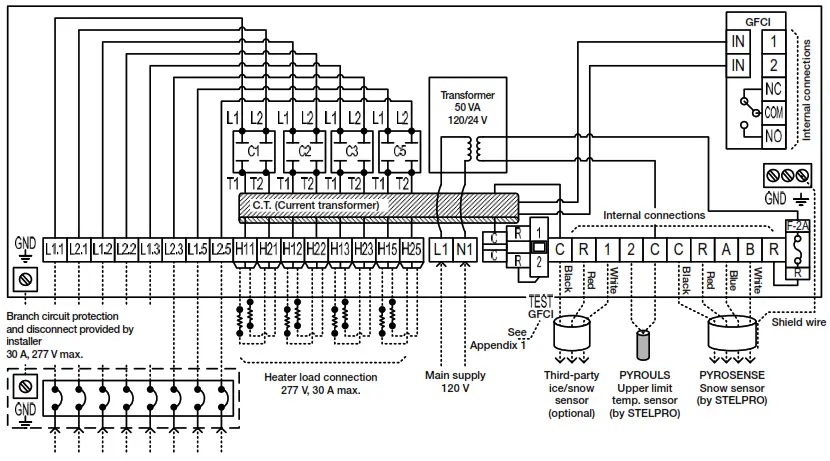
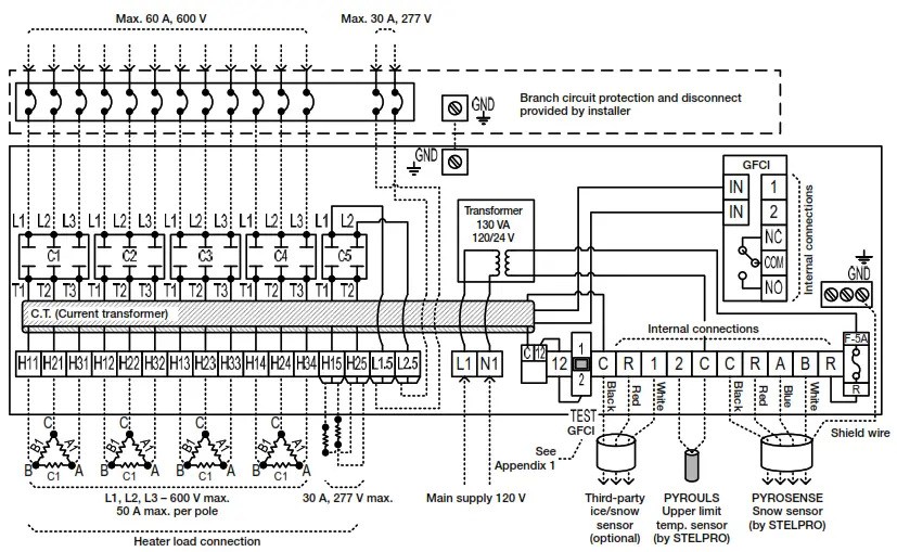
PYROBOX GENERAL SYSTEM LAYOUT

WIRING
PYROBOX5
HEATER LOAD CONNECTION
- Provide 3-phase contactors C1, C2, C3, and C4 with up to 600 VAC, 50 AMP maximum per pole.
- Provide contactor C5 with up to 277 VAC, 30 AMP.
- Make sure the wire gauge (AWG) is suitable for the circuit amperage draw, as specified in the NEC/ CEC table 1.
MAIN SUPPLY FOR THE POWER BOX
- Provide terminals L1 and N1 with 120 VAC supply.
CONNECTION TO THIRD-PARTY ICE/SNOW SENSOR (GIT-1 / CIT-1 / SIT/6E) – OPTIONAL
- 3-wire shielded cable
- Up to 2,000 ft (609 m) using 12 AWG 3-wire shielded cable.
- Up to 500 ft (152 m) using 18 AWG 3-wire shielded cable.
CONNECTION TO SNOW SENSOR (PYROSENSE)
Please refer to the PYROSENSE installation section of this manual.
CAUTION: Incorrect voltage may cause fire or seriously damage the unit.
IMPORTANT! If the heaters are connected in a star configuration, the neutral must pass through the internal current transformer ring and the external branch circuit protection.
PYROBOX3C
HEATER LOAD CONNECTION
- Provide 3-phase contactors C1 and C2 with up to 600 VAC, 50 AMP maximum per pole.
- Provide contactor C5 with up to 277 VAC, 30 AMP.
- Make sure the wire gauge (AWG) is suitable for the circuit amperage draw, as specified in the NEC/ CEC table 1.
MAIN SUPPLY FOR THE POWER BOX
- Provide terminals L1, and N1 with 120 V supply.
CONNECTION TO THIRD-PARTY ICE/SNOW
SENSOR (GIT-1 / CIT-1 / SIT/6E) – OPTIONAL
- 3-wire shielded cable
- Up to 2,000 ft (609 m) using 12 AWG 3-wire shielded cable.
- Up to 500 ft (152 m) using 18 AWG 3-wire shielded cable.
CONNECTION TO SNOW SENSOR (PYROSENSE)
Please refer to the PYROSENSE installation section of this manual.
CAUTION: Incorrect voltage may cause fire or seriously damage the unit.
IMPORTANT! If the heaters are connected in a star configuration, the neutral must pass through the internal current transformer ring and the external branch circuit protection.
PYROBOX3
HEATER LOAD CONNECTION
- Provide contactors C1, C2, C3, and C4 with up to 277 VAC, and 30 AMP.
- Make sure the wire gauge (AWG) is suitable for the circuit amperage draw, as specified in the NEC/CEC table 1.
MAIN SUPPLY FOR THE POWER BOX
- Provide terminals L1 and N1 with 120 VAC supply.
CONNECTION TO THIRD-PARTY ICE/SNOW SENSOR (GIT-1 / CIT-1 / SIT/6E) – OPTIONAL
- 3-wire shielded cable
- Up to 2,000 ft (609 m) using 12 AWG 3-wire shielded cable.
- Up to 500 ft (152 m) using 18 AWG 3-wire shielded cable.
CONNECTION TO SNOW SENSOR (PYROXENE)
Please refer to the PYROSENSE installation section of this manual.
CAUTION: Incorrect voltage may cause fire or seriously damage the unit.
IMPORTANT! If the heaters are connected in a star configuration, the neutral must pass through the internal current transformer ring and the external branch circuit protection.
CONNECTING SNOW SENSORS TO THE SYSTEM\
The system can be configured to operate with 1, 2, 3, or 4 snow sensors.
Each snow sensor must have a different MAC address to communicate with the main board. The PYROSESE snow sensors series includes 4 different part numbers; each is factory pre-configured with a unique MAC address as follows:
PYROSENSE MAC address 1
PYROSENSE2 MAC address 2
PYROSENSE3 MAC address 3
PYROSENSE4 MAC address 4
IMPORTANT! When connecting more than one sensor, snow sensor 1 must be connected last in the communication line.
The snow sensors will control zones according to the following logic:
| Number of sensors connected | Sensor # | Zones controlled by the sensor |
| 1 | 1 | 1,2,3,4,5* |
| 2 | 1 | 1,2 |
| 2 | 3,4,5* | |
| 3 | 1 | 1 |
| 2 | 2 | |
| 3 | 3,4,5* | |
| 4 | 1 | 1 |
| 2 | 2 | |
| 3 | 3 | |
| 4 | 4,5* |
* Zone 5 – optionally
NOTES:
- The number of snow sensors connected must be configured in section P09 of the technician settings.
- When one of the snow sensors cannot be viewed through communication (faulty or not connected), the values on snow sensor 1 will be used instead.
THE PYROXENE COMES WITH:
- A plastic cap, to protect the sensor from dust and debris for when the sensor is not in use (off-season).
IMPORTANT! The protective cap must be removed before using the sensor. If
the protective cap is not removed, the sensor will not detect snow! - Plastic spikes, to be used if necessary, to keep birds off the sensor.

OPERATING INSTRUCTIONS
DISPLAY
GREEN POWER LIGHT
The green power light will be on when power is supplied to the unit (120 VAC).
HEATER INDICATOR
The number beneath the heater icon indicates the heater stage (1 to 5).
RED GROUND FAULT RESET LAMP AND BUTTON
The red GROUND FAULT RESET light will be on when the internal GFCI is tripped. Press and hold the GROUND FAULT RESET button for 5 seconds to reset the unit.
SNOWFLAKE ICON AND
DIGITAL TIME INDICATOR
A solid snowflake icon will appear on the display while sensing snow and during normal heater operation.
A blinking snowflake icon will appear on the display during the heater-off delay or when manual mode is activated. The digital clock will count down the remaining time until the heaters are turned off.
The snowflake icon will disappear from the display as long as the heaters are turned off.

FONCTIONS

TURNING THE SYSTEM ON AND OFF
- Press and hold the [ON] button for 0.5 seconds to turn the system ON or OFF.
- The words “ON” or “OFF” will appear on the display.
SELECTING
TEMPERATURE SCALE

- Press the [+] button for Celsius.
- Press the [-] button for Fahrenheit.
SELECTING AUTOMATIC OR MANUAL MODE

- Press the [SELECT] button to switch between modes:
Automatic
Heating will start and stop automatically depending on snow detection by the snow sensor/sensors.
Manual ON
Heating will start regardless of snow sensor measurements and will stop after a preset time (refer to the “Manual ON” section in the technician settings – P05 ).
Note: The mode will always return to “Automatic” after switching the unit OFF and ON.
TECHNICIAN SETTINGS
USE THE TECHNICIAN SETTINGS MODE TO VIEW AND ADJUST THE FOLLOWING PARAMETERS:
| P01 | Temperature setpoint |
| P02 | Low ambient temperature limit to stop heaters |
| P03 | Energy saving, upper slab temperature limit to stop heaters |
| P04 | The time delay before stopping the heaters |
| P05 | ON time for manual mode |
| P06 | Heater cycle/splitting time |
| P07 | Sensor and heater control logic |
| P08 | Snow sensor sensitivity |
| P88 | Snow detection threshold |
| P09 | Number of snow sensors connected |
| P10 | Commissioning / Test mode |
| Restore defaults |
ENTER TECHNICIAN SETTINGS MODE
- Move DIP switch S1 located on the side of the thermostat to the ON position.
- Press the [SELECT] and [+] buttons simultaneously to move forward to the next technician parameter.
- Press the [SELECT] and [-] buttons simultaneously to return to the previous technician parameter.

SAVE CHANGES AND EXIT TECHNICIAN SETTINGS MODE
Move DIP switch S1 located on the side of the thermostat to the OFF position
IMPORTANT: Changes made to technician parameters will not take effect as long as DIP switch S1 is in the ON position.
P01 TEMPERATURE SETPOINT
- Move DIP switch S1 located on the side of the thermostat to ON position to enter technician settings mode.
- “P01” and the temperature setpoint will appear on the display.
- Use the [+] and [-] buttons to adjust the temperature setpoint.
Range: 19…45°F / -7…+7°C
As long as the ambient temperature is lower than the temperature setpoint P01, the PYROCON will turn ON upon receiving a positive snow signal from the snow detector.
P02 LOWER LIMIT TEMPERATURE FOR HEATING
- Press the [SELECT] and [+] buttons simultaneously. “P02” and the low limit temperature will appear on the display. When the temperature on the temperature sensor drops below the low-temperature limit, the heating system will stop.
- Use the [+] and [-] buttons to adjust the temperature setpoint.
Range: -4…+23°F / -20…-5°C, Default: -4°F / -20°C - Press the [SELECT] and [+] buttons simultaneously again.
The word “ON” or “OFF” will appear on the display. - Use the [+] and [-] buttons enable (ON) or disable (OFF) the P02 parameter.
If disabled, the heating system will operate without low-temperature limitations.
P03 UPPER LIMIT TEMPERATURE FOR HEATING
- Press the [SELECT] and [+] buttons simultaneously.
“P03” and the slab upper limit temperature will appear on the display. - Use the [+] and [-] buttons to adjust the upper limit temperature. Range: +41…+125°F / +5…+52°C Default: 125°F / +52°C (For numbers above 100, “100” will appear on the display.)
- Press the [SELECT] and [+] buttons simultaneously again.
The word “ON” or “OFF” will appear on the display. - Use the [+] and [-] buttons enable (ON) or disable (OFF) the P03 parameter. If disabled, the heaters will work regardless of the upper limit.
- Press the [SELECT] and [+] buttons simultaneously again. The display will show the temperature on the upper limit sensor.

P04 TIME DELAY BEFORE STOPPING THE HEATERS
- Press the [SELECT] and [+] buttons simultaneously. “P04”, “dL” and the time delay before stopping the heaters (Hold ON) will appear on the display. The hours will blink.
- Use the [+] and [-] buttons to adjust the hours of the time delay. Range: 00…99 hours. Default: 00 hours
- Press the [SELECT] and [+] buttons simultaneously again. The minutes will blink.
- Use the [+] and [-] buttons to adjust the minutes of the time delay. Range: 00…59 minutes. Default: 30 minutes

Note 1. The time delay countdown will start when the snow detection signal from snow sensor will switch from positive to negative.
Note 2. The staggering sequence will continue during the time delay period.
P05 MANUAL MODE ON TIME
- Press the [SELECT] and [+] buttons simultaneously. “P05”, “On” and the “Manual ON” mode time period will appear on the display. The hours will blink. The time delay
parameter defines a timeframe in which the heaters remain ON after receiving a “Manual ON” command. - Use the [+] and [-] buttons to adjust the hours of the working time.
Range: 00…99 hours. Default: 6 hours - Press the [SELECT] and [+] buttons simultaneously again. The minutes will blink.
- Use the [+] and [-] buttons to adjust the minutes of the working time.
Range: 00…59 minutes. Default: 00 minutes
P06 HEATER CYCLE AND SPLITTING TIME
- Press the [SELECT] and [+] buttons simultaneously. “P06”, “SP” and the splitting time will appear on the display. The minutes will blink. The heater cycle / splitting time parameter defines the working time of the heaters when working in sequence. Example: The splitting time is set to 10 minutes, and 4 heaters work in sequence. Each heater will be ON for 2.5 minutes (10/4=2.5).
- Use the [+] and [-] buttons to adjust the splitting time. Range: 10…1999 minutes.
Default: 24 minutes.
P07 HEATER OUTPUT LOGIC CONTROLLED BY PYROSENSE SNOW MELT OR THIRD-PARTY SENSOR
- Press the [SELECT] and [+] buttons simultaneously. “P07” and the figures “0,” “1,” “2” or “3” will appear on the display.
- Use the [+] and [-] buttons to define the heater logic (model dependent) as follows:

PYROBOX3 | Outputs 1, 2, 3 and 5
| Value | Outputs controlled by PYROSENSE | Outputs controlled by third-party party sensor | Comments |
| 0 | All outputs | – | Default |
| 1 | 1, 2, 3 | 5 | |
| 2 | – | All outputs | The display will not show the ambient temperature and will remain blank. |
| 3 | 1, 2, 3, 5 | Snow on any of the sensors will trigger all zones. |
PYROBOX3C | Outputs 1, 2 and 5
| Value | Outputs controlled by PYROSENSE | Outputs controlled by third-party party sensor | Comments |
| 0 | All outputs | – | Default |
| 1 | 1, 2 | 5 | |
| 2 | – | All outputs | The display will not show the ambient temperature and will remain blank. |
| 3 | 1, 2, 5 | Snow on any of the sensors will trigger all zones. | |
PYROBOX5 | Outputs 1, 2, 3, 4 and 5
| Value | Outputs controlled by PYROSENSE | Outputs controlled by third-party party sensor | Comments |
| 0 | All outputs | – | Default |
| 1 | 1, 2, 3, 4 | 5 | |
| 2 | – | All outputs | The display will not show the ambient temperature and will remain blank. |
| 3 | 1, 2, 3, 4, 5 | Snow on any of the sensors will trigger all zones. | |
Note: Third-party sensors – i.e. gutter or pavement sensors – CIT, GIT, SIT.
P08 SNOW SENSOR SENSITIVITY
- Press the [SELECT] and [+] buttons simultaneously.
“P08” and the snow sensor sensitivity value will appear on the display. - Use the [+] and [-] buttons to adjust the sensitivity.
Range: 20…80 % (20% – Less sensitive, 80% – more sensitive). Default: 50
P88 SNOW DETECTION THRESHOLD
- Press the [SELECT] and [+] buttons simultaneously. “P88” and the snow sensor threshold will appear on the display.
- Use the [+] and [-] buttons to adjust the threshold. Range:
00…60 minutes. Default:
1 minute. If the threshold is not reached, snow detection will not affect the logic for turning the heaters ON or OFF. During the countdown to threshold time, the snowflake icon will flash.
P09 NUMBER OF SNOW SENSORS CONNECTED
- Press the [SELECT] and [+] buttons simultaneously. “P09” and the number of snow sensors connected will appear on the display.
- Use the [+] and [-] buttons to select 1, 2, 3 or 4 snow sensors. Default: 1

P10 TEST CONDITIONS MODE / TECHNICIAN COMMISSIONING MODE
Turn ON test conditions to check the functionality of the system regardless of sensor parameters (i.e.
during the summer). In test conditions, the ambient temperature is always -5°C/23°F.
Note : To trigger the system and activate the heaters, use some water to wet the circuit on top of the snow sensor.
- Press the [SELECT] and [+] buttons simultaneously. “P10” will appear on the display. The hours will blink.
- Use the [+] button to enter test/commissioning mode – “Test” will appear on the display.
- Use the [+] button to manually exit test/commissioning mode – “Test” will disappear from display.
Note : If the technician did not manually exit test/commissioning mode, the unit will automatically return to normal mode after 5 hours.
SAVE CHANGES AND RETURN TO NORMAL DISPLAY
Move DIP switch S1 back to OFF position.
RESTORE DEFAULT VALUES
IMPORTANT: Make sure the unit is turned OFF (the word “OFF” should appear on the display).
- Move DIP switch S1 to ON position.
- Press and hold the [ON] button for 10 seconds.
The thermostat will beep. - Move DIP switch S1 back to OFF position.
ENABLE/DISABLE ZONES
- Turn the unit OFF.
- While OFF, press the [+] and [-] buttons simultaneously for 10 seconds.
- Press the [Select] button to select zone. The selected zone will flash.
- Press the [+] and [-] buttons to enable/disable the selected zone.
– Black icon and “ON” on LCD – Enabled zone.
– White icon and “OFF” on LCD – Disabled zone. - Press and hold the [+] and [-] buttons simultaneously for 5 seconds to exit.

Note : Disabled zones will be ignored in splitting time calculations.
Example: The splitting time is set to 60 minutes, and heaters are set to work in sequence. 3 Heaters were enabled and 1 heater was disabled.
With all heaters enabled: Each heater will be ON for 15 minutes (60/4=15).
With 3 heaters enabled and 1 heater disabled: Each heater will be ON for 20 minutes (60/3=20).
DIP SWITCH S2 – SHORT MEASURING TIMES (TEST ONLY)
Use DIP switch S2 to short the measuring times as follows:
• “ON” – Short measuring times – for test/commissioning only (measuring times will be divided by 60).
• “OFF” – Normal operation.
Short measuring times:
One real hour will take one minute, and a one real minute will take one second.
DIP SWITCHES S3 AND S4
HEATER SEQUENCING LOGIC
Use DIP switches S3 and S4 to define the sequencing logic of the heater (zones) as follows:
S3 OFF, S4 OFF
All 4 outputs work per request from the snow sensor(s). 
S3 OFF, S4 ON
Outputs 1 and 3 and outputs 2 and 4 work together (according to splitting time).
Note: Do not use this configuration with more than two snow sensors connected.
S3 ON, S4 OFF
Outputs 1, 2 and 3 work in sequence (according to splitting time), and output 4 works continuously.
Note: Do not use this configuration with more than two snow sensors connected.

S3 ON, S4 ON
All 4 outputs work in sequence (according to splitting time).
Note : Do not use this configuration with more than two snow sensors connected.

Notes:
- The illustrations above show the heater operation for PYROBOX5. The logic remains the same for PYROBOX3C, without heaters 3 and 4, and for PYROBOX3, without heater 4.
- Heater 5, for all models, will be activated with or without heater 4, depending on the “Heater output logic” parameter set in section P07.
- The logic will ignore disabled zones.
TEMPERATURE READING ERRORS
Ambient temperature sensor readings (on snow sensor) are outside reliable measuring range.
Ambient temperature < -9°F/-23°C, ambient temperature > 54°F/12°C
The system will continue to operate using constant predefined values. In addition, the display will alternate between “LO” and -11°F/-24°C for low-temperature readings and between “HI” and 55°F/13°C for high-temperature readings.
ERROR 1 COMMUNICATION ERROR WITH ONE (OR MORE) SNOW SENSORS
“SensErr 1” will appear on the display.
If the system is configured to work with more than one snow sensor, the faulty snow sensor number will appear on the display: P01, P02, P03 or P04.
The system will use readings from snow sensor 1 instead of the missing readings from the faulty snow sensor.
ERROR 2 UPPER LIMIT TEMPERATURE SENSOR IS NOT CONNECTED OR HAS SHORT-CIRCUITED.
“SensErr 2” will appear on the display. The system will continue to operate regardless of the upper limit temperature.
Required actions:
- Refer to P03 section of the technician settings.
- Check the temperature value and disable the sensor if needed.
- Replace the sensor.

APPENDIX 1 CALIBRATING AND TESTING THE INTERNAL GFCI
The GFCI (ground fault circuit interrupter) is designed to provide protection for electrical equipment. The “ON” time delay and the current trip should be configured to match application requirements.
| INDICATOR (%) | CURRENT TRIP (AMPS) | |
| PYROBOX5 | PYROBOX3/3C | |
| 10 | 0.1 | 0.01 |
| 20 | 0.2 | 0.02 |
| 30 | 0.3 | 0.03 |
| 40 | 0.4 | 0.04 |
| 50 | 0.5 | 0.05 |
| 60 | 0.6 | 0.06 |
| 70 | 0.7 | 0.07 |
| 80 | 0.8 | 0.08 |
| 90 | 0.9 | 0.09 |
| 100 | 1 | 0.1 |
GFCI TEST
The GFCI should be tested monthly. Press the red GFCI TEST button located next to the R,C terminals inside the box for three seconds to trip the outlet and break the circuit. The RED internal LED on the GFCI and the RED external lamp on the box door should be lit. Press the RESET GFCI button on the box door for five seconds to return to normal operation and reset power and protection.
STELPRO LIMITED WARRANTY
This limited warranty is offered by Stelpro Design Inc. (“Stelpro”) and applies to the following product made by Stelpro: model PYROBPX.
Please read this limited warranty carefully. Subject to the terms of this warranty, Stelpro warrants its products and their components against defects in workmanship and/or materials for the following periods from the date of purchase: 2 years. This warranty applies only to the original purchaser; it is non-transferable and cannot be extended.
CLAIM PROCEDURE
If at any time during the warranty period the unit becomes defective, you must cut off the power supply at the main electrical panel and contact 1) your installer or distributor, 2) your service center or 3) Stelpro’s customer service department. In all cases, you must have a copy of the invoice and provide the information written on the product nameplate.
Stelpro reserves the right to examine or to ask one of its representatives to examine the product itself or any part of it before honoring the warranty.
Stelpro reserves the right to replace the entire unit, refund its purchase price or repair a defective part. Please note that repairs made within the warranty period must be authorized in advance in writing by Stelpro and carried out by persons authorized by Stelpro. Before returning a product to Stelpro, you must have a Stelpro authorization number (RMA). To obtain it, call the customer service department at: 1-844-STELPRO. The authorization number must be clearly written on the parcel or it will be refused.
CONDITIONS, EXCLUSIONS, AND DISCLAIMER OF LIABILITY
This warranty is exclusive and in lieu of all other representations and warranties (except of title), expressed or implied, and Stelpro expressly disclaims and excludes any implied warranty of merchantability or implied warranty of fitness for a particular purpose. Stelpro’s liability with respect to products is limited as provided above. Stelpro shall not be subject to any other obligations or liabilities whatsoever, whether based on contract, tort or other theories of law, with respect to goods or services furnished by it, or any undertakings, acts or omissions relating thereto. Without limiting the generality of the foregoing, Stelpro expressly disclaims any liability for property or personal injury damages, penalties, special or punitive damages, damages for lost profits, loss of use of equipment, cost of capital, cost of substitute products, facilities or services, shutdowns, slowdowns, or for other types of economic loss or for claims of a dealer’s customers or any third party for such damages. Stelpro specifically disclaims all consequential, incidental and contingent damages whatsoever.
This warranty does not cover any damages or failures resulting from 1) a faulty installation or improper storage; 2) an abusive or abnormal use, lack of maintenance, improper maintenance (other than that prescribed by Stelpro), or use other than that for which the unit was designed; 3) a natural disaster or an event out of Stelpro’s control, including, but not limited to, hurricanes, tornadoes, earthquakes, terrorist attacks, wars, overvoltage, flooding, water damages, etc. This warranty does not cover any accidental or intentional losses or damages, nor does it cover damages caused by the negligence of the user or owner of the product. Moreover, it does not cover the cost of disconnection, transport, and installation.
The warranty is limited to the repair or the replacement of the unit or the refund of its purchase price, at the discretion of Stelpro. Any parts replaced or repaired within the warranty period with the written authorization of Stelpro will be warranted for the remainder of the original warranty period. This warranty will be considered null and void and Stelpro will have the right to refuse any claims if products have been altered without the written authorization of Stelpro and if the nameplate numbers have been removed or modified. This warranty does not cover scratches, dents, corrosion, or discoloration caused by excessive heat, chemical cleaning products, and abrasive agents. It does not cover any damage that occurred during the shipping.
Some states and provinces do not allow the exclusion or limitation of incidental or consequential damages and some of them do not allow limitations on how long an implied warranty lasts, so these exclusions or limitations may not apply to you. This warranty gives you specific legal rights and you may have other rights which vary from state to state or from province to province.
WWW.STELPRO.COM
[email protected]
1-844-STELPRO|
STELPRO DESIGN INC.
Saint-Bruno-de-Montarville, Québec, Canada, J3V 6L7
































