
PF-350, PF-500, PF-800
Quick Start Guide

What’s in the Box
PF-350, PF-500, or PF-800 Amplifier, Power Cable, Quick Start Guide.
Hookup Diagrams
Standard Setup

Parallel Setup

Daisy Chaining

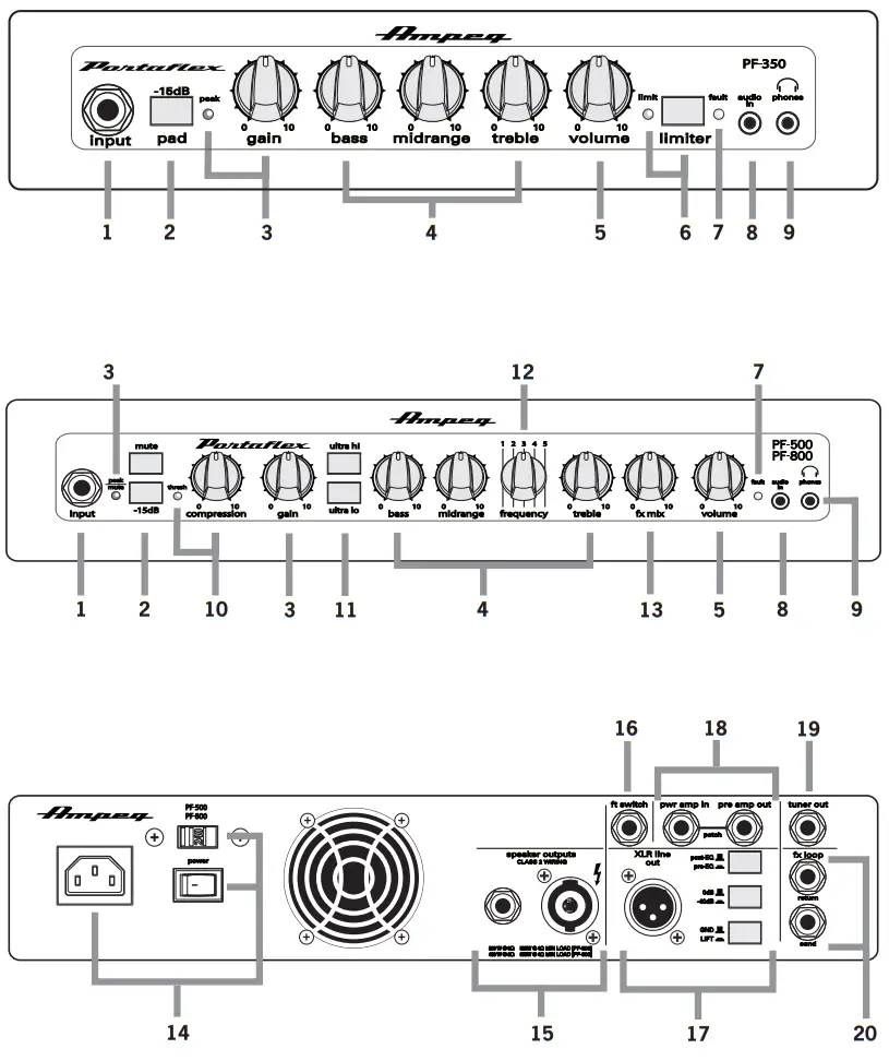
Front & Rear Panels

Front & Rear Panel Descriptions
- 1/4″ Input: Connect a passive or active instrument to the Input jack.
- Pad/Mute: Pad reduces input volume by 15 dB. Mute will mute the signal completely.
- Gain/Peak LED: The Gain knob adjusts the signal sent to the preamplifier. The Peak LED indicates when the input signal is too high.
- EQ Knobs: Boost or cut the level at certain frequencies to enhance the sound.
- Volume: Adjusts the output level to Speaker Outputs and the preamp level sent to the Phones output.
- Limiter Switch: Turns the Limiter function on/off.
- Fault LED: Glows amber if the amp has a fault or is in thermal protect mode.
- Audio Input: Connect a line-level source for playback through the Phones output.
- Phones Output: Combination playback of the 1/4″ Input and Audio In input.
- Compression: Controls the amount of compression applied to the input signal.
- Ultra Hi/Ultra Lo Switches: Enhance the high and/or low frequencies.
- Frequency Select Knob: Selects the frequencies affected by the Midrange EQ knob.
- FX Mix Knob: Adjusts the amount of FX combined with the input signal.
- Power: Input socket for power cable, switch for local AC voltage selection, and power on and off.
- Speaker Outputs: Combination Speakon® – 1/4″ TS outputs for connecting speaker cabinets.
- Foot Switch Input: Control the Mute and FX functions using a footswitch.
- XLR Line Output: Feeds an external mixer or recording device.
- Patch Input/Output: Pwr Amp In bypasses the internal preamp. Pre Amp Out feeds an external amplifier or powered speaker.
- Tuner Output: Feeds an external tuner.
- FX Loop Send/Return: Connect the input and output of an external FX processor.
Getting Started
- Read and understand the included “Important Safety Instructions.”
- Make sure the Power switch is off before making any connections.
- Push the line cord securely into the amplifier’s IEC connector and plug the other end into a grounded AC outlet. The amplifier may accept the appropriate voltage as indicated near the IEC connector.
- Connect an instrument to the PF-350/PF-500/PF-800 Input jack with a 1/4″ (shielded) instrument cable. Connect (unshielded) speaker cables to speaker cabinets with Speakon or 1/4” TS ends, depending on the model.
- With the Gain and Volume controls fully off, turn the amplifier on by pressing the Power switch to the On position.
- While playing the instrument, adjust the Gain and Volume knobs to the preferred level.
- Adjust the EQ knobs to taste.
Technical Specifications
| PF-350 | PF-500 | PF-800 | |
| Output Power Rating | 250W RMS @ 8 (5% THD) 350W RMS @ 4 (5% THD) | 300W RMS @ 8 (3% THD) 500W RMS @ 4 (3% THD) | 400W RMS @ 8 (3% THD) 800W RMS @ 4 (3% THD) |
| Maximum Gain | 64 dB | 69 dB | 71 dB |
| Power Requirements | ~100-120V AC, 50-60 Hz, 100W ~200-240V AC, 50-60 Hz, 100W | ~100-120V AC, 50-60 Hz, 125W ~200-240V AC, 50-60 Hz, 125W | ~100-120V AC, 50-60 Hz, 200W ~200-240V AC, 50-60 Hz, 200W |
| Size (H x W x D) | 2.7 x 10.8 x 10.7 in 69 x 275 x 272 mm | 3.1 x 14.0 x 10.8 in 80 x 355 x 272 mm | 3.1 x 15.0 x 10.8 in 80 x 355 x 272 mm |
| Weight | 7.8 lb / 3.5 kg | 11.0 lb / 5.0kg | 11.8 / 5.4 kg |
All specifications subject to change

WARRANTY AND SUPPORT
Visit WWW.AMPEG.COM to…
(1) …identify WARRANTY coverage provided in your local market. Please keep your sales receipt in a safe place.
(2) …retrieve a full-version, printable OWNER’S MANUAL (English only) for your product.
(3) …REGISTER your product.
(4) …CONTACT Technical Support, or call 818-575-3600.
www.ampeg.com
Yamaha Guitar Group, Inc.
26580 Agoura Road, Calabasas, CA 91302-1921 USA
Part No. 40-00-0535 Rev. B
Supplier’s Declaration of Conformity
47 CFR § 2.1077 Compliance Information
Unique Identifier: Ampeg PF-350, PF-500, and PF-800
Responsible Party – U.S. Contact Information:
Yamaha Guitar Group, Inc.
26580 Agoura Road
Calabasas, CA 91302-1921
(818) 575-3600
https://ampeg.com/
FCC Compliance Statement:
This device complies with Part 15 of the FCC Rules. Operation is subject to the following two conditions: (1) This device may not cause harmful interference, and (2) this device must accept any interference received, including interference that may cause undesired operation.
There are various types of fuses, and replacing them with different types may cause malfunction, electric shock, or fire. Be sure to confirm you are replacing the correct fuse with electrical rating and specifications.
Each number and symbol represent the following:
Example: T3AL250V
1 T, 2●A, 3 L, and 4 ■V are shown below.
- A symbol indicating relative fusing time / current characteristics T: Time lag type, F: Fast-acting type.
- ●A: Rated current.
- A symbol indicating the blocking capacity L: Low cutoff capacity, E: Medium cutoff capacity, H: High cutoff capacity.
- ■V: Rated voltage.
© 2021 Yamaha Guitar Group, Inc. All rights reserved.
Ampeg and Portaflex are trademarks or registered trademarks of Yamaha Guitar Group, Inc. in the U.S. and/or other jurisdictions. Speakon is a registered trademark of Neutrik AG Corporation.
Serial Number: _________________________



















