
RB-108, RB-110, RB-112, RB-115, and RB-210
Bass Guitar Combo Amplifiers
Owner’s Manual

What’s in the Box
RB-108, RB-110, RB-112, RB-115, or RB-210 Amplifier, Power Cable, Quick Start Guide.
Introduction
Designed from the ground up, with Ampeg’s industry-standard tone and style in mind, the all-new Rocket Bass combos feature the legacy Ampeg preamp and tone stack circuits with the widest range of classic Ampeg tones any Ampeg combo has ever offered. The new SGT™ (Super Grit Technology) overdrive circuit gives you the warmth and grit of a monster SVT® stack, packed into a lightweight combo that you can easily carry to any practice or performance.
Iconic black diamond vinyl, reminiscent of the most recorded bass amp of all time, the Ampeg B15, wraps the most lightweight cabinets Ampeg has ever built, without sacrificing ground-shaking lows and classic Ampeg tone. Integrated DIs, effect loops, and aux in/phones out circuits provide the ultimate tools for any rehearsal or gigging situation.
Like all Ampeg products, your Rocket Bass combo is designed by musicians and built using only the best of components. Each combo is tested to confirm that it meets our specifications, and we believe that each amp is the best that it can be.
In order to get the most out of your new combo, please fully read this Owner’s Manual, as well as the Important Safety Instructions included with your Rocket Bass series amp, before you begin playing.
Best of luck in all of your musical endeavors!
– And THANK YOU for choosing Ampeg! –
Rocket Bass Series Features
- Superior Tone
• Legacy Ampeg preamp and tone stack circuits
• New SGT overdrive circuit
• Perfectly-matched Eminence® custom speakers* - Pro-Grade Flexibility
• Super lightweight construction
• Integrated DIs, effects loops, extension speaker outs*
• Aux-in / headphone outs - Iconic Styling
• Ampeg’s iconic black diamond vinyl
• Impact-resistant metal corners
• Rugged braced enclosures
*Some features are available on select models only.
Top Panel Features

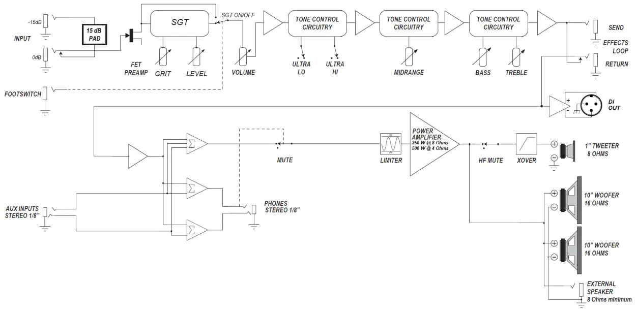
- –15 dB INPUT: The attenuation of this 1/4” input is suited for use with basses that have active electronics or high-output pickups.
Connect here using a shielded instrument cable. - 0 dB INPUT: The signal output from a passive instrument may be connected to this 1/4” input. Connect here using a shielded instrument cable.
- SGT LED: This LED illuminates amber when the SGT overdrive circuit is on.
- SGT ON/OFF: Engage this switch to activate the SGT overdrive circuit. This allows for varying amounts of tube-like grit and distortion.
- GRIT: Use to adjust the amount of SGT “grit.” Turn the knob clockwise for a more overdriven sound (RB-110, RB-112, RB-115, RB-210).
- LEVEL: Use to control the overall level of the SGT overdrive circuit. Turn the knob clockwise to increase the SGT level. (RB-110, RB-112, RB-115, RB-210).
- VOLUME: Use to control the amplifier’s overall output level. It affects the preamp level fed to the Speaker and Phones outputs.
Use it wisely and turn it down when making connections, wearing headphones, or when trying something new. This control does not affect any signal coming into the Aux Input - ULTRA HI: This switch, when engaged, enhances the amount of high-frequency output with a 5 dB boost at 8 kHz (RB-112, RB-115, RB-210).
- ULTRA LO: This switch, when engaged, enhances the amount of low-end output with a 1 dB boost at 40 Hz, and a 10 dB cut at 500 Hz (RB-112, RB-115, RB-210).
- BASS: Use to adjust the low-frequency level of the amplifier. The low-frequency output is flat at the center, “0” knob position. Rotate the control counterclockwise from 0 to reduce the bass frequencies—or clockwise from 0 to increase the bass frequencies.
See the following pages for Technical Specifications. - MIDRANGE: Use to adjust the midrange frequency level of the amplifier. The midrange frequency level is flat at the center “0” knob position. Rotate the control counterclockwise for a “contoured” sound (more distant, less midrange output), or clockwise for a sound that really cuts through (increased midrange). See the following pages for Technical Specifications.
- TREBLE: Use to adjust the high-frequency level of the amplifier. The high-frequency level is flat at the center “0” knob position. Rotate the control counterclockwise from 0 to reduce the treble frequencies—or clockwise from 0 to increase the treble frequencies.
See the following pages for Technical Specifications.
- PHONES: Use this 1/8″ TRS stereo output to connect your headphones. The output here is a mix of the line-level signals reaching the amplifier, as well as any incoming audio from the Aux Input jack (14). Speaker output is muted when Phones are connected.
- AUX INPUT: The analog audio output from a line-level source, such as an MP3 player or other music sources, can be connected to this 1/8″ input.
- ON LED: This LED illuminates blue when the amplifier’s power is on.
- POWER SWITCH: Press the top of this switch to turn on the overall system power, and press the bottom of the switch to turn it off.

- Horn On/Off Switch: Turns the high-frequency horn on/off (RB-210 only).
- EXT SPEAKER OUTPUT: Optionally, use this 1/4″ TS output jack to connect to an 8 extension speaker cabinet. The internal speaker remains active when an extension speaker is connected.
Use a non-shielded speaker cable with 1/4″ TS ends to make the connections. Do not use shielded instrument cables as they may overheat. - SGT SWITCH: Optionally, connect a 1/4″ TS footswitch to this jack for remote on/off control of the SGT circuit (RB-112, RB-115, RB-210).
NOTE: A footswitch may be purchased at your local Ampeg Dealer, or directly from shop.ampeg.com. - EFFECTS LOOP SEND: Use a TS (unbalanced) cable from this 1/4″ output to send a line-level signal to an external effects processor. The output here is affected by all controls. Use the Effects Loop Return jack to feed the returned processed signals back into the power amplifier—see item 21 (RB-112, RB-115, RB-210).
- EFFECTS LOOP RETURN: Use a TS (unbalanced) cable into this 1/4″ input to return the processed line-level output of an external effects processor. The processor could be fed by signals from the Effects Loop Send—see item 20 (RB-112, RB-115, RB-210).
- GROUND / LIFT SWITCH: Toggle to Lift to disable the ground connection at the Balanced DI Output jack if grounding hum or noise is present – see item 23 (RB-110, RB-112, RB-115, RB-210).
- BALANCED DI OUT: Connect this post-EQ, post-SGT, mic level, balanced XLR output to the balanced input of an external mixer or recorder. In this configuration, you do not need to mic the speaker cabinet in order to add it to the main mix or to record (RB-110, RB-112, RB-115, RB-210)
RB-108 Technical Specifications
| RB-108 | |
| Output Power Rating | 30 Watts RMS @ 4 10% THD+N |
| Signal-to-Noise Ratio | 80 dB (20 Hz–20 kHz unweighted) |
| Maximum Gain @ 1 kHz | Input: 45 dB |
| Input Impedance | Normal Input: 500k Ohms -15dB Pad Input: 75k Ohms |
| Tone Controls | Bass: +13/–21 dB @ 40 Hz Mid: +16/–10 dB @ 500 Hz Treble: +12/–16 dB @ 4 Hz |
| Speaker Specs | 1 x 8″ speaker, 4 Ω |
| Maximum Operating Range | 40° C ambient temperature, 93% relative humidity, up to 2000 m altitude |
| Power Requirements | 100–240V ~ 50-60 Hz, 45W Max |
| Size (H x W x D) | 17 x 16.2 x 12 inches 433 x 411 x 306 mm |
| Weight (Approximate) | 23 lbs 10.45 kg |
All specifications are subject to change.

RB-110 Technical Specifications
| RB-108 | |
| Output Power Rating | 50 Watts RMS @ 4 10% THD+N |
| Signal-to-Noise Ratio | 84 dB (20 Hz–20 kHz unweighted) |
| Maximum Gain @ 1 kHz | Input: 48.5 dB |
| Input Impedance | Normal Input: 1Meg Ohms -15dB Pad Input: 75k Ohms |
| Tone Controls | Bass: +14/–20 dB @ 40 Hz Mid: +15/–10 dB @ 500 Hz Treble: +12/–16 dB @ 4 Hz |
| Speaker Specs | 1 x 10″ speaker, 4 Ω |
| Maximum Operating Range | 40° C ambient temperature, 93% relative humidity, up to 2000 m altitude |
| Power Requirements | 100-240V ~ 50-60 Hz, 70W Max |
| Size (H x W x D) | 19 x 16.2 x 13 inches 481 x 411 x 330 mm |
| Weight (Approximate) | 19 x 16.2 x 13 inches 481 x 411 x 330 mm |
All specifications subject to change.

RB-112 Technical Specifications
| RB-110 | |
| Output Power Rating | 100 Watts RMS @ 4 10% THD+N |
| Signal-to-Noise Ratio | 80 dB (20 Hz–20 kHz unweighted) |
| Maximum Gain @ 1 kHz | Input: 48.5 dB Aux Input: 33 dB Effects Return: 29 dB |
| Input Impedance | Normal Input: 1Meg Ohms -15dB Pad Input: 75k Ohms |
| Tone Controls | Bass: +14/–14 dB @ 40 Hz Mid: +5/–11 dB @ 500 Hz Treble: +15/–15 dB @ 4 Hz |
| Speaker Specs | 1 x 12″ custom Eminence speaker, 4Ω |
| Maximum Operating Range | 40° C ambient temperature, 93% relative humidity, up to 2000 m altitude |
| Power Requirements | 100–240V AC ~ 50-60 Hz, 150W Max |
| Size (H x W x D) | 21.4 x 18.2 x 14.2 inches 543 x 462 x 360 mm |
| Weight (Approximate) | 25.9 lbs 11.75 kg |
All specifications are subject to change.
RB-115 Technical Specifications
| RB-110 | |
| Output Power Rating | 200 Watts RMS @ 4 3% THD+N (with external speaker) 100 Watts RMS @ 8 10% THD+N (with external speaker) |
| Signal-to-Noise Ratio | 90 dB (20 Hz–20 kHz unweighted) |
| Maximum Gain @ 1 kHz | Input: 60 dB Aux Input: 39 dB Effects Return: 32 dB |
| Input Impedance | Normal Input: 1Meg Ohms -15dB Pad Input: 75k Ohms |
| Tone Controls | Bass: +14/–14 dB @ 40 Hz Mid: +5/–11 dB @ 500 Hz Treble: +16/–15 dB @ 4 Hz |
| Speaker Specs | 1 x 15″ custom Eminence speaker, 8Ω |
| Maximum Operating Range | 40° C ambient temperature, 93% relative humidity, up to 2000 m altitude |
| Power Requirements | 100–240V ~ 50-60 Hz, 280W Max |
| Size (H x W x D) | 22.4 x 20.2 x 13.94 inches 570 x 513 x 354 mm |
| Weight (Approximate) | 33.4 lbs 15.45 kg |
All specifications are subject to change.

RB-210 Technical Specifications
| RB-110 | |
| Output Power Rating | 500 Watts RMS @ 4 3% THD+N (with external speaker) 250 Watts RMS @ 8 10% THD+N (with external speaker) |
| Signal-to-Noise Ratio | 91 dB (20 Hz–20 kHz unweighted) |
| Maximum Gain @ 1 kHz | Input: 73 dB Aux Input: 52 dB Effects Return: 36 dB |
| Input Impedance | Normal Input: 1Meg Ohms -15dB Pad Input: 75k Ohms |
| Tone Controls | Bass: +14/–14 dB @ 40 Hz Mid: +5/–11 dB @ 500 Hz Treble: +16/–15 dB @ 4 Hz |
| Speaker Specs | 2 x 10″ custom Eminence speakers, 16 Ω each (8Ω in parallel) 1 HF compression driver |
| Maximum Operating Range | 40° C ambient temperature, 93% relative humidity, up to 2000 m altitude |
| Power Requirements | 100–240V ~ 50-60 Hz, 600W Max |
| Size (H x W x D) | 25.75 in x 20.2 in x 13.94 inches 654 x 513 x 354 mm |
| Weight (Approximate) | 38 lbs 17.7 kg |
All specifications are subject to change.

Warranty and Support
Visit WWW.AMPEG.COM to…
- …identify WARRANTY coverage provided in your local market. Please keep your sales receipt in a safe place.
- …REGISTER your product.
- …CONTACT Technical Support, or call 818-575-3600.
www.ampeg.com
Yamaha Guitar Group, Inc.
26580 Agoura Road, Calabasas, CA 91302-1921 USA
Rev. A
© 2021 Yamaha Guitar Group, Inc. All rights reserved.
Ampeg, the Ampeg logo, SGT, Super Grit Technology, and SVT are trademarks or registered trademarks of Yamaha Guitar Group, Inc. in the U.S. and/or other jurisdictions. Eminence is a registered trademark of Eminence Speaker, LLC.


Use a non-shielded speaker cable with 1/4″ TS ends to make the connections. Do not use shielded instrument cables as they may overheat.


















