
Heat Pump Dryer
EHPD800W USER MANUAL

EHPD800W Heat Pump Dryer
The following symbols are used in this manual:
Important information concerning your personal safety and information on how to avoid damaging the appliance
General information and tips
Environmental information
Thank you for purchasing an EVOKE appliance. Please read this manual carefully before using your appliance as this includes instructions on how to operate and maintain your product.
Please take a record of this product’s serial number for future reference.
WARNING
Read and understand thoroughly this safety instruction before use. The items indicated here are very important safety precautions, which must be followed. Any failure and losses caused by ignoring the above-mentioned items and cautions mentioned in the operation and installation instructions are not covered by our warranty and any liability.
The appliance can be used by children aged 8 years and above and persons with reduced physical, sensory or mental capabilities or lack of experience and knowledge if they have been given supervision or instruction concerning the use of the appliance in a safe way and understand the hazards involved. Children shall not play with the appliance. Cleaning and user maintenance shall not be made by children without supervision. Children of less than 3 years should be kept away unless continuously supervised. a The rear surface of the appliance shall be placed against a wall. 2
Possible electric shocks

- Disassembly, repair or modification can’t be carried out by people other than professional maintenance staff.
- The household electrical supply system (the current, the voltage, the cable) such as a fuse with suitable specifications should be provided. should meet the requirements of the dryer under normal load, and safety devices.
- The power plug must be connected to a three-core socket with an earth wire and is grounded properly and reliably.
- If the supply cord is damaged, it must be replaced by the manufacturer, its service agent or similarly qualified persons in order to avoid a hazard.
- Don’t disconnect the power plug by pulling the supply cord. Hold the power plug with your hand.
- Don’t use the supply cord when the connection of the power plug and the supply cord is loose.
- Don’t touch the power plug with wet hands. Wipe dust or water drops over the power plug off with dry cloth.
- Don’t over-bend the supply cord or put it under heavy weight.
- Don’t use the supply cord /socket /power plug if it is damaged or broken.
Possible Explosions

- Don’t put combustible liquid such as gasoline, petrol and alcohol into the appliance or nearby. Don’t put clothes with that liquid into the appliance.
- Don’t connect/disconnect the power plug when leakage of gas or other combustible gas occurs.
Fire accidents / short circuits or electric leakage may occur

- Do not install the appliance close to fire sources or heat sources.
- Do not rest any burning candles or cigarettes on the appliance.
- Do not install the appliance in places with damp or suffer from rainfalls, lest igniting damages or other accidents occur easily due to gathered water drops on electrical components.
- Do not install the dryer in places under direct sunshine, lest the plastic components and rubber components become aged.
- Do not use water shooting at the appliance when cleaning it.
- In order to avoid the danger of fires caused by excessive drying, do not use the appliance to dry the following items: Cushions, quilts, and the like (these items accumulate heat).
- If you have washed your laundry with stain remover, you must execute an extra rinse cycle before loading your tumble dryer.
- Please make sure that no gas lighters or matches have accidentally been left in pockets of garments to be loaded into the appliance.
- Items that have been soiled with substances such as cooking oil, acetone, alcohol, petrol, kerosene, spot removers, turpentine, waxes, and wax removers should be washed in hot water with an extra amount of detergent before being dried in the tumble dryer. 1
- Acarpet must not obstruct the openings in the base.
- Exhaust air must not be discharged into a flue which is used for exhausting fumes from appliances burning gas or other fuels.
|
Personal injury may occur
- This machine is not intended for use by young children or infirm persons without supervision.
- The package materials may be dangerous to children. Put all package – materials (e.g. the plastic bag) in places unreachable to children.
- Don’t touch laundries in the drying drum till the dryer stops working completely.
- Don’t keep children or pets nearby when the dryer is working, for they may be trapped in the dryer. Please check carefully the drum before closing the door.

Other instructions
- This appliance is designed for domestic use.It must not be used for purposes other than those for which it was designed.
- Only wash fabrics that are designed to be machine dried. Follow the instruction on each garment label.
- Any electrical work required to install this appliance should be carried out by a qualified electrician or competent person.
- The machine is situated on a carpeted floor, please adjust the feet in order to allow air to circulate freely under the appliance.
- Do not climb onto the dryer or rest heavy objects/heating devices or items with water or liquid leakage on the dryer, lest deformation of the face panel and the plastic component occur.
- Any objects such as coins, safety pins, nails, screws, stones or any other hard, sharp material can cause extensive damage and must not be placed into the machine.
- After having installed the appliance, check that it is not pressing or standing on its electrical supply cable, or vent hose.
- tems such as foam rubber (latex foam), shower caps, waterproof textiles, rubber-backed articles, and clothes or pillows fitted with foam rubber pads should not be dried in the tumble dryer.
- Always unplug the appliance after use, clean, and maintenance.
- Do not overload the appliance. See the relevant section in the user manual.
- Clothes that are dripping wet should not be placed in the dryer.
- Garments which have been in contact with volatile petroleum products should not be machine dried. If volatile cleaning fluids are used, care should be taken to ensure that the fluid is removed from the garment before placing in the machine.
- Never use the tumble dryer if the power supply cable, the control panel, the working surface or the base are damaged so that the inside of the tumble dryer is accessible.
- The tumble dryer is not be used if industrial chemicals have been used for cleaning.
- The lint must not to be allowed to accumulate around the tumble dryer.
- Do not dry unwashed items in the tumble dryer.
- Fabric softeners or similar products should be used as specified by the fabric softener instructions. The final part of a tumble dryer cycle occurs without heat (coal down cycle} to ensure that the items are left at a temperature that ensures that the items will not be damaged.
- That exhaust air must not be discharged into a flue that is used for exhausting fumes from appliances burning gas or other fuels.
- That the appliance must not be installed behind a lockable door, a sliding door, or a door with a hinge on the opposite side to that of the tumble dryer, in such a way that a full opening of the tumble dryer door is restricted.
- The machine must be placed in a clean place, with no water, ice, and combustible materials there. To keep vibration and noise to a minimum when the dryer is in use, it should be placed on a firm, level surface.
- tf the tumble dryer is not completely leveled, need to adjust the front feet up: to lower the dryer by turning anti-clockwise and ascend it by turning clockwise till the appliance will not shake.
- Adequate ventilation has to be provided to avoid the back flow of gases into the room from appliances burning other fuels, including open fires.
- Items that have been soiled with substances such as cooking oil, acetone, alcohol, petrol, kerosene, spot removers, turpentine, waxes and wax removers should be washed in hot water with an extra amount of detergent before being dried in the tumble dryer.
- Remove all objects from pockets such as lighters and matches.
- Oil-affected items can ignite spontaneously, especially when exposed to heat sources such as a tumble dryer. The items become warm, causing an oxidation reaction in the oil.
- Oxidation creates heat. If the heat cannot escape, the items can become hot enough to catch fire. Piling, stacking, or storing oil-affected items can prevent heat from escaping and so create a fire hazard.
- If it is unavoidable that fabrics that contain vegetable or cooking oil or have been contaminated by hair care products be placed in a tumble dryer they should first be washed in hot water with extra detergent – this will reduce, but not eliminate, the hazard.
- Contains fluorinated greenhouse gases covered by the Kyoto Protocol.
- Hermetically sealed system.
- Do not vent gases into the atmosphere.
- Refrigerant(Type): R-134a(GWP=1430)
- If the supply cord is damaged, it must be replaced by the manufacturer, its service agent or similarly qualified persons in order to avoid a hazard.
- The tumble dryer is not to be used if industrial chemicals have been used for cleaning
- Lint must not to be allowed to accumulate around the tumble dryer
- Do not dry unwashed items in the tumble dryer. Items such as foam rubber (latex foam), shower caps, waterproof textiles, rubber-backed articles, and clothes or pillows fitted with foam rubber pads should not be dried in the tumble dryer.
- Fabric softeners, or similar products, should be used as specified by the fabric softener instructions.
- The appliance must not be installed behind a lockable door, a sliding door or a door with a hinge on the opposite side to that of the tumble dryer, in such a way that a full opening of the tumble, the dryer door is restricted.
- This appliance is not intended for use by persons (including children) with reduced physical, sensory or mental capabilities, or lack of experience and knowledge unless they have been given supervision or instruction concerning the use of the appliance by a person responsible for their safety. Children should be supervised to ensure that they do not play with the appliance.
- WARNING: The appliance must not be supplied through an external switching device, such as a timer, or connected to a circuit that is regularly switched on and off by a utility.


- Control Panel
- Water Tank
- Fluff filter
- Door
- Condenser cover
- Adjustment leg
First Use
- Ensure that the electrical connections comply with the installation instructions.
- Remove the polystyrene block and any material from the drum.
- Before using your tumble dryer for the first time, we recommend that you place a few damp cloths inside the appliance and dry it for 30 minutes . There may be dust inside a brand-new tumble dryer.
Daily Use
Connect the appliance

- Open the door
- Place the laundry in the drum, one item at a time, shaking them out as much as possible.
- Close the door. Please check the laundry does not get caught between the door and the filter.
Select the required program
- Tum the program selector dial to the required program. The corresponding function lights are on. The program will be switched off if you have not pressed any button for 10 minutes.

Attention:
- Some thick clothes (jeans, a big towel ). Because of the material characteristics, someplace is hard to dry. If you find that they are not completely dry at the end of the program. It is recommended to use the “Time” program to dry again.
Automatic controlled drying
- You can choose different programs based on your different clothes and materials. The device has the function of sensing moisture in order to automatically adjust the drying time for optimal drying. This drying system is fit for most programs except “Time”, “Refresh”, and “And warm Air’.
Program Option buttons
- Depending on the program, different functions can be combined. These must be selected after choosing the desired program and before depressing the Start/Pause button.
Select the Buzzer
- After turning on the appliance, the buzzer is off if you do no operation. The buzzer can be turned on or turned off during the process. By pressing the “Anti-crease” and the “Delay start” buttons at the same time), the buzzer will be turned on and the corresponding pilot light comes on. when the buzzer is on, the signal will sound in the following case:
- Open the door during operation.
- When the water container is full.
- At the end of the program after the cooling phase.

When the buzzer is on, if you press the “buzzer” button once more, the buzzer will be switched off.
Select the Dry level
- Before you start the machine, you can choose the dry level. The dry level is divided into three grades. (
Heavy
Strong
Normal ) - This option is only suitable to the five programs: Daily, Cotton, Synthetic, Bulky Item, and Towel.
Select the Anti-creasing
- Anti-creasing is a default setting while all programs are switched off. Anti-creasing can be selected while the program is switched off or running.
Select Delay start
This button allows you to delay the starting of the program by 24 hours max. This option must be selected after having selected the program and before pressing Start/Pause to start the program. Every time the button is pressed, the time is increased by 1 hour.

It can be selected in both cases before and after selecting the options program (Buzzer, Anti-creasing). The countdown begins after you have pressed the Start/Pause button and the corresponding light illuminates. The display shows the remaining time. The remaining time is displayed hour by hour.
Display
The display shows the following information: After you have selected the program, its duration (in hours and minutes) appears on the display. It is calculated automatically on the basis of the maximum load accepted for each type of fabric and of the required degree of drying. When the program starts, the remaining time is displayed every 1 minute
- Delay Start.
If you have selected a delay time by means of the relevant button, the display shows it, The countdown is displayed hour by hour. Once you press the “Start/Pause” button, the appliance will start the delayed process. If you want to check the selected program, press the “Delay Start” button again. It shows the duration of the previously selected program. - Incorrect option selection
If you select an option that is not compatible with the program you have selected, the display shows ErS (error). If you select another program because of incorrect operation while the program is running, the display shows ErS (error).
Select the Start/Pause
Press this button to start the dryer after having selected the program and the options. If the door of the appliance is opened while the program is running, this button must be pressed again after closing the door in order to restart the program from the point at which it was interrupted. In this case, the light of the Start/Pause button flashes to remind you that the start button needs to be pressed again.
Indicator lights
These lights indicate the following functions:
- Drying light “
” This light indicates that the appliance is in the drying phase. - Cooling light “
” This light indicates that the appliance is in the cooling phase. At the end of drying, there is a two-minute cooling phase to cool the laundry. - End of program light “
” This light is on at the end of the cooling phase. - Anti-creasing light “
” This light is on when the anti-creasing program is selected. - Filter light “
” It comes on every cycle to remind you that the filter must be cleaned at the end of the program. - Child Lock light “
” This light indicated the appliance is locked. - Buzzer light “
” This light is on when the buzzer program is selected. - Delay Start light “
” This light is on when the delay start program is selected. - Drying Type light, this light is on when the drying program is selected depending on the rotating speed of the washing machine.
- Tank full light“
” It comes on after each program and also when the water tank is full. which reminds you to empty the water container.
Note! Empty the water container after each program to avoid the alarm when use in next time.
At the end of the program
All drying programs end with 2 minutes cooling phase. If the laundry is not removed at the end of the cycle, the dryer performs an anti-creasing phase (duration:10 minutes maximum). If you don’t remove the laundry, the machine will stop automatically at the end of the anti-creasing phase. The display shows “End” and the buzzer sounds if you have selected the buzzer. Turn the program selector dial to “off, all the lights go off.
“Child Lock” functions
When the machine is on, press the meantime “Time” and “Dry level” buttons for several seconds, and the system will lock all the buttons. Then all buttons are invalid except “off”. If you want to make the appliance to return to the normal state, then press the “Time” and “Dry level” buttons for several seconds meantime again.
The function will be released in the following cases:
- Open the door during the operation
- Take out filter drawer during operation
- Water tank full

You can set again the “Child Lock” function when you restart the machine.
After each use
Important!
If the drying program has to be stopped before it reaches the end, we recommend that you turn the program selector dial to position “Air Dry” and wait until the end of this cooling phase before removing the laundry. This will avoid a build-up of heat inside the appliance. To do this first turn the dial to “off and then to “Air Dry” and depress the “Start” button.
Modifying the program
To change a program that is running, first, cancel it by turning the program selector dial to “off. Select the new program and press the “Start” button.
Attention:
- According to “-” for the dormant state;
– standby mode, 10 minutes later, without any operation, enter a dormant state.
– controller shows “End”, 10 minutes later, without any operation, entering a dormant state.
Before loading the laundry
Never tumble dry the following: Particularly delicate items such as net curtains, woolen, silk, fabrics with metal trim, nylon tights, bulky materials such as anoraks, blankets, eiderdowns, sleeping bags, feather quilts and any items containing rubber foam or materials similar to rubber foam.
- Always follow the instructions on garment labels:
maybe tumble dried
delicate drying (low temperature)
normal drying (high temperature)
do not tumble dry
- Close pillowcases and covers with fasteners to prevent small laundry items from getting tangled inside them. Close press studs, zips, hooks, tie belts, and apron strings. Sort laundry according to type and degree of drying required.
- Do not over-dry laundry, this avoids creasing and saves energy.
- Avoid drying dark clothes with light-coloured fluffy items such as towels as they could attract fluff.
- The laundry must be thoroughly spun before tumble drying.
- Close pillowcases and covers with fasteners to prevent small laundry items from getting tangled inside them. Close press studs, zips and hooks, tie belts, and apron strings. Sort laundry according to type and degree of drying required.
- Easy-care items, e.g.shirts, should be briefly pre-spun before drying.
- Knitted textiles(knitted underwear) may shrink a little during drying. Please do not over-dry items of this type. It is advisable to allow for shrinkage when choosing the size of new purchases.
- You can also put starched items into your dryer. However, to achieve the desired starched effect, choose the program “Iron dry”. To remove any starch residues, wipe out the internal drum after drying with a moist cloth and then rub it dry.
- To avoid a static charge when drying is completed, use either a fabric softener when you are washing the laundry or a fabric conditioner specifically for tumble dryers.
- Remove the laundry when the dryer has finished drying.
- If individual items are still damp after drying, set a brief post-drying time, but at least 30 minutes, This will be necessary, particularly for multilayered items (e.g. collars, pockets, etc.)
Make sure that no metal objects are left in the laundry (e.g. hair clips, safety pins, pins)
Button up pillowcases, and close zip fasteners, hooks, and poppers. Tie any belts or long tapes.
To avoid laundry becoming tangled:
Close zips, button up duvet covers, and tie loose ties or ribbons(e.g.of aprons).
Turn items with double-layered fabrics inside out(e.g.with cotton-lined anoraks, the cotton layer should be outermost). These fabrics will then dry better.
Remove all objects from pockets such as lighters and matches.
Maximum loads
Recommended loads are indicated in the program charts:
General rules:
- Cotton, linen: drum full but not too tightly packed;
- Synthetics: drum no more than half full;
- Delicate fabrics and woolens: drum no more than a quarter full.
Try to load the maximum capacity of the machine as small loads are uneconomical.
| Course | Max load | Description of program |
| Daily | 8kg | Jeans, work clothes and so on. |
| 8kg | Drying cotton clothes. | |
| Synthetic | 4kg | Drying synthetic clothes. |
| Bulky Item | 8kg | Drying heavy clothes. |
| Towel | 4kg | Drying towels, bath towels, and other small objects. |
| Wool | 2kg | Drying wool clothes. |
| Duvet | 3kg | Drying down garments, and duvets. |
| Baby Care | 3kg | Drying baby clothes. |
| Warm Air | 4kg | Warm the clothes at low temperatures and do not feel too cold when they are put on. |
| Refresh | 4kg | Remove the smell of clothes. |
| Time | 2kg | For silk items |
| Underwear | 4kg | For men’s underpants, shirt. |
| Jeans | 4kg | Drying jeans. |
| Shirts | 2kg | Drying shirts etc. |
| Sportswear | 2kg | Drying sport wears. |
| Air Dry | 4kg | For men’s underpants ,shirt ,T-shirt ,cotton trousers ,etc. |
Kind Notice: for drying bathrobe and toweling towel, the max load doesn’t exceed 6kg.
Laundry weights
The following weights are indicative:
| Bathrobe | 1600g | night dress | 265g |
| napkin | 130g | ladies’ briefs | 130g |
| quilt cover | 930g | men’s work shirt | 800g |
| sheet | 665g | men’s shirt | 265g |
| pillowcase | 266g | men’s pajamas | 130g |
| tablecloth | 330g | blouse | 665g |
| toweling towel | 265g | men’s underpants | 130g |
| tea cloth | 130g |
Care and cleaning
- You must DISCONNECT the appliance from the electricity supply before you can carry out any
cleaning or maintenance work. - Don’t clean the dryer by directly spraying water onto the dryer. Don’t clean the dryer with benzene, thinner, alcohol, or acetone. Otherwise, it may cause discoloration, deformation, and damage. electric shock or fire.
- When cleaning the product, be sure to unplug the power cord. During the drying cycle, the control panel or the door may accumulate moisture.
Control Panel
- Clean with soft, damp clothes. Do not use abrasive substances.
- Don’t spray cleaners directly on the panel.
- The control panel finish may be damaged by some laundry pre-treatment soil and stain remover products.
- Apply such products away from your dryer and wipe up any spills or overspray immediately.
Stainless Steel Tumbler
- To clean the stainless steel tumbler, use a damp cloth with a mild, non-abrasive cleaner suitable for stainless steel surfaces.
- Remove the cleaner residue and dry it with a clean cloth.
Cleaning the door
Clean periodically the interior part of the door to remove any fluff. Accurate cleaning ensures correct drying.

Dryer Exterior
- The enter dryer has a high-gloss finish. Clean with a soft, damp cloth. Don’t use abrasive substances.
- Protect the surface from sharp objects as they may scratch or damage the finish.
- Don’t place any heavy or sharp objects or a detergent box on the dryer. Keep them on the purchased pedestal or in a separate storage box.
| Do not use the appliance without filter. |
Cleaning the filter
- Open the loading door.
- Remove the lint filter by putting it up and opening the lint filter.
- Clean lint, fiber, and cotton raveling by hand or with a soft piece of cloth.
- Close the lint filter and place it back into its housing.
- A layer can build up on the filter pores that can cause clogging of the filter after using the dryer for a while. Wash the lint filter with warm water to remove the layer that builds up on the lint filter surface. Dry the lint filter completely before reinstalling it.
- The lint trap has to be cleaned frequently.

| Always clean the lint filter and the inner surfaces of the loading door after each drying process. |
Water container emptied
The water container collects all of the water from the condenser. The water containers need to be emptied after every drying cycle. If the water container is full, an active program will break off automatically. the
light will come on and the buzzer sounds. In order to continue the program, the water container must first be emptied.
- Pull out the water container
- Tip water into the pool

- Pull the water container in the dryer
- Press the Start/Pause button

Humidity sensor
In the movement process, this device is used for induction clothing humidity, it means that it must be carried on cleaning. The major cause of cleaning is must scour out the calcium oxide boiler which on the sensor surface up. Clean the sensor in the tumbler (See picture).

Clean the filter drawer
Lint and fiber that could not be captured by the lint filter are blocked in the filter drawer behind the cover. Clean the filter drawer after each drying process. There is a two-level filter in the filter drawer. The first level is the filter drawer sponge and the second level is the filter cloth.
- Press the button to open the cover.
- Unlock the fixer.
- Pull out the filter drawer.
- Clean lint, fiber, and cotton raveling on the filter cloth by hand or with a soft piece of cloth.
- When you notice a layer that may lead to clogging on the filter cloth, please clean the layer by washing in warm water. Let the filter cloth dry thoroughly before installing back the filter drawer.
- Wash the filter drawer sponge by hand to remove the fiber and lint on the surface. After washing the sponge. squeeze it by hand and remove the excess water. Well-dry the sponge before storing it.

Clean the evaporator
- Clean the lint accumulated on the fins of the evaporator located behind the filter drawer with a vacuum cleaner or a soft brush. You can also clean by hand provided that you wear protective gloves.
- Itis recommended to clean it at least twice every month.

| Never attempt to clean with bare hands.Evaporator fins can harm your hand. |
IMPORTANT: If you call out an engineer to a fault listed below, or to repair a fault caused by incorrect use or installation, a charge will be made even if the appliance is under guarantee.
Technical data
| Dryer Model | EHPD800W |
| Dryer Capacity(kg) | 8.0 |
| (AC V/Hz) | 220/50 |
| Rated power (W) | 650 |
| Weight(kg) | 47 |
| Power(left-on mode)(W) | 0.36 |
| Power(off mode)(W) | 0.3 |
| Program/ temperature setting | Daily |
| Programme time at full load(min) | 285 |
| Dimensions(W*D*H)(mm) | 595X630X850 |
| Ambient temperature range(°C) | 5 — 35 |
| Amount of refrigerant: | R134a/310g |
Procedure
Separate earth is required by some local rules. In that case, you need buy grounding wire, clips and screws.
A is dangerous to alter the specifications or attempt to modify this product in any way.
Care must be taken to ensure that the appliance does not stand on the electrical supply cable.
Any electrical work required to install this appliance should be carried out by a qualified electrician or competent person.
IMPORTANT: The appliance must not built in.
- Unpacking
All packing must be removed before using the appliance. - Check accessory
Open the accessory bag and check the accessories.
| Accessory | Name | Quantity |
| drainpipe | 1 | |
| manual | 1 |
Should the appliance be moved, it must be transported vertically.
Something not working
| Malfunction | Possible cause | Solution |
| Dryer does not work | •Mains plug is not plugged in. •Loading door is open. •Have you pressed the | •Plug in at mains socket. •Close the loading door. •Press the |
| Drying results unsatisfactory | • the Wrong program was selected. •Filter clogged. •Incorrect volume of laundry. •The sediment on the humidity sensor | •Select a different program the next time you dry (see “Drying programs” section). •Clean lint filter. •Observe recommended loading volumes. •Washed humidity sensor surface |
| Drum light does not work (option) | •Light bulb is defective. | •Replace the light bulb. |
| The drying cycle ends shortly after the program starts. “End” light illuminated. | •Not enough washing loaded or washing loaded is too dry for the selected program. | •Select a higher drying level (e.g. Heavy instead of Strong). |
| The drying cycle lasts an unusually long time. | •Load volume is too big. | •Reduce load volume. |
If you are unable to identify or solve the problem, contact our service center. Before telephoning, make a note of the model, serial number, and purchase date of your machine: the Service Centre will require this information.
Earth note
This appliance must be earthed. In case of failure or damage, the earth can provide minimum resistance to reduce the possibility of electric shock. The power cord has a grounding wire with the device and a power cord with a plug. The plug must be inserted into a properly installed and grounded socket(in accordance with all local rules and standards).
Water discharge
It’s not necessary to discharge the condensed water to the tank, it can be drained out directly.
change drainpipe
Pull out the water pipe by means of the arrow direction, Then install the drainpipe.
Such as pliers can be used if it is difficult to do.
Removing transport safety packaging foam
Caution!
Before use the machine, the packaging foam must be removed from the drum.
- Open the loading door.
- Pull off adhesive strips from inside the machine on top of the drum.
- Remove the two packaging foams from the machine.
Check across the corner
When pressed on the edge, the machine should not shake up and down. (please check the two directions) when pressed on the top frame (across the corner), the dryer shakes, need to re-adjust the adjustable feet.
Do not put stacks of blankets or a rope on the floor, which could generate some heat and affect the machine running.

IMPORTANT: The hot air emitted by the tumble dryer can reach a temperature of up to 60°C. The appliance must therefore not be installed on floors that are not resistant to high temperatures.
Electrical connection
Any electrical work required to install this appliance should be carried out by a qualified electrician or competent person.
| THIS APPLIANCE MUST BE EARTHED. |
The manufacturer declines any liability should this safety measure not be observed.
Before switching on, make sure the electricity supply voltage is the same as that indicated on the appliance’s rating plate.
Should the plug need to be replaced for any reason, proceed as described below.
The wires in the mains lead are colored in accordance with the following code:
- Green and Yellow-Earth
- Blue -Neutral
- Brown-Live
The wire colored green and yellow must be connected to the terminal marked with the letter or by the earth symbol or colored green and yellow.
| A cut-off plug inserted into a socket is a serious safety (shock) hazard. Ensure that the cut-off plug is disposed of safely. Permanent connection In the case of a permanent connection, it is necessary that you install a double pole switch. The switch must not break the yellow and green earth cable at any point. |
Packaging materials
- The materials marked with the symbol
are recyclable. >PE<=polyethylene >PS<=polystyrene >PP<=polypropylene
This means that they can be recycled by disposing of them properly in appropriate collection containers.
Old machine Use authorized disposal sites for your old appliance. Help to keep your country tidy! - The symbol
on the product or on its packaging indicates that this product may not be treated as household waste. Instead, it should be taken to the appropriate collection point for the recycling of electrical and electronic equipment. By ensuring this product is disposed of correctly, you will help prevent potential negative consequences for the environment and human health, which could otherwise be caused by inappropriate waste handling of this product. For more detailed information about recycling of this product, please contact your local council, your household waste disposal service or the shop where you purchased the product. - The symbol
mean: caution, risk of fire Oil-affected items can ignite spontaneously, especially when exposed to heat sources such as in a tumble dryer. The items become warm, causing an oxidation reaction in the oil. Oxidation creates heat. If the heat can’t escape, the items can become hot enough to catch fire. Piling, stacking or storing oil-affected items can prevent heat from escaping and so create a fire hazard. If it is unavoidable that fabrics that contain vegetable or cooking oil or have been contaminated by hair care products be placed in a tumble dryer they should first be washed in hot water with extra detergent-this will reduce, but not eliminate the hazard.
Ecological hints
To save energy and to help protect the environment, we recommend that you follow these hints: Try to load the maximum capacity of the machine as small loads are uneconomical.
- Do not over-dry laundry, this avoids creasing and saves energy.
- Select the drying program according to the type of laundry and the required degree of dryness.
- Clean the filters regularly to avoid excessive drying times and high electricity consumption.
- Ventilate the room well.
Standard guarantee conditions
We undertake that if within 12 months of the date of the purchase this appliance, we will, at our option repair or replace the same FREE OF CHARGE for labor, materials or carriage on condition that:
- The appliance has been correctly installed and used only on the electricity supply stated on the rating plate.
- The appliance has been used for normal domestic purposes only, and in accordance with the manufacturer’s instructions.
- The appliance has not been serviced, maintained, repaired, taken apart or tampered with by any person not authorized by us.
- This guarantee is in addition to your statutory and other legal rights.
This guarantee does not cover
- Damage or calls resulting from transportation, improper use or neglect, or the replacement of any light bulbs or removable parts of glass or plastic.
- Appliances found to be in use within a commercial environment, plus those which are subject to rental agreements.
- Products of our manufacture which are not marketed by us.
Marking explanation
| V | Volt | ∼ | Alternating current | |||||
| W | Watt | Hz | Hertz | |||||
| risk of fire | ||||||||
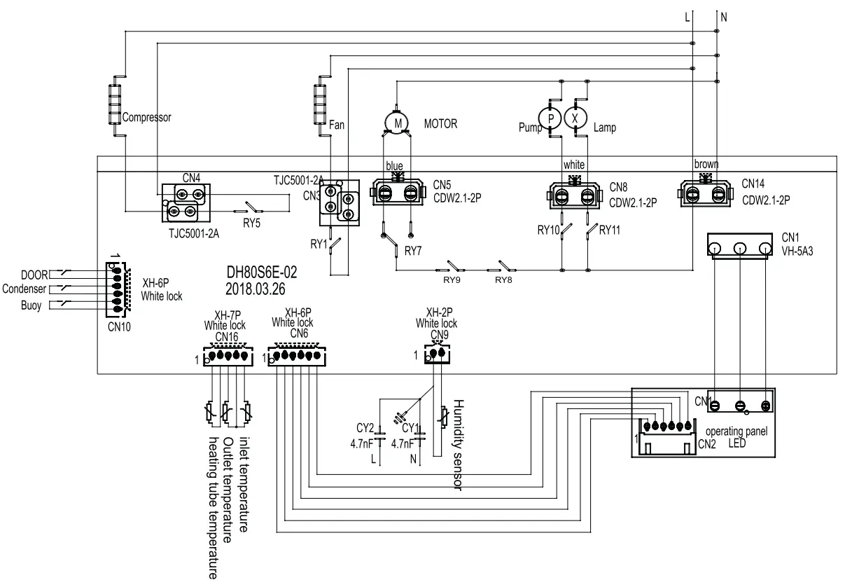
Electric diagram

Warranty Information
Imported by Worldwide Appliances Pty Ltd A.B.N. 45868077422 Distributed by Eurolinx Pty Ltd 48-50 Moore Street, Leichhardt N.S.W 2040 Post: Locked Bag 3000, Annandale, N.S.W 2038 P: 1300 694 583
WARRANTY REGISTRATION
Your ongoing satisfaction with your EVOKE product is important to us. We ask that you complete the enclosed Warranty Registration Card and return it to us so that we have a record of the EVOKE product purchased by you.
PRIVACY
Worldwide Appliances respects your privacy and is committed to handful handling your personal information in accordance with the National Privacy Principles and the Privacy Act 1988 (Cth). A copy of the Worldwide Appliances Privacy Policy is available at www.ievokeappliances.com.au. Worldwide Appliances will not disclose any personal information set out in the Warranty Registration Card (“Personal Information”) without your consent unless required by
- law;
- any Worldwide Appliances-related company;
- any service provider which provides services to EVOKE or assists EVOKE In providing services (including repair and warranty services to customers. Our purpose in collecting t Personal Information is to keep a record of the EVOKE product purchased by you, In order to provide better warranty service to you in the unlikely event that there is a problem with your EVOKE product. Worldwide Appliances may contact you at any one or more of the addresses, email addresses, or telephone numbers set out in the Warranty Registration Card. Please contact EVOKE on 1300 -694 583 should you not wish to be contacted by Worldwide Appliances.
WARRANTY
- Warranty Worldwide Appliances warrants that each EVOKE product will remain, for a period of either 12 months or 24 months of warranty. AU Warranties are valid from the original date of purchase, And warranty claims must be accompanied by proof of purchase. 24 months warranty products: Dishwashers – Freestanding, Fully Integrated, Semi-Integrated and built-In. All Dryers, all washing machines.
- What is not Covered by the Warranty? The Warranty does not apply If an EVOKE product is defective by a factor of-. then a defect arising In the manufacture of the EVOKE product, including but not limited to:
(a) damage through misuse (including failure to maintain, service or use with proper care), neglect, accident or ordinary wear and tear (including deterioration of parts and accessories and glass breakage);
(b) use for the purpose for which the EVOKE product was not sold or designed;
(c) use or Installation which is not in accordance with any specified instructions for use or installation;
(d) use or operation after a defect has occurred or is best discovered;
(e) damage through freight, transportation or handling in transit (other than when Worldwide Appliances is responsible);
(f) damage through exposure to chemicals, dust, residues, excessive voltage, heat, atmospheric conditions or other forces or environmental factors outside the control or Worldwide Appliances;
(g) repair, modification, or tampering by the purchaser or any person other than Worldwide Appliances, an employee of Worldwide Appliances or an authorized EVOKE service contractor;
(h) use of parts, components, or accessories that have not been supplied or specifically approved by EVOKE.
(i) damage to surface coatings caused by cleaning or maintenance using products not recommended in the EVOKE product handbook provided to the purchaser upon purchase of the EVOKE product; (D damage to the base of an electric oven due to items having been placed on the base of the oven cavity or covering the base, such as aluminum foil (this impedes the transfer of heat from the element to the oven cavity and can result in irreparable damage); or (k) damages, dents or other cosmetic imperfections not affecting the_performanoe of the EVOKE in respect of an EVOKE product purchased as a “factory second” or from display The Warranty does not extend to light globes used in EVOKE products. - Domestic Use Each EVOKE product is made for domestic use. This Warranty may not extend to EVOKE products used for commercial purposes.
- Time for Claim under the Warranty You must make any claim under this Warranty within twenty-eight (28) days after the occurrence of an event that gives rise to a claim pursuant to the Warranty, by booking a service call on the telephone number below.
- Proof of Purchase Customers must retain the proof of purchase in order to be eligible to make a warranty claim in respect of an EVOKE product.
- Claiming under the Warranty Customers will bear the cost of claiming under this Warranty unless Worldwide Appliances determines the expenses are reasonable, in which case the customer must claim those expenses by providing written evidence of each expense to Worldwide Appliances at the address on the Warranty Registration Card.
- Statutory Rights
(a) These terms and conditions do not affect your statutory rights.
(b) The limitations on the Warranty set out in this document do not exclude or limit the application of the consumer guarantees set out in the Act or any other equivalent or corresponding legislation in the relevant jurisdiction where to do so would: (i) contravene the law of the relevant jurisdiction; or (ii) cause any part of the Warranty to be void.
(c) Worldwide Appliances excludes indirect or consequential loss of any kind (including, without limitation, loss of use of the EVOKE product) and (other than expressly provided for in these terms and conditions) subject to all terms, conditions, and warranties implied by custom, the general law, the Act or other statute.
Warranty Card tear off
(d) The liability of Worldwide Appliances to you for a breach of any express or non-excludable implied term, condition or warranty is limited at the option of Worldwide Appliances to:
(i) replacing or repairing the defective part of the EVOKE product;
(ii) paying the cost of replacing or repairing the defective part of the EVOKE product;
(iii) replacing the EVOKE product; or (iv) paying the cost of replacing the EVOKE product. (e) Our goods come with guarantees that cannot be excluded under the Australian Consumer Law. You are entitled to a replacement or refund for a major failure and for compensation for any other reasonably foreseeable loss or damage. You are also entitled to have the goods repaired or replaced if the goods fail to be of acceptable quality and the failure does not amount to a major failure. - Defects Any part of an EVOKE product deemed to be defective and replaced by Worldwide Appliances is the property of Worldwide Appliances. Worldwide Appliances reserves the right to inspect and test EVOKE products in order to determine the extent of any defect and the validity of a claim under the Warranty.
All warranty service calls must be booked via the customer care department. The team can be contacted at 1 300 85 64 11 option 1 or [email protected]
01072021
WARRANTY REGISTRATION CARD 01072021
Please complete and send to EVOKE at: REPLY PAID 83617 LEICHHARDT NSW 2040
| Last Name: | First Name: | ||
| Address: | |||
| State: | Postcode: | Email: | |
| Home Phone: | Mobile: | ||
| Purchase Date: / / (Please attach proof of purchase to validate warranty) | |||
| MODEL NUMBER | SERIAL NUMBER (if you cannot locate the serial number please call EVOKE on 1300 856 411) |
| 1 | |
| 2 | |
| 3 | |
| 4 |
01072021
version number: V20210716
evokeappliances.com.au




















