eurotech ED-HPD8WH 8kg Heat Pump Dryer

Please read this manual carefully before using your dryer and keep it for future reference.
WARNING

Read and understand thoroughly this safety instructions before use. The items indicated here are very important safety precautions, which must be followed. Any failure and losses caused by ignoring the above mentioned items and cautions mentioned in the operation and installation instruction are not covered by our warranty and any liability.
The appliance can be used by children aged from 8 years and above and persons with reduced physical, sensory or mental capabilities or lack of experience and knowledge if they have been given supervision or instruction concerning use of the appliance in a safe way and understand the hazards involved.
Children shall not play with the appliance. Cleaning and user maintenance shall not be made by children without supervision.
Children of less than 3 years should be kept away unless continuously supervised. The rear surface of appliance shall be placed against a wall. The appliance must not be supplied through an external switching device, such as a timer, or connected to a circuit that is regularly switched on and off by a utility. Oil-affected items can ignite spontaneously, especially when exposed to heat sources such as in a tumble dryer. The items become warm, causing an oxidation reaction in the oil. Oxidation creates heat. If the heat cannot escape, the items can become hot enough to catch fire. Piling, stacking or storing oil-affected items can prevent heat from escaping and so create a fire hazard. If it is unavoidable that fabrics that contain vegetable or cooking oil or have been contaminated by hair care products be placed in a tumble dryer they should first be washed in hot water with extra detergent – this will reduce, but not eliminate, the hazard.
Possible electric shocks
- Disassembly, repair or modification can’t be carried out by people other than professional maintenance staff.
- The household electrical supply system (the current, the voltage, the cable)such as a fuse with suitable specifications should be provided. should meet requirements of the dryer under normal load, and safety devices.
- The power plug must be connected to a three-core socket with an earth wire and is grounded properly and reliably.
- If the supply cord is damaged, it must be replaced by the manufacturer ,its service agent or similarly qualified persons in order to avoid a hazard.
- Don’t disconnect the power plug by pulling the supply cord.
- Hold the power plug with your hand.
- Don’t use the supply cord when connection of the power plug and the supply cord is loose.
- Don’t touch the power plug with wet hands.
- Wipe dust or water drops over the power plug off with dry cloth.
- Don’t over-bend the supply cord or put it under heavy weight.
- Don’t use the supply cord /socket /power plug if it is damaged or broken.
Possible Explosions
- Don’t put combustible liquid such as gasoline, petrol and alcohol into the appliance or nearby.
- Don’t put clothes with that liquid into the appliance.
- Don’t connect / disconnect the power plug when leakage of gas or other combustible gas occurs.
Fire accidents / short circuit or electric leakage may occur
- Do not install the appliance close to fire sources or heat sources.
- Do not rest any burning candles or cigarettes on the appliance.
- Do not install the appliance in places with dampness or suffer from rainfalls, lest igniting damages or other accidents occur easily due to gathered water drops on electrical components.
- Do not install the dryer in places under direct sunshine, lest the plastic components and rubber components become aged.
- Do not use water shooting at the appliance when cleaning it.
- In order to avoid danger of fires caused by excessive drying, do not use the appliance to dry the following items: Cushions, quilts and the like (these items accumulate heat).
- If you have washed your laundry with stain remover, you must execute an extra rinse cycle before loading your tumble dryer.
- Please make sure that no gas lighters or matches have accidentally been left in pockets of garments to be loaded into appliance.
- Items that have been soiled with substances such as cooking oil, acetone, alcohol, petrol, kerosene, spot removers, turpentine, waxes and wax removers should be washed in hot water with an extra amount of detergent before being dried in the tumble dryer.
- A carpet must not obstruct the openings in the base.
- The exhaust air must not be discharged into a flue which is used for exhausting fumes from appliances burning gas or other fuels.
| Never stop a tumble dry before the end of the drying cycle unless all items are quickly removed and spread out so that the heat is dissipated. |
Personal injury may occur
- This machine is not intended for use by young children or infirm persons without supervision.
- The package materials may be dangerous to children. Put all package materials (e.g. the plastic bag) to places unreachable to children.
- Don’t touch laundries in the drying drum till the dryer stops working completely.
- Don’t keep children or pets nearby when the dryer is working, for they may be trapped into the dryer.
- Please check carefully the drum before closing the door.
Other instructions
- This appliance is designed for domestic use. It must not be used for purposes other than those for which it was designed.
- Only wash fabrics which are designed to be machine dried. Follow the instruction on each garment label.
- Any electrical work required to install this appliance should be carried out by a qualified electrician or competent person.
- If the machine is situated on a carpeted floor, please adjust the feet in order to allow air to circulate freely under the appliance.
- Do not climb onto the dryer or rest heavy objects / heating devices or items with water or liquid leakage on the dryer, lest deformation of the face panel and the plastic component occur.
- Any objects such as coins, safety pins, nails, screws, stones or any other hard, sharp material can cause extensive damage and must not be placed into the machine.
- After having installed the appliance, check that it is not pressing or standing on its electrical supply cable, or vent hose.
- Items such as foam rubber (latex foam), shower caps, waterproof textiles, rubber backed articles and clothes or pillows fitted with foam rubber pads should not be dried in the tumble dryer.
- Always unplug the appliance after use, clean and maintenance.
- Do not overload the appliance. See the relevant section in the user manual.
- Clothes which are dripping wet should not be places in the dryer.
- Garments which have been in contact with volatile petroleum products should not be machine dried.
- If volatilecleaning fluids are used, care should be taken to ensure that the fluid is removed from the garment before placing in the machine.
- Never use the tumble dryer if the power supply cable ,the control panel, the working surface or the base are damaged so that the inside of the tumble dryer is accessible.
- The tumble dryer is not be used if industrial chemicals have been used for cleaning.
- The lint must not to be allowed to accumulate around the tumble dryer.
- Do not dry unwashed items in the tumble dryer.
- Fabric softeners or similar products should be used as specified by the fabric softener instructions.
- The final pat of a tumble dryer cycle occurs without heat (cool down cycle) to ensure that the items are left at a temperature that ensures that the items will not be damaged.
- That the appliance must not be installed behind a lockable door ,a sliding door or a door with a hinge on the opposite side to hat of the tumble dryer, in such a way that a full opening of the tumble dryer door is restricted.
- The lint trap has to be cleaned frequently.
- The adequate ventilation has to be provided to avoid the back flow of gases into the room from appliances burning other fuels, including open fires.
- Remove all objects from pockets such as lighters and matches.
- Contains fluorinated greenhouse gases covered by the Kyoto Protocol.
- Hermetically sealed system.
- Do not vent gases into the atmosphere.
- Refrigerant(Type):R-134a(GWP=1430)
- If the supply cord is damaged, it must be replaced by the manufacturer, its service agent or similarly qualified persons in order to avoid a hazard.
- The appliance must not be installed behind a lockable door, a sliding door or a door with a hinge on the opposite side to that of the tumble dryer, in such a way that a full openin of the tumble dryer door is restricted.
- This appliance is not intended for use by persons (including children) with reduced physical, sensory or mental capabilities, or lack of experience and knowledge, unless they have been given supervision or instruction concerning use of the appliance by a person responsible for their safety. Children should be supervised to ensure that they do not play with the appliance.
Product description

- Control Panel
- Water Tank
- Fluff filter
- Door
- Condenser cover
- Adjustment leg
Control panel

- Programme Selection Knob
- Time
- Child Lock
- Dry Level
- Anti Crease
- Buzzer
- Delay Start
- Start/Pause
- Indicator Lights: Drainage Container Fluff Filter
First Use
- Ensure that the electrical connections comply with the installation instructions.
- Remove the polystryrene block and any material from the drum.
- Before using your tumble dryer for the first time, we recommend that you place a few damp cloths inside the appliance and dry for 30 minutes. There may be dust inside a brand new tumble dryer.
Daily Use
Connect the appliance
- Open the door
- Place the laundry in the drum, one item at a time ,shaking them out as much as possible.
- Close the door .
Please check the laundry does not get caught between the door and filter.
Select the required programme
- Turn the program selector dial to the required program. The corresponding function lights is on.
The program will be switched off if you have not pressed any button for 10 minutes.

Attention:
- Some thick clothes ( jeans, big towel ).
Because of the material characteristics, some place hard to dry.
If you find that they are not completely dry at the end of the program. It is recommended to use the “Time” program to dry again.
Automatic controlled drying
- You can choose different programme base on your different clothes materials. The device has the function with sensor the moisture in order to automatically adjust the drying time for optimal drying.
This automatic control system is fit for most programme except Warm Air, Refresh and Time.
Time controlled drying
- You can choose the time of drying according to the actual situation, the knob is turned to the Time, and you can also increase it to the desired time by pressing the Time button.
To cancel a program which is running, turn the program selector dial to “off ”.
At the end of drying, turn the selector dial to “off ” to switch the machine off before removing the laundry
- Depending on the programme, different functions can be combined.
These must be selected after choosing the desired programme and before depressing the Start/Pause button. When these buttons are pressed, the corresponding indicator lights comes on. When they are pressed again, the indicator lights go out.
“WIFI” FUNCTION (OPTIONAL)
- Press the “Dry level” and “Anti-Crease” buttons at the same time until a beeping sound occurs,then the “ ”icon flash faster.
- Follow the APP guidelines until the “ ”icon is always on means it’s works
Select the Buzzer
The buzzer can be selected during normal use. Press the “Buzzer” button to turn off the buzzer and corresponding light. Press once again to activate the buzzer and corresponding light. A sound will be emitted.
The “Buzzer” key is pressing Anti Crease and Delay Start at the same time for 3 second.
When the buzzer is on, if you press the “buzzer” button once more, the buzzer will be switched off.
Select the Dry level
Before you start the machine, you can choose the dry level. The dry level is divided into three grades. (
Heavy
Strong
Normal )
This option is only suitable to the five programs: Standard, Cotton, Synthetic, Bulky Item, Towel.
Select the Anti-creasing
Anti-crease is a default setting at the end of each programmes.Longer Anti crease can be selected while the programme is standby or pause.
Select Delay start
This button allows you to delay the starting of the program by 24 hours max.
This option must be selected after having selected the program and before pressing Start/Pause to start the program.
Every time the button is pressed, the time is increased by 1 hour

It can be selected in both cases before and after selecting option programme (Buzzer,Anti-creasing).
The countdown begins after you have pressed the Start/Pause button and the corresponding light illuminates.
The display shows the remaining time. The remaining time is displayed hour by hour.
Display
The display shows the following information:
After you have selected the program, its duration (in hours and minutes) appears on the display.
It is calculated automatically on the basis of the maximum load accepted for each type of fabric and of the required degree of drying.
When the program starts, the remaining time is displayed every 1 minutes
- Delayed Start
If you have selected a delay time by means of the relevant button, the display shows it, The countdown is displayed hour by hour. Once you press the “Start/Pause” button, the appliance will start the delayed process.
If you want to check the selected program ,press the “Delay Start” button again.
It shows the duration of the previously selected program. - Incorrect option selection
If you select an option that is not compatible with the program you have selected, the display shows ErS (error).
If you select other program because of incorrect operation while the program is running, the displa ErS (error)
Select the Start/Pause
Press this button to start the dryer after having selected the program and the options. If the door of the appliance is opened while the program is running ,this button must be pressed again after closing the door in order to restart the program from the point at which it was interrupted. In this cases the light of the Start/Pause button flashes to remind you that the start button needs to be pressed again.
Indicator lights
- These lights indicate the following functions:
Drying light
This light indicates that the appliance is in the drying phase.
Cooling light
This light indicates that the appliance is in the cooling phase. At the end of drying, there is a two minutes cooling phase to cool the laundry.
End of programme light
This light is on at the end of the cooling phase.
Anti-creasing light
This light is on when anti-creasing programme is selected.
Filter light
It comes on every cycle to remind you that the filter must be cleaned at the end of the programme.
Child Lock light
This light indicated the appliance is locked.
Buzzer light
This light is on when buzzer programme is selected.
Delay Start light


This light is on when delay start programme is selected. Drying Type light these lights will be on when Dry Level function is selected.
When you choose different drying intensities, the corresponding indicator light turns on.
Tank full light
It comes on after each program and also when the water tank is full. which remind you to empty the water container.
Note! Empty the water container after each program to avoid the alarm when use in next time.
At the end of the programme
All drying programmes end with 10 minutes cooling phase. If the laundry is not removed at the end of the cycle, the dryer runs anti crease phase (default: 30 minutes, select: 120 minutes).
If you do not remove the laundry, the dryer will stop automatically at the end of the anti crease phase. The display shows “End” and the buzzer sounds for 15 seconds when the buzzer function is on.
To finish,turn the programme selector dial to off.
“Child Lock” functions
When the machine is on, press meantime “Time” and “Dry level” button the system will for several seconds, lock all the buttons. Then all buttons are invalid except “off ”. If you want to make the appliance to return to the normal state ,then press “Time” and “Dry level” button for several seconds meantime again.
The function will be released in the following cases:
- Open the door during operation
- Take out filter drawer during operation
- Water tank full
You can set again the “Child Lock” function when you restart the machine.
After each use
Important!
If the drying program has to be stopped before it reaches the end , we recommend that you turn the program selector dial to position “Refresh” and wait until the end of this cooling phase before removing the laundry.
This will avoid a build-up of heat inside the appliance.
To do this first turn the dial to “off ” and then to “Refresh” and depress the“Start” button.
Modifying the program
To change a program which is running, first cancel it by turning the programme selector dial to “off ”.
Select the new program and press the “Start” button.
Attention: According to “-” for the dormant state;
– standby mode, 10 minutes later, without any operation, enter a dormant state.
– controller shows “End”, 10 minutes later ,without any operation, enter a dormant state.
Drying Hints
Before loading the laundry
Never tumble dry the following: Particularly delicate items such as net curtains ,woolen, silk, fabrics with metal trim, nylon tights, bulky materials such as anoraks, blankets, eiderdowns, sleeping bags, feather quilts and any items containing rubber foam or materials similar to rubber foam.
- Always follow the instructions on garment labels:
may be tumble dried
normal drying (high temperature)
delicate drying (low temperature)
do not tumble dry - Close pillowcases and covers with fasteners to prevent small laundry items getting tangled inside them.
- Close press studs, zips, hooks, tie belts and apron strings. Sort laundry according to type and degree of drying required.
- Do not over-dry laundry, this avoids creasing and saves energy.
- Avoid drying dark clothes with light coloured fluffy items such as towels as they could attract fluff.
- The laundry must be thoroughly spun before tumble drying.
- Easy-care items, e. g. shirts, should be briefly pre-spun before drying.
- Knitted textiles(knitted underwear) may shrinkage a little during drying. Please do not over-dry items of this type. It is advisable to allow for shrinkage when choosing the size of new purchases.
- To avoid a static charge when drying is completed, use either a fabric softener when you are washing the laundry or a fabric conditioner specifically for tumble dryers.
- Remove the laundry when the dryer has finished drying.
- If individual items are still damp after drying ,set a brief post-drying time ,but at least 30 minutes. This will be necessary particularly for multilayered items (e.g. collars ,pockets ,etc.)
Make sure that no metal objects are left in the laundry (e.g. hair clips, safety pins, pins)
Button up pillowcases ,close zip fasteners ,hooks and poppers. Tie any belts or long tapes.
To avoid laundry becoming tangled:
Close zips ,button up duvet covers and tie loose ties or ribbons(e.g.of aprons).
Turn items with double-layered fabrics inside out(e.g.with cottonlined anoraks ,the cotton layer should be outermost) .These fabrics will then dry better.
Remove all objects from pockets such as lighters and matches .
Maximum loads
Recommended loads are indicated in the program charts :
General rules:
- Cotton,linen: drum full but not too tightly packed ;
- Synthetics: drum no more than half full ;
- Delicate fabrics and woollens: drum no more than quarter full.
Drying programmes
Course | Max load | Description of programme |
| Standard | 8kg | Blend materials usual clothes and so on. It is possible to choose different drying strength |
| Cotton | 8kg | Cotton clothes and so on. It is possible to choose different drying strength |
| 4kg | Chemical fiber products and so on. It is possible to choose different drying strength | |
| Bulky Item | 2kg | To dry the larger clothes. (bedsheet, Quilt cover) It is possible to choose different drying strength |
| Towel | 4kg | Towel and so on. It is possible to choose different drying strength |
| 1kg | Knitted sweater and so on. | |
| Duvet | 3.5 kg | Down jacket |
| Baby Care | 3kg | Baby clothes |
| Warm Air | – | Used for drying delicate material loads, such as silk, etc. The machine dries depend on the display time, regardless of the drying level. |
| Refresh | – | The clothes are deodorizing and fresh, and the intensity of drying is weak.The machine dries depend on the display time, regardless of the drying level. |
| Time | – | Drying thick or multi-layered textiles,the machine dries depend on the display time, regardless of the drying level. e.g. terry towelling items.For drying individual items of laundry or for small volumes. |
| Underwear | 2kg | Underwear |
| Denim | 4kg | Denim |
| Shirts | 2kg | Shirts |
| Sportswear | 2kg | Sportswear |
Kind Notice: for drying bathrobe and toweling towel, the max load don’t exceed 6kg.
Laundry weights
The following weights are indicative:
| Bathrobe | 1600g | night dress | 265g |
| napkin | 130g | ladies’ briefs | 130g |
| quilt cover | 930g | men’s work shirt | 800g |
| sheet | 665g | men’s shirt | 265g |
| pillow case | 266g | men’s pyjamas | 130g |
| tablecloth | 330g | blouse | 665g |
| towelling towel | 265g | men’s underpants | 130g |
| tea cloth | 130g |
Care and cleaning
- You must DISCONNECT the appliance from the electricity supply, before you can carry out any cleaning or maintenance work .
- Don’t clean the dryer by directly spraying water onto the dryer. Don’t clean the dryer with benzene, thinner, alcohol, or acetone. Otherwise, it may cause discoloration, deformation, damage. electric shock or fire.
- When cleaning the product, be sure to unplug the power cord.
- Durning the drying cycle, the control panel or the door may accumulate moisture.
Control Panel
- Clean with a soft, damp clothes. Do not use abrasive substances.
- Don’t spray cleaners directly on the panel.
- The control panel finish may be damaged by some laundry pre-treatment soil and stain remover products.
- Apply such products away from your dryer and wipe up any spills or overspray immediately.
Stainless Steel Tumbler
- To clean the stainless steel tumbler, use a damp cloth with a mild, non-abrasive cleaner suitable for stainless steel surfaces.
- Remove the cleaner residue and dry with a clean cloth.
Cleaning the door
Clean periodically the interior part of the door to remove any fluff.
Accurate cleaning ensures correct drying.
Dryer Exterior
The enter dryer has a high-gloss finish. Clean with a soft, damp cloth. Don’t use abrasive substances.
Protect the surface from sharp objects as they may scratch or damage the finish.
Don’t place any heavy or sharp objects or a detergent box on the dryer. Keep them on the purchased pedestal or in a separate storage box.
| Do not use the appliance without filter |
Cleaning the filter
- Open the loading door.
- Remove the lint filter by putting it up and open the lint filter.
- Clean lint, fibre, and cotton raveling by hand or with a soft piece of cloth.
- Close the lint filter and place it back into its housing.

- A layer can build up on the filter pores that can cause clogging of the filter after using the dryer for a while. Wash the lint filter with warm water to remove the layer that builds up on the lint filter surface. Dry the lint filter completely before reinstalling it.The lint trap has to be cleaned frequently.

| Always clean the lint filter and the inner surfaces of the loading door after each drying process. |
Water container emptied
Water container collects all of the water from condenser.
Water container need to be emptied after every drying cycle. If the water container is full, an active programme will break off automatically. the
light will comes on and the buzzer sounds. In order to continue the programme, the water container must first be emptied.
- Pull out water container

- Tip water into pool

- Pull the water container in dryer
- Press the Start/Pause button
Humidty sensor
In the movement process, this device is used for induction clothing humidity, it means that it must be carried on cleaning. Major cause of clean is must scour out the calcium oxide boiler which on the sensor surface up. Clean the sensor in the tumbler (See picture).

Clean the filter drawer
Lint and fibre that could not be captured by the lint filter are blocked in the filter drawer behind the cover.
Clean the filter drawer after each drying process. There is a two-level filter in the filter drawer.
The first level is the filter drawer sponge and the second level is the filter cloth.
- Press the button to open the cover.
- Unlock the fixer.
- Pull out the filter drawer.
- Clean lint, fiber and cotton raveling on the filter cloth by hand or with a soft piece of cloth.
- When you notice a layer that may lead clogging on the filter cloth, please clean the layer by washing in warm water. Let the filter cloth dry thoroughly before installing back the filter drawer.
- Wash the filter drawer sponge by hand to remove the fiber and lint on the surface.
- After washing the sponge .squeeze it by hand and remove the excess water. Well-dry the sponge before storing it.
Clean the evaporator
- Clean the lint accumulated on the fins of the evaporator located behind the filter drawer with a vacuum cleaner or a soft brush. You can also clean by hand provided that you wear protective gloves.
- It is recommended to clean it at least twice every month.
| Never attempt to clean with bare hands. Evaporator fins can harm your hand. |
IMPORTANT : If you call out an engineer to a fault listed below, or to repair a fault caused by incorrect use or installation, a charge will be made even if the appliance is under guarantee.
Technical data
| Dryer Model | ED-HPD8WH |
| Dryer Capacity(kg) | 8.0 |
| (AC V/Hz) | 220-240/50 |
| Rated power (W) | 650 |
| Weight(kg±10%) | 47 |
| Power(left-on mode)(W) | 0.48 |
| Power(off mode)(W) | 0.48 |
| Energy consuption at full load(kWh) | 2.8 |
| Programme time at full load(min) | 290 |
| Energy efficient gear | Standard |
| Dimensions(W*D*H)(mm) | 595X630X850 |
| Ambient temperature range(℃) | 5 ~ 35 |
Procedure
A separate earth is required by some local rules.In that case,you need buy grounding wire, screws.
It is dangerous to alter the specifications or attempt to modify this product in any way.
Care must be taken to ensure that the appliance does not stand on the electrical supply cable.
Any electrical work required to install this appliance should be carried out by a qualified electrician or competent person.
IMPORTANT: The appliance must not bulit-in.
- Unpacking: All packing, must be removed before using the appliance.
- Check accessory:
Open the accessory bag and check the accessories.
Should the appliance be moved, it must be transported vertically.
Something not working
| Malfunction | Possible Cause | Solution |
| Dryer does not work |
|
|
| Drying results unsatisfactory |
|
|
| Drum light does not work(option) |
|
|
| Drying cycle ends shortly after programme starts. “END” light illuminated. |
|
|
| Drying cycle lasts an unusually long time |
|
|
If you are unable to identify or solve the problem, contact our service center. Before telephoning, make a note of the model, serial number and purchase date of your machine: the Service Center will require this information.
Earth note
This appliance must be earthed. In case of failure or damage, earth can provide a minimum resistance to reduce the possibility of electric shock. The power cord has grounding wire with device and power cord with plug. Plug must be inserted into a properly installed and grounded socket(in accordance with all local rules and standards).
Water discharge
It’s not necessary to discharge the condensed water to the tank, it can be drained out directly.change drainpipe.
Pull out the water pipe by means of the arrow direction ,Then install the drainpipe.
Such as the pilers can be used if it is difficult to do.
Removing transport safety packaging foam
Caution!
Before use the machine, the packaging foam must be removed fromthe drum.
- Open the loading door.
- Pull off adhesive strips from inside machine on top of drum.
- Remove the two packaging foam from the machine.

Check across the corner
When press on the edge, the machine should not shake up and down.
(please check two direction) when press on the top frame (across the corner), the dryer shakes, need to re-adjust the adjustable feet.
Do not put stacks of blanket or a rope on the floor, which could generrate some heat and affect the machine running.
IMPORTANT:
The hot air emitted by the tumble dryer can reach temperature of up to 60°C.The appliance must therefore not be installed on floors which are not resistant to high temperatures.
Electrical connection
Any electrical work required to install this appliance should be carried out by aqualified electrician or competent person.
| THIS APPLIANCE MUST BE EARTHED. |
The manufacturer declines any liability should this safety measure not be observed.
Before switching on, make sure the electricity supply voltage is the same as that indicated on the appliance’s rating plate.
Should the plug need to be replaced for any reason, proceed as described below.
The wires in the mains lead are coloured in accordance with the following code:
- Green and Yellow-Earth

- Blue-Neutral
- Brown-Live
The wire coloured green and yellow must be connected to the terminal marked with the letter or by the earth symbol or coloured green and yellow.
|
|
Packaging materials
- The materials marked with the symbol
are recyclable.
>PE<=polyethylene
>PS<=polystyrene
>PP<=polypropylene - This means that they can be recycled by disposing of them properly in appropriate collection containers.
- Old machine
Use authorized disposal sites for your old appliance. Help to keep your country tidy! - The symbol
on the product or on its packaging indicates that this product may not be treated as household waste. Instead it should be taken to the appropriate collection point for the recycling of electrical and electronic equipment. By ensuring this product is disposed of correctly, you will help prevent potential negative consequences for the environment and human health, which could otherwise be caused by inappropriate waste handling of this product. For more detailed information about recycling of this product, please contact your local council, your household waste disposal service or the shop where you purchased the product. - The Symbol
mean: caution, risk of fire Oil-affected items can ignite spontaneously, especially when exposed to heat sources such as in a tumble dryer. The items become warm, causing an oxidation reaction in the oil. Oxidation creates heat. If the heat cannot escape, the items can become hot enough to catch fire. Piling, stacking or storing oilaffected items can prevent heat from escaping and so create a fire hazard. If it is unavoidable that fabrics that contain vegetable or cooking oil or have been contaminated by hair care products be placed in a tumble dryer they should first be washed in hot water with extra detergent – this will reduce, but not eliminate, the hazard.
Ecological hints
To save energy and to help protect the environ ment, we recommend that you follow these hints:
Try to load the maximum capacity of the machine as small loads are uneconomical.
- Do not over-dry laundry,this avoids creasing and saves energy.
- Select the drying programme according to the type of laundry and the required degree of dryness.
- Clean the filters regularly to avoid excessive drying times and high electricity consumption.
- Ventilate the room well.
Standard guarantee conditions
We undertake that if within 12 months of the date of the purchase this appliance , we will, at our option repair or replace the same FREE OF CHARGE for labour, materials or carriage on condition that:
The appliance has been correctly installed and used only on the electricity supply stated on the rating plate.
The appliance has been used for normal domestic purposes only, and in accordance with the manufacturer’s instructions.
The appliance has not been serviced, maintained, repaired, taken apart or tampered with by any person not authorised by us.
This guarantee is in addition to your statutory and other legal rights.
This guarantee does not cover
- Damage or calls resulting from transportation, improper use or neglect, the replacement of any light bulbs or removable parts of glass or plastic.
- Appliances found to be in use within a commercial environment, plus those which are subject to rental agreements.
- Products of our manufacture which are not marketed by us.
Marking explanation
V | Volt | ~ | Alternating current | ||||
| W | Watt | Hz | Hertz | ||||
![]() | Tested safety | ![]() | CE marking | ![]() | risk of fire | ||
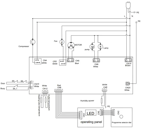
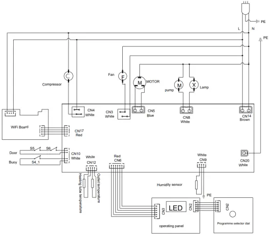
Electric diagram
DH-80S5C DH-80S5U/DH-80S5K / PCB board

DH-80S5CW DH-80S5UW / PCB board




























