DYNAVIN MST2015 Radio Navigation System for Ford Ranger

Installation Video Guide
Follow our YouTube channel for installation videos for some vehicles.
![]() | ![]() |
YouTube channel : Dynavin Europe
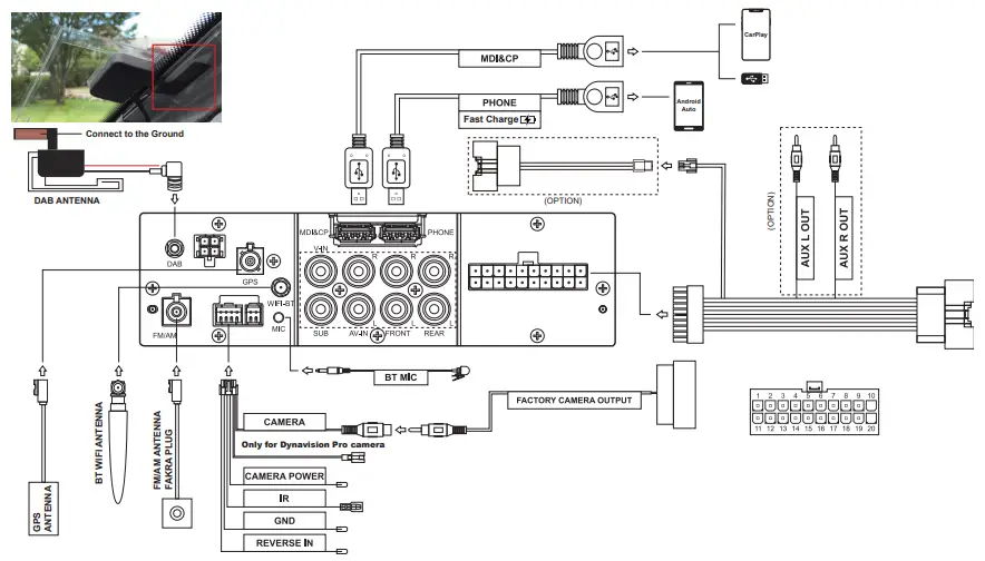
See the wiring diagram below for all accessory and wiring harness connections. Please note the wiring and installation instructions for the DAB antenna.
MST2015 / Ford Ranger Wiring Diagram

- GND (Black)
- GND (Black)
- CAN L (White)
- Rear right speaker- (Purple & Black)
- Rear left speaker- (Green & Black)
- Front right speaker- (Grey & Black)
- Front left speaker- (White & Black)
- B+ (White)
- AMP-CON (Blue)
- B+ (Yellow)
- B+ (Yellow)
- CAN H (Blue)
- Rear right speaker+ (Purple)
- Rear left speaker+ (Green)
- Front right speaker+ (Grey)
- Front left speaker+ (White)
- GND (Green)
- 5V (Red)
Due to the storage space limitation, not all of the map files are installed in the system. Please configure the map file in the Map Updates menu. For the latest map file, please download it from flex.dynavin.com The Latest Map Guarantee allows one free map upgrade within 30 days of first use of the Dynaway app.
System Reboot
If you have any issues during use, tap the System Reset icon from the main menu and tap the “Restart” option.
Support
Please download the latest software version from https://flex.dynavin.com
For further assistance, contact us at https://support.dynavin.com/technical
Instruction Manual
Scan the appropriate QR code or visit the website indicated below for the Dynavin 8 User Manual.
Dynavin 8 User Manual

























