
User Manual
User instructions
We are very glad that you would choose this vehicle radio navigation system device. The device is based on the Android platform with WIFI. It enables you to have a fast
and convenient Internet experience, a kind of multimedia entertainment function. This booklet will introduce the various features of the device, please read it carefully before the installation of the device.
Features and Functions
- Capacitive Touch Screen
- Android 8.1 system
- High Definition
- Built-in flash memory for storage
- AM/FM Radio, Auto Memory Store / Preset Scan
- PhoneLink for smartphone connection
- Bluetooth 4.0 with streaming/hands-free/phonebook sync
- 2 x Rear USB
- Built-in GPS, compatible with navigation apps
- Rear camera input
- Preset 10-band multi EQ settings
- 4x45W Power Output
- 2-Ch RCA Preout
- 1-Ch Video IN
- 2-Ch Audio IN
- Built-in WiFi
- Steering Wheel Control Input
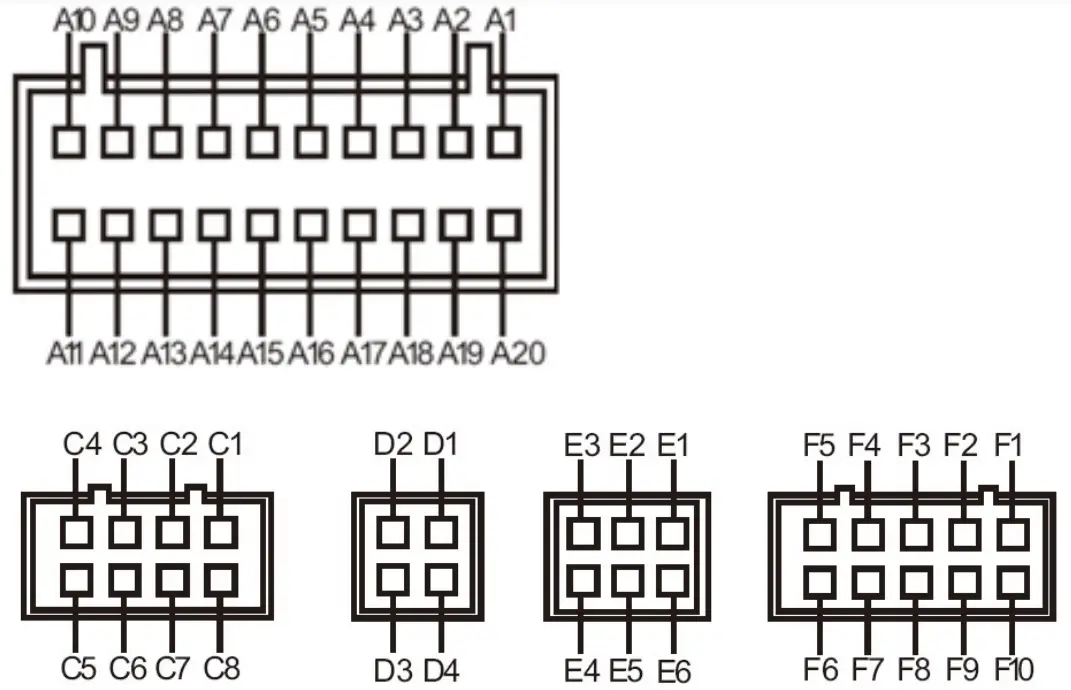
Installation Diagram
| P1 P2 P3 P4 P5 P6 P7 P8 | GND B+ ACCESS ILL Small light detection Reverse detection line Steering wheel learning-2 Steering wheel learning-1 ANT POWER | P9 F P10 P11 P12 P13 P14 P15 P16 | FR- RL- FR+ RL+ FL- RR+ FL+ RR- |

| Al | NC | Cl | NC | El | NC |
| A2 | F_CAM | C2 | NC’ | E2 | GND |
| A3 | NC | C3 | NC | E3 | USB _5V |
| A4 | NC | C4 | NC | E4 | DPI |
| A5 | NC | C5 | NC | E5 | DM1 |
| A6 | NC | C6 | NC | E6 | NC |
| A7 | NC | C7 | NC | ||
| A8 | AUX_L | C8 | NC | ||
| A9 | AUX_R | ||||
| A10 | AMP_+12V | ||||
| All | GND | Fl | PBK | ||
| Al2 | RCA_FL | F2 | NC | ||
| A13 | RCA_FR | F3 | NC | ||
| A14 | GND | D I | GND | F4 | NC |
| A15 | GND | D2 | USB_5V | F5 | NC |
| A16 | GND | D3 | DPO | F6 | WIFI-ANT |
| A 1 7 | V_OUT | D4 | DMO | F7 | NC |
| A18 | NC | F8 | CAM_CVBS | ||
| A 1 9 | AUX_V-IN1 | F9 | GND | ||
| A20 | NC | F10 | BT-ANT |
- Back
- Main Menu
- List of running APP
- Date&time
- APP page
Bluetooth Connection
Phone: Press the Bluetooth icon
on this page. Open the Bluetooth option on the mobile phone and search the device named “BC8-Android”, or “NewCarBT” …, The PIN is “0000”.
Bluetooth Music: If you want to play the music in your mobile phone, please press the Bluetooth icon
for wireless connection.
Audio Setting
10 Band Multi EQ :
Users can adjust the sound performance in this setting. 
32 Band Multi EQ :
Users can adjust the sound performance in this setting.
Sence: press the icon to switch between different scenes according to your preferences.
Customer: press the icon you can customize. 
delay adjust: manually adjust the sound from each speaker to reach the emperor position you set at the same time.
vehicle adjust: set emperor position.
Radio
: Switch the Radio band from AM1/AM2/FM1/FM2/FM3.
: Press it to select backward from the saved radio stations.
: Adjust the EQ setting of the radio.
: Auto Scan the available radio station
: Press it to select forward from the saved radio stations.
: Press this icon to select ST/LOC options.
: Shot press for manual frequency search backward, long press for auto frequency search backward
: Shot press for manual frequency search forward, long press for auto frequency search forward
Car Setting
This APP is specially designed for Car Android Device 
Common 
Handbrake: press this On, then the device will not allow watching video during driving due to safety reason
Headlight: press this On, the unit will detect the light signal from the wire named “+ill”. If the wire is connected to the car lamp, then the unit backlight will auto adjust according to the car lamp On/Off.
Beep: press this On to have the beep sound when you press the touch screen
Reversing mirror: if you found the reverse camera in the wrong image, press this to mirror the image with the right one.
Backcare Volume: when pressing this on, all the sounds of any other APP will mute automatically when you reverse your car.
Assistive Touch: press this feature on to have the assistive touchpoint display on the screen all the time
Navi software settings: choose your favorite navigation app as the default one.
Navigation Mixing: when you have this option on, you can have the music sound and GPS tts sound at the same time.
Sound mixing: the rate of the navigation sound vs the music sound
Radio Area 
Change the radio area to the proper one to get the proper radiofrequency.
Steering Wheel learning. 
Please follow the below steps to connect the wires:
- Find your car steering wheel control button signal wires, it is normally located under your driving wheel.
- The signals have two, one gives “+” voltage and another gives GND voltage.
- Check our unit power cable, there is a wire label “SW1” or “SW2”
- Connect the “+” Voltage wires to the “SW1” or “SW2” wires.
- Connect the GND wire to the GND wires of our unit.
- Go to this option to learn the steering wheel control function.
- Press the relative function icon on the unit.
- Press your steering wheel control button and there will be a voltage on our unit to memory.
- Step by step to finalize all the buttons.
Phone mirror link function:
Use the APP named “Easy Connection” for the smartphone mirror link features. After you open the APP, you will go to the selection page according to your smartphone type.
Please follow the steps in the APP according to the instruction below:
| Android Phone by USB | Android Phone wireless by WiFi hotspot |
![]() | |
iPhone wireless by WiFi hotspot 

Use the APP named “Miudrive Screen” for the smartphone mirror link features. After you open the APP, you will go to the selection page according to your smartphone type.
Please follow the steps in the APP according to the instruction below:
| Android Phone by USB. | iPhone wireless by WiFi hotspot |
![]() | |
FAQ:
Q: How to change the logo?
- Go to Carsetting
- Go to Factory setting, the password is 1617.
- Find the LOGO setting and choose your favorite one.
- Please do not change any other settings, it may result in unknown problems.
Q: How to use the steering wheel control?
Please refer to point 9.4 of this manual.
Q: How to change the radio frequency?
Please refer to point 9.3 of this manual.
Q: I can not figure out how to make the reverse camera work:
Please check the below wires for setup:
- Check is there are two red trigger wires on the camera extension wire.
- If you find it, connect one of the trigger wires to the reverse bulb wire together with the camera power wire.
- Connect the other red trigger wire to the wire label “back car” on our unit.
- The RCA socket needs to plug into the “CAM” hole on the back of our unit chassis.
- When you reverse the car, the reverse bulb wire gives power/signal to both camera and our unit. If there is tips for “No Signal”, please follow the below steps:
① Press the touch screen when it shows no signal for 5 seconds, operation tips will pop up. Press the button ![]()

② In the option of “HD back car standard” , use the button
, to find the correct format of the camera(supporting format includes: AHD720P-25HZ, CVBS-NTSC, CVBS-PAL) 
③ Press OK when you find the right setting.
Q: How to use DVR?
It supports 80% of external USB DVRs on the market.
Installation Guide:
- Plug the USB DVR into the Radio via the USB port.
- Customers need to download the special APP and install it by themselves.
- Use the Installed APK for the control of the DVR.




























