ggm gastro BKSF1700 Bakery Fridge With 2 Stainless Steel Doors
CHARACTERISTIC SPECIALITIES
- Climate class :F
- Safety class :1
- Working temperature °C :-2 / +10 °C
- Thermostat set temperature :+2 °C
- Ambient temperature :+43 °C
- Humidity :%65
- Energy consumption :0,25 KW/h
- Power :0,65 KW
- Voltage – Frequency :220-240V / 50 Hz
ACCESORIES AND CONTROL SWITCHES
- Digital thermometer :Digitales Thermometer /Digital thermometer
- Power lamp :Stk. / Pcs. 1
- Power switch :Stk. / Pcs. 1
- Hinge group :Stk. / Pcs. 4
- Feet :Stk. / Pcs. 5
TECHNICAL CHARACTERISTICS
- Outside dimensions :1720x1010x2130mm
- Inside dimensions :1560x830x1350mm
- Packing dimensions :1800x1060x2280mm
- Gross weight :300 kg
- Net Weight :280 kg
- External housing :0,60 mm INOX 430 SB+PVC
- Internal housing :0,50 mm INOX 430 MAT+PVC
- Insulation material :Polyurethan / Polyurethane
- Insulation :80 mm
- Insulation density :42 Kg / m3 +/-1
- Compressor :NEU 6210 U R290 – 50Hz
- Condenser :1/2 Hp R290
- Condenser fan :10W
- Evaporator :RHP22
- Evaporator Fan :RHP22
- Dryer :30 gr 15002SGDR02
- Refrigerant :R290
- Refrigerant amount :120 gram
- Certifications :TS 2225 EN 30335-2-4
- Serial No : Auf der Verpackung / On the packaging
- Package : Holzpalette , Verpackt in Karton und Nylon / Wooden pallet , Packed in carton and nylon
DIMENSIONS


OUTSIDE DIMENSIONS : 1720X970X2130
INSIDE DIMENSIONS: 1560X830X1350
BKSF1700 SPARE PART LIST


| NR. | CODE | BEZEICHNUNG | DESCRIPTION | ANZAHL QUANTITY |
| 1 | 01A01KA259 | TÜR | DOOR | 2 |
| 2 | B02ME100 | SCHARNIER | HINGE | 2 |
| 3 | B02ME102 | SCHARNIERBUCHSE | HINGE BUSHING | 2 |
| 4 | A00CO162 | TÜRDICHTUNG | DOOR GASKET | 2 |
| 5 | 01A01PA151-R | SEITENPLATTE | SIDE PANEL | 1 |
| 6 | 01A01TV161 | OBERE PLATTE | TOP PANEL | 1 |
| 7 | 01A01PA706-R | HINTERE PLATTE | REAR PANEL | 1 |
| 8 | 01A01PA706-L | HINTERE PLATTE | REAR PANEL | 1 |
| 9 | 01A01PA151-L | SEITENPLATTE | SIDE PANEL | 1 |
| 10 | 01A01TB161 | UNTERE PLATTE | BOTTOM PANEL | 1 |
| 11 | P30090008 | SCHARNIER | HINGE | 2 |
| 12 | B00AY101 | EDELSTAHL FUSS | STAINLESS STEEL LEG | 5 |
| 13 | P10406083-L | STANGE | ROD | 4 |
| 14 | P10406080 | REGALSCHIENE | RACK RAIL | 56 |
| 15 | P10406083-R | STANGE | ROD | 4 |
| 16 | P10016001 | STANGE | ROD | 1 |
| 17 | P05016006 | STANGE | ROD | 1 |
| 18 | A00RHP022-F | VERDAMPFER-LÜFTER | EVAPORATOR FAN | 3 |
| 19 | A00RHP022 | VERDAMPFER | EVAPORATOR | 1 |
| 20 | P30090007 | SCHARNIER | HINGE | 2 |
| 21 | B00DU103 | TÜRSCHALTER | DOOR SWITCH | 2 |
| 22 | A00DJ112 | BL16-P-ETIKETT | BL16-P LABEL | 1 |
| 23 | B00DU101 | NETZSCHALTER | POWER SWITCH | 1 |
| 24 | B00DU102 | EIN / AUS SCHALTER | ON – OFF SWITCH | 1 |
| 25 | A00DJ156 | DIGITALER THERMOSTAT | DIGITAL THERMOSTAT | 1 |
| 26 | B00Kİ100 | VERRIEGELUNG | LOCK | 2 |
| 27 | B01ME111 | SCHARNIER | HINGE | 2 |
| 28 | C08016000 | PLATTE | PANEL | 1 |
| 29 | B01BH108 | WASSERVERDAMPFUNGSANLAGE | WATER VAPORAZATION UNIT | 1 |
| 30 | A00KN111 | KONDENSATOR 1/2HP R290 | CONDENSER 1/2HP R290 | 1 |
| 31 | A00FA109 | 10W LÜFTER | 10W FAN | 1 |
| 32 | A00EP101 | LÜFTERABDECKUNG | FAN COVER | 2 |
| 33 | A00KO203 | NEU 6210 U R290 – 50Hz | NEU 6210 U R290 – 50Hz | 1 |
| 34 | A00KO203-A | RELAIS-BOX | RELAY BOX | 1 |
| 35 | A00DR100 | TROCKNER | DRAYER | 1 |
| 36 | B00FK100 | NETZKABEL | PLUG CABLE | 1 |
| 37 | B00REZ103 | ABFLUSSWIDERSTAND 2+1 | DRAINAGE RESISTANCE 2+1 | 1 |
| 38 | A00DJ109 | SONDE | PROBE | 1 |
| 39 | A00DJ102 | SONDE | PROBE | 1 |
| 40 | B00TK100 | SONDENABDECKUNG | PROPE COVER | 1 |
| 41 | B00BH104 | WASSERSPENDER | WATER DISPENSER | 1 |
| 42 | A00SL100 | SELENOIDVENTIL 1/4 | SELENOID VALVE 1/4 | 1 |
| 43 | P06016007 | VORDERES SPIEGELBLECH | FRONT MIRROR SHEET | 2 |
| 44 | B00REZ102 | TÜR-WIDERSTAND 4,7mt | DOOR RESISTANCE 4,7mt | 2 |
| 45 | B00AY101 | RAD – OHNE BREMSE | WHEEL WITHOUT BRAKE | 3 |
| 46 | B00AY102 | RAD – MIT BREMSE | WHEEL WITH BRAKE | 2 |
| 47 | A00DJ139 | WASSERDICHTES BEDIENFELD | WATERPROOF CONTROL PANEL | 1 |
| 48 | A00DJ120 | TOUCH-BEDIENFELD | TOUCH CONTROL PANEL | 1 |
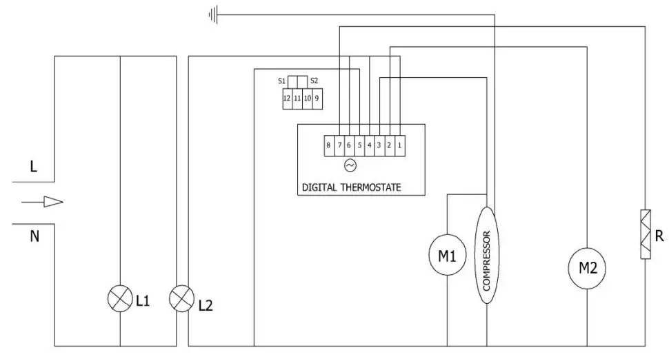
DIGITAL THERMOSTAT

- M1 : FAN MOTOR (CONDENSER)
- M2 : FAN MOTOR (VERDAMPFER)
- S1 : PROBE
- S2 : PROBE
- L1 : POWER LAMP
- L2 : ON OFF LIGHT
- R: EVAPORATE RESISTANCE




















