wiltec 62066 Hotdog and Sausage Warmer

Instructions
Please read and follow the operating instructions and safety information prior to initial operation.
Technical changes reserved!
Illustrations, functional steps, and technical data may deviate insignificantly due to continuous further developments.
The information contained in this document may alter at any time without prior notice. No part of this document may be copied or otherwise duplicated without prior written consent. All rights reserved. WilTec Wildanger Technik GmbH cannot be held liable for any possible mistakes in this operating man-ual, nor in the diagrams and illustrations shown.
Although WilTec Wildanger Technik GmbH has made every possible effort to ensure that this operating manual is complete, accurate, and up-to-date, errors cannot be ruled out entirely.
If you have found an error or wish to suggest an improvement, we look forward to hearing from you. Send us an e-mail to: [email protected]
or use our contact form: https://www.wiltec.de/contacts/
The most recent version of this manual in several languages can be found in our online shop: https://www.wiltec.de/docsearch
Our postal address is:
WilTec Wildanger Technik GmbH
Königsbenden 12
52249 Eschweiler Germany
To return your goods for exchange, repair, or other purposes, please use the following address. Attention! To allow for a trouble-free complaint or return, it is important to contact our customer service team before returning your goods.
Retourenabteilung
WilTec Wildanger Technik GmbH
52249 Eschweiler Germany
E-mail: [email protected]
Tel: +49 2403 55592–0
Fax: +49 2403 55592–15
Introduction
Thank you for choosing to purchase this quality product. To minimise the risk of injury, we ask you to always take some basic safety precautions when using this product. Please read this operating manual carefully and make sure that you understand it.
Keep these operation instructions in a safe place.
Pictures
Use
- Remove the package and wipe the product with a wet cloth.
- It is normal that a little smog may appear at the first-time use.
- The four heating tubes (only 62066) are controlled by the left switch. It is heating through PTC, with auto-thermostat function.
- The temperature of the water dish is controlled by the thermostat fixed in the middle.
- The master switch of the water dish is on the right.
Field of application
The device is suitable for snack stores, hotels, restaurants, bus stations, airports, etc.
Technical specifications
| Item number | 62066 | 62128 | |
| Energy supply | 230 V, 50 Hz | ||
| Power consumption (W) | 650 | 450 | |
| Cable length (m) | 1.3 | ||
| Weight (㎏) | 8.5 | 6 | |
| Dimensions (㎜) | 475×290×380 | 260×290×380 | |
| Water evaporator | Diameter (㎜) | 170 | |
| Height (㎜) | 210 | ||
| Heating rods | Number | 4 | – |
| Diameter (㎜) | 25 | – | |
| Height (㎜) | 170 | – | |
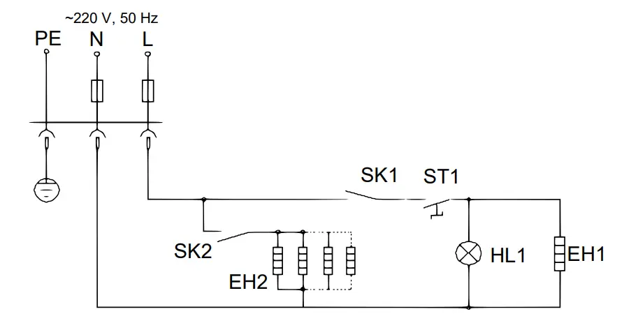
Electrical diagram
Maintenance
- Cut off the power supply before cleaning to avoid an electric shock.
- Wipe the product and the power line with corrosion-free cleaning agent after use. Do not rinsethe device with water; this would destroy its function.
- Keep the machine clean and store it in a well-ventilated and dry place when you do not use it.
Regulations for waste disposal
The Waste Electrical and Electronic Equipment Directive (WEEE Directive, 2012/19/EU) of the EU was implemented in the German law related to electrical and electronic equipment and appliances.
All WilTec electric devices that fall under the WEEE directive are labelled with the symbol of a crossed-out wheeled rubbish bin. This symbol indicates that this electric device must not be disposed of with the domestic waste.
WilTec Technik GmbH is registered with the German registration authority EAR (Stiftung Elektro-Altgeräte Register) under the WEEE-registration number DE45283704
Disposal of used electrical and electronic devices (in-tended for use in the countries of the European Union and other European countries with a separate waste collection system for these devices).
The symbol on the packaging or the product itself indi-cates that this product must not be treated as normal domestic waste but must be disposed of at a recycling collection station for electrical and electronic waste.
By disposing of this product correctly, you contribute to the protection of the environment and the health of your fellow people. Inappropriate disposal threatens the en-vironment and health. 
Material recycling helps to reduce the consumption of raw materials.
Additional information about the recycling of this product can be provided by your local commune, the municipal waste disposal facilities, or the store where you purchased the product.
Address:
WilTec Wildanger Technik GmbH
Königsbenden 12 / 28
52249 Eschweiler Germany
Important Note:
Reproduction and any commercial use (of parts) of this operating manual, requires a written permission of WilTec Wildanger Technik GmbH.
by WilTec Wildanger Technik GmbH Item 62066, 62128 Page 5 http://www.toboli.com






















