PRESSALIT CARE R8594 VersaMax Public Restroom Changing Table

VersaMax Public Restroom
Adult Changing Table (Manual Fold)
R8594 & R8594/R8489

Subject to change without further notice.
Installation Drawing
Operation and maintenance manual (OMM) for this product is enclosed in the box. Please hand over to the user. It can also be downloaded at www.pressalit.com.
An operation signage (quick guide) for use by people with reading or cognitive disabilities, is enclosed in the box. It can also be downloaded at www.pressalit.com. User information is not available in braille.
Please note: components are included for various installation scenarios. Please disregard any unnecessary parts.
International protection rating: IPX6
Water projected in powerful jets — from a nozzle up to 12.5 mm in size — against the product from any direction shall have no harmful effects.
Mounting Instruction
Please read and carefully follow these instructions. Find the product number on the product label and ensure that these assembly instructions match your product.
WARNING: Failure to comply with these instructions may result in accidents involving serious personal injury or the product being damaged.
WARNING: If you suspect that any individual parts may be damaged, contact your Pressalit dealer or service provider. Do not remove, attempt to repair or install parts yourself, unless directed to do so by Pressalit or its agents.
WARNING: No modification of this equipment is allowed without express authorization from Pressalit.
WARNING: These instructions must be followed, and the product must be installed professionally by a qualified person; e.g. a licensed plumber, in order to avoid personal injury or property damage while using the product.
WARNING: Pressalit cannot be held liable for injury to persons or damage to property caused by faulty mounting.
Installation location
This product is designed for indoor use in a wet environment, such as a bathroom or washroom. It may only be used in an environment corresponding to the system’s IP rating. Ensure that the installation location environment also complies with the following operating parameters of the product:
Environmental factor Operating range
- Temperature 5°C to 40°C
- Relative humidity 20% to 90% @ 30°C (condensation free)
- Atmospheric pressure 700 to 1060 hPa
WARNING: Medical electrical equipment needs special precautions regarding electromagnetic compatibility (EMC) and needs to be installed and put into service in accordance with the EMC information (provided in your product’s operating instructions). It is unlikely that the user will encounter problems with the product because of inadequate electromagnetic compatibility. However, electromagnetic immunity is always relative and standards anticipate environments of usage. Portable and mobile RF communications equipment can affect medical electrical equipment. When the product is connected to the local mains power supply, we recommend the use of electromagnetic shielding and similar preventative measures to avoid conducted emissions.
When choosing an installation location, ensure that there will be adequate space for movement of—and access to—the product.
Assembly and installation
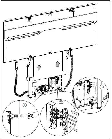
Mount the product against a wall in accordance with the illustrations in this assembly instruction. Connect the product components—hand control unit, motor, control box and power cable—to each other as shown. Ensure that the connectors are pressed in as far as possible into their corresponding sockets.
Connection to the mains supply
There is a range of potential configurations to connect the product to the mains power supply. See pages with . The product is supplied with a plug attached, but this may need to be replaced with an IP-rated plug and socket combination appropriate to the location of the socket relative to moisture, or alternatively the product may be hardwired to a mains supply.
WARNING: Ensure that the circuit on the mains supply side is isolated from power while connecting the product to the mains supply.
WARNING: The product must be connected to the mains supply and a protective earth connection by a qualified electrician in accordance with IEC 60601-1 and IEC 60364-7, as well as any locally applicable standards.
WARNING: Ensure that the voltage of the local mains supply to be connected is compliant with that stated on the label on the product.
WARNING: To ensure protection by electrical separation, the product must be supplied by a mains supply circuit that does not supply power to any other equipment, unless it incorporates a residual current protective device (RCD) with a rated residual operating current not exceeding 30 mA. The circuit must be grounded using a protective earth connection and able to be isolated from mains supply by means of a switch installed in a wall or cabinet.
WARNING: The integrity of the external protective earthing system must be verified.
WARNING: The installer must verify that the protective earth terminal of the control box is connected to the external protective earthing system.
WARNING: Ensure that location of the mains isolation switch or coupling is easy to access and use.
WARNING: External cables need to be fixed in such a way that users cannot stumble and injure themselves.
Troubleshooting
If the product does not function, check that that all cables are securely connected, and that the electrical circuit is powered. A more detailed troubleshooting guide can be found in the product’s operation and maintenance manual. Contact your Pressalit agent, if assistance is needed when installing the product.
Concrete anchors included at no additional charge.
Installation Options
Choose your installation method according to room environment and wiring needs:
Detailed Diagram Option A (from p. 6)
Wet room environment/wired to adjacent room with 8m cable
Detail for 8m cable adapter (wet room only)
Detailed Diagram: Option B (from p. 6)
Wet room environment/wired to adjacent room with >8m cable
Detailed Diagram: Option C (from p. 6)
Wet room environment/Hard wire within installation room
Detailed Diagram: Option D (from p. 6)
Dry room environment/Wall plug or hard wire within installation room.


















































