AutomatikCentret ETO2 Controller for Ice and Snow Melting
INTRODUCTION
ETO2 is an electronic controller for fully automatic, economical ice and snow melting on outdoor surfaces and in gutters. Ice forms due to a combination of low temperature and moisture. ETO2 detects both temperature and moisture, and the ice and snow melting system will usually only be activated if ice or snow is present. ETO2 is suitable for controlling both electric heating cables and hydronic heating pipes.
Product program
- ETO2-4550 Thermostat.
- ETOG-55 Ground sensor for detecting temperature and moisture.
- ETOG-56/ETOK-1 Embedded ground sensor for detecting temperature and moisture.
- ETOR-55 Gutter sensor for detecting moisture.
- ETF-744/99 Outdoor sensor for detecting temperature.
- ETF-522 Water pipe sensor for detecting temperature
WARNING! – Read this manual!
Carefully read this instruction manual in its entirety, paying close attention to all the warnings listed below. Make sure that you fully understand the use, displays and limitations of the controller because any confusion resulting from neglecting to follow this instruction manual, or from improper use of the device it concerns, may cause an installer to commit errors which could lead to ice and snow conditions capable of causing serious injury or death.
WARNING! – Important safety instructions.
Disconnect the power supply before carrying out any installation or maintenance work on this control unit and associated components. This control unit and associated components should only be installed by a competent person (i.e. a qualified electrician). Electrical installation must be in accordance with appropriate statutory regulations.
NOTE! – The output relays are potential free. The installer must connect a power source, e.g. from an electrical panel.
CE MARKING FOR EU
OJ lectronics A/S hereby declares that the product is manufactured in accordance with Council Directive 2004/108/EC on electromagnetic compatibility (and subsequent amendments) and Council Directive 2006/95/ EEC on electrical equipment designed for use within certain voltage limits.
Applied standards
ETO2-4550-EU28: CE marking LVD/EMC:
EN60730-2-9
ETO2-4550-US28: CAN/CSA E 60730-2-9:01.
ETO2-4550-RU28: CE marking LVD/EMC:
EN60730-2-9
The product may only be used if the complete installation complies with current directives. The product carries a manufacturer’s warranty if installed in accordance with these instructions and current regulations. If the product has been damaged in any way, e.g. during transport, it must be inspected and checked by authorised personnel before being connected to the power supply
TECHNICAL DATA
Thermostat ETO2-4550:
- Designed for the indoor mounting only!
- Supply voltage…. 115/240 V AC ±10%, 50-60 Hz Supply voltage for ETOG/ETOR
- heating (SMPS)………………………….28 V DC, 8 VA 3 output relays
- (potential-free contact, NO)…………………3 X 16 A
- Alarm relay (potential-free contact, NO).max. 5 A Control signal to actuator (mixing valve)………………………………… 0-10 V DC
Supply voltage to the actuator
- (mixing valve) ……….max. 48 V AC/DC / max. 2 A
- On/off differential………………………….. 1.8°F / 1°C
- Temperature range ………….-4/+50°F / -20/+10°C
- Ambient temperature………….32/122°F / 0/+50°C
- Ambient air humidity …………………………. 10-95%
- Enclosure rating……………………………………..IP 20
- Weight ………………………………………………… 600 g
- Dimensions H/W/D……………………90/156/45 mm
- Type…………………………………………………………1B
- Control pollution degree ……………………………… 2
- Rated impulse voltage…………………………….. 4 kV
Ground sensor – type ETOG-55:
Designed to be embedded in outdoor surfaces.
- Detection …………………Moisture and temperature
- Mounting ……………………………. Outdoor surfaces
- Enclosure rating……………………………………..IP 68
- Ambient temperature……-57/+158°F / -50/+70°C
- Dimensions……………………………….H32, Ø60 mm
Ground sensor – ETOG-56/ETOK-1:
Designed to be embedded in outdoor surfaces.
- Detection ………………..Moisture and temperature
- Mounting …………………………… Outdoor surfaces
- Enclosure rating……………………………………..IP 68
- Ambient temperature ……-57/+158°F /-50/+70°C
- Dimensions, sensor …………………..H32, Ø60 mm
- Dimensions, tube ……………………H78, Ø63.5 mm
Gutter sensor – type ETOR-55:
Designed to be mounted in gutter or downpipe.
Is used together with outdoor sensor type ETF744/99.
- Detection ………………………………………… Moisture
- Mounting ………………………….Gutter or downpipe
- Enclosure rating……………………………………..IP 68
- Ambient temperature……-57/+158°F / -50/+70°C
- Dimensions H/W/D……………………105/30/13 mm
Outdoor sensor – ETF-744/99:
- Detection …………………………………… Temperature
- Mounting ………………………………………………. Wall
- Enclosure rating……………………………………..IP 54
- Ambient temperature……-57/+158°F / -50/+70°C
- Dimensions H/W/D……………………..86/45/35 mm
Water pipe sensor – ETF-522:
- Detection …………………………………… Temperature
- Mounting …………………………….. Strapped to pipe
- Enclosure rating……………………………………..IP 54
- Ambient temperature….-40/+248°F / -40/+120°C
- Dimensions……………………………… Ø6.5, L50 mm
NOTE: The snow and ice melting system is deactivated in the event of sensor failure – regardless of sensor type.
SENSOR INSTALLATION
Ground sensor – ETOG, figs 1+3:
For installation in outdoor surfaces where ice and snow are a regular problem. The sensor must be embedded horizontally with its top flush with the surrounding surface. The sensor cable must be installed in accordance with current regulations.
NOTE: We strongly recommend the use of cable pipes in order to protect the sensor cable. Detailed installation instructions are supplied with the sensor. With ETOG-55, use the accompanying installation plate. With ETOG-56, use the ETOK-1 mounting kit.
NOTE: Remove the installation plate from ETOG-55 before initial start-up.
Gutter sensor – ETOR, figs 2+4:
For installation in a gutter or downpipe on the sunny side of the building. It is important to ensure that the sensor contact elements face against the flow of melt water. If necessary, two sensors can be installed in parallel. Detailed installation instructions are supplied with the sensor.
Note that the pink and grey wires are not used.
Outdoor sensor – ETF-744/99, figs 2+4:
Although ETF is designed for use with gutter sensor ETOR, it can also be used separately for the detection of temperature alone. The sensor should be mounted on the wall beneath the eaves on the north side of the building.
Water pipe sensor – ETF-522:
Is only used with hydronic heating systems to detect the temperature of the supply and return water. Must be fastened to the pipe directly with strips.
Sensor cables:
With the exception of ETOG-56, which has a 25 m cable, ETOG and ETOR sensors are supplied with a 10 m cable, which can be extended up to approx. 200 m using standard installation cable: 6×1.5 mm² for ETOG and 4×1.5 mm² for ETOR. The ETF cable can be extended up to approx. 50 m in length. Sensor cables must be installed in accordance with current regulations. They must never be installed parallel to power cables as electrical interference may distort the sensor signal.
ETO2:
The unit is intended to be DIN-rail mounted in an approved panel.
Wall mounting:
The accompanying plastic cover can be used for wall mounting in an indoor area. Connect supply voltage to terminals N and L. All electrical and mechanical installation must be performed in accordance with applicable local regulations.
SETUP, ELECTRIC HEATING
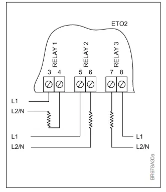
- 1-zone electric heating control with ETOG (figs 3+6):
Connect 1 or 2 ETOG sensors to terminals 11-20. Connect heating cable to potential-free output relays 1, 2 and 3 according to fig. 8. - 1-zone electric heating control with ETOR + ETF (figs 4+7):
Connect 1 or 2 ETOR sensors to terminals 11-20.
Note that the pink and grey wires are not used. Connect 1 ETF sensor to terminals 31-32. Connect heating cable to potential-free output relays 1, 2 and 3 according to fig. 8. - 2-zone electric heating control with ETOG (figs 3+6):
Connect 2 ETOG sensors to terminals 11-20. Connect heating cable for zone 1 to potentialfree output relay 1 according to fig. 8. Connect heating cable for zone 2 to potentialfree output relay 2 according to fig. 8. - 2-zone electric heating control with ETOR (figs 4+7):
Connect 2 ETOR sensors to terminals 11-20. Note that the pink and grey wires are not used. Connect heating cable for zone 1 to potentialfree output relay 1 according to fig. 8. Connect heating cable for zone 2 to potentialfree output relay 2 according to fig. 8. - 2-zone electric heating control with ETOG and ETOR (figs 5+6+7):
Connect 1 ETOG sensor to terminals 11-16 as sensor 1.
Connect 1 ETOR sensor to terminals 17-20 as sensor 2.
Note that the pink and grey wires are not used. Connect heating cable for zone 1 (ground) to potential-free output relay 1 according to fig. 8. Connect heating cable for zone 2 (roof) to potential-free output relay 2 according to fig. 8. - 1-zone electric heating control with output control (Y/∆) (figs 6+9+10):
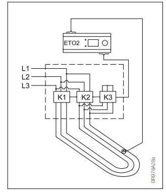
Advanced 2-stage control with ETOG. 1/3 power on heating cables in afterrun. Connect 1 or 2 ETOG sensors to terminals 11-20. Connect external contactor/relays to potentialfree output relays 1, 2 and 3 according to fig. 10.
SETUP, HYDRONIC HEATING
- 1-zone hydronic heating control for controling the supply water temp. with mixing valve (figs 6+11+13+16):
Connect 1 or 2 ETOG sensors to terminals 11-20 (fig. 6). Connect supply voltage (24 V AC) for mixing valve to terminals 25-26 (fig. 13). Connect mixing valve to terminals 21-24 (fig. 13). Connect ETF-522 supply and return sensors to terminals 27-30 (fig. 16). Connect primary pump to potential-free output relay 1 according to fig. 14. Connect secondary pump to potential-free
output relay 2 according to fig. 14. - 1- or 2-zone hydronic heating control, simple (figs 3+6+12):
Connect 1 or 2 ETOG sensors to terminals 11-20 (fig. 6).
Connect circulation pump for zone 1 to potential-free output relay 1 according to fig. 14. If zone 2 is used, connect circulation pump for zone 2 to potential-free output relay 2 according to fig. 14. Same application setup as for 1- or 2-zone electric heating control, see User Manual, Startup.
REMOTE CONTROL (fig. 15):
The forced heat and standby functions can be remotely controlled by wiring ETO2 to external buttons/relays (normally open). Connect external standby button to terminals 33-34. Connect external forced heat button to terminals 35-36.
TESTING SNOW MELTING SYSTEM
After completing installation and application setup, it is recommended that the snow melting system is tested.
- Adjust SET TEMP in the setup menu to max. temperature.
- Pour some water onto the sensor (ETOG/ ETOR).
- The output relay for the heating cable in the zone concerned should activate and ON should be indicated on the ETO2 display. Check that the heating cable becomes warm, check the voltage if possible.
- After testing, adjust SET TEMP back to the desired setting (factory setting = +3.0°C / 37.4°F).
WIRING
(fig. 16):
| TERMINAL | COLOUR CODE | WIRING |
| N, L | Supply voltage, 115-240 V AC 50/60 Hz | |
| 1, 2 | Alarm relay (potential-free), max. 5 A | |
| 3, 4 | Output relay 1, 16 A (potential-free), Heating cable 1 (zone 1) / Primary pump | |
| 5, 6 | Output relay 2, 16 A (potential-free), Heating cable 2 (zone 2) / Secondary pump | |
| 7, 8 | Output relay 3, 16 A (potential-free), Heating cable 3 | |
| 11, 12 | brown/green | Sensor heating 1+2, ETOG 1+2 and ETOR 1+2 |
| 13, 14 | grey/pink | Temperature sensor, ETOG 1 |
| 15, 16 | yellow/white | Moisture sensor 1, ETOG 1/ETOR 1 |
| 17, 18 | grey/pink | Temperature sensor, ETOG 2 |
| 19, 20 | yellow/white | Moisture sensor 2, ETOG 2 /ETOR 2 |
| 21, 22 | 3- or 4-way mixing valve, 0-10 V | |
| 23, 24 | 3- or 4-way mixing valve, 24 V AC | |
| 25, 26 | 24 V AC from external supply for 3- or 4-way mixing valve | |
| 27, 28 | Supply water temperature sensor, ETF-522 | |
| 29, 30 | Return water temperature sensor, ETF-522 | |
| 31, 32 | Outdoor temperature sensor, ETF | |
| 33, 34 | Standby, external input | |
| 35, 36 | Forced control heat, external input |
ETOR SENSOR WIRES :
Note that the pink and grey wires are not used.
OJ cannot be held liable for any errors in catalogues, brochures or other printed material. OJ reserves the right to alter its products without notice. This also applies to products already on order, provided that such alterations can be made without requiring subsequent changes in specifications already agreed. All trademarks in this material are the property of the respective companies. OJ and the OJ logotype are trademarks of OJ Electronics A/S. All rights reserved.
Environment protection and recycling
Help protect the environment by disposing of the packaging and redundant products in a responsible manner.
Product disposal
Products marked with this symbol must not be disposed of along with household refuse, but must be delivered to a waste collection centre in accordance with current local regulations.
Figures
- Fig. 1 Installation of ETOG ground sensor
- 1 Sensor
- 2 Installation plate
- 3 Heating element

- Fig. 2 Installation of ETOR gutter sensor and ETF outdoor sensor
- 1 Thermostat ETO2
- 2 Gutter sensor
- 3 Outdoor sensor

- Fig. 3 1-zone electric heating with ETOG sensor

- Fig. 4 1-zone electric heating with ETOR/ETF sensor

- Fig. 5 2-zone electric heating (roof/ground)

- Fig. 6 ETOG connection

- Fig. 7 ETOR connection

- Fig. 8 Heating cable connection, example

- Fig. 9 2-stage electric heating control (Y/∆)

- Fig. 10 Advanced 2-stage connection (Y/∆)

- Fig. 11 1-zone hydronic heating control for control of supply water temp. with mixing valve

- Fig. 12 1- or 2-zone hydronic heating control, Vsimple (same application setup as 1- or
- 2-zone electric heating control)

- Fig. 13 Hydronic mixing valve connection

- Fig. 14 Hydronic pump connection

- Fig. 15 Connections for remote control of standby and forced heat

- Fig. 16 ETO2 controller, terminal overview
GLOSSARY
- Zone 1, 2: Independent heating zones in which ice and snow can be melted.
- Encoder button: Button which can be turned or pressed to easily configure the settings.
- ETOG-55: Ground sensor for detecting moisture and temperature.
- ETOR-55: Gutter sensor for detecting moisture.
- ETOG-56/ETOK-1: Embedded ground sensor for detecting moister and temperature.
- ETF-744/99: Outdoor sensor for detecting temperature.
- Y/Δ: Advanced 2-stage control of electric heating systems.
- Afterrun: The heat provided by the system, for a specified length of time, after the moisture/ temperature signal has been eliminated by a heating cycle.
INTRODUCTION
Type ETO2 is an electronic controller for fully automatic, economical ice and snow melting on outdoor surfaces and in gutters. Ice forms due to a combination of low temperature and moisture. ETO2 detects both temperature and moisture and the heating system will only be activated if a possibility of ice or snow is indicated by both parameters. An easily operated encoder button and backlit graphic display ensure quick and easy configuration and simple indication of temperature, status, etc. ETO2 is suitable for controlling electric heating cables in 1 or 2 zones. It also features advanced twostage output control for economic operation. In hydronic mode, the supply sensor maintains the required supply water temperature while the system is active. When heat is demanded, both the circulation and main pumps are activated and the valve is opened 20% for 1 minute to let the system stabilise. When there is no need for ice or snow melting, the system activates the circulation pump for 1 minute every 15 minutes to check whether the return water temperature has dropped below the required “idle temp.” If this is the case, the system fully activates to increase the return water temperature to the required level.
STARTUP
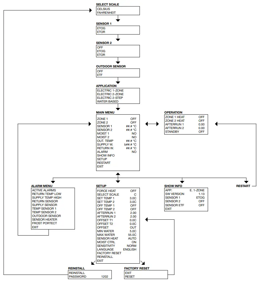
- SELECT SCALE: CELSIUS FAHRENHEIT When ETO2 is switched on for the first time, Celsius or Fahrenheit must be selected. Turn the encoder button until the required temperature scale is highlighted. Then accept the selection by pressing the encoder button.
- SENSOR 1: ETOG ETOR SENSOR 1 is shown on the display, allowing the type of sensor connected for input 1 to be selected:
- ETOG : Ground sensor
- ETOR : Gutter sensor + outdoor sensor
Then accept the selection by pressing the encoder button.
- SENSOR 2: OFF ETOG ETOR SENSOR 2 is then shown on the display, allowing the type of sensor connected for input 2 to be selected. If no sensor is connected to input 2, OFF must be selected.
- OUTDOOR SENSOR: OFF ETF Select ETF if an ETF outdoor sensor is connected to terminals 31-32. If no ETF sensor is connected, select OFF. Then accept the selection by pressing the encoder button.
- APPLICATION: ELECTRIC 1-ZONE ELECTRIC 2-ZONE ELECTRIC 2-STAGE HYDRONIC Select the application type by turning the encoder button and pressing OK.
- ELECTRIC 1-ZONE: 1-zone electric heating control. Note: also used for simple hydronic. Fig. 12
- ELECTRIC 2-ZONE: 2-zone electrical heating control. Note: also used for simple hydronic. Fig. 12.
- ELECTRIC 2-STAGE: Advanced 2-stage electric heating control (Y/Δ) of 1 zone. Fig. 10
- HYDRONIC: 1-zone hydronic heating control with supply water control. Fig. 11
Select the appropriate option and press OK. The system is now set up, and will begin operating fully automatically in accordance with the pre-configured standard program, see FACTORY SETTINGS. Alternative settings can also be made, see SETTINGS.
- ZONE 1 HEAT OFF ZONE 2 HEAT OFF AFTERRUN 1 0.00 AFTERRUN 2 0.00 STANDBY OFF Status and afterrun data for zones 1 and 2 are now shown on the display.
OPERATION
ETO2 is equipped with an easily operated encoder button (turn and press) and a display which describes the current situation. The display is backlit and is illuminated by pressing the encoder button (OK). The illumination is automatically switched off after 30 seconds. Press the encoder button and the main menu will be shown on the display. Turn the button to scroll through the options. Not all the options are shown on the display at once, but they can be accessed by turning the encoder button. Press OK to select a highlighted option.
MAIN MENU
- ZONE 1 OFF
- ZONE 2 OFF
- SENSOR 1 ##.#°C
- SENSOR 2 ##.#°C
- MOIST 1 NO
- MOIST 2 NO
- OUT. TEMP ##.#°C
- SUPPLY W. ##.#°C
- RETURN W. ##.#°C
- ALARM NO
- SHOW INFO
- SETUP
- RESTART
- EXIT
DISPLAY TEXTS
- ZONE 1 OFF Heating zone 1 active (ON) or inactive (OFF)
- ZONE 2 OFF Heating zone 2 active (ON) or inactive (OFF)
- SENSOR 1 ##.#°C Sensor 1 (heated sensor) core temperature. Applies only when ETOG sensor is connected.
NOTE: The temperature shown does not equal ambient temperature during moisture detection! - SENSOR 2 ##.#°C Sensor 2 (heated sensor) core temperature. Applies only when ETOG sensor is connected.
NOTE: The temperature shown does not equal ambient temperature during moisture detection! - MOIST 1 NO Sensor 1 moisture status. YES / NO / Blank. Blank will be shown if temperature is above Set Temp or the system is in Afterrun mode.
- MOIST 2 NO Sensor 2 moisture status. YES / NO / Blank. Blank will be shown if temperature is above Set Temp or the system is in Afterrun mode.
- OUT TEMP ##.#°C Ambient outdoor temperature. Applies only when ETF sensor is connected.
- SUPPLY W. ##.#°C Supply water temperature, hydronic application only.
- RETURN W. ##.#°C Return water temperature, hydronic application only.
- ALARM NO Fault message, fault type will be displayed. Red LED on front of unit will flash.
APPLICATION INFO
SHOW INFO
- APP: E. 1-ZONE Application type: electric or hydronic heating
- SW VERSION 1.00 Software version
- SENSOR 1 ETOG Sensor type, sensor 1
- SENSOR 2 OFF Sensor type, sensor 2
- SENSOR ETF OFF Whether an ETF sensor is connected
- EXIT Return to main menu
SETTINGS
Please note that incorrect sensor setup may lead to poor or lacking ice and snow melting. Press OK and a submenu will be shown on the display. Select the parameter to be set and press OK.
SETUP
- FORCE HEAT OFF Manual start of forced heating. Press OK and select ON to start forced heating. The ETO2 controller will provide heat for the pre-programmed after run time, see AFTERRUN 1 and 2.
- SELECT SCALE C Whether the temperature is to be displayed in Celsius (C) or Fahrenheit (F) can be selected here. Select the required scale and press OK. Press OK to return to the SETUP menu.
- SET TEMP 1 3.0C Set the temperature for zone 1: The temperature at which the ice and snow melting system will become active can be set here. The temperature setting can be adjusted within the range +50/-20°C (122/-4°F). Set the required temperature and press OK.
- SET TEMP 2 3.0C Set the temperature for zone 2: The temperature at which the ice and snow melting system will become active can be set here. The temperature setting can be adjusted within the range +50/-20°C (122/-4°F). Set the required temperature and press OK.
- OFF TEMP 1 OFF The lowest operating temperature for zone 1 can be set here. Below this temperature, the system will enter standby mode. The setting can be as low as -20°C (-3.9°F), or OFF can be selected. OFF = no limit. To change the minimum cut-off temperature, press OK, turn the encoder button to the desired value and confirm with OK.
- OFF TEMP 2 OFF The lowest operating temperature for zone 2 can be set here. The setting can be as low as -20°C (-3.9°F), or OFF can be selected. OFF = no limit. To change the minimum cut-off temperature, press OK, turn the encoder button to the desired value and confirm with OK.
- AFTER RUN 1 2:00 Afterrun time, zone 1: An afterrun duration of between 0 and 18 hours can be set here. The system will continue to provide heat for the specified time after the moisture/temperature signal has been eliminated by a heating cycle. Use the encoder button to set the required afterrun time and press OK.
- AFTERRUN 2 2:00 Afterrun time, zone 2: An afterrun duration of between 0 and 18 hours can be set here. Use the encoder button to set the required afterrun time and press OK.
- OFFSET T1 0.0C Zone 1 temperature can be calibrated here. With the ETOG-55 sensor, the temperature shown on the ETO2 display is always the core temperature of the sensor. For calibration, please see OFFSET CALIBRATION.
- OFFSET T2 0.0C Zone 2 temperature can be calibrated here. With the ETOG-55 sensor, the temperature shown on the ETO2 display is always the core temperature of the sensor. For calibration, please see OFFSET CALIBRATION.
- OFFSET OUT. 0.0C Outdoor temperature can be calibrated here. The temperature recorded by the ETF outdoor sensor can be adjusted so that the exact temperature is displayed on ETO2. Measure the temperature beside the sensor using a thermometer. Adjust the necessary offset using the encoder button. Press OK.
- MIN WATER 5.0C The minimum return water temperature can be set here. Set the required minimum temperature and press OK. This menu option is only available when hydronic heating is used.
- MAX WATER 55.0C The maximum supply water temperature can be set here. Set the required maximum temperature and press OK. This menu option is only available when hydronic heating is used.
- SENSOR HEAT AUTO In auto mode, sensor heating is switched off during periods when snow melting is active. Under special conditions or during extremely cold weather, the sensor can be heated continuously. Select ON and press OK.
- MOIST CTRL ON Moisture control can be switched off here. If so, snow and ice melting will only be controlled by the set temperature, see SET TEMP. Select OFF to switch off moisture control and press OK.
Note that energy consumption/costs will rise if moisture control is switched off. - SENSITIVITY NORM Sensor sensitivity can be adjusted in 5 steps: MIN: e.g. for salted roads – LOW: e.g. for dirty snow – NORM: e.g. for mixed snow conditions – HIGH: e.g. for white snow – MAX: e.g. for very pure snow or hoar frost. To change sensitivity, press OK, turn the encoder button to the desired setting and confirm with OK.
- LANGUAGE ENGLISH Language information.
- REINSTALL REINSTALL PASSWORD XXXX In the event of setup failure in the STARTUP menu, or whenever new hardware is connected, the primary setup must be changed in the STARTUP menu. Select PASSWORD and turn the encoder button to the factory code (1202). The controller will then return to the STARTUP menu, see STARTUP.
- EXIT Select this option and press OK to return to the main menu.
RESTART
After changing the settings, or whenever a new process start is required, the ETO2 can be restarted in this menu.
- RESTART Restarts operation while retaining all your current settings. The ETO2 goes to the initial status display.
OFFSET CALIBRATION
If it is necessary to calibrate the temperature measured by the ETOG sensor, please follow the steps below:
- Disconnect the sensor from terminals 11 and 12 (sensor heating) of the ETO2.
- Wait a few hours until the sensor has acquired the same temperature as the ground.
- Measure the real ground/sensor temperature and compare it with the temperature shown on the ETO2 display.
- Program the offset for the sensor concerned to match the difference between the two temperatures (displayed/real). Adjust the necessary offset using the encoder button. Press OK.
- Reconnect the sensor to terminals 11 and 12 of the ETO2.
NOTE: With the ETOG sensor, the temperature shown on the ETO2 display is always the core temperature of the sensor.
FACTORY SETTINGS
SETUP FACTORY SETTINGS OWN SETTINGS
- Application Electric
- Sensor 1 ETOG
- Sensor 2 OFF
- Select scale Celsius
- Afterrun time, zone 1 2.00 hours
- Afterrun time, zone 2 2.00 hours
- Temp. offset, zone 1 0.0°C / 0.0°F
- Temp. offset, zone 2 0.0°C / 0.0°F
- Temp. offset ETF 0.0°C / 0.0°F
- Temp. setpoint, zones 1+2 3.0°C / 37.4°F
- OFF temp., zones 1+2 OFF
- Sensor heating, zones 1+2 AUTO
- Moisture control, zones 1+2 ON
- Sensitivity, zones 1+2 NORM
- Min. water temp. 5°C / 41°F
- Max. water temp. 55°C / 131°F
TROUBLESHOOTING
If faults occur in the ice and snow melting system, it is advisable to check the ETO2 setup. Activate the menu by pressing the encoder button and select SHOW INFO to display the application settings. If there are errors in the setup, activate REINSTALL using factory code 1202. Check that all connections are made correctly, and that cables are fastened in the clamps. For answers to FAQ, please visit our website: www.ojelectronics.com/support/FAQ-Snowmelting.
Ice/snow does not melt
- Does the display show HEAT ON in zone 1 / 2?
YES:- Wait 1-2 hours.
- Check under the snow, if the snow is beginning to melt the system is OK.
- Check heating cables for defects and bad or incorrect connections.
- It may be too cold for snow melting (insufficient power/m2), i.e. the heating cables or hydronic heating system is undersized.
- NO:
- The temperature is higher than SET TEMP. Adjust SET TEMP to higher temperature.
- The snow around the ground sensor has melted or drifting snow has exposed the sensor. Increase AFTERRUN time or activate FORCE HEAT.
- An igloo effect has occurred around the sensor. The ground sensor has melted an insulated cavity under the snow. Activate FORCE HEAT or set MOIST CTRL to OFF.
- The temperature is lower than the OFF TEMP setting. Depending on heat output, the system may have a lower temperature limit at which snow can be melted. Try melting the snow with FORCE HEAT before changing the OFF TEMP.
The heating is not shut off after ice/snow melting
- AFTER RUN time is too long – reduce AFTERRUN time and activate RESTART in the menu.
- Moisture detection in the ETOG/ETOR sensor is turned off – set MOIST CTRL to ON in the menu.
If the red ALARM button flashes, one of the following faults has occurred. The relevant message will be displayed in the ALARM menu.
- “RETURN TEMP LOW” – Water temperature in return pipe is too low.
- “SUPPLY TEMP HIGH” – Water temperature in supply pipe is too high.
- “RETURN SENSOR” – Return sensor defective.
- “SUPPLY SENSOR” – Supply sensor defective.
- “TEMP SENSOR 1” – Temperature sensor 1 (ground or roof) defective.
“TEMP SENSOR 2” – Temperature sensor 2 (ground or roof) defective. - “OUTDOOR SENSOR” – Outdoor sensor defective.
- “SENSOR HEATER” – Heating element in-ground or roof sensor short-circuited.
- “FROST PROTECT” – Frost protection is active due to low return temperature. (hydronic systems only)

OJ ELECTRONICS A/S
Stenager 13B · DK-6400 Sønderborg
Tel. +45 73 12 13 14 · Fax +45 73 12 13 13
[email protected] · www.ojelectronics.com
® The trademark is registered and belongs to OJ Electronics A/S · © 2020 OJ Electronics A/S
Strandvejen 42 Saksild 8300 Odder
86 62 63 64 www.automatikcentret.dk
[email protected]




































