solis EPM1-5G Plus Export Power Manager

Gin long Technologies Co., Ltd.
No . 57 Jintong Road, Binhai Industrial Park, Xiangshan, Ningbo,
Zhejiang, 315712, P.R.China.
Tel: +86 (0)574 65781806
Fax: +86 (0)574 65781606
Email:[email protected]
Web:www.ginlong.com
Please adhere to the actual products in case of any discrepancies in this user manual. If you encounter any problem on the EPM, please find out the EPM S/N and contact us, we will try to respond to your question ASAP.
Introduction
Product Description
Solis Export Power Manager can monitor and control the backflow power from the inverter to the grid thus providing export power control of inverters. It also has integrated datalogging function as well. The export power manager is suitable for using with all solar PV grid tie inverters. Model: Solis-EPM3-5G-PLUS is for three phase systems.
Packaging
When you receive the EPM please ensure that all the parts listed below are included:

If anything is missing, please contact your local Solis distributor.
Safety Instructions
Safety Symbols
WARNING:
WARN ING symbol indicates important safety instructions, which if not correctly followed, could result in serious injury or death.
NOTE:
NOTE symbol indicates important safety instructions, which if not correctly followed, could result in some damage or the destruction of the inverter.
CAUTION:
CAUTION, RISK OF ELECTRIC SHOCK symbol indicates important safety instructions, which if not correctly followed, could result in electric shock.
CAUTION:
CAUTION, HOT SURFACE symbol indicates safety instructions, which if not correctly followed, could result in burns.
General Safety Instructions
WARNING:
Electrical installations must be done in accordance with the local and national electrical safety standards.
WARNING:
It is forbidden to insert or unplug the CT cable with power on.
If accidentally disconnected the CT cable, please turn off the main AC
switch and wait for 5 mins before reconnect the cable.
CAUTION:
Risk of electric shock. Do not remove cover. There is no user serviceable parts inside. Refer servicing to qualified and accredited service technicians.
CAUTION:
Risk of electric shock from energy stored in capacitors.
Do not remove cover until 5 minutes after disconnecting all sources of supply expect service technician. Warranty may be voided if any unauthorized removal of cover.
Notice For Use
The Export Power Manager has been constructed according to the applicable safety and technical guidelines.
Use the Export Device in installations that meet the following specification ONLY:
- Permanent installation is required
- The electrical installation must all the applicable regulations and standards.
- The Export Power Manager must be installed according to the instructions stated in this manual.
- The Export Power Manager must be installed according to correct technical specification.
- To install the Export Device you should notice the phase of sampling voltage and the direction of sampling current, then you can connect sampling wires and CT (current transformer).
Overview
Front Panel Display

LED Status Indicator Lights

Keypad
There are four keys in the front panel of the lnverter(from left to right): ESC, UP, DOWN and ENTER keys. The keypad is used for
- Scrolling through the displayed options {the UP and DOWN keys);
- Access to modify the adjustable settings {the ESC and ENTER keys).
LCD
The two-line Liquid Crystal Display (LCD) is located on the front panel of the EPM, which shows the following information:
- Export Power Manager operation status and data;
- Service messages for operator;
Installation
Select a Location for the EPM
To select a location for the EPM, the following criteria should be considered:
• The temperature of the EPM could up to 75°C.
• The EPM is designed to work in extreme temperature range is from -25°C to 60°C .
• The EPM should be kept minimum 300mm clearance from the other device.
• The EPM cannot be placed in direct sunlight.
Mounting the EPM
Please attach mounting plate on to wall horizontally where to install the product. Then mark A, B, C and D to fix mounting plate.

Drill four q>8 holes and insert expandable shell into the holes which make the bracket alignment. After that fix the bracket on the wall.

Hang the EPM in the bracket by the steps below

Fix the two screw at the side of bracket.

Electrical Connections
The Export Power Manager is designed for electrical connection without removing the cover.
The meaning of the symbols located at bottom of the EPM is listed

System connection diagram is as follows:


- Make the Grid input cable
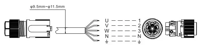
- Measure the distance from EPM to power distribution box. And find proper cable for grid input. 5 core cable for Solis-EPM3-5G-PLUS.
- For three phase inverter installation connect U, V, W to pin1, 2,3 and connect N to pin4, connect PE to@

- Strip the end of cable to 3mm

- Through the cable to the washer and use a suitable screw driver to fix the wire to the connector

- Assemble the connector

- Make RS485 cable (COMM-I NV port)
- a. Refer to figure 4.11, the RS485 terminals for inverter and EPM are already assembled. Tips:RS485 cable: preferred 0.5mm.

- Refer to figure 4.11, connect communication cable between inverter with EPM, and then measure the distance from EPM to inverter. Use proper cable for RS485 connection. (0.5mm2)

- Follow step1 to assemble 2 connectors to each end of cable.
- a. Refer to figure 4.11, the RS485 terminals for inverter and EPM are already assembled. Tips:RS485 cable: preferred 0.5mm.
- Connect and fix the CT
To detect the backflow power, the CTs need to be installed at the PCC (Point of Common Coupling), instead of the load branch circuit.
Note:
For three phase system, CT1 ,CT2 and CT3 must be installed on U,V and W with correct sequence, otherwise EPM can not detect the correct data. “The CT cable outer diameter is 6.Smm-7 .5mm, cross-sectional area 1.5mm2”.- Switch off the main switch, disconnect the line cables.
- Insert the cables through the CT, make sure the P1 on CT is towards grid and P2 is towards the inverter.
- Reconnect the line cables.
Note:
If the CT is installed in the wrong direction, the EPM can’t work normally.
Note:
The standard package of EPM DOESN’T include the CT current sensor. Please select CT with secondary current of SA.
Note:
Solis recommends customers to purchase suitable current transformers from local suppliers according to the max possible current in different projects.
As long as the secondary current is 5A,it will not affect the warranty of the EPM devices and inverters.
Solis can also provide above current transformers as an optional accessory. Customers can contact Solis sales rep to place the order based on their project requirements. - Muti inverter connection
Please follow figure 4.6 system diagram to connect muti-inverters. EPM can control maximum 80 inverters. One grid connection point ONLY.
The inverter address must be set to different value. Please set address from 01 to 80. Before start up inverter please follow 6.5.1 to set inverter number in EPM. - Monitoring
Two methods of monitoring are available with the EPM device connected.- Through WiFi antenna on the EPM device.
This is similar with the Solis WiFi datalogger. The WiFi antenna can broadcast data to the local router and then to the Solis monitoring platform. No wiring is needed. - Through RJ45 cable
This port is used for connection directly to the router.
Note:
When connect the inverters to the EPM, do not use the other ports on inverters to realize the monitoring function.
- Through WiFi antenna on the EPM device.
Commission and decommission
Commissioning
- Make sure the main switch is off and the system is powered off.
- Connect all the necessary cables on EPM, such as the CT ports, COMM-I NV port, Grid port and (if needed) the LAN port.
- Connect the other end of the cables to inverter, PCC or monitoring device(if needed), respectively. .l
- Turn on the main switch, go to the EPM LCD.
- Set the inverter number, backflow power, CT parameter as described in section 6.5
- Check if the backflow power of the system is limited to the set value.
Decommissioning
In order to aovid the backflow power to grid, please stop the inverter before stop the EPM.
- Turn off the inverter output AC breaker or select “grid off” on each inverters’ LCD.
- Turn off inverter input DC breaker or pull out PV cable to stop inverter.
- Turn off the grid input breaker of EPM.
- Disconnect all cable of EPM, disassemble EPM after 5mins.
Operation
During normal operation, the display alternately shows the power of grid side and the operation Status .Screens can also be scrolled manually by pressing the UP and DOWN keys. Press the ENTER key to access to the Main Menu.

There are 6 status:
Normal: The system works normally
RS485 AIIFail: EPM has lost communication with ALL inverters
M-ComFailsafe: EPM has lost communication with the Meter inside
CT-Failsafe: Current Sensor failed
M-VFailsafe: One phase voltage of the meter is ZERO
RS485Fail: EPM has lost communication with one or some of the inverters
Main Menu
There are four submenus in the Main Menu (
1. Information
2. Settings
3. Advanced Info.
4. Advanced Settings
Information
Solis Export Power Manager main menu provides access to operational data and information. The information is displayed by selecting “Information” from the menu and then by scrolling up or down.

Lock screen
Pressing the ESC key returns to the Main Menu. Pressing the ENTER key locks or unlocks the screen.
Settings
The following submenus are displayed when the Settings menu is selected:
1. Set Time
2. Set Address
- Set Time
This function allows time and date setting. When this function is selected, the LCD will display a screen
Press the UP/DOWN keys to set time and data. Press the ENTER key to move from one digit to the next (from left to right). Press the ESC key to save the settings and return to the previous menu. - Set Address
This function is used to set the address when muti inverters are connected to three monitor. The address number can be assigned from “01 “to “99”(see Figure 6.4 ).
The default address number is “01 “.
Press the UP/DOWN keys to set the address. Press the ENTER key to save the settings. Press the ESC key to cancel the change and return to the previous menu.
Advanced Info – Technicians Only
NOTE:
To access to this area is for fully qualified and accredited technicians only. Enter menu “Advanced Info.” and “Advanced settings” (need password).
Select “Advanced Info.” from the Main Menu. The screen will require the password as below: 
After enter the correct password the Main Menu will display a screen and be able to access to the following information.
1. Inverter Power
2. CT Connect Status
3. Version
4. Model Inverter
5. Communication Data
6. Energy Info
The screen can be scrolled manually by pressing the UP/DOWN keys. Pressing the ENTER key gives access to a submenu. Press the ESC key to return to the Main Menu.
Inverter Power
The screen shows the information of Inverter Power for each inverter which connected to the EPM. 
CT Connect Status
The position of three-phase CT installation and direction of current detection refer to 4.3, P1 on CT is towards grid and P2 is towards the inverter, then EPM detection will display OK, as shown in figure 6. 7. Otherwise, the status will display “NG” which indicates wrong CT direction.
Version
The screen shows the model version and the software version of the Inverter.
Model Inverter
The screen shows the Rated power of inverters that are connected to the EPM.
Communication Data
The screen shows the internal communication data of the Inverter, for service technicians only.
Energy Info
This shows the energy records on the EPM.
1.Load Total E. 2.INV Send Total E. 3.Send Grid Total E. 4.Get Grid Total E.
Advanced Settings – Technicians Only
NOTE:
To access to this area is for fully qualified and accredited technicians only. Please follow 6.4 to enter password to access this menu.
Select Advanced Settings from the Main Menu to access the following options:
- Inverter Qty. Set
- Backflow Power
- Set CT Ratio
- FailSafe ON/OFF
- Backflow Work Mode
- PELD ON/OFF
- Transmit ON/OFF
- System Updade
- Reset Password
- Restore settings
- Set Capacity
Inverter Qty. Set
This submenu is used for setting inverter numbers.
Enter the screen ,it shows all the number of inverters which conected to the EPM. The number(0 1-9 9) can be select by pressing the UP/ DOWN keys. Press the ENTER key to set the inverter number ESC key to return to the previous menu.
Backflow Power
This submenu is used for setting allowed power that inverter can generate to grid. 
Press the UP/DOWN keys to set data.Press the ENTER key to set backflow power Then press UP/DOWN keys to change the number( the times of 100). Press the ESC key to save the settings and return to the previous menu.
Set CT Ratio
This is used to set the CT ratio for the current transformer. Setting range is from 20: 1 to 9900:1 with 10: 1 interval. For example, if 1000:5A current transformer is used, please set the ratio as 200: 1
Press the UP/DOWN keys to set data. Press the ENTER key to set CT Para. Press the ESC key to save the settings and return to the previous menu.
FailSafe ON/OFF
The submenu is used for setting fail Safe ON/OFF. Fail Safe indicates the communication status between EPM and inverters. The default setting is “Run”. DON’T change it without technicians.
When the Fail Safe is set as “Run”. If some of inverters lost communication with EPM , EPM’s LCD screen will display” RS485 fail”; if all inverters lost communication with EPM, then the LCD screen of EPM will display “fail safe”. And The inverter stops output power. When the Fail Safe is set as “Stop”, communication lost between EPM and inverters will not affect the output of inverters.
Backflow Work Mode
This submenu is used for set backflow work mode: 01, 02. “01” is the default mode.
Mode “01 “, As shown in the figure 6.17, the average limiting mode, the output power of each phase is the average of the three-phase load power, and it is more than the phase of the lowest power in three phases. 
Mode “02”, As shown in the figure 6.18 the per phase limiting mode, the inverter only generate the power that equals to one of three-phase load power that is the lowest load power of a certain phase.
PELO ON/OFF
This submenu is used for set PELO on/off. PELO decides EPM works or not.
Set PELO is on, EPM can monitor and manage the working condition of inverters in real time, and it prevents backflow generated. Set PELO is off, which means EPM shutdowns the function of controlling backflow power.
Transmit ON/OFF
This is a setting for Solis technician use only. Please keep the switch as OFF for normal use.
System Update
The upgrade of EPM’s system can realize by external wire. Please consult our technical engineer for more details.
Reset Password

Firstly, input the origin password and press Enter button;
Second, input the new password, press Enter button to save it. UP/DOWN button can be used to move the cursor.
Third, Press ESC button to get to the previous page.
Restore Settings
When Restore Settings is selected, the LCD will display 
Press the ENTER key to execute the setting.
Press the ESC key to return to the previous menu.
Set Capacity
This item is used to set the sum of the capacities of the connected inverters.
Inverter Set
EPM has two versions: EPM-2G, EPM-5G. While inverter is working with EPM, please be reminded to change the inverters settings as below: 
NOTE:
If you are using EPM-5G, please choose “5G EPM”, and set it “ON”, if you are using EPM-2G. Please choose “Others EPM”, and set it “ON”, only
one setting needs to be set.
NOTE:
If “5G EPM” is chosen, for inverters produced before Nov 30th 2019 (SN: XXXXXX19B30XXXX)need to update the firmware, please contact with Solis local service center or [email protected] for instructions on firmware update.
The EPM is designed in accordance with the most important international safety and EMC requirements. Before delivering to the customer, the EPM has been subjected to several tests to ensure its optimal operation and reliability. In case of failure, the LCD screen will display alarm message. The EPM can show Alarm it self or alarm from inverter. There are 3 alarm can be showed on LCD:
Backflow
There are backflow current to grid, customer need to stop inverter. and check the connections for the RS485 cable between EPM and inverter.
INV. fault
There are fault alarm in inverter, need to check inverter status.
Fail safe
RS485 All Fail: EPM has lost communication with ALL inverters
M- ComFailsafe: EPM has lost communication with the Meter inside
CT-Failsafe: Current Sensor failed
M-VFailsafe: One phase voltage of the meter is ZERO
RS485Fail: EPM has lost communication with one or some of the inverters
Specifications


Appendix
Connection via Ethernet
- Connect router and data logger via Ethernet port with network cable.
- Reset the data logger.
Reset: Press the reset button with a needle or open paper clip and hold for a while when the 4 LEDs should be on. Reset is successful when 3 LEDs, except POWER, turn off. - Enter the configuration interface of your router, and check the IP address of the data logger assigned by the router. Open a web browser and enter the assigned IP address to get access to the configuration interface of the data logger.
Fill in username and password, both of which are ad min as default.
NOTE:
Supported browsers: Internet Explorer 8+, Google Chrome 15+, Firefox 1 O+.
- Set parameters of data logger.
In the configuration interface of data logger, you can view general information of the device.
Follow the setup wizard to start quick setting.
Step1: Click “Wizard” to start.
Step2: Click “Start” to continue.
Step3: Select “Cable Connection”, and you can choose to enable or disable the wireless function, then Click “Next”.
Step4: Select “Enable” to obtain an IP address automatically, then click “Next”.
Step5: If setting is successful, the following page will display. Click “OK” to restart.
Step6: If restart is successful, the following page will display.
NOTE:
After setting is completed, if STATUS is permanently on after about 30 seconds, and the 4 LEDs are all on after 2-5minutes, the connection is successful.
If STATUS is flashing, which means unsuccessful connection, please repeat the setting from step 3.








Press the UP/DOWN keys to set time and data. Press the ENTER key to move from one digit to the next (from left to right). Press the ESC key to save the settings and return to the previous menu.
Press the UP/DOWN keys to set the address. Press the ENTER key to save the settings. Press the ESC key to cancel the change and return to the previous menu.
Step2: Click “Start” to continue.
Step3: Select “Cable Connection”, and you can choose to enable or disable the wireless function, then Click “Next”.
Step4: Select “Enable” to obtain an IP address automatically, then click “Next”.
Step5: If setting is successful, the following page will display. Click “OK” to restart.


















