265L / 9.3 cu. ft.
SOLAR-POWERED
DC CHEST FREEZER
UGP-265L1
OWNER’S GUIDE
| serial number: |
IMPORTANT SAFETY NOTES
IMPORTANT: After transit where the freezer has been on its side or back, ensure that the freezer is in a level, upright position for 12 hours to allow compressor fluids to redistribute evenly before use.
Congratulations! You have purchased one of the most efficient freezers available on the market today. The Unique 265L1 solar-powered DC chest freezer is designed to provide years of trouble-free operation. The design is optimized for energy savings with an efficient DC compressor and highly efficient
insulation.
Before using the appliance, read through this manual carefully including all the information on safety, installation, operation, and cleaning. These guidelines do not cover every possible condition or situation that may occur. Be safe using common sense and caution when installing, operating, and cleaning this appliance. If you are unsure about any of these instructions or warnings, contact your local product dealer or Unique Off-Grid Appliances for assistance.
- To allow the interior to cool down properly, run the freezer for at least 4 hours empty before adding food.
- This freezer is designed to operate on 12 or 24 volts of DC ONLY. DO NOT CONNECT THIS FREEZER TO AN AC (alternating current)POWER SOURCE (UNLESS USING AN AC/DC CONVERTER -SOLD SEPARATELY)
- This freezer is designed for domestic use only! It is intended for the storage of edible/consumable food and drinks. It is not intended for commercial or industrial use.
- Never use excessive force on the handle to open the lid.
- If the room/ambient temperature approaches the freezer operating temperature, the freezer may not function correctly. If the room/ambient temperature exceeds 100˚F (38˚C) the freezer may not function correctly.
- A DC-powered freezer has a lower cooling capacity than typical AC-powered appliances. Because the compressor is small, the freezer runs more efficiently but lacks the ability to cool larger warm loads as quickly as typical AC-powered appliances.
These warnings are provided in the interest of your safety. Please ensure that you understand them all before installing or using this freezer. Your safety is of paramount importance. If you are unsure about any of these meanings or warnings, contact your local product dealer or Unique Off-Grid Appliances for
assistance.
PRIOR TO INSTALLATION:
At delivery, please check that the freezer is complete and has not been damaged during transport. It is not advised to connect an appliance that has been damaged, especially damage to the electrical supply cable or refrigerant circuit. In the event of damage please contact your local product dealer or Unique Off-Grid Appliances for assistance.
GENERAL SAFETY
- Before cleaning or repositioning the freezer, always disconnect from the electrical power supply.
- Service the freezer only if you are a trained or authorized refrigeration technician.
- This appliance contains refrigerant R-134a and a polyester compressor oil in its refrigerant circuit. Take the utmost care when handling your freezer so as to not cause damage to the refrigerant circuit with consequent possible leakage.
- Do not use other electrical appliances (such as ice cream makers) inside of the refrigerating appliance.
CHILD SAFETY
- Do not allow children to play in, on, or around the freezer. It is not a toy. THERE IS A DANGER OF SUFFOCATION IF A CHILD BECOMES TRAPPED INSIDE.
- When the appliance is not in use, secure or remove the lid to prevent children from playing inside the cabinet.
- DANGER OF SUFFOCATION – Keep children away from all packaging material.
INSTALLATION
- This appliance is heavy. Care should be taken when moving it.
- This appliance operates on 12 or 24 Volts DC (Direct Current) only!
- Under no circumstances should this appliance be directly connected to an AC (Alternating Current) power source.
- Be sure that the appliance does not stand on the electrical supply cable. Also, be sure the electrical cable is not squeezed or bent when the appliance is being installed or moved.
- Installation work and adjustments on the appliance must be carried out by qualified personnel only. Work performed by persons with inadequate technical knowledge may adversely affect the performance of the appliance, causing damage to the equipment, and voiding the warranty.
- It is dangerous to make alterations or attempt to modify this product in any way.
Product alterations will void the warranty.
DURING USE
- Do not store any containers with flammable vapors or liquids in or around the appliance, such as organic solvents, spray cans, gas cans, etc. The danger of explosion!
CLEANING
- Before cleaning always turn the freezer off and disconnect it from the electrical power supply.
- Allow inside of freezer to fully thaw, then wash the inside and outside of the appliance with lukewarm water and a mild soap or Abrasive or corrosive cleaning agents, steel wool, scouring sponges, or chemical cleaning agents should not be used under any circumstances.
SERVICING
- This product should be serviced by an authorized technician and only genuine spare parts should be used.
- Under no circumstances should you attempt to repair the appliance Repairs carried out by inexperienced persons may cause injury or serious malfunctioning of the appliance Unauthorized work may void the warranty.
DISPOSING OF THE APPLIANCE
- When disposing of your freezer, use an authorized disposal site. The refrigerant must be completely drained and collected by an authorized technician for recycling prior to disposal. Check with your local Environmental Agency for recommendations on recycling this appliance in your area. Remove the electrical connection wiring and also ensure that the lid is removed to prevent children from being trapped inside – DANGER OF SUFFOCATION!
INSTALLATION
UNPACKING AND CLEANING
Remove all packaging and securing tapes from the appliance.
To avoid injury and causing damage to the appliance, be extremely cautious when using sharp or pointed tools to complete this task.
There is a protective film on the lid of the unit which can be removed.
Keep children away from the packaging material – DANGER OF SUFFOCATION!
Wash the inside and outside of the appliance with lukewarm water and a mild soap or detergent. Abrasive or corrosive cleaning agents, steel wool, scouring sponges, or chemical cleaning agents should not be used under any circumstances. A sponge, soft brush, or towel is recommended. After cleaning, thoroughly rinse and dry. You may want to leave the lid open allowing the compartments to ventilate for 20-30 minutes to get rid of residual odors. Check with your local Environmental Agency for recommendations on recycling packaging materials in your area.
POSITIONING THE APPLIANCE
The area in which the freezer is to be installed must be relatively cool, dry, and suitably ventilated. The area must be protected against any inclement weather rain, snow) and excessive surface dust. To ensure proper function, the appliance must be placed on a flat, firm, and stable surface resting level on ll our supports. The floor must be strong enough to support a fully loaded cabinet. Use wood or metal shims to level the freezer if necessary. Do not place the freezer close to heat sources (heater, stove, boiler, chimney, etc.), and avoid prolonged exposure to direct sunlight. This appliance uses the exterior walls o transfer heat from the inside of the cabinet. Ensure that there is adequate space between the freezer and neighboring walls or large objects. A minimum spacing of 3 inches (7.5 cm) is highly recommended. This will provide sufficient airflow around the appliance resulting in more efficient operation and longer appliance lifetime. Always keep the air vent openings of the compressor housing cover free from dust and obstructions.
PARTS LIST
.PARTS LIST
| 1: Lid 2: Handle 3: Lock 4: Keys 5: LED light 6: Drain 7: Wheels 8: Glass sliders | 9: Control panel 10: Left hinge 11: Right hinge 12: Basket 13: Ice tray 14: DC Power Cable 15: Ice scraper 16: AC/DC Plug (optional for on-grid use) |

INSTALLING THE HANDLE
- Place the handle over the screw holes located on the lid.
- Screw in the two screws & place the caps over to cover (provided).
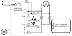
DC POWER CONNECTION
THIS FREEZER MUST NEVER BE CONNECTED DIRECTLY TO ANY AC (alternating current) POWER SOURCE!
THE FREEZER MUST ONLY BE CONNECTED TO 12V OR 24V DC POWER SOURCES, SUCH AS A SOLAR BATTERY SYSTEM OR CHARGE CONTROLLER.
THE FREEZER WILL AUTOMATICALLY OPERATE ON EITHER 12V OR 24V DC. THE USER DOES NOT NEED TO MAKE ANY ADJUSTMENTS.
ATTENTION: Polarity is important in wiring this DC appliance. Be sure that the positive terminal of the battery or charge controller coincides with the positive wire to the compressor, and the negative terminal of the battery or charge controller coincides with the negative wire to the compressor. The leads should be connected using cable shoes and screwed connections. Joined leads should be avoided.
+ to + and – to –
positive to positive / negative to negative (red wire) / (black wire)

ELECTRICAL DIAGRAM

IN-LINE FUSE
For 12V/24V operation, use a 15A fuse. A standard automobile fuse is recommended and the fuse should be wired to the positive (“+”) side of the system close to the positive battery terminal.
REPLACING THE FUSE
Remove 3 screws from grates to access the 15A fuse.
| OPERATING VOLTAGE | FUSE |
| 12 V / 24 V | 15 A |

ATTENTION
If a longer connection cable is necessary, the cable cross-section (or gauge) must be equal to or greater than the cable sizes recommended in the following table. Be careful that the input voltage at the appliance does not drop below the cut-out voltage of the compressor.
CABLE SIZE | 12V CABLE LENGTH | 24V CABLE LENGTH | |||
AREA | AWG | ||||
| mm2/inch | Gauge | m | ft | m | ft |
| 2.5 / 3/32“ | 12 | 2.5 | 8 | 5 | 16 |
| 4 / 5/32“ | 12 | 4 | 13 | 8 | 26 |
| 6 / 15/64″ | 10 | 6 | 19.5 | 12 _ | 39 |
| 10 / 25/64″ | 8 | 10 | 32.8 | 20 | 65.6 |
LOW VOLTAGE DISCONNECT
The compressor electronics include a low voltage disconnect feature. If the input voltage to the appliance falls below 10.4V (in 12 V mode) or 22.8V (in 24 modes), the compressor will shut off. Once the voltage increases above 11.7V (in 12V mode) or 23.4V (in 24V mode), the compressor will resume normal operation.
This feature is designed to protect the system battery from experiencing too low a depth of discharge.
| 12 V OPERATION | 24 V OPERATION | |
| SHUT-OFF | 10.4 V | 22.8 V |
| RESTART | 11.7 V | 23.4 V |
OPERATION
Your Unique freezer, like any battery-powered refrigerating appliance, requires different care than appliances plugged into an electric utility. Prudent operation is the key to extended service.
STARTING THE FREEZER
After the freezer has been properly connected to the 12 or 24 V DC power source or the AC/DC adaptor (sold separately), the compressor will automatically turn on and the cabinet will begin cooling. Allow the cabinet to cool for at least 4 hours prior to adding food.

TEMPERATURE CONTROL
The temperature within the freezer compartments is controlled by the panel situated on the outside of the appliance.
- Set: Press the “set” button one time, then press the “up” or “down” button to control the temperature that you want, the temperature will then be set, and after 3 seconds show you the temperature in the unit again.
- Power: Press and hold the “power” button for 3 seconds to turn the unit off. Press and hold the “power” button for 1 second and the unit will power up, the compressor will restart several minutes later.
- UVP Voltage: High – 26V, Med – 25V, Low – 23V. The recommended voltage setting is “Low”
*NOTE: Temperature controller has a + or – , 0.5 range. The freezer will run a few degrees colder at high elevations.
ADJUSTMENTS
As the ambient temperature changes with the season, it may be necessary to adjust the thermostat to achieve the proper internal temperature. If the room/ambient temperature approaches the appliance’s internal operating temperature, the appliance will not function as it should. The appliance will tend to run colder during these conditions and it may be necessary to turn the thermostat to a warmer setting (lower number). If the room/ambient temperature exceeds 100˚F (38˚C), the appliance will not function as it should. The appliance will tend to run warmer and it may be necessary to turn the thermostat to a colder setting (towards the maximum setting).
OPENING AND CLOSING THE LID
The unit is fitted with uniform sealing strips in the lid & additional glass sliders to prevent warm air and moisture from entering the freezer compartment. Be sure that the lid and its seals are free from obstructions and form a complete seal around the rim of the freezer cabinet.
Over-stuffing and/or unlevel installation of the appliance will prevent a good seal. It might be hard to open the lid immediately after it’s closed. This is due to air contraction in the freezer cabinet. This pressure difference will equalize in a few seconds, making the lid easy to open once again.
LOADING THE FREEZER
A battery-powered refrigeration appliance has a cooling capacity lower than typical AC appliances. Because the compressor is smaller, the appliance runs more efficiently but cools warm or room temperature food at a slower rate than an AC appliance. When adding unfrozen food to the freezer for the first time, ill the freezer only 1/3 full and wait until that food is sufficiently frozen before adding more. It will also help to cool food more quickly if the food is packaged in smaller containers rather than large ones. Food packages more than 2 inches thick will cool slowly. Avoid placing warm food in contact with cold food.
NORMAL OPERATING SOUNDS
- You may hear faint gurgling or bubbling sounds when the refrigerant is being pumped through the refrigerant coils.
- When the compressor is on, the refrigerant is being pumped through the appliance and you will hear a whirring or pulsing sound from the compressor.
- A thermostat controls the compressor and you may hear a ‘click’ when the thermostat cuts in and out.
DEFROSTING
Before cleaning or repositioning the freezer, you must DISCONNECT the appliance from the electrical power supply.
DEFROSTING THE UNIT As solar freezers do not have automatic defrost the freezer compartment could become progressively covered with frost. When 5mm of frost forms in the freezer, this should be removed with the supplied plastic scraper. However, when the ice becomes very thick on the interior walls, complete defrosting should be carried out. Perform this operation when the appliance is empty and disconnected from the power supply.
NEVER USE SHARP METAL TOOLS TO SCRAPE OR CHIP OFF FROST FROM THE INTERIOR COMPARTMENT AS THIS COULD DAMAGE THE APPLIANCE BEYOND REPAIR. DO NOT USE HEAT SOURCES SUCH AS ELECTRIC OR GAS HEATERS TO COMPLETE THE DEFROST PROCESS.
To perform a complete defrosting:
- Disconnect the appliance from the electrical supply.
- Remove any stored food and store in coolers, or wrap in several layers of newspaper and store in a cool place.
- Leave the lid open.
- Remove the plug from the defrost water drain located in the bottom interior of the cabinet.
- To accelerate the defrosting process, place a bowl of hot (not boiling) water inside the freezer compartments and close the lid.
- Using the provided ice scraper, gently scrape off ice downwards
- When defrosting is complete, wash and dry the interior
- Reconnect the appliance to the electrical supply and leave running (while empty) for at least 2 hours allowing the interior to cool suf
- Reload the freezer with the previously removed food.
ATTENTION: Partial thawing of frozen food during defrosting may shorten its safe storage lifespan.
ERROR CODES on the control panel display
Error Code | Error type can be read out on the controlled display |
| Err 9 | Thermostat failure (if the thermostat is not connected) |
| Err 5 | Overheating of compressor |
| Err 4 | Compressor speed error |
| Err 3 | Compressor start error |
| Err 2 | Over-current on the cooling fan |
| Err 1 | Battery protection change to the lower voltage on UVP |
| Err 0 | Thermostat failure (if the thermostat short circuits) |
CLEANING
Internal Cleaning
Wash the inside of the appliance with lukewarm water and mild soap. Never use abrasive or corrosive cleaning agents, steel wool, scouring sponges, chemical cleaning agents, or highly perfumed cleaning products to clean the interior as these will damage the surface and leave behind a strong odor. A
sponge, towel, or soft brush is recommended. Wash with a mixture of two tablespoons (30ml)of baking soda to 1 quart (1.14L) warm water. After cleaning, wipe all surfaces with a soft cloth and clean water to rinse, and allow the freezer to dry.
External Cleaning
Wash the outside of the cabinet with warm water and a mild soap or detergent.
Do not use abrasive or corrosive cleaning agents, chemical cleaning agents, steel wool, or scouring sponges to clean the freezer as it may cause damage to the surfaces.
ENERGY-SAVING TIPS
- Do not install the freezer close to sources of heat, such as a stove, boiler, heater, chimney, etc, and avoid exposure of the appliance to direct sunlight.
- Locate the appliance in a cool well-ventilated room and make sure that the air vents of the compressor housing cover are not obstructed. Also allow
adequate spacing around the cabinet for air circulation (3” or 7.5cm) - Avoid unnecessary frosting in the cabinet by packing all food and liquids in airtight packages or containers.
- Always keep food stored in tightly sealed packaging or containers and allow some space for air to circulate around each item.
- Avoid keeping the lid open for extended periods of time or opening the lid too frequently as warm air will enter the cabinet and cause the compressor to run unnecessarily often.
- Ensure there are no obstructions preventing the lid from closing properly and forming a tight seal.
TROUBLESHOOTING
Before contacting a service technician, your local product dealer, or Unique Off-Grid Appliances, please check the following points.
If you contact a technician to repair a fault listed below, or to repair a fault caused by misuse, abuse, or faulty installation, a charge will be made even if the appliance is under warranty.
PROBLEM | SOLUTION |
| The appliance is connected to power but does not operate |
|
| The appliance is operating, but the interior (cabinet) is not cold |
|
| The lid will not open |
|
| Excessive frost and ice has built up |
|
| Noise |
|
| Light does not work |
|
| Power failure |
|
| When the unit is not used for a long period |
|
| When the unit is not used temporarily |
|
CUSTOMER RESPONSIBILITIES
The following items are the responsibility of the customer and are not covered by the warranty:
- Proper care and use of the appliance as described in this manual.
• Damage to the interior or exterior finish or components after delivery.
• Proper power supply, fuse, wiring, and connections.
• Service required as a result of alteration, misuse, abuse, flooding, fire, lightning, or other acts of God.
• Replacement of light bulbs.
UGP-265L1 PARTS DIAGRAM AND LIST

| ITEM # | PART # | DESCRIPTION |
| 1 | UGP-265L 1 | Door |
| 2 | UGP-265L 2 | Door handle |
| 3 | UGP-265L 3 | LED light |
| 4 | UGP-265L 4 | Door Seal |
| 5 | UGP-265L 5 | Freeze Cabinet |
| 6 | UGP-265L 6 | Hinge |
| 7 | UGP-265L 7 | Hinge Cover |
| 8 | UGP-265L 8 | Glass lid |
| 9 | UGP-265L 9 | Wire Basket |
| 10 | UGP-265L 10 | Wire Splitter |
| 11 | UGP-265L 11 | Door Clamp |
| 12 | UGP-265L 12 | Electronic Controller |
| 13 | UGP-265L 13 | DC Socket |
| 14 | UGP-265L 14 | Back Cover |
| 15 | UGP-265L 15 | Back Triangle Iron |
| 16 | UGP-265L 16 | Front Triangle Iron |
| 17 | UGP-265L 17 | Rotary wheel |
| 18 | UGP-265L 18 | Compressor Base Plate |
| 19 | UGP-265L 19 | DC Compressor |
| 20 | UGP-265L 20 | Compressor connect cable |
| 21 | UGP-265L 21 | Fan |
| 22 | UGP-265L 22 | Condenser |
| 23 | UGP-265L 23 | DC Cable |
| 24 | UGP-265L 24 | Keys |

APPLIANCE INFORMATION
(manual copy – keep with your records)
To make care and servicing of your solar-powered DC freezer easy and efficient, please record the following information for future reference:
| Model: | |
| Serial Number: | |
| Purchased From: | |
| Date Purchased: |
NOTES

CONTACT US
For questions related to the operation, safety, or purchase of your freezer, please contact your dealer for more information. For general information, contact our customer service department:
- Toll-free: 1-877-427-2266 or 1-905-827-6154 (available during regular business hours, 8:30 am to 4:30 pm, EST.
- Email: [email protected] Website: www.uniqueoffgrid.com
- Address: Unique Gas Products Ltd., 2245 Wyecroft Road, Oakville, Ontario, Canada, L6L 5L7
265L1 SOLAR POWERED DC FREEZER
1 YEAR LIMITED WARRANTY
Unique Gas Products Ltd. warrants that this UNIQUE freezer is free from defects in material and workmanship under
normal usage and service under the following terms:
Parts Warranty
This appliance has been designed for domestic household use. If properly installed, adjusted, and operated under normal conditions in accordance with printed instructions, it will satisfactorily perform the functions that are generally expected of this type of appliance.
If the appliance fails to do so because of a defect in material or workmanship within one year from the original date of purchase: Unique will at our option, repair, exchange, or correct by other means Unique consider appropriate, any part(s) Unique finds to be defective except for the surface finish. ‘Due to remote locations, it is the customer’s responsibility to bring items to the dealer for review. Any part(s) replaced or repaired will be warranted only for the balance of the original year. The customer is responsible for labor.
Ownership
This Warranty is made only to the first purchaser (“original purchaser”) who acquires this freezer for his/her own use and will be honored by Unique Gas Products Ltd. and by the Seller. Purchaser must retain their receipt as proof of purchase date.
Warranty Conditions
This warranty does not apply to any appliance that has been subjected to alterations, misuse, abuse (including damage by foreign agents or chemicals), accident, improper installation or service, delivery damage, or other than normal household use and service. This UNIQUE appliance must be serviced regularly as outlined in the Owner’s Manual. Neither Unique Gas Products Ltd. nor the selling dealer will be liable for direct or indirect loss of foods caused by a failure in operation. In case of damage, the owner must provide proof of purchase, Model, and Serial Number to the selling dealer or Unique Gas Products Ltd. This warranty is LIMITED STRICTLY to the terms indicated herein, and no other expressed warranties or remedies hereunder shall be binding on Unique.
Purchaser’s Responsibilities
The purchaser will be responsible for the costs of any service calls requested to demonstrate or confirm the proper operation of the appliance, the installation, or to correct malfunctions in the appearance created by the operation of the appliance in a manner not prescribed by or cautioned against in the use and care instructions.
Model and Serial Number
The appliance model number and serial number can be found on a rating plate attached at the back of the freezer. The purchaser should always refer to the model and serial number when talking to or contacting the dealer from whom the appliance was purchased.
Factory Assistance
If the purchaser is unable to locate an authorized dealer/service agent, or if the purchaser does not receive satisfaction from the dealer, they may contact Unique Gas Products Customer Service directly at Toll-Free 1-877-427-2266 or 905-827- 6154
TECHNICAL SPECIFICATIONS
MODEL | UGP-265L1 |
| SIZE | total: 9.3 cu/ft, 265 liters |
| OPERATION | •12V/24V |
| DIMENSIONS (unboxed) | H 45.7″ x W 26.2″ x D 33.5″ H 116.1 cm x W 66.5 cm x D 85 cm |
| WEIGHT | 119 lbs/54 kg |
| DC POWER | 12V/24V |
| TOTAL WATT HR. DRAW (24 DC) | 627 Wh/24hrs (set to -16°C freezer performance in a +25°C ambient) |
| TOTAL AMP HR. DRAW (24 DC) | 22.7 Wh/24hrs (set to -16°C freezer performance in a +25°C ambient) |
| POWER CONSUMPTION 12V/24V | 69 W |
| AV. RUN CURRENT | 5.75A on 12V – 2.88A on 24V |
| FREEZER TEMP. RANGE | -18°C to +10°C |
© 2018 Unique Gas Products Ltd.
2245 Wyecroft Road
Oakville, Ontario,
Canada,
L6L 5L7
www.uniqueoffgrid.com
JUN18V1



















