SunDanzer DCF400 Large Capacity Chest Freezer

INTRODUCTION
Congratulations and thank you! You have purchased one of the most efficient refrigeration products available on the market today. The SunDanzerTM chest freezers and chest refrigerators are designed to provide years of efficient trouble-free operation. The design is optimized for energy savings with an efficient DC compressor, thick insulation, and a chest style configuration.
Before using the appliance, read through this manual carefully including all the information on safety, installation, operation, and cleaning. These guidelines do not cover every possible condition or situation that may occur. Be safe using common sense and caution when installing, operating, and cleaning this appliance. If you are unsure about any of these instructions or warnings, contact SunDanzer or your local product dealer for assistance.
IMPORTANT NOTES
- THIS APPLIANCE SHOULD BE LEFT OFF IN ITS NORMAL OPERATING POSITION FOR 2 HOURS PRIOR TO TURNING IT ON TO ALLOW THE COMPRESSOR OIL TO SETTLE.
- IF THE APPLIANCE HAS BEEN HANDLED ON ITS SIDE OR STANDING ON END, IT SHOULD BE ALLOWED TO SIT IN THE NORMAL OPERATING POSITION FOR 12 HOURS BEFORE TURNING IT ON.
- PRIOR TO ADDING FOODSTUFF, THIS APPLIANCE SHOULD BE RUN FOR AT LEAST 4 HOURS ALLOWING THE INERIOR OF THE CABINET TO COOL.
- THIS APPLIANCE OPERATES ON 12 OR 24 VOLTS DC (DIRECT CURRENT) ONLY! DO NOT CONNECT DIRECTLY TO AN AC (ALTERNATING CURRENT) POWER SOURCE.
- NEVER USE EXCESSIVE FORCE ON THE HANDLE TO OPEN THE LID.
- If the room/ambient temperature approaches the appliance operating temperature, the appliance will not function as it should. If the room/ambient temperature exceeds 100°F (38°C), the appliance will not function as it should.
- This DC freezer has a cooling capacity lower than typical AC units. Because the compressor is small, the unit runs more efficiently, but lacks the ability to cool large warm loads as quickly as typical AC appliances.
IMPORTANT SAFETY INSTRUCTIONS
These warnings are provided in the interests of your safety. Please ensure that you understand them all before installing or using this appliance. Your safety is of paramount importance. If you are unsure about any of these meanings or warnings, contact SunDanzer or your local product dealer for assistance.
Prior to Installation
- At the delivery, please check that the appliance is complete and has not been damaged during transport. It is not advised to connect an appliance that has been damaged, especially damage to the electrical supply cable or refrigerant circuit. In the event of damage please contact SunDanzer or your local product dealer for assistance.
General Safety
- Before cleaning or repositioning the appliance, always disconnect from the electrical power supply.
- Service the appliance only if you are a trained or authorized refrigeration technician.
- This appliance contains refrigerant R290, which is flammable, and a polyol-ester compressor oil in its refrigerant circuit. Take utmost care when handling your appliance to not cause damage to the refrigerant circuit with consequent possible leakage.
- Do not use other electrical appliances (such as ice cream makers) inside of the refrigerating appliance.
Installation
- This appliance is heavy. Care should be taken when moving it.
- This appliance operates on 12 or 24 Volts DC (Direct Current) only!
- Under no circumstances should this appliance be directly connected to an AC (Alternating Current) power source.
- Be sure that the appliance does not stand on the electrical supply cable. Also, be sure the electrical cable is not squeezed or bent when the appliance is being installed or moved.
- Installation work and adjustments on the appliance must be carried out by qualified personnel only. Work performed by persons with inadequate technical knowledge may adversely affect the performance of the appliance, causing damage to the equipment, and void the warranty.
- It is dangerous to make alterations or attempt to modify this product in any way. Product alterations will void the warranty.
During Use
- Do not store any containers with flammable vapors or liquids in or around the appliance, such as organic solvents, spray cans, gas cans, etc.
Servicing
- This product should be serviced by an authorized technician and only genuine spare parts should be used.
- Under no circumstances should you attempt to repair the appliance yourself. Repairs carried out by inexperienced persons may cause injury or serious malfunctioning of the appliance. Unauthorized work may void the warranty.
At the end of the appliance life
When disposing of your appliance, use an authorized disposal site. The refrigerant must be completely drained and collected by an authorized technician for recycling prior to disposal. Check with your local Environmental Agency for recommendations on recycling this appliance in your area. Remove the electrical connection wiring and also ensure that the lid is removed.
INSTALLATION
Unpacking and Cleaning
Remove all packaging and securing tapes from the appliance. If needed, wash the inside and outside of the appliance with lukewarm water and a mild soap or detergent. Abrasive or corrosive cleaning agents, steel wool, scouring sponges, or chemical cleaning agents should not be used. A sponge, soft brush or towel is recommended. After cleaning, thoroughly rinse and dry. You may want to leave the lid open allowing the compartment to ventilate for 20-30 minutes to get rid of residual odors.
Positioning
The area in which the appliance is to be installed must be relatively cool, dry, and suitably ventilated. The area must be protected against any beating rain and free of abundant dust. To ensure proper function, the appliance must be placed horizontally on a flat, firm, and stable surface resting level on all four supports. The floor must be sufficiently strong enough to support a fully loaded cabinet. Use wood or metal shims to level the appliance if necessary. Do not place the appliance close to heat sources (heater, stove, boiler, chimney, etc.), and avoid prolonged exposure to direct sunlight. This appliance uses the exterior walls to transfer heat from the inside of the cabinet. Ensure that there is adequate space between the appliance and neighboring walls or large objects. A minimum spacing of 3 inches (7.5cm) is highly recommended. This will provide sufficient airflow around the appliance resulting in more efficient operation and a longer appliance lifetime. Always keep the air vent openings of the compressor housing cover free from dust and obstructions.
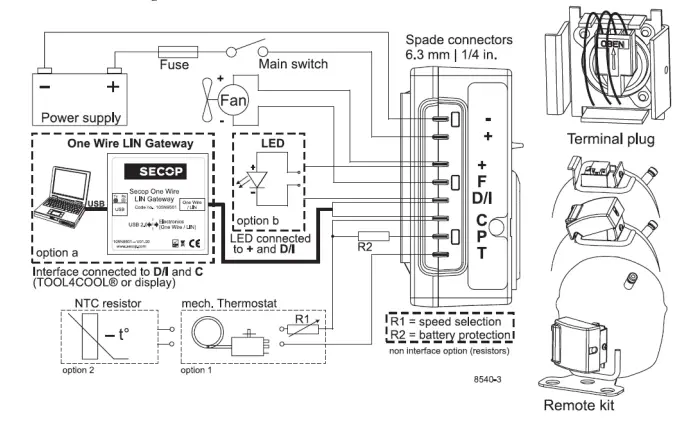
ELECTRICAL DC CONNECTION
The appliance should be left for 2 hours after positioning before it is turned on, to allow the refrigerant oil to settle. If the appliance has been handled standing on its side or on end, it should be allowed to stand in the normal operating position for 12 hours before turning it on.
- THE APPLIANCE MUST ONLY BE CONNECTED TO A 12V OR 24 VDC POWER SOURCE,
- SUCH AS A BATTERY OR CHARGE CONTROLLER.
- THE UNIT WILL AUTOMATICALLY OPERATE ON EITHER 12 OR 24 VDC. THE USER DOES NOT NEED TO MAKE ANY ADJUSTMENTS.
ATTENTION: Polarity is important in wiring this DC appliance. Be sure that the positive terminal of the battery or charge controller coincides with the positive wire to the compressor, and that the negative terminal of the battery or charge controller coincides with the negative wire to the compressor. The leads should be connected using cable shoes and screwed connections. Joined leads should be avoided.
Electronics Diagram 
ATTENTION: If a longer connection cable is necessary, the cable cross-section (or gauge) must be equal to or greater than the cable sizes recommended in the following table. Be careful that the input voltage at the appliance does not drop below the cut-out voltage of the compressor.
Wire dimensions
Under Voltage Shutdown
The compressor electronics includes an under-voltage shutdown feature. If the input voltage to the appliance falls below 9.6V (in 12 or 24V mode). Once the voltage increases above 10.9V at the electronics, the compressor will resume normal operation.
OPERATION
Starting the Appliance
After the appliance has been properly connected to the 12 or 24-VDC power source, the compressor will automatically turn on and the cabinet will begin cooling. Allow the cabinet to cool for at least 4 hours prior to adding items.
Temperature Control
The temperature within the appliance is controlled by the thermostat situated on the lower front of the cabinet. When you first start the appliance, we suggest that you turn the thermostat to a medium setting. The correct internal temperature setting can be found by measuring the temperature of the central or middle portion of the appliance. At higher altitudes, the thermostat will run colder
| Internal Temp. (oF) | Internal Temp. (C) | |
| Freezer | -5 to 10oF | -21 to -12oC |
The picture may not be the actual thermostat 
Adjustments
As the ambient temperature changes from summer to winter, it may be necessary to adjust the thermostat to achieve the proper internal temperature setting. If the room/ambient temperature approaches the appliance’s internal operating temperature, the appliance will not function as it should. The appliance will tend to run colder during these conditions, and it may be necessary to turn the thermostat to a warmer setting (towards the ‘min’). If the room/ambient temperature exceeds 100oF (38oC), the appliance will not function as it should. The appliance will tend to run warmer, and it may be necessary to turn the thermostat to a colder setting (towards the ‘MAX’ setting).
Energy Consumption
The best energy consumption is with warmer thermostat settings and cooler ambient. This has a strong impact on energy use. To achieve the lowest energy consumption, locate the fridge in a cool room and set the thermostat to the warmest setting. Of course, feel free to set the thermostat colder if you prefer, but know that this strongly affect energy use. A fridge running at -15C in a 25C room, will use ½ the energy of a fridge running at -20 in a 36C room. As the ambient temperature Opening and Closing the Lid
The lid is fitted with a uniform sealing strip to prevent warm air and moisture from entering the appliance compartment. Be sure that the lid and the lid seal is free from obstructions and forms a complete seal around the rim of the cabinet. Overfilling and/or unlevel installation of the appliance will prevent a good seal.
NEVER USE EXCESSIVE FORCE ON THE HANDLE TO OPEN THE LID!
When the lid is opened, the air inside the appliance becomes slightly warmer and expands. When the lid is closed again, the air is cooled quickly and contracts. This may lead to the creation of a vacuum which makes it more difficult to open the lid again immediately. This is quite normal. Wait for a few moments until the vacuum has equalized and then open gently. Also, ensure that the cabinet is not locked.
Loading
The top of the inside of the fridge will be warmer that the bottom. If is bet to leave a space of 5 cm between the top food and the lid. It will also help to cool your food quicker if your food is packaged in smaller containers rather than large ones. Food packages more than 2 inches thick will cool slowly. Allowing space for air to circulate around each item will help as well. Avoid placing warm foodstuff in contact with cold foodstuff. The baskets are designed for the storage and organization of food.
DEFROSTING AND CLEANING
- SunDanzer recommends defrosting if the frost layer become thicker than 10mm. It is safest to DISCONNECT the appliance from the electrical power supply before defrosting cleaning or repositioning is carried out,
- A thorough cleaning at least once a year, inside and out, will help maintain efficient operation and a high standard of hygiene.
- Never use sharp metal tools to scrape or chip off frost from the interior compartment as this could damage the appliance beyond repair. Do not use heat sources, such as electric or gas heaters to complete the defrost process.
To carry out complete defrosting:
- Disconnect the appliance from the electrical supply.
- Remove any stored food and store in coolers or wrap in several layers of newspaper and store in a cool place.
- Leave the lid open.
- Remove plug from the defrost water drain located in the bottom interior of the cabinet.
- Use a towel soaked in warm water to melt the ice.
- Defrost water can be collected by placing a pan under the defrost drain on the exterior bottom front of cabinet.
- When defrosting is complete, wash and dry the interior. Be sure to replace the plug on the defrost water drain.
- Reconnect the appliance to the electrical supply and leave running (while empty) for at least 20 minutes allowing the interior to cool sufficiently.
- Replace the previously removed foodstuff. Please note that a rise in temperature of frozen food during defrosting may shorten their safe storage life.
CLEANING
Internal Cleaning
Wash the inside of the appliance with lukewarm water and a mild soap. Never use abrasive or corrosive cleaning agents, steel wool, scouring sponges, chemical cleaning agents, or highly perfumed cleaning products to clean the interior as these will damage the surface and leave behind a strong odor. A sponge, towel, or soft brush is recommended. Washing with a mixture of two tablespoons of baking soda to 1 quart (1.14L) warm water. After cleaning, thoroughly rinse and dry.
External Cleaning
Wash the outside of the cabinet with warm water and a mild soap or detergent. Do not use abrasive or corrosive cleaning agents, chemical cleaning agents, steel wool or scouring sponges to complete this task as it may cause damage to the surfaces.
HINTS & TIPS
Normal Operating Sounds
- When the compressor is on, there will be a low quite vibration noise. If the noises changes, or if the sound is loud, check to see if there are tubes or wire vibrating and causing the noise. A tie-wrap can be used to separate such items
- A thermostat controls the compressor, and you may hear a ‘click’ when the thermostat cuts in and out.
TROUBLESHOOTING
Before contacting a service technician, SunDanzer or your local product dealer, check the following points.
If you call out a technician to a fault listed below, or to repair a fault caused by misuse, abuse, or faulty installation, a charge will be made even if the appliance is under warranty.
| SYMPTOM | SOLUTION |
| Appliance connected to power, but does not operate | • Check if 12 or 24V DC is present at the appliance. If not check all connections and the system battery voltage. • Check that the polarity is correct “+” is connected to “+” and “–“ to “–“. • Check the fuse. If blown, replace with a new one. There is no fuse on the fridge |
| Appliance is operating, but the interior is not cold. | • Allow the appliance at least 4 hrs. from initial turn-on to become cold. • Check that the thermostat control knob is turned to the correct setting relevant to room/ambient temperatures. • Check that the room/ambient temperature is not approaching the internal operating temperature and does not exceed to 100oF (38°C). • Has too much warm foodstuff recently been placed in the cabinet? If so, it is normal to not be cold and it will take time to return to temperature. • Does the cabinet have adequate ventilation around the side walls allowing it to transfer heat properly? (See Installation Section). |
| The lid will not open. | • Ensure that it is not locked. • Has the lid just been opened? If so leave for a few minutes to allow the air pressure to equalize and try again. • DO NOT USE EXCESSIVE FORCE ON THE HANDLE TO OPEN THE LID! |
| Excessive frost and ice has built up. | • Is the weather hot and humid? If so, this will increase the rate of frost build up in the cabinet. • Ensure that foodstuff is properly packaged. • Check that the lid is closed and has a good seal, and that nothing is preventing the lid from closing properly. • Large quantities of food have recently been placed in the cabinet/and or the lid is frequently opened. • Ensure that advised periodic cleaning has been carried out. |
| Noise | • Refer to ‘Normal Operating Sounds’ |
CUSTOMER RESPONSIBILITIES
The following items are the responsibility of the customer and are not covered in the warranty:
- Proper care and use of the appliance as described in this manual.
- Damage to the interior or exterior finish or components after delivery.
- Proper power supply, fuse, wiring, and connections.
- Service required as a result of alteration, misuse, abuse, flooding, fire, lightning, or acts of God.
- Replacement of light bulbs.
WARRANTY
SUNDANCER REFRIGERATION WARRANTS, TO THE ORIGINAL OWNER, THAT THIS PRODUCT IS FREE FROM DEFECTS IN WORKMANSHIP AND MATERIAL FOR A PERIOD OF TWO YEARS FROM THE PURCHASE DATE. THIS WARRANTY SHALL BE LIMITED TO REPAIRING OR REPLACING, AT SUNDANZER’S OPTION AND WITHOUT CHARGE TO THE PURCHASER, DEFECTIVE COMPONENTS. ALL WARRANTY WORK SHALL BE PERFORMED AT A SUNDANZER-APPROVED FACILITY. SHIPPING CHARGES RELATED TO RETURNING THE PRODUCT TO THE SUNDANZER FACILITY ARE NOT COVERED UNDER THIS WARRANTY. HOWEVER, THIS WARRANTY COVERS SHIPPING CHARGES RELATED TO RETURNING THE REPAIRED PRODUCT TO THE CUSTOMER WITHIN THE CONTINENTAL UNITED STATES. OUTSIDE THE CONTINENTAL UNITED STATES, ALL SHIPPING CHARGES ARE THE RESPONSIBILITY OF THE CUSTOMER AND ARE NOT COVERED BY THIS WARRANTY. THIS WARRANTY DOES NOT APPLY TO DAMAGE OR WEAR TO THE PRODUCT CAUSED BY ACCIDENT, ABUSE, MISUSE, NEGLECT, UNAUTHORIZED ALTERATION OR REPAIR, OR IF THE PRODUCT WAS NOT INSTALLED IN ACCORDANCE WITH SUNDANZER PRINTED INSTALLATION AND OPERATING INSTRUCTIONS. TO OBTAIN SERVICE UNDER THIS WARRANTY, THE DEFECTIVE PRODUCT MUST BE RETURNED TO SUNDANZER TOGETHER WITH A RETURN MATERIAL AUTHORIZATION (RMA) NUMBER. ANY PRODUCT REPAIRED OR REPLACED UNDER THIS WARRANTY WILL BE WARRANTED FOR THE BALANCE OF THE WARRANTY PERIOD WITH RESPECT TO THE ORIGINALPURCHASED PRODUCT. SUNDANCER REFRIGERATION WILL NOT BE LIABLE FOR ANY INCIDENTAL OR CONSEQUENTIAL DAMAGES, LOSSES, OR EXPENSES ARISING FROM INSTALLATION, USE, OR ANY OTHER CAUSES. THERE ARE NO EXPRESS OR IMPLIED WARRANTIES, INCLUDING MERCHANTABILITY OR FITNESS FOR A PARTICULAR PURPOSE, WHICH EXTENDS BEYOND THOSE WARRANTIES DESCRIBED OR REFERRED TO ABOVE.
For warranty claims or additional information, contact:
- SunDanzer
- 420 E. Aviation Dr. Unit 130 Tucson, AZ, 85714
- Email: [email protected]
- Website: www.sundanzer.com
Record Product Information:
- Model Number:———————————————-
- Serial Number:————————————————-
- Purchase Date:————————————————–




















