GE APPLIANCES GE-RAKCDC CDC and External Fan Kit

Before you begin: Read these instructions completely and carefully.
IMPORTANT: OBSERVE ALL GOVERNING CODES AND ORDINANCES.
Note to Installer: Be sure to leave these instructions with the Consumer.
Note to Consumer: Keep these instructions with your Owner’s Manual for future reference.
TOOLS NEEDED
- Wire strippers
PARTS INCLUDED
- (1) 3 Pin Connector Assembly
- (3) Wire Nuts
This kit is for use with 208/230v and 265v (AZ45 and AZ65 Series) GE Zoneline units only.
WIRING INSTRUCTIONS
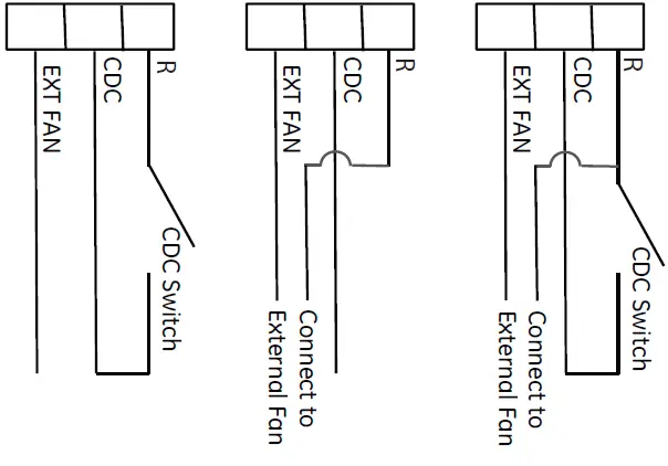
This kit can be wired for multiple functions. The unit can be connected to run the CDC only, external fan only, or CDC and external fan together. For correct wiring for each see below:

Recommended wire size must be followed as a minimum requirement.
| Wire Size #AWG | Maximum Allowable Length |
| #22 | 600 Ft. |
| #20 | 900 Ft. |
| #18 | 1500 Ft. |
| #16 | 2000 Ft. |
WARNING: RISK OF ELECTRIC SHOCK. Disconnect the electrical power supply before wiring connections.
IMPORTANT NOTES
- All wiring must be in accordance with NEC, local codes, ordinances, and regulations.
- All wiring should be performed by a qualified electrician.
Important CDC Comments (all series applicable)
- When the switching device closes the circuit of the conductors, the unit operation stops.
- Do not use a common bus (at the unit or at the switch panel) in the wiring. Both wires comprising the circuit must connect to the unit connectors and to the controlling switch. Running one wire from one unit to another unit is common busing and may damage internal components or cause erratic operation of the system.
- A 24-volt transformer is contained within the Zoneline unit. No external voltage may be applied to the unit through the CDC terminals. (Voltage on the CDC conductors is 24 volt AC)
Installation Instructions

- Remove the room cabinet by pulling it out at the bottom to release it (1); then lift it up to clear the rail along the unit top (2).

- Connect the CDC plug in the appropriate connector on the control box cover, ensuring the connector clip has engaged.
- Wire according to the desired function and secure with wire nuts, insuring no bare wires are visible.
- Reinstall the room cabinet ensuring the clips are completely clipped in position.





















