GFK-160T Fan System
– Installation and Operating Instructions –
GFK-160T Fan System
Leave this manual with party responsible for use and operation.
CAUTION! Risk of Cuts or Abrasions. Wear protective gloves and safety glasses during installation. Sheet metal edges are sharp.
Note: For ease of installation install Fan Kit prior to gas line installation.
Introduction
The GFK-160T Fan has been designed to circulate room air through the fireplace to enhance heat output.
The GFK-160T fan system operates on 120 VAC, 60 Hz power. This is available through a receptacle in the factory installed junction box. The junction box is located in the controls compartment of the fireplace.
A variable speed control is provided with the fan system to provide quiet forced air flow at the desired speeds. A temperature sensor switch, which automatically turns the fan ON/OFF, is also provided with this kit. This kit may also be installed for use with the optional IFT-RC400 remote and auxiliary control module kit.
Kit Contents
Remove and verify contents from packaging before beginning installation. See Figure 1.
CAUTION! Do not install damaged components.
If any parts are missing or damaged, contact your dealer before starting installation. DO NOT install a damaged kit. 
Installation Precautions
The GFK-160T Fan Kit is tested and safe when installed in accordance with this installation manual. It is your responsibility to read all instructions before starting installation and to follow these instructions carefully during installation to assure maximum benefit from, and safe operationof, thefan.
This fan is carefully engineered and must be installed only as specified. If you modify it or any of its components, you may cause a fire hazard and will void the WARRANTY. In addition, such action may void the coverage provided by the owner’s home insurance.
NOTE: This fan kit is not approved for installation with the use of the TWI-MOD decorative barrier front.
CAUTION: All wiring should be done by a qualified electrician and shall be in compliance with local codes and with the National Electric Code ANSI/NFPA NO. 70-current (in the United States), or with the current CSA C22.1
Canadian Electric Code (in Canada).
WARNING! Risk of Shock or Explosion! DO NOT wire 110V to the valve or to the appliance wall switch.
- Incorrect wiring will damage this valve.
- Incorrect wiring will override IPI safety lockout.
Installation Instructions
A. installing the Fan
Position the fan all the way to the left side of the fireplace and center front to back. Pull the fan 1/8 inch to 1/4 inch away from the side wall of the fireplace. See Figure 2.
Note: For wiring information see following pages.
B. installing the Fan
If the available IFT-RC400 IntelliFire Touch ® Remote
Control & Auxiliary Control Module Kit is to be install to control the fan, the temp sensor switch and speed sensor will be installed. Proceed to Section 4.E.
C. Installing the Speed Control and Sensor Switch
- Remove the knob and locknut from the variable speed control. Slide the control behind valve bracket in the front of fireplace, with the stem sticking out of the prepunched hole. Attach the locknut tightly and reattach the knob on the stem. See Figure
- Secure wires to sensor switch bracket. See Figure 3.
- Slide the temperature sensor switch/bracket assembly onto the firebox inner top of fireplace. Secure the bracket assembly with supplied screw. See Figure 3.
NOTE: The switch/bracket assembly must be installed so that the sensor switch is towards the top of the unit. - Plug fan into cord provided.
- Plug a temp switch wire into a speed control wire.
- Plug the other speed control wire into the black wire on cord.
- Plug the remaining secor switch wire into the other black wire on the cord. The white terminal will not be used.
- Plug cord into junction box.
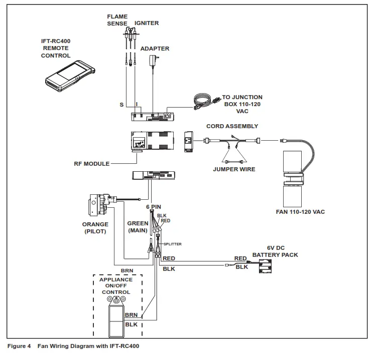
E. Wiring Instructions for Installation with IFT- RC400 Remote Control
- Attach blue jumper wire to black terminals on cord.
- Attach cord to fan.
- Remove rubber plug on control module.
- Install aux module onto control module (will snap in place).
- Remove rubber plug in front of control module. Install remote module (will snap in place).
- Plug cord into right side of aux labeled “fan”.
- Refer to IFT-RC400 Remote Control Install instructions for pairing instructions.
Replacement Parts and Customer Service
Replacement parts and service may be obtained through your dealer.
| DESCRIPTION | SERVICE PART NUMBER |
| Cord Assembly | SRV2005-863 |
| Temp Sensor Assembly | 2087-022 |
| 72 Inch Wire Assembly | 258-501A |
| 80 Inch Wire Assembly | 522-501A |
| Jumper Wire | 2155-033 |
Please contact your Hearth & Home Technologies
dealer with any questions or concerns.
For the location of your nearest
Hearth & Home Technologies dealer,
please visit www.fireside.com.
Heat & Glo Lifestyle Collection • GFK-160T Instructions • 2087-023 Rev. F • 2/21




















