MIXN8-MON Turbine Mixer
User Manual
OPERATING MANUAL
| MIXN8-MON MIXN8-TRI MIXN4-MON MIXN4-TRI MIXN2-MON MIXN2-TRI | MIXVN8-MON MIXVN8-TRI MIXVN4-MON MIXVN4-TRI MIXVN2-MON MIXVN2-TRI MIXV2N-MON |
MONOPHASE ANS TRIPHASE MIXERS
This operating instructions contains safety information that if ignored can endanger life or result in serious injury.
Read these instructions carefully before use and keep them for future reference. The original instruction is in English. All non-English instructions are translations of the original instruction.
Information and specifications on this manual could be uncorrect or could have printing errors.
Specifications are subject to change without notice.
EC RULES(STANDARD EC)
Direttiva Bassa Tensione
Low Voltage Directive ………2014/35/UE
EMC electromagnetic compatibility directive……….. 2014/30/UE
GENERAL SAFETY GUIDELINES
Operating, installing, or maintaining the unit in any way that is not covered in this manual could cause death, serious personal injury, or damage to the equipment.
ICON
This manual use the following safety message icon:
Danger
Indicates a hazardous situation which, if not avoided, will result in death or serious injury.
Warning
Indicates a hazardous situation which, if not avoided, could result in death or serious injury.
Notice – A practice not related to personal injury or additional information.
Cross reference – An instance which refers to related information elsewhere in the same document
Purpose of use and safety
These machines are intended for industrial installations.
Do not use in explosive area (EX). Do not use with flammable chemicals. Do not use with radioactive chemicals.
Use after a proper installation.
Use the machine in accordance with the data and specifications printed on the label.
Do not modify or use in a manner inconsistent with the provisions of the operating manual.
WARNING
KEEP THE MACHINE PROTECTED FROM SUN AND WATER. AVOID WATER SPLASHES.
WARNING
IN EMERGENCIES THE MACHINE SHOULD BE SWITCHED OFF IMMEDIATELY. DISCONNECT THE POWER CABLE FROM THE POWER SUPPLY.
WARNING
WHEN USING MACHINE WITH AGGRESSIVE CHEMICALS OBSERVE THE REGULATIONS CONCERNING THE TRANSPORT AND STORAGE OF AGGRESSIVE FLUIDS.
WARNING
WHEN INSTALLING ALWAYS OBSERVE NATIONAL REGULATIONS.
WARNING
MANUFACTURER IS NOT LIABLE FOR ANY UNAUTHORIZED USE OR MISUSE OF THIS PRODUCT THAT MAY CAUSE INJURY, DAMAGE TO PERSONS OR MATERIALS.
WARNING
BEFORE ANY OPERATION:
- CHECK THE POWER SUPPLY CORRESPOND TO MOTOR LABEL
- ALWAYS READ CHEMICAL MATERIAL SAFETY DATA SHEET (MSDS);
- ALWAYS WEAR PROTECTIVE CLOTHING.
NOTE Mixers comply with all safety regulations in force and are supplied with CE label. They should be installed on tanks or vessel that are part of plant which should also comply with all safety regulations in force.
WARNING
DO NOT RUN THE MIXERS UNLESS CORRECLY INSTALLED. DO NOT RUN THE MIXERS AFTER INSTALLATION, WITHOUT SAFETY MEASURES NECESSARY TO PREVENT ACCESS TO MIXERS WHILE OPERATING.
Safety notes
2.1 Information for those responsible for the plant or system
The persons responsible for the plant must ensure the following:
– Planning and configuration work and all work carried out on and with the machine is only to be done by qualified personnel.
– The operating instructions must always be available for all work. The technical data as well as the specifications relating to the permissible installation, connection, ambient and operating conditions are taken into consideration at all times.
– The specific setup and safety regulations as well as regulations on the use of personal protective equipment are observed. In the individual chapters of this document, you will find safety instructions that must be obeyed absolutely, for your own safety, to protect other people and to avoid damage to property. Observe the following safety instructions for all activities on and with the machine.
2.2 The five safety rules:
For your personal safety and to prevent material damage when carrying out any work, always observe the safety instructions and the following five safety rules, according to EN 50110-1 “Working in a voltage-free state”. Apply the five safety rules in the sequence stated before starting work.
Five safety rules
- Disconnect the system. Disconnect the auxiliary circuits, for example anti-condensation heating
- Prevent reconnection.
- Make sure that the equipment is at zero voltage
- Ground and short-circuit
- Cover or isolate nearby components that are still live. To energize the system, apply the measures in reverse order.
2.3 Qualified personnel
All work at the machine must be carried out by qualified personnel only. For the purpose of this documentation, qualified personnel is taken to mean people who fulfill the following requirements:
– Through appropriate training and experience, they are able to recognize and avoid risks and potential dangers in their particular field of activity.
– They have been instructed to carry out work on the machine by the appropriate person responsible.
Description
Degree of protection
The degree of protection the machines feature is stated on the rating plate.
Environmental requirements
The machines are suitable for operation in tropical climates. Guide value for the standard version 60 % relative humidity at an ambient temperature of (Tamb) 40 °C.
Ambient temperature: -20 °C to +40 °C
Installation altitude: 1000 m
Air with normal oxygen content, usually 21 % (V/V)
NOTICE
To avoid transport damages, impeller is supplied separately into package box. Remove the black cap that protect the thread at the end of the shaft. Screw the impeller on the shaft before use (Fig. 2).
The safe use of electrical machines
WARNING
– LIVE PARTS ELECTRICAL MACHINES CONTAIN LIVE PARTS. FATAL OR SEVERE INJURIES AND SUBSTANTIAL MATERIAL DAMAGE CAN OCCUR IF THE REQUIRED COVERS ARE REMOVED OR IF THE MACHINES ARE NOT HANDLED, OPERATED, OR MAINTAINED PROPERLY.
– ONLY REMOVE COVERS IN COMPLIANCE WITH THE APPLICABLE REGULATIONS.
– OPERATE THE MACHINES PROPERLY.
– PERFORM REGULAR MAINTENANCE ON THE MACHINE.
WARNING
– ROTATING PARTS ELECTRICAL MACHINES CONTAIN DANGEROUS ROTATING PARTS. FATAL OR SEVERE INJURIES AND SUBSTANTIAL MATERIAL DAMAGE CAN OCCUR IF THE REQUIRED COVERS ARE REMOVED OR IF THE MACHINES ARE NOT HANDLED, OPERATED, OR MAINTAINED PROPERLY.
– ONLY REMOVE COVERS IN COMPLIANCE WITH THE APPLICABLE REGULATIONS.
– OPERATE THE MACHINES PROPERLY.
– PERFORM REGULAR MAINTENANCE ON THE MACHINE.
– SECURE FREE-STANDING SHAFT EXTENSIONS.
WARNING
– HOT SURFACES ELECTRICAL MACHINES HAVE HOT SURFACES. FATAL OR SEVERE INJURIES AND SUBSTANTIAL MATERIAL DAMAGE CAN OCCUR IF THE REQUIRED COVERS ARE REMOVED OR IF THE MACHINES ARE NOT HANDLED, OPERATED, OR MAINTAINED PROPERLY.
– ALLOW THE MACHINE TO COOL DOWN BEFORE STARTING ANY WORK ON IT.
– ONLY REMOVE COVERS IN COMPLIANCE WITH THE APPLICABLE REGULATIONS.
– OPERATE THE MACHINES PROPERLY.
WARNING
– DANGEROUS VOLTAGE CONDENSATION DRAIN HOLES (OPTIONAL) INSERTING OBJECTS INTO THE CONDENSATION DRAIN HOLES CAN DAMAGE THE WINDING AND CAN RESULT IN DEATH, SERIOUS INJURY AND DAMAGE TO PROPERTY! NOTE THE FOLLOWING TO MAINTAIN THE DEGREE OF PROTECTION:
– SWITCH OFF THE MACHINE SO THAT IT IS IN A NO-VOLTAGE CONDITION, BEFORE YOU OPEN THE CONDENSATION DRAIN HOLES.
– CLOSE THE CONDENSATION DRAIN HOLES (E.G. USING T-PLUGS) BEFORE COMMISSIONING THE MACHINE.
Note
Storage
If the machines are used or stored outdoors, we recommend keeping them under a shelter or an additional cover.
– Avoid exposing them to direct, intense solar radiation, rain, snow, ice, or dust for extended periods.
– If necessary, please consult us or seek advice regarding technical issues.
Preparing for use
WARNING – USE LIFTING EYES
THE MACHINE MUST ONLY BE TRANSPORTED AND LIFTED USING THE LIFTING EYES, IN A POSITION THAT IS APPROPRIATE FOR ITS TYPE OF CONSTRUCTION. OTHERWISE, IT COULD FALL OVER OR SLIP IN THE LIFTING TACKLE.
THIS CAN RESULT IN DEATH, SERIOUS INJURY, OR MATERIAL DAMAGE.
– USE ALL THE LIFTING EYES ON THE MACHINE.
– ANY EYES THAT ARE SCREWED IN MUST BE TIGHTLY FASTENED.
– EYEBOLTS MUST BE SCREWED IN RIGHT UP TO THEIR SUPPORTING SURFACE.
– IF NECESSARY, USE SUITABLE, SUFFICIENTLY-SIZED TRANSPORT EQUIPMENT SUCH AS LIFTING STRAPS (EN1492-1) AND LASHING STRAPS (EN12195-2).
WARNING
– SUSPENDED TRANSPORT IF SEVERAL ITEMS OF TRANSPORT MATERIAL ARE USED FOR FASTENING, TWO STRAPS MUST BE ABLE TO CARRY THE WHOLE LOAD.
– USE ADDITIONAL, SUITABLE MEANS OF SUPPORT FOR TRANSPORT AND DURING INSTALLATION.
– SECURE THE SUPPORT EQUIPMENT TO PREVENT IT FROM SLIPPING.
Storage time Turn the shafts 1x every year to avoid bearing brinelling. Prolonged storage periods reduce the useful life of the bearing grease (aging).
Mounting, installation
5.1 Safety instructions
WARNING
– HOT SURFACES ELECTRICAL MACHINES HAVE HOT SURFACES. FATAL OR SEVERE INJURIES AND SUBSTANTIAL MATERIAL DAMAGE CAN OCCUR IF THE REQUIRED COVERS ARE REMOVED OR IF THE MACHINES ARE NOT HANDLED, OPERATED, OR MAINTAINED PROPERLY.
– ALLOW THE MACHINE TO COOL DOWN BEFORE STARTING ANY WORK ON IT.
– ONLY REMOVE COVERS IN COMPLIANCE WITH THE APPLICABLE REGULATIONS.
– OPERATE THE MACHINES PROPERLY. IT MUST BE ENSURED THAT PARTS (CABLES ETC.) DO NOT COME INTO CONTACT WITH THE MACHINE ENCLOSURE.
NOTICE Before start-up, please check that:
– the customer has set the correct direction of rotation of the machine
– e.g. by decoupling from the driven machine
– by taking appropriate measures!
– there are no temperature-sensitive parts (cables etc.), which are in contact with the machine enclosure.
– condensation drain holes are always located at the lowest point of the motor!
Note Please note the technical data on the rating plates on the machine enclosure.
5.2 Electromagnetic compatibility
Note
If the torque levels are very unequal (e.g. when a reciprocating compressor is being driven), a non-sinusoidal machine current will be induced whose harmonics can have an impermissible effect on the supply system and cause impermissible interference emissions as a result.
Note
Converter
– If operated with a frequency converter, the emitted interference varies in strength, depending on the design of the converter (type, interference suppression measures, manufacturer). – Prevent the limit values stipulated by EN / IEC 61000-6-3 for the drive system (consisting of the machine and converter) from being exceeded.
– You must observe the EMC information from the manufacturer of the converter.
– The most effective method of shielding is to conductively connect a shielded machine supply cable to the metal terminal box of the machine (with a metal screw connection) over a large surface area.
5.3 Balancing
CAUTION
Safety precautions
– The general touch protection measures for drive output elements must be observed.
– Output elements may only be attached or withdrawn using the correct equipment.
– The feather keys are only secured against falling out during shipping. If you commission a machine without an output element, the feather keys must be secured to prevent them from being thrown out. The rotors are balanced dynamically. The balancing quality corresponds to vibration severity grade “A” for the complete machine as standard. The optional vibration severity grade “B” is indicated on the rating plate. The declaration regarding the type of featherkey for balancing is generally marked on the rating plate and optionally on the face of the shaft end.
Designation:
– As a standard measure, balancing is carried out dynamically with a half featherkey (code “H”) in accordance with ISO 8821.
– “F” means balancing with a whole featherkey (optional version).
– “N” means balancing without a featherkey (optional version).
5.4 Alignment and fastening
General
When aligning and fastening the machine, please bear the following in mind:
The machine must be level.
- Feet and flanges must be fastened securely.
- Alignment must be precise in the case of direct coupling.
- Fastening surfaces must be clean
- Look out for any damage to paint; this must be rectified immediately and correctly.
- Look out for traces of anti-corrosion protection agents; these must be removed using mineral turpentine.
- Look out for installation-related resonances with the rotating frequency and double line frequency; these must be prevented.
- Listen for unusual noises when turning the rotor manually.
- Check the direction of rotation with the machine decoupled.
- Avoid using rigid coupling measures.
5.5 Mixer installation on tank see MIXER INSTALLATION chapter.
Electrical connection
WARNING
NOTE THE FOLLOWING SAFETY INFORMATION BEFORE CONNECTING-UP THE MACHINE:
- ONLY QUALIFIED AND TRAINED PERSONNEL SHOULD CARRY OUT WORK ON THE MACHINE WHILE IT IS STATIONARY.
- DISCONNECT THE MACHINE FROM THE POWER SUPPLY AND TAKE MEASURES TO PREVENT IT BEING RECONNECTED. THIS ALSO APPLIES TO AUXILIARY CIRCUITS, E.G. ANTI-CONDENSATION HEATING.
- CHECK THAT THE MACHINE REALLY IS IN A NO-VOLTAGE CONDITION.
- ESTABLISH A SAFE PROTECTIVE CONDUCTOR CONNECTION BEFORE STARTING ANY WORK.
- IF THE INCOMING POWER SUPPLY SYSTEM DISPLAYS ANY DEVIATIONS FROM THE RATED VALUES IN TERMS OF VOLTAGE, FREQUENCY, CURVE FORM OR SYMMETRY, SUCH DEVIATIONS WILL INCREASE THE TEMPERATURE AND INFLUENCE ELECTROMAGNETIC COMPATIBILITY.
WARNING
LINE SUPPLY WITH NON-GROUNDED NEUTRAL POINT OPERATING THE MACHINE ON A LINE SUPPLY SYSTEM WITH A NON-GROUNDED NEUTRAL POINT IS ONLY PERMITTED OVER SHORT TIME INTERVALS THAT OCCUR RARELY, E.G. THE TIME LEADING TO A FAULT BEING ELIMINATED (GROUND FAULT OF A CABLE, EN 60034-1).
6.1 Terminal box
6.1.1 Instructions for terminal boxes
DANGER – DANGEROUS VOLTAGE
ELECTRIC MACHINES CONTAIN HAZARDOUS VOLTAGES.
IF THE MACHINE IS NOT DE-ENERGIZED AND BROUGHT INTO A NO-VOLTAGE CONDITION, DEATH OR SERIOUS INJURY WILL OCCUR.
WHEN WORK IS CARRIED OUT ON THE MACHINE WITH THE TERMINAL BOX OPEN, IT MUST NOT BE ELECTRICALLY CONNECTED!
NOTICE
Damage to property
Note the following information to avoid damage to the terminal box.
– Make sure that the components inside the terminal box e.g. terminal board and cable connections) are not damaged!
– It must be ensured that there are no foreign bodies, dirt or moisture in the terminal box. Cable entries into the terminal box according to DIN 42925.
– Close any additional open cable entries with O-rings or suitable flat gaskets, the terminal box itself must be sealed so that it is dust and water tight using the original seal.
– Please observe the tightening torques for cable glands and other screws.
– When performing a test run, secure the feather keys without output elements.
Note The terminal box must be sealed so that dust and water cannot enter.
WARNING – DANGEROUS VOLTAGE
LOOSENING THE SAFETY TORX SCREW CAN RESULT IN DEATH, SERIOUS INJURY OR MATERIAL DAMAGE!
DO NOT LOOSEN THE SAFETY TORX SCREW WITH RESPECT TO THE CENTER TERMINAL, AS THIS ENSURES A CONDUCTIVE CONNECTION BETWEEN THE GROUNDING CONDUCTOR AND FRAME!
NOTICE
Serious damage to the machine
Failure to observe these measures will result in serious damage to the machine!
– Do not rotate the terminal box unless the connection cables have not yet been laid.
– If you release the safety torx screw to both sides of the outer connecting terminals, this can destroy the machine!
– Remove the three large snap hooks on the terminal board before rotating the the terminal box. Keep the snap hooks pressed while rotating the terminal box and use a screwdriver to re-engage when finished.
6.1.2 Optional terminal board (star or delta circuit)
NOTICE
Arcing at the optional terminal board can destroy the machine Failure to observe this information can result in destruction of the machine as a result of arcing. To change the operating mode, always press the jumper fully into the base of the slot and use the red locking lever to ensure that it is engaged.
6.1.3 Protruding connection cables
WARNING – SHORT-CIRCUIT HAZARD
DURING DISASSEMBLY AND PARTICULARLY WHEN INSTALLING THE COVER PLATE, MAKE SURE THAT THE CONNECTION CABLES ARE NOT CLAMPED BETWEEN ENCLOSURE PARTS AND THE COVER PLATE.
CAUTION
IT MUST BE ENSURED THAT THERE ARE NO FOREIGN BODIES, DIRT, OR MOISTURE IN THE TERMINAL BASE OF THE MACHINE ENCLOSURE.
– USE O-RINGS OR SUITABLE FLAT GASKETS TO SEAL ENTRIES IN COVER PLATES (DIN 42925) AND OTHER OPEN ENTRIES.
– SEAL THE TERMINAL BASE OF THE MACHINE ENCLOSURE USING THE ORIGINAL SEAL OF THE COVER PLATE TO PREVENT DUST AND WATER FROM ENTERING.
– PLEASE OBSERVE THE TIGHTENING TORQUES FOR CABLE GLANDS AND OTHER SCREWS.
WHEN PERFORMING A TEST RUN, SECURE THE FEATHER KEYS WITHOUT OUTPUT ELEMENTS.
6.1.4 Knockout openings
Note
Knockout openings
– Knockout openings in the terminal box must be knocked out using appropriate methods.
– Take care not to damage the terminal box or its interior components (the terminal board, cable connections, and so on).
6.1.5 Installation and routing
NOTICE
Damage to terminal board
Observe the following measures to prevent damage to the terminal board:
Remove the screw-type connections (EN 50262) only when the terminal box is closed.
Tighten the screw-type connections to rated torque value only when the terminal box is closed.
Tighten the screw-type connections only finger tight when the terminal box is open.
Make sure that the three large snap hooks are engaged when tightening the screw-type connections!
6.2 Final checks
Before closing the terminal box/terminal base of the machine enclosure, check the following:
- Establish the electrical connections in the terminal box in accordance with the details in the sections above and tighten with the correct torque.
- The clearances between non-insulated parts have been maintained: 5.5 mm to 690 V, 8 mm to 1000 V.
- Avoid protruding wire ends!
- In order not to damage the cable insulation, freely arrange the connecting cables.
- Connect the machine corresponding to the specified direction of rotation.
- Keep the inside of the terminal box clean and free from trimmed-off ends of wire.
- Ensure that all seals and sealing surfaces are undamaged and clean.
- Correctly and professionally close unused openings in the terminal boxes.
- The pressure relief device is undamaged (depending on the type of terminal box, this involves either cast-in slots or an overpressure diaphragm). Only repair damage after prior consultation with the person responsible for the safety of the equipment and use only original parts.
Commissioning
7.1 Insulation resistance
WARNING – WORKING ON ELECTRICAL POWER INSTALLATIONS
ONLY APPROPRIATELY TRAINED PERSONNEL MAY CARRY OUT THIS WORK.
BEFORE STARTING COMMISSIONING, INSTALL ALL COVERS THAT ARE DESIGNED TO PREVENT ACTIVE OR ROTATING PARTS FROM BEING TOUCHED, OR WHICH ARE NECESSARY TO ENSURE CORRECT AIR GUIDANCE AND THUS EFFECTIVE COOLING.
WARNING – HAZARDOUS VOLTAGE AT THE TERMINALS
DANGEROUS VOLTAGES ARE SOMETIMES PRESENT ON THE TERMINALS DURING AND IMMEDIATELY AFTER MEASUREMENT OF THE WINDING INSULATION RESISTANCE.
CONTACT WITH THESE CAN RESULT IN DEATH, SERIOUS INJURY OR MATERIAL DAMAGE.
IF ANY POWER CABLES ARE CONNECTED, CHECK TO MAKE SURE LINE SUPPLY VOLTAGE CANNOT BE CONNECTED. ONCE YOU HAVE MEASURED THE INSULATION RESISTANCE, DISCHARGE THE WINDING BY CONNECTING TO THE GROUND POTENTIAL.
CHECKING THE INSULATION RESISTANCE
NOTICE
The insulation resistance needs to be checked prior to start-up and again after any extended periods of storage or periods during which the equipment is not in operation. Before you begin measuring the insulation resistance, please read the operating manual for the insulation resistance meter you are going to use.
Disconnect any main-circuit cables that are connected to the terminals before measuring the insulation resistance.
Note
If the critical insulation resistance is less than or equal to this value, the windings must be dried or, if the fan is removed, cleaned thoroughly and dried.
Please note that the insulation resistance of dried, clean windings is lower than that of warm windings. The insulation resistance can only be properly assessed after conversion to the reference temperature of 25 °C.
Measures before commissioning
Once the system has been correctly installed, you should check the following prior to commissioning:
– The machine has been assembled and aligned correctly.
– The machine has been connected so that it rotates in the direction specified.
– The operating conditions match the data specified on the rating plate.
– The bearings have been lubricated as appropriate for the version used. Rollingcontact bearing machines which have been in storage for more than 24 months have been relubricated.
– Any supplementary machine monitoring equipment has been connected correctly and is functioning as it should.
– For versions with bearing thermometers, the bearing temperatures must be checked during the machine’s first period of operation. The warning and shutdown values are set on the monitoring device.
– Appropriately configured control and speed monitoring functions ensure that the machine cannot exceed the permissible speeds specified on the rating plate.
– The output elements have the correct settings for their type (e.g. alignment and balancing of couplings, belt forces in the case of a belt drive, tooth forces and tooth face clearance in the case of toothed-wheel power output, radial and axial clearance in the case of coupled shafts).
– The minimum insulation resistance and minimum clearance values have been adhered to.
– The grounding and equipotential bonding connections have been established correctly.
– All fixing screws, connection elements, and electrical connections have been tightened to the specified torques.
– Lifting eyes that were screwed in have been removed following installation or secured to prevent them becoming loose.
– The rotor can turn without coming into contact with the stator.
– All touch protection measures for both moving and live parts have been implemented.
– In cases where the shaft extension is not being used and is, therefore, exposed, it has been covered and the feather key has been secured to prevent it from being thrown out.
– If being used, the external fan is ready for operation and connected so that it rotates in the direction specified.
– The flow of cooling air is not obstructed.
– If a brake is being used, it is functioning correctly.
– The specified mechanical limit speed n max is adhered to.
If the design of the machine requires the converter to be assigned in a particular way, the relevant information will be provided on the rating plate or an additional label. Note It may be necessary to perform additional checks and tests in accordance with the specific situation on site.
Operation
8.1 Stoppages
Overview
If the machine remains out of service for an extended period of time (> 1 month), it should be commissioned regularly (around once a month) or, at the very least, the rotor should be turned. If a rotor locking device has been fitted to the machine, you must remove it before the rotor starts to turn.
NOTICE If the machine is to be out of service for a period in excess of 12 months, you must take suitable anti-corrosion, mothballing, packaging, and drying measures.
Lubricating before recommissioning
NOTICE The machine must be relubricated during commissioning if it has been out of service for more than 1 year, in order to ensure that the grease is distributed throughout the bearings. The shaft must rotate for the grease to be distributed.
Please observe the information on the lubricant plate if carrying out relubrication using relubrication equipment. See also the section titled “Bearing lifetime”.
Maintenance
WARNING
– SAFETY INSTRUCTIONS
– BEFORE STARTING WORK ON THE MACHINES, MAKE SURE THAT THE PLANT OR SYSTEM HAS BEEN DISCONNECTED IN A MANNER THAT IS COMPLIANT WITH THE APPROPRIATE SPECIFICATIONS AND REGULATIONS.
– IN ADDITION TO THE MAIN CURRENTS, MAKE SURE THAT SUPPLEMENTARY AND AUXILIARY CIRCUITS, PARTICULARLY IN HEATING DEVICES, ARE ALSO DISCONNECTED.
– CERTAIN PARTS OF THE MACHINE MAY REACH TEMPERATURES ABOVE 50 °C. PHYSICAL CONTACT WITH THE MACHINE COULD RESULT IN BURN INJURIES! CHECK THE TEMPERATURE OF PARTS BEFORE TOUCHING THEM.
– WHEN CARRYING OUT CLEANING USING COMPRESSED AIR, MAKE SURE THAT APPROPRIATE METHODS OF EXTRACTING FUMES ARE IN PLACE AND THAT PERSONAL PROTECTIVE GEAR SUCH AS GLOVES, GOGGLES, FACE MASKS, OR SIMILAR ARE WORN.
– IF YOU ARE USING CHEMICAL CLEANING AGENTS, OBSERVE THE INSTRUCTIONS AND ANY WARNINGS PROVIDED IN THE RELEVANT SAFETY DATA SHEET. CHEMICAL AGENTS MUST BE COMPATIBLE WITH THE MACHINE’S COMPONENTS, ESPECIALLY IF THESE CONTAIN PLASTICS.
Note Operation characteristics can vary widely. For this reason, only general maintenance intervals can be specified here.
9.1 Maintenance
9.1.1 Regreasing (optional)
General
As a standard feature, the machines have rolling-contact bearings which are permanently lubricated with grease (UNIREX N3, made by ESSO). A regreasing device is possible as an option. In this case, you can find information about relubrication intervals, quantities and types of grease, and, if required, additional data on the rating plate or lubricant plate.
Note
Do not mix different types of grease!
Prolonged storage periods reduce the useful life of the bearing grease. Check the condition of the grease if the equipment has been in storage for more than 12 months. If the grease is found to have lost oil content or to be contaminated, the machine must be immediately relubricated before commissioning. For information on permanently-greased bearings, please refer to the section titled Bearings.
Note
Regreasing
- Clean the grease nipples at the drive end and non-drive end.
- Press in the type and quantity of grease specified (see rating/lubricant plate data).
– Please observe the information on the rating and lubricant plates.
– Regreasing should be carried out when the machine is running (max. 3600 rpm)! The bearing temperature rises sharply at first, then drops to the normal value again when the excess grease is displaced out of the bearing.
9.1.2 Cleaning
Cleaning the greasing channels and used grease chambers. The used grease collects outside each bearing in the used grease chamber of the outer bearing cap. When replacing bearings, remove the used grease.
Note You have to separate the active parts of the bearings to replace the grease that is in the greasing channel. Cleaning the cooling air passages Regularly clean the cooling air passages through which the ambient air flows, e.g. using dry compressed air.
Note Never direct compressed air in the direction of the shaft outlet or machine openings. In the case of machines with textile fan covers, regularly remove fluff balls, fabric remnants, and similar types of contamination (particularly at the air passage opening between the fan cover and cooling fins of the machine enclosure) to ensure that the cooling air can flow without obstruction.
Note The frequency of the cleaning intervals depends on the local degree of contamination.
WARNING
PARTICULARLY WHEN CARRYING OUT CLEANING USING COMPRESSED AIR, MAKE SURE YOU USE SUITABLE EXTRACTION EQUIPMENT AND WEAR PERSONAL PROTECTIVE GEAR (SAFETY GOGGLES, RESPIRATORY FILTER, ETC.).
9.2 Repair
9.2.1 Instructions for repair
Qualified personnel
Only appropriately qualified persons should be deployed to commission and operate equipment. Qualified persons, as far as the safety instructions specified in this manual are concerned, are those who have the necessary authorization to commission, ground and identify/tag equipment, systems and circuits in accordance with the relevant safety standards.
Instructions relevant to safety
WARNING
BEFORE YOU BEGIN WORKING ON THE THREE-PHASE MACHINE, IN PARTICULAR BEFORE YOU OPEN THE COVERS OF ACTIVE PARTS, MAKE SURE THAT THE THREE-PHASE MACHINE OR SYSTEM IS PROPERLY ISOLATED FROM THE SUPPLY.
NOTE
IF IT IS NECESSARY TO TRANSPORT THE MACHINE, CAREFULLY OBSERVE THE INFORMATION PROVIDED IN SECTION PREPARING FOR USE.
9.2.2 Bearings
Take the bearing used up to frame size 90 only for special versions, and generally for frame size 100 and higher from the rating plate.
Bearing lifetime
Prolonged storage periods reduce the useful lifetime of the bearing grease. In the case of permanently lubricated bearings, this leads to a shorter bearing lifetime. Bearing or grease replacement is recommended after a storage time of 12 months, for longer than four years, replace the bearings or grease.
Note
– Do not reuse bearings that have been removed.
– Remove any existing contaminated old grease from the bearing shield!
– Replace old grease with new grease!
– Replace the shaft seals when the bearings are replaced.
– Lightly grease the contact surfaces of the sealing lips!
9.2.3 Dismantling
Note
Before commencing disassembly, you should mark how each of the fastening elements has been assigned, as well as how internal connections are arranged, for re-assembly purposes.
Fan
Take care not to damage the snapping mechanisms on fans that are equipped with these. To ensure this, the fans should be heated to a temperature of approximately 50 °C around the area of the hub. If any damage is caused, request new parts.
Fan cover
– Carefully lever the snap openings on the cover out of the snap-in lugs one after the other; do not apply the lever directly under the web (risk of breakage).
– Do not damage the snap mechanisms. If any damage is caused, request new parts.
MIXER INSTALLATION
Check the space available for the assembly.
Check that the supporting structure (tank mounting supports preferably PVC or rigid plastic sheets, beams, plates, flanges, etc.) has been correctly sized, taking the static and dynamic loads produced by the mixers into consideration.
The anchor bolts must be suitable for the fastening holes (do not use undersize screws) and must be assembled with plain washer and spring washer.
Check the presence of baffles when requested and connect to the shaft in the vessel through the prearranged opening, without forcing. In case of installation in the open, it is necessary that at least the electric motor be protected by a cover.
The motor – gear box bearing housing constitute a single unit that is to be fastened to the support structure observing the torque wrench setting and attending to the level in such a way as to guarantee a correct rotation of the shaft, free from oscillation, in order to avoid damaging the unit.
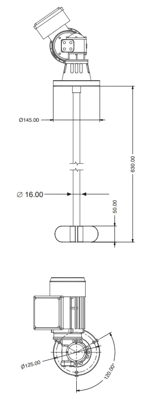
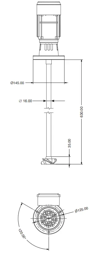
Impeller is supplied separately into the package.
Insert the mixer into the tank or vessel. The shaft must not be bent while inserted into the vessel and must not be supported so as to damage the drive unit.
Assemble the impeller on the shaft through the pre-arranged opening (FIG. 2).
Make sure that the impellers are assembled in accordance with the rotation direction and are fastened rigidly to the shaft. In case of two or more impellers, check the reciprocal distance along the shaft. In case of shaft and / or impellers constructed using flanged parts, follow of the pre-marked connections in the factory and tighten the connection bolts using the torque wrench.
Assemble all additional elements supplied separately.
START-UP
Before starting the mixer it is advisable to carry out the following checks.
1. On the motor
Check the connections (on the inside of the terminal board) in the exact way so as to correspond with the supply voltage line which must always have a ground wire. The entry of the cable into the terminal board must be well insulated and the cover must be screwed with care. We recommend the insertion between the feed line and the motor of a suitably calibrated overload cut out for the rated current in amperes indicated on the plate. Without the overload cut out there is no guarantee for the damage of the winding. The rotation direction is generally clockwise viewed from the motor side, and is indicated by an arrow located on the motor itself. Possible exceptions to this rule will be specified and the reversal of the rotation direction can be obtained by reversing the two phases of the feed line.
2. On the impeller
Do not start the mixers if the impeller is immersed in silt, unless this method of operation has been conditioned in the design phase.
3. On the entire unit
Check the tightening of all the bolts. (Repeat the operation after two weeks of operation). After having carried out above mentioned inspections, you may proceed starting to mix with the prearranged control devices.
In the beginning of the operation, just as any running machine, due to greater friction, the mixer motor can produce higher current absorption; these problems gradually disappear during the operation. When a gear box cycle converter is installed, it is advisable to gradually increase the transmitted power starting from the minimum values or limiting it (50-70° of the maximum power) for the first hours of operation.
Should an excessive unexpected absorption occur, disconnect the motor from the power grid, check the perfect efficiency of the connections contact and check that the working conditions correspond to those established, especially with regards to the density and viscosity of the liquid; in case the overload persists, contact our technical department.
If there are vibrations, stop the mixer immediately and determine the cause. All the mixers are suitable for the operations with a maximum and constant level; avoid the operations for installations the mixer is not designed for such as for tanks at variable or insufficient levels.
4. On the seals
Tighten the packing seals in the stuffing box before putting the tank under pressure. In case of lateral mixers, where the seals is under the level of the liquid, an initial dripping is considered normal, but must be eliminated by adjusting the tightening of the stuffing box.
– Single mechanical type: is not necessary to carry out any preliminary operation since the seal is ready for duty after the installation on the control unit of the mixer. Check if the seal model is suitable for rotating in one or both rotation directions. In case of lateral mixers, where the seal is under the level of the liquid, make sure that the seal is always in contact with the liquid. Ensure that when emptying and filling the tank, accumulated air (air bubbles) is not formed around the seals. Even a few seconds of running dry can create localised overheating, which seriously damages the mechanical seals showing evident signs of burning and the outer face (if in aluminium) may be cracked due to thermal shock. The failures caused by running dry are never repaired under the guarantee.
– Double mechanical seals type must be used with a coolant; this liquid must circulate in the housing of the seals before starting the mixer. The liquid in circulation between the seals must generally be maintained at a pressure exceeding one atm. higher of that in the vessel.
PROBLEMS AND COUNTERMEASURES
a ) The gear motor is noisy: check the oil level and replace it if necessary.
b) The shaft vibrates: check the bearing and replace it if necessary; check that no external solid sediments deposit on the impeller.
c) The gear motor strains at the start up: check the bearing and replace it if necessary; check that no external solid sediments deposit on the impeller. check that the impeller is not blocked by/in the sediments.
d) The seals shows leaks: Tighten the stuffing box in case of packing seals; Re-place the entire seal in case of mechanical seals.
MAINTENANCE INSTRUCTIONS
For a longer life of the equipment, it is advisable to provide for accurate maintenance of the same, replacing every 2000 hours: oil, the wear parts such as bearings, oil seals, rubber poles of the elastical joints, kept in a packing. Disassembly and assembly of the mechanical seals must be carried out by trained personnel, with the utmost accuracy and cleanliness and using the maintenance KIT for gearmotor.
Worm gearboxes with a shielded bearing. It is recommended to grease it at least every 2-3 years regardless of the operating hours. To this end it is provided with a greaser. Following are the general technical features of the lubrication grease:
– Thickener: Lithium-based;
– NGLI: 2;
– Oil: mineral with EP additives with minimum viscosity as per ISO VG 160;
– Additives: the oil in the grease must feature EP additive;
SPECIFICATIONS AND APPROVALS
ISO:L-X-BCHB 2
DIN 51 825: KP2K -20
Lubrication
The Table is useful for gearbox lubricant selection.
The operation principle of this variators consists of torque trasmission by friction wheel: that means to chose a particular kind of oil, able to increase dynamic efficiency and guarantee longer component’s duration. The tab. is useful for variator lubricant selection
Models
| MODELS | Motor (kW) | Rotation speed (rpm) | Shaft (mm) | Tanks (lt) | Impel- ler | Impeller diameter (mm) |
| MIXN8-MON | 0,09 | 65 or 200 | 630 | CNT PD 120 | 3 blade | 150 |
| 730 | CNT PD 250 | |||||
| MIXN8-TRI | 0,09 | 65 or 200 | 630 | CNT PD 120 | 3 blade | 150 |
| 730 | CNT PD 250 | |||||
| MIXVN8-MON | 0,09 | 1400 | 630 | CNT PD 120 | marine | 70 |
| 730 | CNT PD 250 | |||||
| MIXVN8-TRI | 0,09 | 1400 | 630 | CNT PD 120 | marine | 70 |
| 730 | CNT PD 250 | |||||
| MIXN4-MON | 0,18 | 65 or 200 o 400 | 730 | CNT PD 250 | 3 blade | 150 |
| 980 | CNT PD 500 | |||||
| 1100 | CNT PD 1000 | |||||
| MIXN4-TRI | 0,18 | 65 or 200o 400 | 730 | CNT PD 250 | 3 blade | 150 |
| 980 | CNT PD 500 | |||||
| 1100 | CNT PD 1000 | |||||
| MIXVN4-MON | 0,18 | 1400 | 730 | CNT PD 250 | marine | 90 |
| 980 | CNT PD 500 | |||||
| MIXVN4-TRI | 0,18 | 1400 | 730 | CNT PD 250 | marine | 90 |
| 980 | CNT PD 500 | |||||
| MIXVN2-MON | 0,37 | 1400 | 730 | CNT PD 250 | marine | 90 |
| 980 | CNT PD 500 | |||||
| 1100 | CNT PD 1000 | |||||
| MIXVN2-TRI | 0,37 | 1400 | 730 | CNT PD 250 | marine | 90 |
| 980 | CNT PD 500 | |||||
| 1100 | CNT PD 1000 | |||||
| MIXN2-MON | 0,37 | 65 or 200 o 400 | 1100 | CNT PD 1000 | 4 blade | 150 |
| MIXN2-TRI | 0,37 | 65 or 200o 400 | 1100 | CNT PD 1000 | 4 blade | 150 |
| MIXV2N-MON | 0,37 | 1400 | 985 | CNT PD 1000 | 3 blade | 190 |
Materials
| NO. | Part | Material |
| 1 | Screws | PVDF |
| 2 | Nuts | PVDF |
| 3 | Holder | PVC |
| 4 | Flange | PVC |
| 5 | Spacer | PVC |
| 6 | Sealing | Teflon |
| 7 | Axis cover | PVC |
| 8 | Axis (int.) | Stainless steel (AISI316 L) |
| 9 | Bearings | 100Cr6 (AFNOR 100C6) |
| 10 | Impeller | PVC |
Motor Data Plates
| MOTOR | LABEL | MIXER |
| Single phase 0,37 KW 1400 rpm | ![]() | MIXN2 MON 65 rpm (with reduction gear 1:20) 200 rpm (with reduction gear 1:7) MIXVN2 MON 1400 rpm |
| Single phase 0,18 KW 1400 rpm | ![]() | MIXN4 MON 65 rpm (with reduction gear 1:20) 200 rpm (with reduction gear 1:7) MIXVN4 MON 1400 rpm |
| Single phase 0,09 KW 1400 rpm | ![]() | MIXN8 MON 65 rpm (with reduction gear 1:20) 200 rpm (with reduction gear 1:7) MIXVN8 MON 1400 rpm |
| Single phase 0,37 KW 2800 rpm | ![]() | MIXN2 MON 400 rpm (with reduction gear 1:7) |
| 3-phase 0,37 KW 1400 rpm | ![]() | MIXN2 TRI 65 rpm (with reduction gear 1:20) 200 rpm (with reduction gear 1:7) MIXVN2 TRI 1400 rpm |
| 3-phase 0,18 KW 1400 rpm | ![]() | MIXN4 TRI 65 rpm (with reduction gear 1:20) 200 rpm (with reduction gear 1:7) MIXVN4 TRI 1400 rpm |
| 3-phase 0,09 KW 1400 rpm | ![]() | MIXN8 TRI 65 rpm (with reduction gear 1:20) 200 rpm (with reduction gear 1:7) MIXVN8 TRI 1400 rpm |
| 3-phase 0,37 KW 2800 rpm | ![]() | MIXN2 TRI 400 rpm (with reduction gear 1:7) |
Dimensions
MIXN8-MON
MIXN8-TRI
MIXVN8-MON
MIXVN8-TRI
MIXVN4-MON
MIXVN4-TRI
MIXVN2-MON
MIXVN2-TRI

Disposal of end-of-life equipment by users
This symbol warns you not to dispose of the product with normal waste. Respect human health and the environment by giving the discarded equipment to a designated collection center for the recycling of electronic and electrical equipment. For more information visit the online site.
When dismantling a pump please separate material types and send them according to local recycling disposal requirements. We appreciate your efforts in supporting your local Recycle Environmental Program. Working together we’ll form an active union to assure the world’s invaluable resources are conserved.




























